вконтакте

Контактный телефон: +7 (981) 121-46-93, +7 (800) 200-90-76 , Email: parts-katalog@yandex.ru, где купить

 
 

  Логин:

Пароль:

Регистрация

www.partskatalog.ru Все каталоги Запчасти Mercury Запчасти Suzuki Запчасти Tohatsu Запчасти Honda Контакты


Все разделы каталога запчастей на этот двигатель

назад Раздел:   вперёд

вернуться к списку узлов и деталей

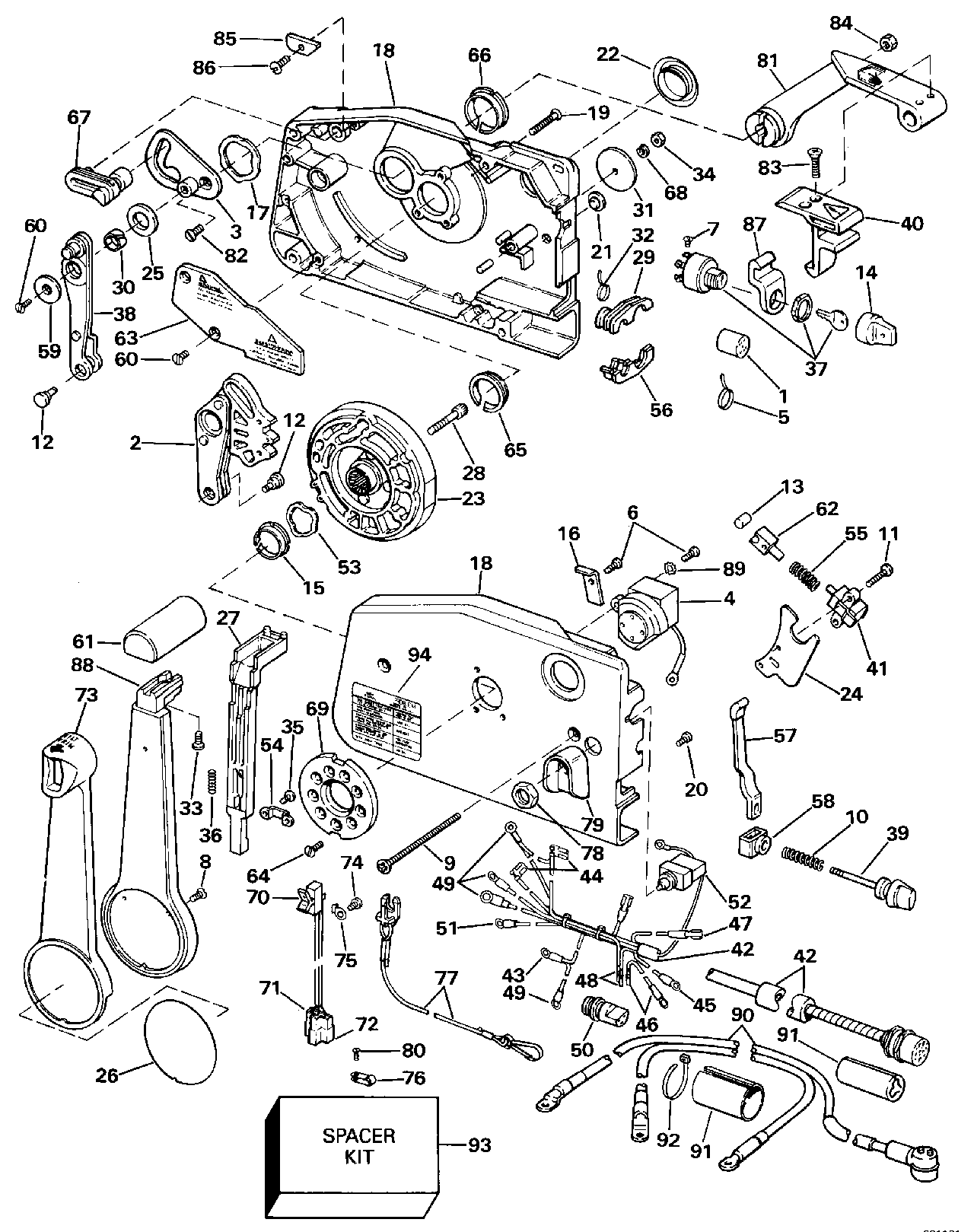
ДЕТАЛИРОВКА ДЛЯ МОДЕЛИ: EVINRUDE E15ELENM 1992

MOTOR КАБЕЛИ | MOTOR CABLE;


Лодочный подвесной мотор Evinrude E15ELENM 1992  - tor Кабели / tor Cable

Номер на
рисунке
АртикулНаименованиеКол-во
на складе
Цена
1 0584382

Кабели в сборе. MOTOR (CABLE ASSY. MOTOR)

нет в наличии, поставок нет
2 0204039

Клемма, Кольцо (TERMINAL, Ring)

нет в наличии, поставок нет
2 3852036

   (последний код) TERMINAL,RIN

нет в наличии, поставок нет
3 0204053

Клемма, Кольцо (TERMINAL, Ring)

нет в наличии, поставок нет
3 3852037

   (последний код) TERMINAL,RIN

нет в наличии, поставок нет
4 0581656

Клемма, Socket (TERMINAL, Socket)

нет в наличии, поставок нет
4 3852257

   (последний код) TERMINAL AY,SCKT

нет в наличии, поставок нет
5 0204038

Клемма, Кольцо (TERMINAL, Ring)

нет в наличии, поставок нет
6 0308294

Клемма, Кольцо (TERMINAL, Ring)

нет в наличии, поставок нет
6 0510818

   (последний код) TERM.-61867-

нет в наличии, поставок нет
7 0510780

Клемма, Кольцо (TERMINAL, Ring)

нет в наличии, поставок нет
7 3852226

   (последний код) TERMINAL,RIN

нет в наличии, поставок нет
8 0510884

Предохранитель, 20 AMP (FUSE, 20 AMP)

нет в наличии, поставок нет
8 0510384

   (последний код) FUSE

нет в наличии, поставок нет
9 0512876

Клемма, Socket (TERMINAL, Socket)

нет в наличии, поставок нет
9 3852244

   (последний код) TERMINAL,SOC

нет в наличии, поставок нет
10 0513186

Гильза (SLEEVE)

нет в наличии, поставок нет
10 3852248

   (последний код) SLEEVE,SKT-B

нет в наличии, поставок нет
11 0912627

Струбцина, Motor Кабели to instrument Кабели (CLAMP, Motor cable to instrument cable)

нет в наличии, поставок нет
11 3852602

   (последний код) CLAMP

нет в наличии, поставок нет
12 0321077

Фиксатор, Предохранитель Держатель (RETAINER, Fuse holder)

нет в наличии, поставок нет
evinrude

Время выполнения запроса 0.61918616294861 сек.


 
 

данный сайт носит информационный характер и не является публичной офертой

склад запчастей для водомоторной техники