вконтакте

Контактный телефон: +7 (981) 121-46-93, +7 (800) 200-90-76 , Email: parts-katalog@yandex.ru, где купить

 
 

  Логин:

Пароль:

Регистрация

www.partskatalog.ru Все каталоги Запчасти Mercury Запчасти Suzuki Запчасти Tohatsu Запчасти Honda Контакты



УВАЖАЕМЫЕ КЛИЕНТЫ!
C 19 ДЕКАБРЯ 2025 ПО 02 МАРТА 2026 ГОДА ОТДЕЛ ЗАПЧАСТЕЙ И СЕРВИС РАБОТАТЬ НЕ БУДУТ
ПРОДАЖА ЛОДОЧНЫХ МОТОРОВ В ШТАТНОМ РЕЖИМЕ
ОБ ИЗМЕНЕНИЯХ В ГРАФИКЕ РАБОТЫ ЧИТАЙТЕ НА САЙТА




Все разделы каталога запчастей на этот двигатель

назад Раздел:   вперёд

вернуться к списку узлов и деталей

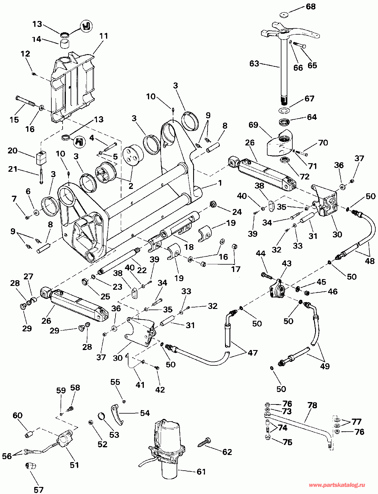
ДЕТАЛИРОВКА ДЛЯ МОДЕЛИ: EVINRUDE VE100SLEND 1992

КРОНШТЕЙН ТРАНЦА В СБОРЕ. - QUIET RIDER | TRANSOM BRACKET ASSY. - QUIET RIDER;


Подвесной двигатель Эвинруд VE100SLEND 1992  - Quiet Rider - Quiet Rider

Номер на
рисунке
АртикулНаименованиеКол-во
на складе
Цена
1 0434781

Кронштейн транца (TRANSOM BRACKET)

нет в наличии, поставок нет
2 0337063

TRUNNION, Кронштейн транца (TRUNNION, Transom bracket)

нет в наличии, поставок нет
2 0436715

   (последний код) KIT AY,TRUNNION

нет в наличии, поставок нет
3 0337062

Втулка, Trunnion (BUSHING, Trunnion)

нет в наличии, поставок нет
3 0337527

   (последний код) BUSHING

нет в наличии, поставок нет
4 0552899

Винт, Trunnion Креплениеing (SCREW, Trunnion mounting)

нет в наличии, поставок нет
5 0308688

Шайба, Trunnion mtg. Винт (WASHER, Trunnion mtg. screw)

нет в наличии, поставок нет
6 0314099

Шайба, Винт to stКольцоer (WASHER, Screw to stringer)

нет в наличии, поставок нет
7 0313990

Гайка, Винт to stКольцоer (NUT, Screw to stringer)

нет в наличии, поставок нет
8 0337066

Штифт, Tilt cyl.to trans. brkt. (PIN, Tilt cyl.to trans. brkt.)

нет в наличии, поставок нет
9 0334259

Зажим, Штифт to tilt cyl. (CLIP, Pin to tilt cyl.)

нет в наличии, поставок нет
10 0313607

LUBRICATION FITTING (LUBRICATION FITTING)

нет в наличии, поставок нет
10 3852121

   (последний код) FITTING,LUB

нет в наличии, поставок нет
11 0434779

Поворотный кронштейн (SWIVEL BRACKET)

нет в наличии, поставок нет
12 0313607

LUBRICATION FITTING (LUBRICATION FITTING)

нет в наличии, поставок нет
12 3852121

   (последний код) FITTING,LUB

нет в наличии, поставок нет
13 0320937

Сальник (SEAL, Oil)

нет в наличии, поставок нет
14 0320692

Втулка (BUSHING)

нет в наличии, поставок нет
15 0336676

Винт, Поворотный кронштейн to trans. brkt. (SCREW, Swivel bracket to trans. brkt.)

нет в наличии, поставок нет
15 0336675

   (последний код) BOLT

нет в наличии, поставок нет
16 0320248

Шайба, Винт to Кронштейн (WASHER, Screw to bracket)

нет в наличии, поставок нет
16 0312910

   (последний код) WASHER

нет в наличии, поставок нет
17 0313623

Гайка, Винт to Кронштейн (NUT, Screw to bracket)

нет в наличии, поставок нет
17 0321861

   (последний код) NUT

нет в наличии, поставок нет
18 0337065

Кронштейн, верхний to swivel brkt. (BRACKET, Upper to swivel brkt.)

нет в наличии, поставок нет
19 0337247

Нижний кронштейн to swivel brkt. (BRACKET, Lower to swivel brkt.)

нет в наличии, поставок нет
20 0433458

Анод, Swivel brkt. (ANODE, Swivel brkt.)

нет в наличии, поставок нет
20 0398331

   (последний код) ANODE & INSERT AY

нет в наличии, поставок нет
21 0333350

Винт, Анод to swivel brkt. (SCREW, Anode to swivel brkt.)

нет в наличии, поставок нет
22 0337499

TILT Трубка (TILT TUBE)

нет в наличии, поставок нет
23 0335469

WIPER, Tilt Трубка (WIPER, Tilt tube)

нет в наличии, поставок нет
24 0323599

LOCKГайка, Tilt Трубка (LOCKNUT, Tilt tube)

нет в наличии, поставок нет
24 0316828

   (последний код) NUT

нет в наличии, поставок нет
25 0322376

WIPER Гайка, Tilt Трубка (WIPER NUT, Tilt tube)

нет в наличии, поставок нет
26 0986149

Цилиндр наклона (TILT CYLINDER)

нет в наличии, поставок нет
27 0913665

Пружина, Заземление (SPRING, Ground)

нет в наличии, поставок нет
28 0914719

Пыльник, Штифт Втулка (GROMMET, Pin bushing)

нет в наличии, поставок нет
29 0914718

Втулка, Штифт (BUSHING, Pin)

нет в наличии, поставок нет
30 0337064

Кронштейн, Цилиндр наклона (BRACKET, Tilt cylinder)

нет в наличии, поставок нет
31 0337070

Штифт, Tilt cyl. to brkt. (PIN, Tilt cyl. to brkt.)

нет в наличии, поставок нет
32 0308738

Винт, Штифт Фиксатор (SCREW, Pin retainer)

нет в наличии, поставок нет
32 0328724

   (последний код) SCREW

нет в наличии, поставок нет
33 0331249

Шайба, Штифт Фиксатор (WASHER, Pin retainer)

нет в наличии, поставок нет
33 0330155

   (последний код) WASHER

нет в наличии, поставок нет
34 0553104

Винт, Tilt cyl. brkt. (SCREW, Tilt cyl. brkt.)

нет в наличии, поставок нет
34 0330263

   (последний код) SCREW

нет в наличии, поставок нет
35 0308688

Шайба, Винт to brkt. (WASHER, Screw to brkt.)

нет в наличии, поставок нет
36 0314099

Шайба, Кронштейн to stКольцоer (WASHER, Bracket to stringer)

нет в наличии, поставок нет
37 0313990

Гайка, Кронштейн Винт (NUT, Bracket screw)

нет в наличии, поставок нет
38 0173029

Анод, Tilt cyl. brkt (ANODE, Tilt cyl. brkt)

нет в наличии, поставок нет
38 0123009

   (последний код) ANODE

нет в наличии, поставок нет
39 0333677

Винт, Brkt. Анод (SCREW, Brkt. anode)

нет в наличии, поставок нет
39 3852208

   (последний код) SCREW

нет в наличии, поставок нет
40 0303701

Блокирующая шайба анода Винт (LOCK WASHER, Anode screw)

нет в наличии, поставок нет
41 0582494

Заземление Хомут (GROUND STRAP)

нет в наличии, поставок нет
41 0387043

   (последний код) LEAD-ASSEMBL

нет в наличии, поставок нет
42 0911859

Винт, Заземление Хомут (SCREW, Ground strap)

нет в наличии, поставок нет
42 3852568

   (последний код) SCREW

нет в наличии, поставок нет
43 0911822

Коллектор, Oil lines (MANIFOLD, Oil lines)

нет в наличии, поставок нет
43 3852559

   (последний код) BLOCK,MANIFOLD

нет в наличии, поставок нет
44 0324334

Винт, Коллектор to boat (SCREW, Manifold to boat)

нет в наличии, поставок нет
44 0302820

   (последний код) SCREW

нет в наличии, поставок нет
45 0326609

Шайба, Коллектор Винт (WASHER, Manifold screw)

нет в наличии, поставок нет
46 0313022

Стопорная гайка, Коллектор Винт (LOCK NUT, Manifold screw)

нет в наличии, поставок нет
46 3852118

   (последний код) NUT,LOCK

нет в наличии, поставок нет
47 0434783

OIL LINE, Цилиндр, выше, port (OIL LINE, Cylinder, up, port)

нет в наличии, поставок нет
47 0985615

OIL LINE, Цилиндр, выше, stbd. (OIL LINE, Cylinder, up, stbd.)

нет в наличии, поставок нет
47 3853855

   (последний код) LINE AY,OIL

нет в наличии, поставок нет
48 0434784

OIL LINE, Цилиндр, down (OIL LINE, Cylinder, down)

нет в наличии, поставок нет
49 0985615

OIL LINE, Коллектор to Помпа (OIL LINE, Manifold to pump)

нет в наличии, поставок нет
49 3853855

   (последний код) LINE AY,OIL

нет в наличии, поставок нет
50 0321117

Уплотнительное кольцо, Oil line (O-RING, Oil line)

5 шт100 руб.
50 3852165

   (последний код) O-RING

5 шт80 руб.
51 0582501

SENDING UNIT в сборе. (SENDING UNIT ASSY.)

нет в наличии, поставок нет
52 0320689

Гайка (NUT)

нет в наличии, поставок нет
52 3852164

   (последний код) NUT

нет в наличии, поставок нет
53 0511528

Пружина (SPRING)

нет в наличии, поставок нет
54 0512211

Рычаг (ARM)

нет в наличии, поставок нет
54 0511530

   (последний код) ARM-SENDING

нет в наличии, поставок нет
55 0511527

Фиксатор (RETAINER)

нет в наличии, поставок нет
55 3852232

   (последний код) RETAINER

нет в наличии, поставок нет
56 0510470

Клемма (TERMINAL)

нет в наличии, поставок нет
56 3855230

   (последний код) TERMINAL,BLADE.250

нет в наличии, поставок нет
57 0511847

Коннектор, Sending unit (CONNECTOR, Sending unit)

нет в наличии, поставок нет
58 0337766

Винт, Sending unit to stКольцоer (SCREW, Sending unit to stringer)

нет в наличии, поставок нет
59 0328737

Шайба, Sending unit Винт (WASHER, Sending unit screw)

нет в наличии, поставок нет
59 0306561

   (последний код) WASHER

нет в наличии, поставок нет
60 0330130

Проставка, Sending unit to stКольцоer (SPACER, Sending unit to stringer)

нет в наличии, поставок нет
61 0986914

Коллектор & Двигатель в сборе. (MANIFOLD & MOTOR ASSY.)

нет в наличии, поставок нет
61 3860879

   (последний код) MANIFOLD & PUMP AY

нет в наличии, поставок нет
62 0911975

LAG Винт (LAG SCREW)

нет в наличии, поставок нет
62 3852581

   (последний код) SCREW,LAG

нет в наличии, поставок нет
63 0392518

Рулевая система Рычаг в сборе. (STEERING ARM ASSY.)

нет в наличии, поставок нет
63 0983289

   (последний код) STEERING ARM

нет в наличии, поставок нет
64 0327696

KEEPER, Стержень Вал (KEEPER, Pivot shaft)

нет в наличии, поставок нет
65 0335612

Винт, верхний (SCREW, Upper)

нет в наличии, поставок нет
65 0328692

   (последний код) SCREW

нет в наличии, поставок нет
66 0313169

Шайба, верхний Винт (WASHER, Upper screw)

нет в наличии, поставок нет
67 0320866

THRUST Опорная шайба Вал (THRUST WASHER, Pivot shaft)

нет в наличии, поставок нет
68 0322302

Сальник, Переключающая тяга (SEAL, Shift rod)

нет в наличии, поставок нет
68 0321361

   (последний код) SEAL

нет в наличии, поставок нет
69 0336733

Монтажный кронштейн (MOUNT BRACKET)

нет в наличии, поставок нет
69 0340006

   (последний код) BRACKET,MOUN

нет в наличии, поставок нет
70 0328078

Винт, Крепление brkt (SCREW, Mount brkt)

нет в наличии, поставок нет
70 0327052

   (последний код) SCREW

нет в наличии, поставок нет
71 0306314

Шайба, Крепление brkt (WASHER, Mount brkt)

нет в наличии, поставок нет
72 0320746

Гайка, Крепление brkt (NUT, Mount brkt)

нет в наличии, поставок нет
0434845 0434845

Рулевая система Коннектор KIT. Not Shown (STEERING CONNECTOR KIT. Not Shown)

нет в наличии, поставок нет
0434845 0173700

   (последний код) CONNECTOR KIT

нет в наличии, поставок нет
73 0122840

Гайка, Стержень (NUT, Pivot)

нет в наличии, поставок нет
74 0122841

Проставка, Стержень (SPACER, Pivot)

нет в наличии, поставок нет
75 0123178

Болт, Коннектор (BOLT, Connector)

нет в наличии, поставок нет
75 0344327

   (последний код) BOLT

нет в наличии, поставок нет
76 0315077

Гайка (NUT)

нет в наличии, поставок нет
76 3852132

   (последний код) NUT,LOCK

нет в наличии, поставок нет
77 0319453

Шайба (WASHER)

нет в наличии, поставок нет
77 3852155

   (последний код) WASHER

нет в наличии, поставок нет
78 0337086

Тяга (ROD)

нет в наличии, поставок нет
78 0173694

   (последний код) CONNECTOR ROD

нет в наличии, поставок нет
evinrude

Время выполнения запроса 4.7826671600342 сек.


 
 

данный сайт носит информационный характер и не является публичной офертой

склад запчастей для водомоторной техники