вконтакте

Контактный телефон: +7 (981) 121-46-93, +7 (800) 200-90-76 , Email: parts-katalog@yandex.ru, где купить

 
 

  Логин:

Пароль:

Регистрация

www.partskatalog.ru Все каталоги Запчасти Mercury Запчасти Suzuki Запчасти Tohatsu Запчасти Honda Контакты



УВАЖАЕМЫЕ КЛИЕНТЫ!
C 19 ДЕКАБРЯ 2025 ПО 02 МАРТА 2026 ГОДА ОТДЕЛ ЗАПЧАСТЕЙ И СЕРВИС РАБОТАТЬ НЕ БУДУТ
ПРОДАЖА ЛОДОЧНЫХ МОТОРОВ В ШТАТНОМ РЕЖИМЕ
ОБ ИЗМЕНЕНИЯХ В ГРАФИКЕ РАБОТЫ ЧИТАЙТЕ НА САЙТА




Все разделы каталога запчастей на этот двигатель

назад Раздел:   вперёд

вернуться к списку узлов и деталей

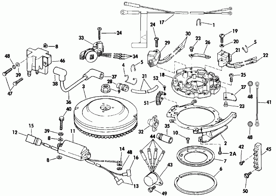
ДЕТАЛИРОВКА ДЛЯ МОДЕЛИ: EVINRUDE E150JLENC 1992

КРЫШКА ДВИГАТЕЛЯ (КАПОТ) - EVINRUDE | ENGINE COVER - EVINRUDE;


Лодочный мотор Evinrude E150JLENC 1992  - Evinrude - Evinrude

Номер на
рисунке
АртикулНаименованиеКол-во
на складе
Цена
1 0284194

Крышка двигателя (капот) в сборе.. 150EL (ENGINE COVER ASSY.. 150EL)

нет в наличии, поставок нет
1 0284636

   (последний код) UMC AY, EV 150

нет в наличии, поставок нет
1 0284195

Крышка двигателя (капот) в сборе.. 150EX (ENGINE COVER ASSY.. 150EX)

нет в наличии, поставок нет
1 0285136

   (последний код) COVER AY,MOTOR-

нет в наличии, поставок нет
1 0284196

Крышка двигателя (капот) в сборе.. 150NX (ENGINE COVER ASSY.. 150NX)

нет в наличии, поставок нет
1 0285136

   (последний код) COVER AY,MOTOR-

нет в наличии, поставок нет
1 0284197

Крышка двигателя (капот) в сборе.. 150GL (ENGINE COVER ASSY.. 150GL)

нет в наличии, поставок нет
1 0284636

   (последний код) UMC AY, EV 150

нет в наличии, поставок нет
1 0284199

Крышка двигателя (капот) в сборе.. 175GL (ENGINE COVER ASSY.. 175GL)

нет в наличии, поставок нет
1 0284637

   (последний код) UMC AY, EV 175

нет в наличии, поставок нет
1 0284070

Крышка двигателя (капот) в сборе.. TE150GL (ENGINE COVER ASSY.. TE150GL)

нет в наличии, поставок нет
1 0284198

Крышка двигателя (капот) в сборе.. 175EX (ENGINE COVER ASSY.. 175EX)

нет в наличии, поставок нет
1 0285136

   (последний код) COVER AY,MOTOR-

нет в наличии, поставок нет
1 0284208

Крышка двигателя (капот) в сборе.. 150JL (ENGINE COVER ASSY.. 150JL)

нет в наличии, поставок нет
1 0284371

Крышка двигателя (капот) в сборе.. 175NX (ENGINE COVER ASSY.. 175NX)

нет в наличии, поставок нет
1 0285136

   (последний код) COVER AY,MOTOR-

нет в наличии, поставок нет
2 0211688

APPLIQUE, Evinrude. 150EL 150GL 175GL (APPLIQUE, Evinrude. 150EL 150GL 175GL)

нет в наличии, поставок нет
2 0211749

   (последний код) APPLIQUE,EVI

нет в наличии, поставок нет
3 0337719

APPLIQUE, обратное вращение. 150NX 175NX (APPLIQUE, Counter rotation. 150NX 175NX)

нет в наличии, поставок нет
4 0335930

SOUND BLANKET, Top (SOUND BLANKET, Top)

нет в наличии, поставок нет
4 0341490

   (последний код) BLANKET,SOUND

нет в наличии, поставок нет
5 0317223

Защелка (FASTENER)

нет в наличии, поставок нет
6 0335843

Сальник (SEAL)

нет в наличии, поставок нет
7 0328724

Винт, Крючок (SCREW, Hook)

нет в наличии, поставок нет
7 3852186

   (последний код) SCREW

нет в наличии, поставок нет
8 0435445

Крючок AY. (HOOK AY.)

нет в наличии, поставок нет
8 0433513

   (последний код) HOOK-AY,LCT-BRK

нет в наличии, поставок нет
9 0335927

SOUND BLANKET, Front (SOUND BLANKET, Front)

нет в наличии, поставок нет
9 0341486

   (последний код) BLANKET,SOUND

нет в наличии, поставок нет
10 0335928

SOUND BLANKET, Rear (SOUND BLANKET, Rear)

нет в наличии, поставок нет
10 0341487

   (последний код) BLANKET,SOUND

нет в наличии, поставок нет
11 0335929

SOUND BLANKET, Side (SOUND BLANKET, Side)

нет в наличии, поставок нет
11 0341488

   (последний код) BLANKET,SOUND

нет в наличии, поставок нет
13 0336817

APPLIQUE. TE150GL (APPLIQUE. TE150GL)

нет в наличии, поставок нет
14 0212020

APPLIQUE. 150EL 150GL 175GL (APPLIQUE. 150EL 150GL 175GL)

нет в наличии, поставок нет
14 0211718

   (последний код) APPLIQUE,V6

нет в наличии, поставок нет
15 0435391

LOCATING Кронштейн (LOCATING BRACKET)

нет в наличии, поставок нет
17 0284354

Комплект наклеек. 150EL (DECAL SET. 150EL)

нет в наличии, поставок нет
17 0284355

Комплект наклеек. 150EX 150NX 175EX 175NX (DECAL SET. 150EX 150NX 175EX 175NX)

нет в наличии, поставок нет
17 0284357

Комплект наклеек. 150GL (DECAL SET. 150GL)

нет в наличии, поставок нет
17 0284359

Комплект наклеек. 175GL (DECAL SET. 175GL)

нет в наличии, поставок нет
17 0284356

Комплект наклеек. 150JL (DECAL SET. 150JL)

нет в наличии, поставок нет
17 0284287

Комплект наклеек. TE150GL (DECAL SET. TE150GL)

нет в наличии, поставок нет
evinrude

Время выполнения запроса 2.4720041751862 сек.


 
 

данный сайт носит информационный характер и не является публичной офертой

склад запчастей для водомоторной техники