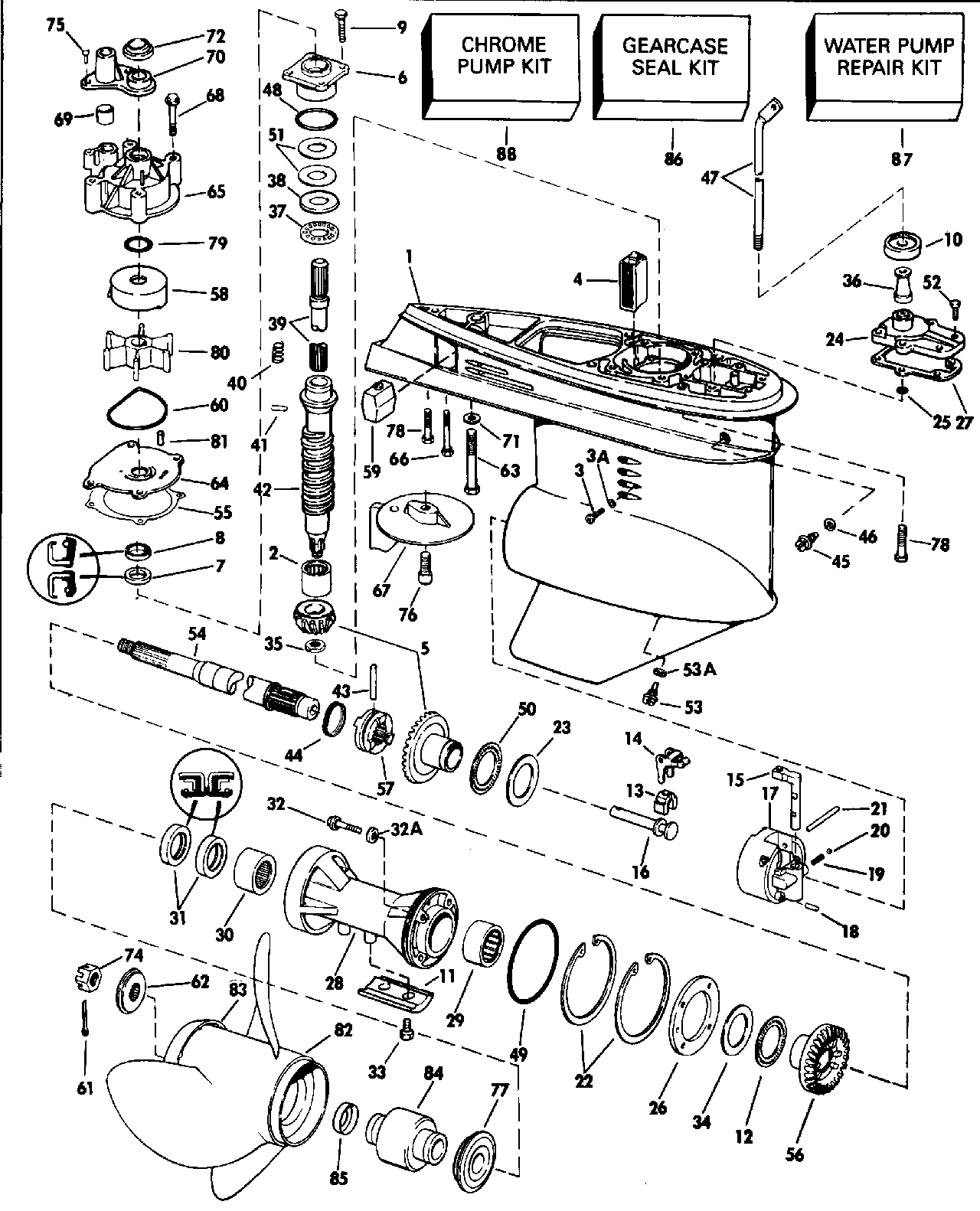
Номер на рисунке | Артикул | Наименование | Кол-во на складе | Цена |
| 0435503 | 0435503 | Редуктор в сборе., комплект. Replaced by 435474 gcase & 435765 верхний Корпус вала передачи ay и if requiкрасный 333005 Переключающая тяга. (GEARCASE ASSY., Complete. Replaced by 435474 gcase & 435765 upper drive shaft ay and if required 333005 shift rod.) | нет в наличии, поставок нет |
| 0435504 | 0435504 | Редуктор., в сборе., комплект. Replaced by 435474 gcase & 436232 driveВал и if requiкрасный 332120 Переключающая тяга. (GEARCASE., ASSY., Complete. Replaced by 435474 gcase & 436232 driveshaft and if required 332120 shift rod.) | нет в наличии, поставок нет |
| 1 | 0431642 | Редуктор & BRG. в сборе. (GEARCASE & BRG. ASSY.) | нет в наличии, поставок нет |
| 1 | 0394763 | (последний код) GEARCASE&BRG AY | нет в наличии, поставок нет |
| 2 | 0384195 | Подшипник, Шестерня (BEARING, Pinion) | нет в наличии, поставок нет |
| 3 | 0324852 | Установочный винт, Подшипник (SET SCREW, Bearing) | нет в наличии, поставок нет |
| 3A | 0332584 | Шайба (WASHER) | нет в наличии, поставок нет |
| 4 | 0323466 | Водяной экран Система впуска (SCREEN, Water intake) | нет в наличии, поставок нет |
| 4 | 0314996 | (последний код) SCREEN | нет в наличии, поставок нет |
| 5 | 0434063 | Шестерня & Комплект шестерёнок. (GEAR & PINION ASSY.) | нет в наличии, поставок нет |
| 5 | 0436746 | (последний код) V4 GEARSET 13:26 | 1 шт | 47700 руб. |
| 6 | 0397493 | Подшипник HSG. & Сальник в сборе. (BEARING HSG. & SEAL ASSY.) | нет в наличии, поставок нет |
| 6 | 0439476 | (последний код) DS BRG HSG&SEAL AY | нет в наличии, поставок нет |
| 7 | 0329923 | Сальник, нижний (SEAL, Lower) | нет в наличии, поставок нет |
| 8 | 0329922 | Сальник, верхний (SEAL, Upper) | нет в наличии, поставок нет |
| 9 | 0317624 | Винт, Hsg. to Редуктор (SCREW, Hsg. to gearcase) | нет в наличии, поставок нет |
| 10 | 0321008 | Пыльник. Also included in Ремкомплект водяного насоса 395062 (GROMMET. Also included in Water Pump Repair Kit 395062) | нет в наличии, поставок нет |
| 11 | 0431708 | Анод, Подшипник hsg. (ANODE, Bearing hsg.) | нет в наличии, поставок нет |
| 11 | 0397111 | (последний код) ANODE-AY | нет в наличии, поставок нет |
| 12 | 0382408 | THRUST BRG., в сборе., Rev. Шестерня (THRUST BRG., ASSY., Rev. gear) | нет в наличии, поставок нет |
| 13 | 0334163 | CRADLE, Переключательer (CRADLE, Shifter) | 5 шт | 1880 руб. |
| 13 | 0322900 | (последний код) CRADLE-SHIFT | нет в наличии, поставок нет |
| 14 | 0324037 | ПереключательER (SHIFTER) | 8 шт | 3700 руб. |
| 15 | 0323946 | DETENT, Переключательer (DETENT, Shifter) | нет в наличии, поставок нет |
| 15 | 0915954 | (последний код) DETENT | нет в наличии, поставок нет |
| 16 | 0322941 | Вал (SHAFT) | нет в наличии, поставок нет |
| 17 | 0436240 | Подшипник HSG. & Штифт в сборе. (BEARING HSG. & PIN ASSY.) | нет в наличии, поставок нет |
| 17 | 0391365 | (последний код) BRG HOUSING AY | нет в наличии, поставок нет |
| 18 | 0331880 | Штифт, Корпус (PIN, Housing) | нет в наличии, поставок нет |
| 19 | 0911961 | Фиксатор пружины (SPRING, Detent) | нет в наличии, поставок нет |
| 20 | 0327345 | Шарик, Detent (BALL, Detent) | нет в наличии, поставок нет |
| 21 | 0320145 | Штифт. (PIN.) | нет в наличии, поставок нет |
| 21 | 0323945 | (последний код) PIN-SHIFTER | нет в наличии, поставок нет |
| 22 | 0313445 | Стопорное кольцо (RETAINING RING) | нет в наличии, поставок нет |
| 23 | 0324766 | Упорная шайба, Fwd. Шестерня (THRUST WASHER, Fwd. gear) | нет в наличии, поставок нет |
| 24 | 0388618 | Крышка & Сальник в сборе. (COVER & SEAL ASSY.) | нет в наличии, поставок нет |
| 24 | 5006241 | (последний код) COVER AY,SHIFT ROD | нет в наличии, поставок нет |
| 25 | 0318372 | Уплотнительное кольцо, Переключающая тяга (O-RING, Shift rod) | нет в наличии, поставок нет |
| 26 | 0314732 | Фиксатор Пластина, Подшипник hsg. (RETAINER PLATE, Bearing hsg.) | нет в наличии, поставок нет |
| 27 | 0324670 | Прокладка крышки (GASKET, Cover) | нет в наличии, поставок нет |
| 27 | 0352165 | (последний код) GASKET | 2 шт | 550 руб. |
| 28 | 0397087 | BRG. Корпус Сальник в сборе. (BRG. HOUSING SEAL ASSY.) | нет в наличии, поставок нет |
| 28 | 0384523 | (последний код) PS BRG HSG&SEAL AY | нет в наличии, поставок нет |
| 29 | 0382407 | Игольчатый подшипник в сборе. (NEEDLE BEARING ASSY.) | 1 шт | 5500 руб. |
| 30 | 0379504 | Игольчатый подшипник в сборе. (NEEDLE BEARING ASSY.) | нет в наличии, поставок нет |
| 31 | 0330137 | Сальник (SEAL) | 17 шт | 3700 руб. |
| 31 | 0321668 | (последний код) SEAL-CRNKSHF | нет в наличии, поставок нет |
| 31 | T-0330137 | (не оригинальный аналог) Сальник редуктора OMC/Johnson/Evinrude 0330137 | под заказ шт | по запросу |
| 32 | 0316563 | Винт & Сальник (SCREW & SEAL) | нет в наличии, поставок нет |
| 32A | 0332583 | Сальник (SEAL) | нет в наличии, поставок нет |
| 33 | 0908158 | Винт (SCREW) | нет в наличии, поставок нет |
| 33 | 3852050 | (последний код) SCREW | нет в наличии, поставок нет |
| 34 | 0314731 | THRUST Шайба шестерни заднего хода (THRUST WASHER, Reverse gear) | нет в наличии, поставок нет |
| 35 | 0314730 | Гайка, Шестерня to driveВал (NUT, Pinion to driveshaft) | нет в наличии, поставок нет |
| 36 | 0321122 | Проставка, Переключающая тяга. 25 дюйм (635 мм) Transom Models (SPACER, Shift rod. 25 in. (635mm) Transom Models) | нет в наличии, поставок нет |
| 37 | 0387656 | THRUST Подшипник, Шестерня (THRUST BEARING, Pinion) | нет в наличии, поставок нет |
| 37 | 0383248 | (последний код) BEARING | нет в наличии, поставок нет |
| 38 | 0327656 | Упорная шайба шестерни Шестерня (THRUST WASHER, Pinion) | нет в наличии, поставок нет |
| 38 | 0314729 | (последний код) THRUST-WASHE | нет в наличии, поставок нет |
| 39 | 0337058 | DRIVEВал, верхний 20 дюйм (508 мм) Transom Models (DRIVESHAFT, Upper. 20 in. (508mm) Transom Models) | нет в наличии, поставок нет |
| 39 | 5007671 | (последний код) UPPER D/S KIT 20" | нет в наличии, поставок нет |
| 39 | 0337059 | DRIVEВал, верхний 25 дюйм (635 мм) Transom Models (DRIVESHAFT, Upper. 25 in. (635mm) Transom Models) | нет в наличии, поставок нет |
| 39 | 5007672 | (последний код) KIT,UPPER D/S-25" | нет в наличии, поставок нет |
| 40 | 0335684 | Пружина (SPRING) | нет в наличии, поставок нет |
| 41 | 0311538 | ROLL Штифт (ROLL PIN) | нет в наличии, поставок нет |
| 42 | 0335722 | DRIVEВал, нижний (DRIVESHAFT, Lower) | нет в наличии, поставок нет |
| 42 | 0346006 | (последний код) DRIVESHAFT,LOWER | нет в наличии, поставок нет |
| 43 | 0313448 | Штифт сцепления dog (PIN, Clutch dog) | нет в наличии, поставок нет |
| 44 | 0324369 | Пружина, Сцепление dog Штифт. (SPRING, Clutch dog pin.) | нет в наличии, поставок нет |
| 44 | 0313454 | (последний код) SPRING | нет в наличии, поставок нет |
| 45 | 0318544 | Заглушка, Fill и drain (PLUG, Fill and drain) | нет в наличии, поставок нет |
| 45 | 0912624 | (последний код) SCREW | нет в наличии, поставок нет |
| 46 | 0333572 | Уплотнительное кольцо (O-RING) | нет в наличии, поставок нет |
| 46 | 3855081 | (последний код) 0-RING | нет в наличии, поставок нет |
| 47 | 0333005 | Переключающая тяга. 20 дюйм (508 мм) Transom Models (SHIFT ROD. 20 in. (508mm) Transom Models) | нет в наличии, поставок нет |
| 47 | 0333006 | Переключающая тяга. 25 дюйм (635 мм) Transom Models (SHIFT ROD. 25 in. (635mm) Transom Models) | нет в наличии, поставок нет |
| 48 | 0314728 | Уплотнительное кольцо, DriveВал Подшипник (O-RING, Driveshaft bearing) | нет в наличии, поставок нет |
| 48 | 0354731 | (последний код) O-RING | 1 шт | 850 руб. |
| 49 | 0313446 | Уплотнительное кольцо, Prop. Вал brg. hsg (O-RING, Prop. shaft brg. hsg) | нет в наличии, поставок нет |
| 50 | 0385043 | THRUST BRG. в сборе., Fwd. Шестерня (THRUST BRG. ASSY., Fwd. gear) | нет в наличии, поставок нет |
| 50 | 3852221 | (последний код) BEARING-AY,T | нет в наличии, поставок нет |
| 51 | 0323362 | Регулировочная шайба, Подшипник Корпус, 0.003 дюйм (SHIM, Bearing housing, 0.003 in.) | нет в наличии, поставок нет |
| 51 | 0323361 | Регулировочная шайба, Подшипник Корпус, 0.004 дюйм (SHIM, Bearing housing, 0.004 in.) | нет в наличии, поставок нет |
| 51 | 0314745 | Регулировочная шайба, Подшипник Корпус, 0.005 дюйм (SHIM, Bearing housing, 0.005 in.) | нет в наличии, поставок нет |
| 52 | 0302325 | Винт, Крышка (SCREW, Cover) | нет в наличии, поставок нет |
| 53 | 0318544 | Винт дренажный и fill (SCREW, Drain and fill) | нет в наличии, поставок нет |
| 53 | 0912624 | (последний код) SCREW | нет в наличии, поставок нет |
| 53A | 0333572 | Уплотнительное кольцо (O-RING) | нет в наличии, поставок нет |
| 53A | 3855081 | (последний код) 0-RING | нет в наличии, поставок нет |
| 54 | 0387818 | Вал гребного винта в сборе. (PROPELLER SHAFT ASSY.) | нет в наличии, поставок нет |
| 54 | 0436888 | (последний код) SHAFT AY,PROPELLER | нет в наличии, поставок нет |
| 55 | 0324701 | Прокладка. Imp, hsg. Пластина. Also included in Ремкомплект водяного насоса 395062 Also included in Ремкомплект водяного насоса 395060 (GASKET. Imp, hsg. plate. Also included in Water Pump Repair Kit 395062 Also included in Water Pump Repair Kit 395060) | нет в наличии, поставок нет |
| 55 | 0338484 | (последний код) GASKET,WTR PMP 5PK | нет в наличии, поставок нет |
| 56 | 0333077 | Шестерня обратного хода. (GEAR, Reverse.) | нет в наличии, поставок нет |
| 56 | 0345992 | (последний код) GEAR,REVERSE V4 | нет в наличии, поставок нет |
| 57 | 0323664 | Переключатель собачки сцепления (SHIFTER, Clutch dog) | нет в наличии, поставок нет |
| 57 | 0341517 | (последний код) TER,CLUTCH-D | нет в наличии, поставок нет |
| 58 | 0330379 | Cвыше, Крыльчатка. Also included in Ремкомплект водяного насоса 395062 Stainless Steel (CUP, Impeller. Also included in Water Pump Repair Kit 395062 Stainless Steel) | нет в наличии, поставок нет |
| 58 | 0435027 | (последний код) CUP-&-PLATE | нет в наличии, поставок нет |
| 58 | 0330384 | Cвыше, Крыльчатка, chrome. хромированная пластина (CUP, Impeller, chrome. Chrome Plated) | нет в наличии, поставок нет |
| 58 | 0435526 | (последний код) CUP & PLATE AY | нет в наличии, поставок нет |
| 59 | 0393023 | Анод (ANODE) | нет в наличии, поставок нет |
| 59 | 0436745 | (последний код) ANODE&INSERT AY | нет в наличии, поставок нет |
| 60 | 0331353 | Сальник, Крыльчатка Корпус Пластина. Also included in Ремкомплект водяного насоса 395062 Also included in Ремкомплект водяного насоса 395060 (SEAL, Impeller housing plate. Also included in Water Pump Repair Kit 395062 Also included in Water Pump Repair Kit 395060) | 1 шт | 790 руб. |
| 61 | 0314502 | Шплинт, Гайка гребного винта (COTTER PIN, Propeller nut) | нет в наличии, поставок нет |
| 62 | 0315810 | Проставка гайки гребного винта (SPACER, Propeller nut) | нет в наличии, поставок нет |
| 63 | 0313697 | Винт, Редуктор to hsg. (SCREW, Gearcase to hsg.) | нет в наличии, поставок нет |
| 63 | 0312697 | (последний код) SCREW | нет в наличии, поставок нет |
| 64 | 0330380 | Пластина корпуса крыльчатки.. Also included in Ремкомплект водяного насоса 395062 Stainless Steel (PLATE, Impeller hsg.. Also included in Water Pump Repair Kit 395062 Stainless Steel) | нет в наличии, поставок нет |
| 64 | 0435027 | (последний код) CUP-&-PLATE | нет в наличии, поставок нет |
| 64 | 0330383 | Пластина корпуса крыльчатки., chrome. хромированная пластина (PLATE, Impeller hsg., chrome. Chrome Plated) | нет в наличии, поставок нет |
| 64 | 0435526 | (последний код) CUP & PLATE AY | нет в наличии, поставок нет |
| 65 | 0395040 | Крыльчатка Корпус в сборе.. Also included in Ремкомплект водяного насоса 395062 (IMPELLER HOUSING ASSY.. Also included in Water Pump Repair Kit 395062) | нет в наличии, поставок нет |
| 65 | 0435485 | (последний код) HOUSING-AY,P | нет в наличии, поставок нет |
| 66 | 0328096 | Винт, Анод (SCREW, Anode) | нет в наличии, поставок нет |
| 66 | 0327046 | (последний код) SCREW | нет в наличии, поставок нет |
| 67 | 0327640 | Пластина трима, Редуктор (TRIM TAB, Gearcase) | нет в наличии, поставок нет |
| 67 | 0338742 | (последний код) TAB,TRIM-STD | нет в наличии, поставок нет |
| 68 | 0328715 | Винт, Крыльчатка Корпус. Also included in Ремкомплект водяного насоса 395062 (SCREW, Impeller housing. Also included in Water Pump Repair Kit 395062) | нет в наличии, поставок нет |
| 68 | 0335221 | (последний код) SCREW | нет в наличии, поставок нет |
| 69 | 0314008 | Пыльник водяной трубки. Also included in Ремкомплект водяного насоса 395062 (GROMMET, Water tube. Also included in Water Pump Repair Kit 395062) | нет в наличии, поставок нет |
| 70 | 0321159 | Крышка. Also included in Ремкомплект водяного насоса 395062 (COVER. Also included in Water Pump Repair Kit 395062) | нет в наличии, поставок нет |
| 70 | 0338893 | (последний код) COVER,IMPELL | нет в наличии, поставок нет |
| 71 | 0306314 | LOCKШайба, Винт long (LOCKWASHER, Screw long) | нет в наличии, поставок нет |
| 72 | 0320943 | Пыльник, Imp. Корпус. Also included in Ремкомплект водяного насоса 395062 (GROMMET, Imp. housing. Also included in Water Pump Repair Kit 395062) | 1 шт | 300 руб. |
| 74 | 0314503 | Гайка гребного винта (NUT, Propeller) | нет в наличии, поставок нет |
| 75 | 0306643 | Винт, Крышка to Крыльчатка. Also included in Ремкомплект водяного насоса 395062 (SCREW, Cover to impeller. Also included in Water Pump Repair Kit 395062) | нет в наличии, поставок нет |
| 75 | 3852066 | (последний код) SCREW | нет в наличии, поставок нет |
| 76 | 0313715 | Винт, Пластина трима (SCREW, Trim tab) | нет в наличии, поставок нет |
| 77 | 0318841 | Упорная втулка (THRUST BUSHING) | нет в наличии, поставок нет |
| 77 | 0127084 | (последний код) BUSHING,THRUST | нет в наличии, поставок нет |
| 78 | 0331999 | Винт, Редуктор to Выхлоп hsg. (SCREW, Gearcase to exhaust hsg.) | нет в наличии, поставок нет |
| 78 | 0910457 | (последний код) SCREW | нет в наличии, поставок нет |
| 79 | 0332000 | Кольцевой сальник, Крыльчатка hsg.. Also included in Ремкомплект водяного насоса 395062 (SEAL RING, Impeller hsg.. Also included in Water Pump Repair Kit 395062) | нет в наличии, поставок нет |
| 80 | 0395864 | Крыльчатка & Ключ в сборе.. Also included in Ремкомплект водяного насоса 395062 (IMPELLER & KEY ASSY.. Also included in Water Pump Repair Kit 395062) | нет в наличии, поставок нет |
| 80 | 5001593 | (последний код) KIT AY,IMPELLER | нет в наличии, поставок нет |
| 81 | 0331107 | Ключ, Крыльчатка. Also included in Ремкомплект водяного насоса 395062 (KEY, Impeller. Also included in Water Pump Repair Kit 395062) | нет в наличии, поставок нет |
| 82 | 0383160 | Гребной винт, 14 x 9 (PROPELLER, 14 x 9) | нет в наличии, поставок нет |
| 82 | 0763300 | (последний код) PROP AL,14 X 9 | нет в наличии, поставок нет |
| 82 | 0382761 | Гребной винт, 14 x 11 (PROPELLER, 14 x 11) | нет в наличии, поставок нет |
| 82 | 0391668 | Гребной винт, 14 x 13 (PROPELLER, 14 x 13) | нет в наличии, поставок нет |
| 82 | 0765181 | (последний код) PROP,AL 13.75X13 | нет в наличии, поставок нет |
| 82 | 0391198 | Гребной винт, 13 3 / 4 x 15 (PROPELLER, 13 3/4 x 15) | нет в наличии, поставок нет |
| 82 | 0765182 | (последний код) PROP AY,AL 13.5X15 | нет в наличии, поставок нет |
| 82 | 0391199 | Гребной винт, 13 3 / 4 x 17 (PROPELLER, 13 3/4 x 17) | нет в наличии, поставок нет |
| 82 | 0765183 | (последний код) PROP,AL 13.25X17 | нет в наличии, поставок нет |
| 82 | 0390896 | Гребной винт, 13 x 19 (PROPELLER, 13 x 19) | нет в наличии, поставок нет |
| 82 | 0765184 | (последний код) PROP AY,AL 13.2X19 | нет в наличии, поставок нет |
| 82 | 0389788 | Гребной винт, 12 3 / 4 x 21 (PROPELLER, 12 3/4 x 21) | нет в наличии, поставок нет |
| 82 | 0765185 | (последний код) PROP AY,AL 13.2X21 | нет в наличии, поставок нет |
| 82 | 0390895 | Гребной винт, 12 3 / 4 x 23 (PROPELLER, 12 3/4 x 23) | нет в наличии, поставок нет |
| 82 | 0177150 | (последний код) PROP AY,12.75 X 23 | нет в наличии, поставок нет |
| 82 | 0389949 | Гребной винт, 13 3 / 4 x 15 SST (PROPELLER, 13 3/4 x 15 SST) | нет в наличии, поставок нет |
| 82 | 0763929 | (последний код) VIPER V413.875X15 | нет в наличии, поставок нет |
| 82 | 0389948 | Гребной винт, 13 3 / 8 x 17 SST (PROPELLER, 13 3/8 x 17 SST) | нет в наличии, поставок нет |
| 82 | 0176572 | (последний код) SST V4 13.88X17 | нет в наличии, поставок нет |
| 82 | 0389510 | Гребной винт, 13 x 19 SST (PROPELLER, 13 x 19 SST) | нет в наличии, поставок нет |
| 82 | 0763931 | (последний код) VIPERV4 13.875X19 | нет в наличии, поставок нет |
| 82 | 0389512 | Гребной винт, 12 3 / 4 x 21 SST (PROPELLER, 12 3/4 x 21 SST) | нет в наличии, поставок нет |
| 82 | 0384702 | (последний код) SST-V4-21" | нет в наличии, поставок нет |
| 82 | 0392261 | Гребной винт, 13 3 / 4 x 13 SST (PROPELLER, 13 3/4 x 13 SST) | нет в наличии, поставок нет |
| 82 | 0389792 | Гребной винт, 14 x 11 SST (PROPELLER, 14 x 11 SST) | нет в наличии, поставок нет |
| 82 | 0390115 | (последний код) SST-50HP-RED | нет в наличии, поставок нет |
| 82 | 0175294 | Гребной винт, 13 3 / 4 x 11 Triple cвышеped (PROPELLER, 13 3/4 x 11 Triple cupped) | нет в наличии, поставок нет |
| 82 | 0177202 | (последний код) PROP,AL/13.88X11RH | нет в наличии, поставок нет |
| 82 | 0394758 | Гребной винт, 13 1 / 2 x 18 OMC Raker (PROPELLER, 13 1/2 x 18 OMC Raker) | нет в наличии, поставок нет |
| 82 | 0763953 | (последний код) RAKER V-4 13.5X18 | нет в наличии, поставок нет |
| 82 | 0394759 | Гребной винт, 13 1 / 2 x 20 OMC Raker (PROPELLER, 13 1/2 x 20 OMC Raker) | нет в наличии, поставок нет |
| 82 | 0763954 | (последний код) RAKER V-4 13.5X20 | нет в наличии, поставок нет |
| 82 | 0394760 | Гребной винт, 13 1 / 2 x 22 OMC Raker (PROPELLER, 13 1/2 x 22 OMC Raker) | нет в наличии, поставок нет |
| 82 | 0763955 | (последний код) RAKER V-4 13.5X22 | нет в наличии, поставок нет |
| 82 | 0394761 | Гребной винт, 13 1 / 2 x 24 OMC Raker (PROPELLER, 13 1/2 x 24 OMC Raker) | нет в наличии, поставок нет |
| 82 | 0763956 | (последний код) RAKER V-4 13.5X24 | нет в наличии, поставок нет |
| 83 | 0332393 | CONVERGING Кольцо. (CONVERGING RING.) | нет в наличии, поставок нет |
| 83 | 0325996 | (последний код) CONVERGING RING | нет в наличии, поставок нет |
| 84 | 0384977 | Гребной винт Втулка в сборе. (PROPELLER BUSHING ASSY.) | нет в наличии, поставок нет |
| 85 | 0313926 | Гильза (SLEEVE) | нет в наличии, поставок нет |
| 85 | 3850831 | (последний код) SLEEVE-PROP | нет в наличии, поставок нет |
| 86 | 0396354 | Комплект сальников редуктора (GEARCASE SEAL KIT) | нет в наличии, поставок нет |
| 86 | 5006373 | (последний код) KIT AY,SEAL-GC | нет в наличии, поставок нет |
| 87 | 0395060 | Ремкомплект водяного насоса (WATER PUMP REPAIR KIT) | нет в наличии, поставок нет |
| 87 | 5001594 | (последний код) KIT AY,WATER PUMP | нет в наличии, поставок нет |
| 87 | T-5001594 | (не оригинальный аналог) Ремкомплект насоса охлаждения Evinrude-Johnson 5001594 | 2 шт шт | по запросу |
| 87 | 0395062 | Ремкомплект водяного насоса (Includes Крыльчатка Корпус) (WATER PUMP REPAIR KIT (Includes impeller housing)) | нет в наличии, поставок нет |
| 87 | 5001594 | (последний код) KIT AY,WATER PUMP | нет в наличии, поставок нет |
| 87 | T-5001594 | (не оригинальный аналог) Ремкомплект насоса охлаждения Evinrude-Johnson 5001594 | 2 шт шт | по запросу |
| 88 | 0395059 | Хромированный ремкомплект водяного насоса (Inc. imp. hsg.) (CHROME PUMP KIT (Inc. imp. hsg.)) | нет в наличии, поставок нет |
| 88 | 0435526 | (последний код) CUP & PLATE AY | нет в наличии, поставок нет |