вконтакте

Контактный телефон: +7 (981) 121-46-93, +7 (800) 200-90-76 , Email: parts-katalog@yandex.ru, где купить

 
 

  Логин:

Пароль:

Регистрация

www.partskatalog.ru Все каталоги Запчасти Mercury Запчасти Suzuki Запчасти Tohatsu Запчасти Honda Контакты


Все разделы каталога запчастей на этот двигатель

назад Раздел:   вперёд

вернуться к списку узлов и деталей

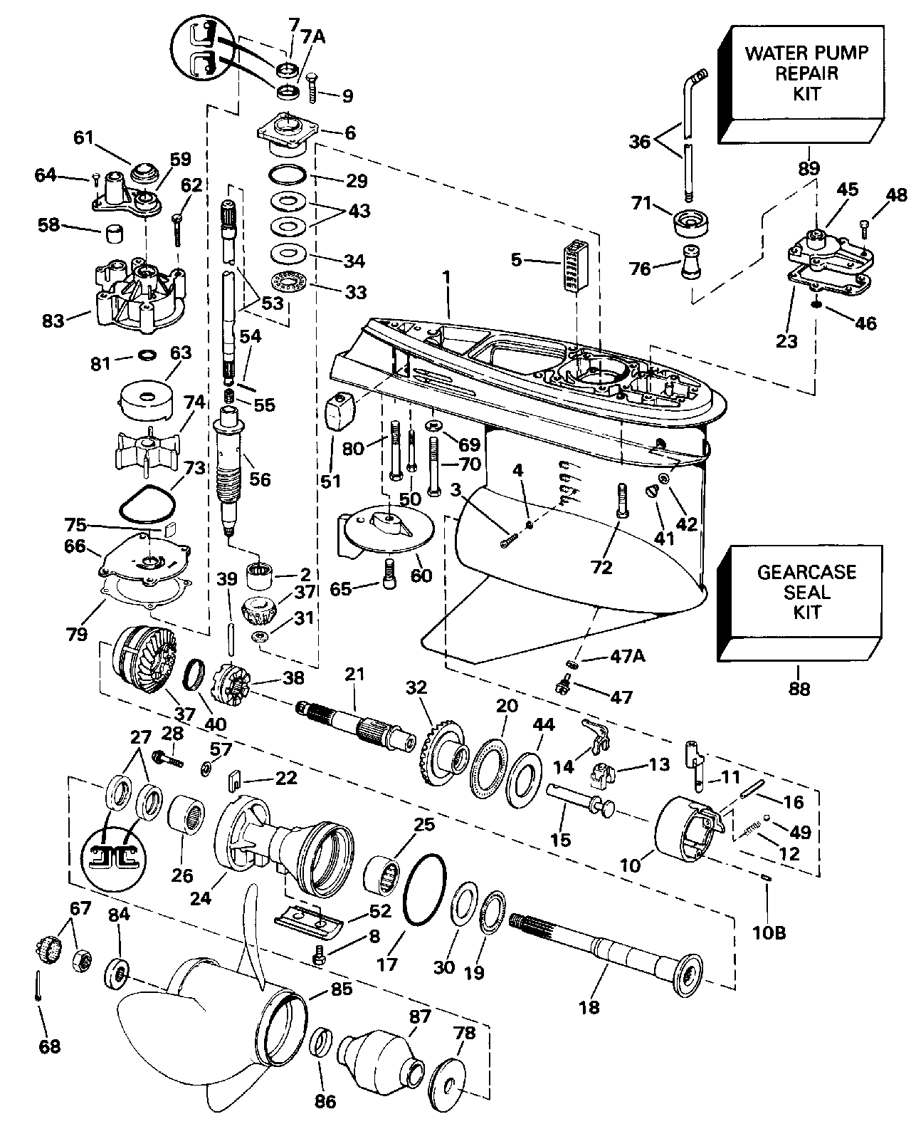
ДЕТАЛИРОВКА ДЛЯ МОДЕЛИ: EVINRUDE E225TXENR 1992

РЕДУКТОР - ОБРАТНОЕ ВРАЩЕНИЕ | GEARCASE - COUNTER ROTATION;


Двигатель Evinrude E225TXENR 1992  - Counter Rotation - обратное вращение

Номер на
рисунке
АртикулНаименованиеКол-во
на складе
Цена
0435303 0435303

Редуктор, в сборе., комплект. Replaced by 435476 gcase & 435765 верхний Корпус вала передачи ay и if requiкрасный 329864 Переключающая тяга. (GEARCASE, ASSY., Complete. Replaced by 435476 gcase & 435765 upper drive shaft ay and if required 329864 shift rod.)

нет в наличии, поставок нет
0435302 0435302

Редуктор, в сборе., комплект. Not Shown 25 дюйм Transom Only (GEARCASE, ASSY., Complete. Not Shown 25 In. Transom Only)

нет в наличии, поставок нет
0435302 5005631

   (последний код) GCASE/CORO/WHT/OS

нет в наличии, поставок нет
1 0431695

Редуктор в сборе с подшипником., (GEARCASE & BEARING ASSY.,)

нет в наличии, поставок нет
1 0439973

   (последний код) CALL TECH SVC/QIPL

нет в наличии, поставок нет
2 0387817

Подшипник, Шестерня (BEARING, Pinion)

нет в наличии, поставок нет
3 0324852

Установочный винт & Сальник, Подшипник (SET SCREW & SEAL, Bearing)

нет в наличии, поставок нет
4 0332584

Сальник (SEAL)

нет в наличии, поставок нет
5 0321123

Винт, Water Система впуска (SCREW, Water intake)

нет в наличии, поставок нет
6 0397493

Подшипник Корпус & Сальник (BEARING HOUSING & SEAL)

нет в наличии, поставок нет
6 0439476

   (последний код) DS BRG HSG&SEAL AY

нет в наличии, поставок нет
7 0329922

Сальник , DriveВал, верхний (SEAL , Driveshaft, upper)

нет в наличии, поставок нет
7A 0329923

Сальник, DriveВал, нижний (SEAL, Driveshaft, lower)

нет в наличии, поставок нет
8 0908158

Винт, Анод (SCREW, Anode)

нет в наличии, поставок нет
8 3852050

   (последний код) SCREW

нет в наличии, поставок нет
9 0317624

Винт, Корпус to Редуктор (SCREW, Housing to gearcase)

нет в наличии, поставок нет
10 0431693

Корпус & Подшипник в сборе. (HOUSING & BEARING ASSY.)

нет в наличии, поставок нет
10B 0331880

Штифт, Корпус (PIN, Housing)

нет в наличии, поставок нет
11 0334142

DETENT, Переключательer (DETENT, Shifter)

нет в наличии, поставок нет
11 0916189

   (последний код) DETENT

нет в наличии, поставок нет
12 0911962

Фиксатор пружины (SPRING, Detent)

нет в наличии, поставок нет
12 0915955

   (последний код) SPRING

нет в наличии, поставок нет
13 0334163

CRADLE, Переключательer (CRADLE, Shifter)

5 шт1880 руб.
13 0322900

   (последний код) CRADLE-SHIFT

нет в наличии, поставок нет
14 0334160

ПереключательER (SHIFTER)

нет в наличии, поставок нет
15 0334143

Переключающий валer (SHAFT, Shifter)

нет в наличии, поставок нет
16 0319627

Штифт, Рычаг переключения (PIN, Shift lever)

нет в наличии, поставок нет
16 0315750

   (последний код) DOWEL PIN

нет в наличии, поставок нет
17 0305123

Уплотнительное кольцо, Вал гребного винта (O-RING, Propeller shaft)

нет в наличии, поставок нет
17 0321119

   (последний код) O-RING,-DLR

нет в наличии, поставок нет
18 0435307

Вал гребного винта в сборе. (PROPELLER SHAFT ASSY.)

нет в наличии, поставок нет
18 0435023

   (последний код) SHAFT AY,PROP

нет в наличии, поставок нет
19 0382408

THRUST BRG., Fwd. Шестерня (THRUST BRG., Fwd. gear)

нет в наличии, поставок нет
20 0389042

THRUST BRG., в сборе., Rev. Шестерня (THRUST BRG., ASSY., Rev. gear)

нет в наличии, поставок нет
21 0432282

Сцепление Вал в сборе. (CLUTCH SHAFT ASSY.)

нет в наличии, поставок нет
21 0438251

   (последний код) SHAFT AY,CLUTCH

нет в наличии, поставок нет
22 0333957

TAB, Фиксатор (TAB, RETAINER)

нет в наличии, поставок нет
23 0324670

Прокладка, Переключающая тяга Крышка (GASKET, Shift rod cover)

нет в наличии, поставок нет
23 0352165

   (последний код) GASKET

2 шт550 руб.
24 0435363

Подшипник HSG. Сальник в сборе., (BEARING HSG. SEAL ASSY.,)

нет в наличии, поставок нет
24 5000898

   (последний код) HSG AY,PROPSHAFT

нет в наличии, поставок нет
25 0431926

Игольчатый подшипник в сборе., (NEEDLE BEARING ASSY.,)

нет в наличии, поставок нет
26 0434467

Игольчатый подшипник в сборе., (NEEDLE BEARING ASSY.,)

нет в наличии, поставок нет
27 0334950

Сальник (SEAL)

нет в наличии, поставок нет
28 0333955

Винт (SCREW)

нет в наличии, поставок нет
28 0350271

   (последний код) SCREW, BRG CARRIER

нет в наличии, поставок нет
29 0314728

Уплотнительное кольцо, DriveВал Подшипник (O-RING, Driveshaft bearing)

нет в наличии, поставок нет
29 0354731

   (последний код) O-RING

1 шт850 руб.
30 0313447

Упорная шайба, Fwd. Шестерня (THRUST WASHER, Fwd. gear)

нет в наличии, поставок нет
31 0314730

Гайка, Шестерня to driveВал (NUT, Pinion to driveshaft)

нет в наличии, поставок нет
32 0431703

REVERSE Шестерня & BRG. (REVERSE GEAR & BRG.)

нет в наличии, поставок нет
32 0334167

   (последний код) GEAR-REVERSE

нет в наличии, поставок нет
33 0387656

THRUST Подшипник, Шестерня (THRUST BEARING, Pinion)

нет в наличии, поставок нет
33 0383248

   (последний код) BEARING

нет в наличии, поставок нет
34 0327656

Упорная шайба шестерни Шестерня (THRUST WASHER, Pinion)

нет в наличии, поставок нет
34 0314729

   (последний код) THRUST-WASHE

нет в наличии, поставок нет
36 0329864

Переключающая тяга. 20 дюйм Transom Only (SHIFT ROD. 20 In. Transom Only)

нет в наличии, поставок нет
36 0329865

Переключающая тяга. 25 дюйм Transom Only (SHIFT ROD. 25 In. Transom Only)

нет в наличии, поставок нет
37 0434064

FWD. Шестерня & Комплект шестерёнок. (FWD. GEAR & PINION ASSY.)

нет в наличии, поставок нет
37 5004590

   (последний код) GEARSET AY,FWD&PIN

нет в наличии, поставок нет
38 0334516

Переключатель собачки сцепления (SHIFTER, Clutch dog)

нет в наличии, поставок нет
38 0337774

   (последний код) SHIFTER,CLUTCH DOG

нет в наличии, поставок нет
39 0313448

Штифт сцепления dog (PIN, Clutch dog)

нет в наличии, поставок нет
40 0324369

Пружина, Сцепление dog Штифт (SPRING, Clutch dog pin)

нет в наличии, поставок нет
40 0313454

   (последний код) SPRING

нет в наличии, поставок нет
41 0318544

Заглушка, Fill & drain (PLUG, Fill & drain)

нет в наличии, поставок нет
41 0912624

   (последний код) SCREW

нет в наличии, поставок нет
42 0333572

Уплотнительное кольцо (O-RING)

нет в наличии, поставок нет
42 3855081

   (последний код) 0-RING

нет в наличии, поставок нет
43 0323362

Регулировочная шайба, 0.003" (SHIM, 0.003")

нет в наличии, поставок нет
43 0323361

Регулировочная шайба, 0.004" (SHIM, 0.004")

нет в наличии, поставок нет
43 0314745

Регулировочная шайба, 0.005" (SHIM, 0.005")

нет в наличии, поставок нет
44 0327669

THRUST Шайба шестерни заднего хода (THRUST WASHER, Reverse gear)

нет в наличии, поставок нет
44 0324805

   (последний код) THRUST-WASHE

нет в наличии, поставок нет
45 0388618

Крышка & Сальник в сборе. (COVER & SEAL ASSY.)

нет в наличии, поставок нет
45 5006241

   (последний код) COVER AY,SHIFT ROD

нет в наличии, поставок нет
46 0318372

Уплотнительное кольцо, Переключающая тяга (O-RING, Shift rod)

нет в наличии, поставок нет
47 0318544

Винт дренажный & fill (SCREW, Drain & fill)

нет в наличии, поставок нет
47 0912624

   (последний код) SCREW

нет в наличии, поставок нет
47A 0333572

Уплотнительное кольцо (O-RING)

нет в наличии, поставок нет
47A 3855081

   (последний код) 0-RING

нет в наличии, поставок нет
48 0302325

Винт, Крышка (SCREW, Cover)

нет в наличии, поставок нет
49 0160084

Шарик, Detent (BALL, Detent)

нет в наличии, поставок нет
49 3852023

   (последний код) BALL

нет в наличии, поставок нет
50 0328096

Винт, Анод (SCREW, Anode)

нет в наличии, поставок нет
50 0327046

   (последний код) SCREW

нет в наличии, поставок нет
51 0393023

Анод (ANODE)

нет в наличии, поставок нет
51 0436745

   (последний код) ANODE&INSERT AY

нет в наличии, поставок нет
52 0431708

Анод, Подшипник hsg. (ANODE, Bearing hsg.)

нет в наличии, поставок нет
52 0397111

   (последний код) ANODE-AY

нет в наличии, поставок нет
0434013 0434013

Приводной вал.. 20 дюйм Transom Only (DRIVESHAFT ASSY.. 20 In. Transom Only)

нет в наличии, поставок нет
0434013 5000775

   (последний код) KIT AYD/SHAFT-20

нет в наличии, поставок нет
0433632 0433632

Приводной вал.. 25 дюйм Transom Only (DRIVESHAFT ASSY.. 25 In. Transom Only)

нет в наличии, поставок нет
0433632 5000776

   (последний код) KIT AY,D/SHAFT-25"

нет в наличии, поставок нет
53 0337058

DRIVEВал, верхний 20 дюйм Transom Only (DRIVESHAFT, Upper. 20 In. Transom Only)

нет в наличии, поставок нет
53 5007671

   (последний код) UPPER D/S KIT 20"

нет в наличии, поставок нет
53 0337059

DRIVEВал, верхний 25 дюйм Transom Only (DRIVESHAFT, Upper. 25 In. Transom Only)

нет в наличии, поставок нет
53 5007672

   (последний код) KIT,UPPER D/S-25"

нет в наличии, поставок нет
54 0311538

Штифт, DriveВал (PIN, Driveshaft)

нет в наличии, поставок нет
55 0335684

Пружина, DriveВал (SPRING, Driveshaft)

нет в наличии, поставок нет
56 0335677

DRIVEВал, нижний (DRIVESHAFT, Lower)

нет в наличии, поставок нет
56 0345905

   (последний код) DRIVESHAFT,LOWER

нет в наличии, поставок нет
57 0328743

Шайба, Винт, tab (WASHER, Screw, tab)

нет в наличии, поставок нет
57 3852191

   (последний код) WASHER

нет в наличии, поставок нет
58 0314008

Пыльник водяной трубки. Also included in Ремкомплект водяного насоса 395062 (GROMMET, Water tube. Also included in Water Pump Repair Kit 395062)

нет в наличии, поставок нет
59 0321159

Колпак крыльчатки Корпус. Also included in Ремкомплект водяного насоса 395062 (COVER, Impeller housing. Also included in Water Pump Repair Kit 395062)

нет в наличии, поставок нет
59 0338893

   (последний код) COVER,IMPELL

нет в наличии, поставок нет
60 0333961

Пластина трима, Редуктор (TRIM TAB, Gearcase)

нет в наличии, поставок нет
60 0338743

   (последний код) TAB,TRIM-C/R

нет в наличии, поставок нет
61 0320943

Пыльник, Крыльчатка Корпус. Also included in Ремкомплект водяного насоса 395062 (GROMMET, Impeller housing. Also included in Water Pump Repair Kit 395062)

1 шт300 руб.
62 0328715

Винт, Крыльчатка Корпус, 1 7 / 8". Also included in Ремкомплект водяного насоса 395062 (SCREW, Impeller housing, 1 7/8". Also included in Water Pump Repair Kit 395062)

нет в наличии, поставок нет
62 0335221

   (последний код) SCREW

нет в наличии, поставок нет
62 0302325

Винт, Крыльчатка Корпус, 1" (SCREW, Impeller housing, 1")

нет в наличии, поставок нет
63 0330379

Cвыше, Крыльчатка. Also included in Ремкомплект водяного насоса 395062 Stainless Steel (CUP, Impeller. Also included in Water Pump Repair Kit 395062 Stainless Steel)

нет в наличии, поставок нет
63 0435027

   (последний код) CUP-&-PLATE

нет в наличии, поставок нет
63 0330384

Cвыше, Крыльчатка Корпус. хромированная пластина (CUP, Impeller housing. Chrome Plated)

нет в наличии, поставок нет
63 0435526

   (последний код) CUP & PLATE AY

нет в наличии, поставок нет
64 0306643

Винт, Крышка to Крыльчатка. Also included in Ремкомплект водяного насоса 395062 (SCREW, Cover to impeller. Also included in Water Pump Repair Kit 395062)

нет в наличии, поставок нет
64 3852066

   (последний код) SCREW

нет в наличии, поставок нет
65 0313715

Винт, Пластина трима (SCREW, Trim tab)

нет в наличии, поставок нет
66 0330380

Пластина корпуса крыльчатки. Also included in Ремкомплект водяного насоса 395062 Stainless Steel (PLATE, Impeller housing. Also included in Water Pump Repair Kit 395062 Stainless Steel)

нет в наличии, поставок нет
66 0435027

   (последний код) CUP-&-PLATE

нет в наличии, поставок нет
66 0330383

Пластина корпуса крыльчатки. хромированная пластина (PLATE, Impeller housing. Chrome Plated)

нет в наличии, поставок нет
66 0435526

   (последний код) CUP & PLATE AY

нет в наличии, поставок нет
67 0398042

Гайка & KEEPER, Гребной винт (NUT & KEEPER, Propeller)

нет в наличии, поставок нет
67 3850984

   (последний код) NUT&KEEPER AY,PROP

нет в наличии, поставок нет
68 0306394

Шплинт, Гайка гребного винта (COTTER PIN, Propeller nut)

нет в наличии, поставок нет
68 3852056

   (последний код) PIN,COTTER

нет в наличии, поставок нет
69 0330265

Шайба, Винт, long (WASHER, Screw, long)

нет в наличии, поставок нет
70 0331998

Винт, Редуктор to Корпус (SCREW, Gearcase to housing)

нет в наличии, поставок нет
70 0914535

   (последний код) SCREW

нет в наличии, поставок нет
71 0321008

Пыльник, Exh. hsg. to Переключающая тяга. Also included in Ремкомплект водяного насоса 395062 (GROMMET, Exh. hsg. to shift rod. Also included in Water Pump Repair Kit 395062)

нет в наличии, поставок нет
72 0331999

Винт, Редуктор to Корпус (SCREW, Gearcase to housing)

нет в наличии, поставок нет
72 0910457

   (последний код) SCREW

нет в наличии, поставок нет
73 0331353

Сальник, Крыльчатка Корпус Пластина. Also included in Ремкомплект водяного насоса 395062 (SEAL, Impeller housing plate. Also included in Water Pump Repair Kit 395062)

1 шт790 руб.
74 0395864

Крыльчатка & Ключ в сборе.. Also included in Ремкомплект водяного насоса 395062 (IMPELLER & KEY ASSY.. Also included in Water Pump Repair Kit 395062)

нет в наличии, поставок нет
74 5001593

   (последний код) KIT AY,IMPELLER

нет в наличии, поставок нет
75 0331107

Ключ, Крыльчатка. Also included in Ремкомплект водяного насоса 395062 (KEY, Impeller. Also included in Water Pump Repair Kit 395062)

нет в наличии, поставок нет
76 0321122

Проставка, Переключающая тяга (SPACER, Shift rod)

нет в наличии, поставок нет
78 0126870

Упорная втулка (THRUST BUSHING)

нет в наличии, поставок нет
78 3852020

   (последний код) BUSHING,THRUST

нет в наличии, поставок нет
79 0324701

Прокладка, Imp. hsg. Пластина. Also included in Ремкомплект водяного насоса 395062 Also included in Ремкомплект водяного насоса 395060 (GASKET, Imp. hsg. plate. Also included in Water Pump Repair Kit 395062 Also included in Water Pump Repair Kit 395060)

нет в наличии, поставок нет
79 0338484

   (последний код) GASKET,WTR PMP 5PK

нет в наличии, поставок нет
80 0330263

Винт, Редуктор, rear (SCREW, Gearcase, rear)

нет в наличии, поставок нет
80 0914534

   (последний код) SCREW

нет в наличии, поставок нет
81 0332000

Кольцевой сальник. Also included in Ремкомплект водяного насоса 395062 (SEAL RING. Also included in Water Pump Repair Kit 395062)

нет в наличии, поставок нет
83 0395040

Крыльчатка Корпус, Редуктор (IMPELLER HOUSING, Gearcase)

нет в наличии, поставок нет
83 0435485

   (последний код) HOUSING-AY,P

нет в наличии, поставок нет
84 0320570

Проставка гайки гребного винта (SPACER, Propeller nut)

нет в наличии, поставок нет
84 3852163

   (последний код) SPACER,PROP

нет в наличии, поставок нет
85 0390821

Гребной винт, 14 1 / 2 x 19 SST (PROPELLER, 14 1/2 x 19 SST)

нет в наличии, поставок нет
85 0176618

   (последний код) SST 14.75X19LH

нет в наличии, поставок нет
85 0390822

Гребной винт, 14 1 / 2 x 21 SST (PROPELLER, 14 1/2 x 21 SST)

нет в наличии, поставок нет
85 0763923

   (последний код) VIPERTBX14.5X21-LH

нет в наличии, поставок нет
85 0390823

Гребной винт, 14 1 / 2 x 23 SST (PROPELLER, 14 1/2 x 23 SST)

нет в наличии, поставок нет
85 0174927

Гребной винт, 15 x 15 SST (PROPELLER, 15 x 15 SST)

нет в наличии, поставок нет
85 0431930

Гребной винт, 15 x 17 SST (PROPELLER, 15 x 17 SST)

нет в наличии, поставок нет
85 0176616

   (последний код) SST V6 14.75X17LH

нет в наличии, поставок нет
85 0394214

Гребной винт, 14 1 / 2 x 27 OMC SRX (PROPELLER, 14 1/2 x 27 OMC SRX)

нет в наличии, поставок нет
85 0394215

Гребной винт, 14 1 / 2 x 29 OMC SRX (PROPELLER, 14 1/2 x 29 OMC SRX)

нет в наличии, поставок нет
85 0398502

Гребной винт, 14 1 / 2 x 20 OMC RAKER (PROPELLER, 14 1/2 x 20 OMC RAKER)

нет в наличии, поставок нет
85 0398503

Гребной винт, 14 1 / 4 x 22 OMC RAKER (PROPELLER, 14 1/4 x 22 OMC RAKER)

нет в наличии, поставок нет
85 0398504

Гребной винт, 14 1 / 2 x 24 OMC RAKER (PROPELLER, 14 1/2 x 24 OMC RAKER)

нет в наличии, поставок нет
85 0398505

Гребной винт, 14 1 / 2 x 26 OMC RAKER (PROPELLER, 14 1/2 x 26 OMC RAKER)

нет в наличии, поставок нет
85 0398506

Гребной винт, 14 1 / 2 x 28 OMC RAKER (PROPELLER, 14 1/2 x 28 OMC RAKER)

нет в наличии, поставок нет
86 0313926

Гильза, Втулка (SLEEVE, Bushing)

нет в наличии, поставок нет
86 3850831

   (последний код) SLEEVE-PROP

нет в наличии, поставок нет
87 0175401

BUSING в сборе., Prop. (BUSING ASSY., Prop.)

нет в наличии, поставок нет
88 0434516

Комплект сальников редуктора (GEARCASE SEAL KIT)

нет в наличии, поставок нет
88 5006373

   (последний код) KIT AY,SEAL-GC

нет в наличии, поставок нет
89 0395060

Ремкомплект водяного насоса (WATER PUMP REPAIR KIT)

нет в наличии, поставок нет
89 5001594

   (последний код) KIT AY,WATER PUMP

нет в наличии, поставок нет
89 T-5001594

   (не оригинальный аналог) Ремкомплект насоса охлаждения Evinrude-Johnson 5001594

2 шт штпо запросу
89 0395062

Ремкомплект водяного насоса, Includes Крыльчатка Корпус (WATER PUMP REPAIR KIT, Includes impeller housing)

нет в наличии, поставок нет
89 5001594

   (последний код) KIT AY,WATER PUMP

нет в наличии, поставок нет
89 T-5001594

   (не оригинальный аналог) Ремкомплект насоса охлаждения Evinrude-Johnson 5001594

2 шт штпо запросу
evinrude

Время выполнения запроса 2.4452748298645 сек.


 
 

данный сайт носит информационный характер и не является публичной офертой

склад запчастей для водомоторной техники