вконтакте

Контактный телефон: +7 (981) 121-46-93, +7 (800) 200-90-76 , Email: parts-katalog@yandex.ru, где купить

 
 

  Логин:

Пароль:

Регистрация

www.partskatalog.ru Все каталоги Запчасти Mercury Запчасти Suzuki Запчасти Tohatsu Запчасти Honda Контакты


Все разделы каталога запчастей на этот двигатель

назад Раздел:   вперёд

вернуться к списку узлов и деталей

ДЕТАЛИРОВКА ДЛЯ МОДЕЛИ: EVINRUDE E225TXENR 1992

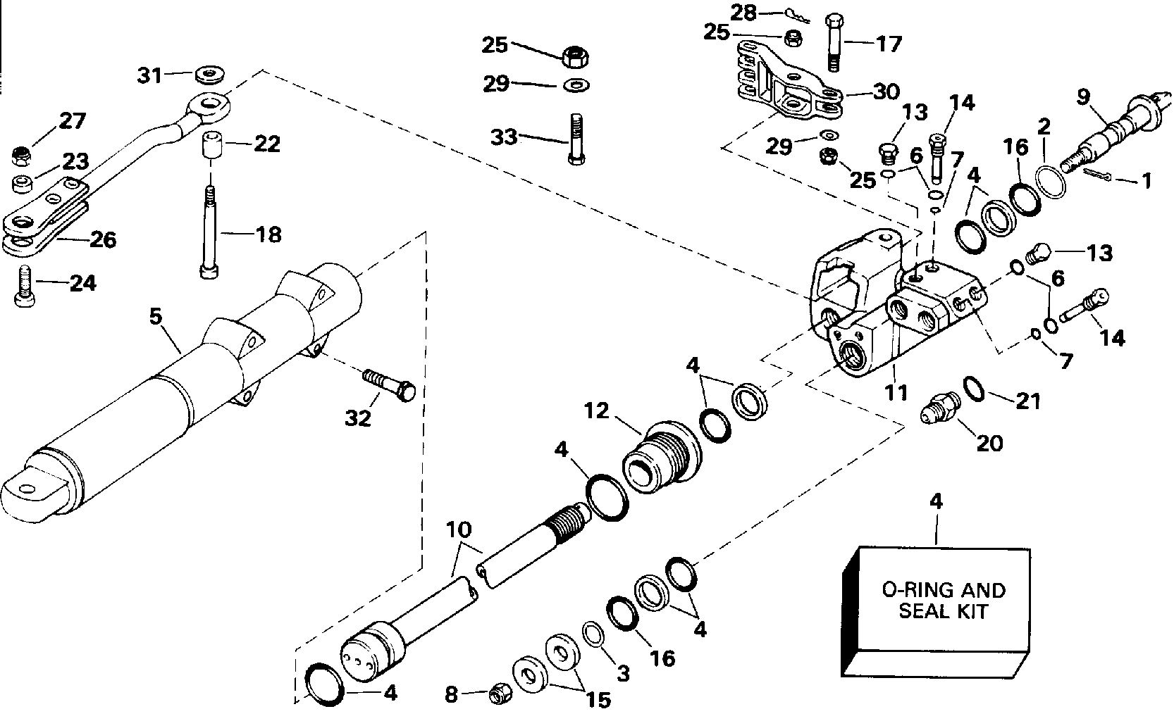
ЦИЛИНДР КЛАПАН ASSEMBLY | CYLINDER VALVE ASSEMBLY;


Мотор Evinrude E225TXENR 1992  - linder Клапан Assembly / linder Valve Assembly

Номер на
рисунке
АртикулНаименованиеКол-во
на складе
Цена
0987033 0987033

Цилиндр & Клапан в сборе. Not Shown (CYLINDER & VALVE ASSY. Not Shown)

нет в наличии, поставок нет
1 0300723

Шплинт (COTTER PIN)

нет в наличии, поставок нет
2 0913360

Регулировочная шайба, Золотник Клапан, large end (SHIM, Spool valve, large end)

нет в наличии, поставок нет
3 0913359

Регулировочная шайба, Золотник Клапан, small end (SHIM, Spool valve, small end)

нет в наличии, поставок нет
4 0987034

Уплотнительное кольцо & Комплект сальников (O-RING & SEAL KIT)

нет в наличии, поставок нет
4 0985528

   (последний код) O-RING-KIT

нет в наличии, поставок нет
5 0915120

Цилиндр, Starboard (CYLINDER, Starboard)

нет в наличии, поставок нет
6 0911522

Уплотнительное кольцо, Заглушка (O-RING, Plug)

нет в наличии, поставок нет
7 0913326

Уплотнительное кольцо, Заглушка (O-RING, Plug)

нет в наличии, поставок нет
8 0307160

LOCKГайка (LOCKNUT)

нет в наличии, поставок нет
9 0915121

Золотник Клапан (SPOOL VALVE)

нет в наличии, поставок нет
10 0985881

Поршень, Цилиндр & Тяга (PISTON, Cylinder & rod)

нет в наличии, поставок нет
10 0913330

   (последний код) TUBE-CYLINDE

нет в наличии, поставок нет
11 0985527

Корпус & Заглушка в сборе., Stbd. (HOUSING & PLUG ASSY., Stbd.)

нет в наличии, поставок нет
12 0985763

END Колпачок, Цилиндр (END CAP, Cylinder)

нет в наличии, поставок нет
13 0912302

Заглушка, Корпус. See Сервис ручной для correct assembly procedure (PLUG, Housing. See Service Manual for correct assembly procedure)

нет в наличии, поставок нет
14 0913329

Заглушка, Корпус. See Сервис ручной для correct assembly procedure (PLUG, Housing. See Service Manual for correct assembly procedure)

нет в наличии, поставок нет
15 0913324

Шайба, Золотник Клапан (WASHER, Spool valve)

нет в наличии, поставок нет
16 0912357

Уплотнительное кольцо (O-RING)

нет в наличии, поставок нет
17 0912078

Болт, BellКривошип (BOLT, Bellcrank)

нет в наличии, поставок нет
18 0913320

Болт, Рулевая система conn. (BOLT, Steering conn.)

нет в наличии, поставок нет
20 0910959

FITTING, Oil (FITTING, Oil)

нет в наличии, поставок нет
21 0911012

Уплотнительное кольцо, Fitting (O-RING, Fitting)

нет в наличии, поставок нет
21 3852517

   (последний код) O-RING

нет в наличии, поставок нет
22 0913321

Проставка, Рулевая система conn. (SPACER, Steering conn.)

нет в наличии, поставок нет
23 0912055

Проставка, Рулевая система Рычаг (SPACER, Steering arm)

нет в наличии, поставок нет
24 0913396

Винт, Рулевая система Рычаг (SCREW, Steering arm)

нет в наличии, поставок нет
24 0912054

   (последний код) SCREW

нет в наличии, поставок нет
25 0327969

LOCKГайка (LOCKNUT)

нет в наличии, поставок нет
25 0316854

   (последний код) LOCKNUT

нет в наличии, поставок нет
26 0987030

Рулевая система CONN. в сборе. (STEERING CONN. ASSY.)

нет в наличии, поставок нет
27 0315077

Гайка, Рулевая система Коннектор (NUT, Steering connector)

нет в наличии, поставок нет
27 3852132

   (последний код) NUT,LOCK

нет в наличии, поставок нет
82 0302858

Шплинт, Рулевая система conn. (COTTER PIN, Steering conn.)

нет в наличии, поставок нет
82 3854480

   (последний код) PIN,COTTER

нет в наличии, поставок нет
29 0309020

Пружинная шайба, BellКривошип (SPRING WASHER, Bellcrank)

нет в наличии, поставок нет
30 0915115

BELLКривошип (BELLCRANK)

нет в наличии, поставок нет
31 0121252

Шайба, Рулевая система conn. (WASHER, Steering conn.)

нет в наличии, поставок нет
32 0335221

Винт, Цилиндр to Кронштейн (SCREW, Cylinder to bracket)

нет в наличии, поставок нет
32 0328715

   (последний код) SCREW

нет в наличии, поставок нет
33 0915116

Винт, BellКривошип (SCREW, Bellcrank)

нет в наличии, поставок нет
evinrude

Время выполнения запроса 5.7313768863678 сек.


 
 

данный сайт носит информационный характер и не является публичной офертой

склад запчастей для водомоторной техники