| |
Все разделы каталога запчастей на этот двигатель
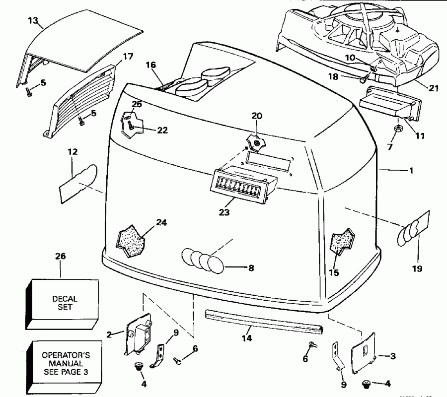
вернуться к списку узлов и деталей ДЕТАЛИРОВКА ДЛЯ МОДЕЛИ: EVINRUDE E225TLENR 1992
КРЫШКА ДВИГАТЕЛЯ (КАПОТ) - JOHNSON - 185 | ENGINE COVER - JOHNSON - 185;
Номер на рисунке | Артикул | Наименование | Кол-во на складе | Цена |
| 1 | 0435172 | Крышка двигателя (капот) в сборе., 185 (ENGINE COVER ASSY., 185) | нет в наличии, поставок нет |
| 2 | 0336989 | LOCATING Кронштейн, Rear (LOCATING BRACKET, Rear) | нет в наличии, поставок нет |
| 3 | 0336991 | LOCATING Кронштейн Front (LOCATING BRACKET Front) | нет в наличии, поставок нет |
| 4 | 0324898 | Бампер, Locating Кронштейн (BUMPER, Locating bracket) | нет в наличии, поставок нет |
| 5 | 0332191 | Винт, Рукоятка наклона, front (SCREW, Tilt handle, front) | нет в наличии, поставок нет |
| 6 | 0323229 | Винт, Крючок (SCREW, Hook) | нет в наличии, поставок нет |
| 7 | 0336188 | Гайка, Baffle (NUT, Baffle) | нет в наличии, поставок нет |
| 8 | 0336109 | APPLIQUE, Port & stbd. (APPLIQUE, Port & stbd.) | нет в наличии, поставок нет |
| 9 | 0323176 | Крючок капота двигателя (HOOK, Engine cover) | нет в наличии, поставок нет |
| 9 | 0315191 | (последний код) HOOK | нет в наличии, поставок нет |
| 10 | 0328703 | Шайба, Baffle (WASHER, Baffle) | нет в наличии, поставок нет |
| 10 | 3852184 | (последний код) WASHER | нет в наличии, поставок нет |
| 11 | 0334909 | LOUVER, Крышка двигателя (капот), port (LOUVER, Engine cover, port) | нет в наличии, поставок нет |
| 12 | 0336108 | APPLIQUE, Rear (APPLIQUE, Rear) | нет в наличии, поставок нет |
| 13 | 0331944 | Рукоятка наклона (TILT HANDLE) | нет в наличии, поставок нет |
| 14 | 0912032 | Резинка капота двигателя (SEAL, Engine cover) | нет в наличии, поставок нет |
| 14 | 0330731 | (последний код) SEAL,MOTOR COVER | нет в наличии, поставок нет |
| 15 | 0334948 | SOUND BLANKET, Front (SOUND BLANKET, Front) | нет в наличии, поставок нет |
| 16 | 0334949 | SOUND BLANKET, Rear (SOUND BLANKET, Rear) | нет в наличии, поставок нет |
| 17 | 0331945 | BAFFLE (BAFFLE) | нет в наличии, поставок нет |
| 18 | 0334967 | Винт, Baffle (SCREW, Baffle) | нет в наличии, поставок нет |
| 19 | 0336107 | APPLIQUE, Front (APPLIQUE, Front) | нет в наличии, поставок нет |
| 20 | 0317223 | Защелка, Applique (FASTENER, Applique) | нет в наличии, поставок нет |
| 21 | 0334911 | BAFFLE (BAFFLE) | нет в наличии, поставок нет |
| 22 | 0329266 | Винт, Baffle (SCREW, Baffle) | нет в наличии, поставок нет |
| 23 | 0334910 | LOUVER, Крышка двигателя (капот), stbd. (LOUVER, Engine cover, stbd.) | нет в наличии, поставок нет |
| 24 | 0334947 | SOUND BLANKET, Side (SOUND BLANKET, Side) | нет в наличии, поставок нет |
| 25 | 0331249 | Шайба, Baffle (WASHER, Baffle) | нет в наличии, поставок нет |
| 25 | 0330155 | (последний код) WASHER | нет в наличии, поставок нет |
| 26 | 0434048 | Наклейка, SET, Silver Крышка (DECAL, SET, Silver cover) | нет в наличии, поставок нет |

Время выполнения запроса 5.6218519210815 сек.
|
|