вконтакте

Контактный телефон: +7 (981) 121-46-93, +7 (800) 200-90-76 , Email: parts-katalog@yandex.ru, где купить

 
 

  Логин:

Пароль:

Регистрация

www.partskatalog.ru Все каталоги Запчасти Mercury Запчасти Suzuki Запчасти Tohatsu Запчасти Honda Контакты


Все разделы каталога запчастей на этот двигатель

назад Раздел:   вперёд

вернуться к списку узлов и деталей

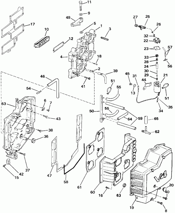
ДЕТАЛИРОВКА ДЛЯ МОДЕЛИ: EVINRUDE E140TXETF 1993

ВПУСКНОЙ КОЛЛЕКТОР - "F" SUFFIX MODELS | INTAKE MANIFOLD - "F" SUFFIX MODELS;


Подвесной лодочный мотор EVINRUDE E140TXETF 1993  -

Номер на
рисунке
АртикулНаименованиеКол-во
на складе
Цена
1 0436256

Впускной коллектор в сборе.. 120, 125ESX Models Only (INTAKE MANIFOLD ASSY.. 120, 125ESX Models Only)

нет в наличии, поставок нет
1 0437337

   (последний код) MANIFOLD AY,INTAKE

нет в наличии, поставок нет
1 0435603

Впускной коллектор в сборе.. 140 Models Only (INTAKE MANIFOLD ASSY.. 140 Models Only)

нет в наличии, поставок нет
2 0325659

FITTING, Drain (FITTING, Drain)

нет в наличии, поставок нет
3 0310872

Шпилька (STUD)

нет в наличии, поставок нет
4 0328789

FITTING, Primer (FITTING, Primer)

нет в наличии, поставок нет
5 0320744

Шайба, Шпилька (WASHER, Stud)

нет в наличии, поставок нет
5 0306124

   (последний код) WASHER

нет в наличии, поставок нет
6 0331153

TIMING POINTER, Коллектор (TIMING POINTER, Manifold)

нет в наличии, поставок нет
7 0328696

Винт, Timing pointer (SCREW, Timing pointer)

нет в наличии, поставок нет
8 0331102

Винт, Крышка to Основание, long (SCREW, Cover to base, long)

нет в наличии, поставок нет
8 0329625

   (последний код) WING-SCREW

нет в наличии, поставок нет
9 0303913

Шайба, Кулачок дросселя (WASHER, Throttle cam)

нет в наличии, поставок нет
10 0396201

REED BOX в сборе.. 120, 125ESX Models Only (REED BOX ASSY.. 120, 125ESX Models Only)

нет в наличии, поставок нет
10 0396072

   (последний код) REED BOX

нет в наличии, поставок нет
10 0397336

REED BOX в сборе.. 140 Models Only (REED BOX ASSY.. 140 Models Only)

нет в наличии, поставок нет
10 0439042

   (последний код) BOX AY,REED

нет в наличии, поставок нет
11 0332353

Винт дросселя cam (SCREW, Throttle cam)

нет в наличии, поставок нет
11 0347338

   (последний код) SCREW,SHOULDER

нет в наличии, поставок нет
12 0328626

Прокладка, Leaf Пластина. 120, 125ESX Models Only (GASKET, Leaf plate. 120, 125ESX Models Only)

нет в наличии, поставок нет
12 0332266

Прокладка, Leaf Пластина. 140 Models Only (GASKET, Leaf plate. 140 Models Only)

нет в наличии, поставок нет
13 0328701

Шайба, Заземление, solenoid (WASHER, Ground, solenoid)

нет в наличии, поставок нет
13 3852182

   (последний код) WASHER,LOCK

нет в наличии, поставок нет
15 0328725

Винт, Trunnion Крышка (SCREW, Trunnion cover)

нет в наличии, поставок нет
15 3852187

   (последний код) SCREW

нет в наличии, поставок нет
16 0330838

Винт, Baffle (SCREW, Baffle)

нет в наличии, поставок нет
16 0329268

   (последний код) SCREW

нет в наличии, поставок нет
17 0328622

Прокладка коллектора to Картер двигателя (GASKET, Manifold to crankcase)

нет в наличии, поставок нет
18 0321707

Винт, Reed box. 120, 125ESX Models Only (SCREW, Reed box. 120, 125ESX Models Only)

нет в наличии, поставок нет
18 0332265

Винт, Reed box. 140 Models Only (SCREW, Reed box. 140 Models Only)

нет в наличии, поставок нет
19 0436279

Крышка & Заглушка AY., Air Глушитель (COVER & PLUG AY., Air silencer)

нет в наличии, поставок нет
19 0339108

   (последний код) COVER

нет в наличии, поставок нет
20 0339859

Заглушка (PLUG)

нет в наличии, поставок нет
21 0435948

Соленоид, в сборе., Primer (SOLENOID ASSY., Primer)

нет в наличии, поставок нет
21 5007355

   (последний код) KIT AY,PRMR SOL

нет в наличии, поставок нет
22 0511807

Крышка, Primer solenoid (COVER, Primer solenoid)

нет в наличии, поставок нет
22 0437228

   (последний код) COVER&GASKET AY

нет в наличии, поставок нет
23 0333448

Прокладка, Solenoid (GASKET, Solenoid)

нет в наличии, поставок нет
23 0511810

   (последний код) VALVE-SEAT

нет в наличии, поставок нет
24 0511809

Плунжер (PLUNGER)

нет в наличии, поставок нет
25 0175158

Ручной клапан (MANUAL VALVE)

нет в наличии, поставок нет
26 0331365

Уплотнительное кольцо (O-RING)

нет в наличии, поставок нет
26 0326721

   (последний код) O-RING

нет в наличии, поставок нет
27 0126341

Клапан Колпачок (VALVE CAP)

нет в наличии, поставок нет
28 0511986

Пружина клапана (SPRING, Valve)

нет в наличии, поставок нет
29 0511987

Пружина, Плунжер (SPRING, Plunger)

нет в наличии, поставок нет
30 0333447

Клапан, Плунжер (VALVE, Plunger)

нет в наличии, поставок нет
30 0511988

   (последний код) VALVE

нет в наличии, поставок нет
31 0510818

Клемма (TERMINAL)

нет в наличии, поставок нет
31 3854243

   (последний код) TERMINAL,RIN

нет в наличии, поставок нет
32 0330121

Винт, Крышка to Корпус (SCREW, Cover to housing)

нет в наличии, поставок нет
32 0326186

   (последний код) SCREW

нет в наличии, поставок нет
33 0332365

Фильтр, Клапан Корпус (FILTER, Valve housing)

нет в наличии, поставок нет
33 0511811

   (последний код) FILTER

нет в наличии, поставок нет
34 0512947

Клемма (TERMINAL)

нет в наличии, поставок нет
34 0910462

   (последний код) TERM.-60766-

нет в наличии, поставок нет
35 0513185

Гильза (SLEEVE)

нет в наличии, поставок нет
35 0512948

   (последний код) SLEEVE

нет в наличии, поставок нет
36 0329518

Пыльник, Основание to Шланг (GROMMET, Base to hose)

нет в наличии, поставок нет
36 3852195

   (последний код) GROMMET

нет в наличии, поставок нет
37 0314610

Воздушный винт Глушитель Основание, long (SCREW, Air silencer base, long)

нет в наличии, поставок нет
38 0328694

Воздушный винт Глушитель Основание, верхний (SCREW, Air silencer base, upper)

нет в наличии, поставок нет
38 0911122

   (последний код) SCREW

нет в наличии, поставок нет
39 0329695

Шланг, Air Глушитель drain (HOSE, Air silencer drain)

нет в наличии, поставок нет
40 0909533

Винт, Крышка to Основание (SCREW, Cover to base)

нет в наличии, поставок нет
40 0324429

   (последний код) SCREW,IMP HSG

нет в наличии, поставок нет
41 0307471

Винт, Коллектор, 120, 125ESX (SCREW, Manifold, 120, 125ESX)

нет в наличии, поставок нет
41 0307471

Винт, Коллектор, short, 140 (SCREW, Manifold, short, 140)

нет в наличии, поставок нет
41 0322906

Винт, Коллектор, long, 140 (SCREW, Manifold, long, 140)

нет в наличии, поставок нет
42 0329271

Крышка, Trunnion (COVER, Trunnion)

нет в наличии, поставок нет
43 0322831

Воздушный винт Глушитель Основание (SCREW, Air silencer base)

нет в наличии, поставок нет
44 0330118

Струбцина, Primer solenoid (CLAMP, Primer solenoid)

нет в наличии, поставок нет
45 0328724

Винт зажима (SCREW, Clamp)

нет в наличии, поставок нет
45 3852186

   (последний код) SCREW

нет в наличии, поставок нет
46 0

Шланг, Vent, 18 дюйм. сокращёная длина From 25 фут (7, 6m) Roll, 327229 (HOSE, Vent, 18 in.. Cut to Length From 25 ft. (7,6m) Roll, 327229)

нет в наличии, поставок нет
47 0331101

Прокладка крышки to Основание (GASKET, Cover to base)

нет в наличии, поставок нет
49 0333094

Кулачок дросселя (THROTTLE CAM)

нет в наличии, поставок нет
50 0435898

FUEL Коллектор (FUEL MANIFOLD)

нет в наличии, поставок нет
51 0317893

Крепёжный хомут, Primer solenoid (TIE STRAP, Primer solenoid)

нет в наличии, поставок нет
51 3852149

   (последний код) TIE-STRAP

нет в наличии, поставок нет
52 0320107

Крепёжный хомут (TIE STRAP)

нет в наличии, поставок нет
52 5035626

   (последний код) BAND,REM CON

нет в наличии, поставок нет
53 0432950

Основание, Air Глушитель (BASE, Air silencer)

нет в наличии, поставок нет
53 0334703

   (последний код) BASE-AIR-SIL

нет в наличии, поставок нет
54 0317121

FITTING, Vent (FITTING, Vent)

нет в наличии, поставок нет
55 0339746

Шланг, Коллектор to #1 & #3 carb. (HOSE, Manifold to #1 & #3 carb.)

нет в наличии, поставок нет
56 0325569

TEE, Primer Шланг (TEE, Primer hose)

нет в наличии, поставок нет
57 0

Шланг, Primer to port верхний tee, 14". сокращёная длина From 25 фут (7, 6m) Roll, 327229 (HOSE, Primer to port upper tee, 14". Cut to Length From 25 ft. (7,6m) Roll, 327229)

нет в наличии, поставок нет
57 0

Шланг, Primer to stbd. верхний tee, 18". сокращёная длина From 25 фут (7, 6m) Roll, 327229 (HOSE, Primer to stbd. upper tee, 18". Cut to Length From 25 ft. (7,6m) Roll, 327229)

нет в наличии, поставок нет
57 0

Шланг, Port tee to #1, 1 дюйм. сокращёная длина From 25 фут (7, 6m) Roll, 327229 (HOSE, Port tee to #1, 1 in.. Cut to Length From 25 ft. (7,6m) Roll, 327229)

нет в наличии, поставок нет
57 0

Шланг, Stbd. tee to #2, 1 1 / 2 дюйм. сокращёная длина From 25 фут (7, 6m) Roll, 327229 (HOSE, Stbd. tee to #2, 1 1/2 in.. Cut to Length From 25 ft. (7,6m) Roll, 327229)

нет в наличии, поставок нет
57 0

Шланг, Port tee to #3, 9 дюйм. сокращёная длина From 25 фут (7, 6m) Roll, 327229 (HOSE, Port tee to #3, 9 in.. Cut to Length From 25 ft. (7,6m) Roll, 327229)

нет в наличии, поставок нет
57 0

Шланг, Stbd. tee to #4, 9 дюйм. сокращёная длина From 25 фут (7, 6m) Roll, 327229 (HOSE, Stbd. tee to #4, 9 in.. Cut to Length From 25 ft. (7,6m) Roll, 327229)

нет в наличии, поставок нет
58 0

Сальник, Крышка to Основание. сокращёная длина From 309044 (SEAL, Cover to base. Cut to Length From 309044)

нет в наличии, поставок нет
59 0339747

Шланг, Коллектор to #2 & #4 carb. (HOSE, Manifold to #2 & #4 carb.)

нет в наличии, поставок нет
60 0339109

BAFFLE, Air Корпус глушителя (BAFFLE, Air silencer cover)

нет в наличии, поставок нет
60 0331097

   (последний код) BAFFLE

нет в наличии, поставок нет
61 0339224

Сальник, Baffle to carb. (SEAL, Baffle to carb.)

нет в наличии, поставок нет
62 0329603

TEE, Помпа to Коллектор (TEE, Pump to manifold)

нет в наличии, поставок нет
63 0339263

Сальник, Крышка to baffle (SEAL, Cover to baffle)

нет в наличии, поставок нет
64 0339768

Шланг, Коллектор to tee (HOSE, Manifold to tee)

нет в наличии, поставок нет
65 0333396

Шланг, Tee to primer (HOSE, Tee to primer)

нет в наличии, поставок нет
evinrude

Время выполнения запроса 3.9908220767975 сек.


 
 

данный сайт носит информационный характер и не является публичной офертой

склад запчастей для водомоторной техники