вконтакте

Контактный телефон: +7 (981) 121-46-93, +7 (800) 200-90-76 , Email: parts-katalog@yandex.ru, где купить

 
 

  Логин:

Пароль:

Регистрация

www.partskatalog.ru Все каталоги Запчасти Mercury Запчасти Suzuki Запчасти Tohatsu Запчасти Honda Контакты


Все разделы каталога запчастей на этот двигатель

назад Раздел:   вперёд

вернуться к списку узлов и деталей

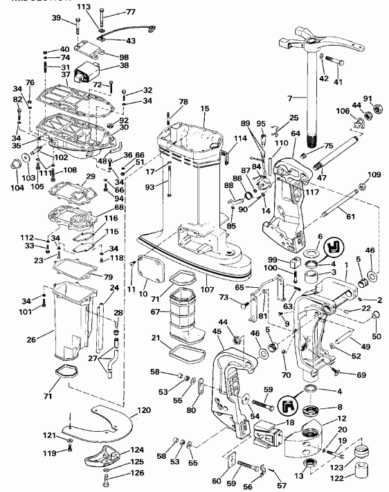
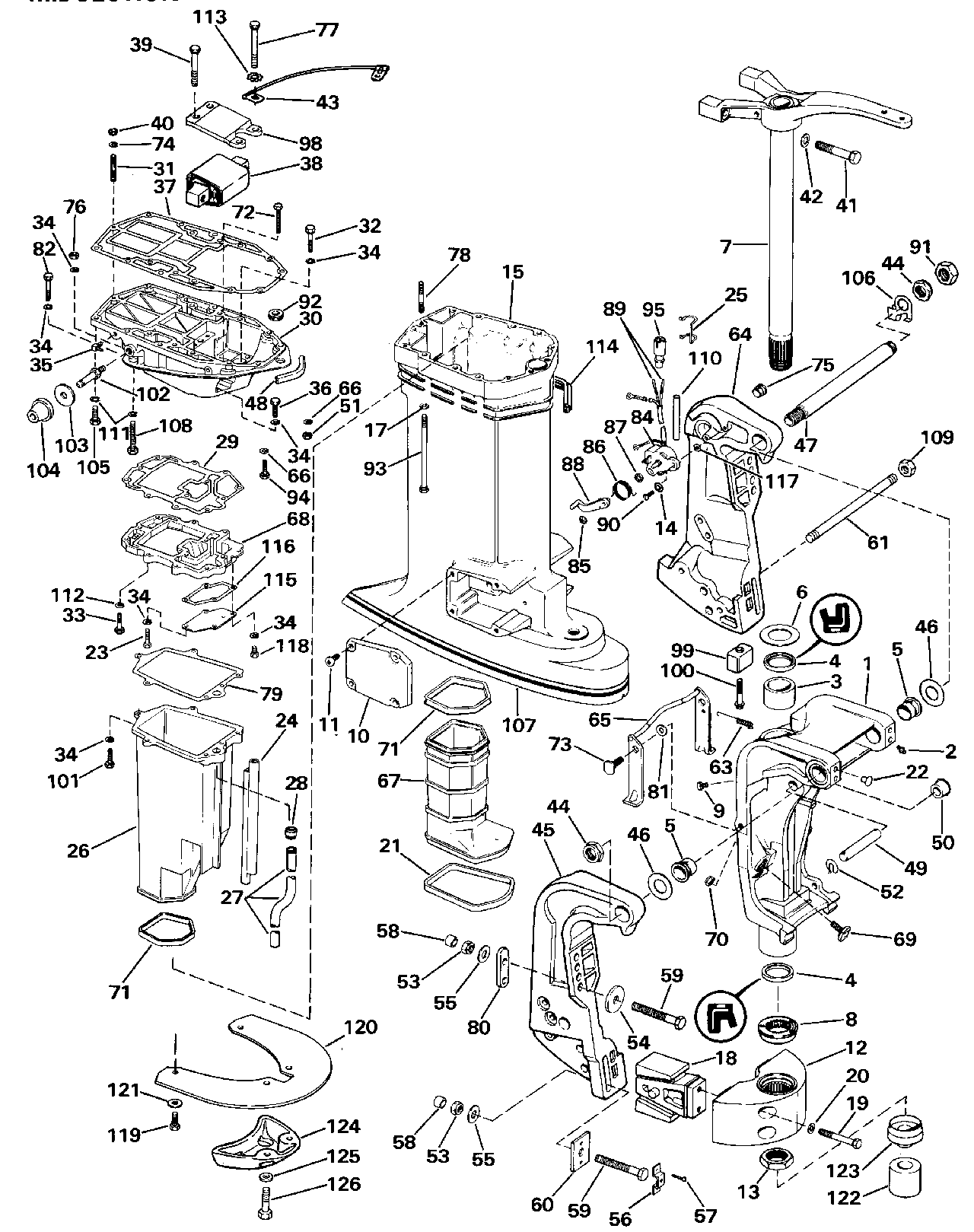
ДЕТАЛИРОВКА ДЛЯ МОДЕЛИ: EVINRUDE E140TXATS 1993

ЦИЛИНДР & КАРТЕР ДВИГАТЕЛЯ - "S" SUFFIX MODELSLS | CYLINDER & CRANKCASE - "S" SUFFIX MODELSLS  


 Evinrude E140TXATS 1993  -

Номер на
рисунке
АртикулНаименованиеКол-во
на складе
Цена
1 0432407

Цилиндр CCASE в сборе. (CYLINDER CCASE ASSY.)

нет в наличии, поставок нет
1 0438796

   (последний код) CYL&CRKC AY, V4

нет в наличии, поставок нет
2 0304178

Шпонка Подшипник (PIN, Dowel bearing)

нет в наличии, поставок нет
3 0314616

Шпилька, Картер двигателя to adapter (STUD, Crankcase to adapter)

нет в наличии, поставок нет
3 0324811

   (последний код) STUD-CYL

нет в наличии, поставок нет
4 0331095

Штифт, конус (PIN, Taper)

нет в наличии, поставок нет
5 0338653

Шпилька, Рычаг переключения (STUD, Shift lever)

нет в наличии, поставок нет
5 0320808

   (последний код) STUD

нет в наличии, поставок нет
6 0326891

Винт, Cyl. to ccase (SCREW, Cyl. to ccase)

нет в наличии, поставок нет
7 0326890

Винт, Cyl. to ccase (SCREW, Cyl. to ccase)

нет в наличии, поставок нет
8 0320744

Шайба, Шпилька (WASHER, Stud)

нет в наличии, поставок нет
8 0306124

   (последний код) WASHER

нет в наличии, поставок нет
9 0322232

Шайба (WASHER)

нет в наличии, поставок нет
10 0321598

Картер двигателя FITTING (CRANKCASE FITTING)

нет в наличии, поставок нет
11 0327706

FITTING, Boost port (FITTING, Boost port)

нет в наличии, поставок нет
12 0317121

FITTING, Vent (FITTING, Vent)

нет в наличии, поставок нет
14 0435009

PULSE LIMITER (PULSE LIMITER)

нет в наличии, поставок нет
14 3852225

   (последний код) LIMITER-AY,P

нет в наличии, поставок нет
15 0908768

Смазочный фиттинг (GREASE FITTING)

нет в наличии, поставок нет
16 0330145

Шплинт, Рычаг переключения (COTTER PIN, Shift lever)

нет в наличии, поставок нет
18 0913438

Шланг, Tee to Обратный клапан (HOSE, Tee to check valve)

нет в наличии, поставок нет
20 0326644

Рычаг штока переключения (LEVER, Shift rod)

нет в наличии, поставок нет
20 0318556

   (последний код) SHIFT-ROD

нет в наличии, поставок нет
21 0340115

Прокладка головки блока цилиндра (GASKET, Cylinder head)

нет в наличии, поставок нет
21 0333549

   (последний код) HD-GASKET

нет в наличии, поставок нет
23 0

Шланг, Подшипник hsg., 15 1 / 2 дюйм. сокращёная длина From 25 фут (7, 6m) Roll, 332219 - 1 / 8 дюйм I.D. (HOSE, Bearing hsg., 15 1/2 in.. Cut to Length From 25 ft. (7,6m) Roll, 332219 - 1/8 in. I.D.)

нет в наличии, поставок нет
24 0331215

Шланг, Elbow to aspirator (HOSE, Elbow to aspirator)

нет в наличии, поставок нет
24 0321890

   (последний код) HOSE

нет в наличии, поставок нет
25 0306049

Винт, Термостат Крышка (SCREW, Thermostat cover)

нет в наличии, поставок нет
26 0322323

Винт, Головка блока цилиндра (SCREW, Cylinder head)

нет в наличии, поставок нет
27 0387633

Свеча зажигания, Champion QL-77JC4 (SPARK PLUG, Champion QL-77JC4)

нет в наличии, поставок нет
27 0502180

   (последний код) Champion SPARK PLUG QL77JC4 MAR4

нет в наличии, поставок нет
27 0432424

Свеча зажигания, Champion QL16V. Опции (SPARK PLUG, Champion QL16V. Optional)

нет в наличии, поставок нет
27 0502178

   (последний код) Champion SPARK PLUG QL16V MAR4

нет в наличии, поставок нет
28 0584592

температура Переключатель, Stbd. (TEMPERATURE SWITCH, Stbd.)

нет в наличии, поставок нет
28 0583441

   (последний код) TEMP-SWITCH

нет в наличии, поставок нет
28 0583789

температура Переключатель, Port (TEMPERATURE SWITCH, Port)

нет в наличии, поставок нет
28 0583422

   (последний код) TEMP-SWITCH

нет в наличии, поставок нет
29 0512947

BULLET Клемма (BULLET TERMINAL)

нет в наличии, поставок нет
29 0910462

   (последний код) TERM.-60766-

нет в наличии, поставок нет
30 0513185

Гильза, Клемма (SLEEVE, Terminal)

нет в наличии, поставок нет
30 0512948

   (последний код) SLEEVE

нет в наличии, поставок нет
32 0333967

Крышка термостата stbd. (COVER, Thermostat stbd.)

нет в наличии, поставок нет
32 0329829

   (последний код) COVER

нет в наличии, поставок нет
33 0327590

Штифт, Рычаг тяги переключения (PIN, Shift rod lever)

нет в наличии, поставок нет
33 0323267

   (последний код) PIN

нет в наличии, поставок нет
34 0329562

Крышка, Temp. Переключатель (COVER, Temp. switch)

нет в наличии, поставок нет
36 0317893

Крепёжный хомут, Drain system (TIE STRAP, Drain system)

нет в наличии, поставок нет
36 3852149

   (последний код) TIE-STRAP

нет в наличии, поставок нет
37 0329830

Прокладка крышки термостата (GASKET, Thermostat cover)

нет в наличии, поставок нет
38 0333858

Пружина освобождения клапана (SPRING, Relief valve)

нет в наличии, поставок нет
38 0329831

   (последний код) SPRING

нет в наличии, поставок нет
39 0315391

Заглушка, Aspirator (PLUG, Aspirator)

нет в наличии, поставок нет
40 0914902

ASPIRATOR (ASPIRATOR)

нет в наличии, поставок нет
41 0328737

Шайба, Переключатель & Рычаг дросселя (WASHER, Shift & throttle lever)

нет в наличии, поставок нет
41 0306561

   (последний код) WASHER

нет в наличии, поставок нет
42 0

Шланг, Клапан нижний , 1 1 / 2 дюйм. сокращёная длина From 25 фут (7, 6m) Roll, 332219 - 1 / 8 дюйм I.D. (HOSE, Valve lower, 1 1/2 in.. Cut to Length From 25 ft. (7,6m) Roll, 332219 - 1/8 in. I.D.)

нет в наличии, поставок нет
43 0328064

Гайка, Casing Направляющая to Рычаг дросселя & Рычаг переключения (NUT, Casing guide to throttle arm & shift lever)

нет в наличии, поставок нет
43 0554477

   (последний код) NUT

нет в наличии, поставок нет
44 0333967

Крышка термостата, port (COVER, Thermostat, port)

нет в наличии, поставок нет
44 0329829

   (последний код) COVER

нет в наличии, поставок нет
46 0392988

Обратный клапан в сборе. (CHECK VALVE ASSY.)

нет в наличии, поставок нет
46 0390436

   (последний код) NIPPLE

нет в наличии, поставок нет
47 0398818

Головка блока цилиндра, 120 / 140 (CYLINDER HEAD, 120/140)

нет в наличии, поставок нет
47 0438525

   (последний код) CYL. HEAD CONV. KT

нет в наличии, поставок нет
47 0432592

Головка блока цилиндра, 125ESX (CYLINDER HEAD, 125ESX)

нет в наличии, поставок нет
47 0438527

   (последний код) CYL. HEAD CONV.

нет в наличии, поставок нет
48 0320880

Седло, Термостат (SEAT, Thermostat)

нет в наличии, поставок нет
49 0330273

Cвыше (CUP)

нет в наличии, поставок нет
50 0554306

Винт, Cyl. to Картер двигателя (SCREW, Cyl. to crankcase)

нет в наличии, поставок нет
51 0328695

Винт, Рычаг Переключающая тяга (SCREW, Lever shift rod)

нет в наличии, поставок нет
51 0323480

   (последний код) SCREW

нет в наличии, поставок нет
52 0312708

Втулка, Рычаг переключения (BUSHING, Shift lever)

нет в наличии, поставок нет
53 0302290

Шайба, Штифт рычага (WASHER, Pin, lever)

нет в наличии, поставок нет
53 0338307

   (последний код) WASHER,LOCK

нет в наличии, поставок нет
54 0321886

ELBOW, Индикатор (ELBOW, Indicator)

нет в наличии, поставок нет
54 0321686

   (последний код) ELBOW

нет в наличии, поставок нет
55 0327805

Гайка, Aspirator (NUT, Aspirator)

нет в наличии, поставок нет
55 0327971

   (последний код) NUT

нет в наличии, поставок нет
56 0202026

Шайба, Рычаг переключения (WASHER, Shift lever)

нет в наличии, поставок нет
57 0

Дренажный шланг system. сокращёная длина From 25 фут (7, 6m) Roll, 327229 (HOSE, Drain system. Cut to Length From 25 ft. (7,6m) Roll, 327229)

нет в наличии, поставок нет
58 0320107

Крепёжный хомут (TIE STRAP)

нет в наличии, поставок нет
58 5035626

   (последний код) BAND,REM CON

нет в наличии, поставок нет
59 0305650

Шплинт (COTTER PIN)

нет в наличии, поставок нет
59 3852052

   (последний код) PIN,COTTER

нет в наличии, поставок нет
61 0308532

Втулка рычага дросселя (BUSHING, Throttle lever)

нет в наличии, поставок нет
61 0122475

   (последний код) BUSHING

нет в наличии, поставок нет
62 0308532

Втулка, Рычаг переключения (BUSHING, Shift arm)

нет в наличии, поставок нет
62 0122475

   (последний код) BUSHING

нет в наличии, поставок нет
63 0315077

LOCKГайка, Рычаг дросселя (LOCKNUT, Throttle lever)

нет в наличии, поставок нет
63 3852132

   (последний код) NUT,LOCK

нет в наличии, поставок нет
64 0324364

Штифт, Рычаг переключения (PIN, Shift lever)

нет в наличии, поставок нет
64 0340134

   (последний код) PIN

нет в наличии, поставок нет
65 0330995

Шайба, Соединитель (WASHER, Link)

нет в наличии, поставок нет
65 0308371

   (последний код) WASHER

нет в наличии, поставок нет
66 0315077

LOCKГайка, Переключатель art (LOCKNUT, Shift art)

нет в наличии, поставок нет
66 3852132

   (последний код) NUT,LOCK

нет в наличии, поставок нет
67 0329083

Рычаг переключения (SHIFT LEVER)

нет в наличии, поставок нет
68 0329085

Переключающая тяга Рычаг (LINK, Shift lever)

нет в наличии, поставок нет
68 0340133

   (последний код) LINK

нет в наличии, поставок нет
69 0432649

Рычаг дросселя (THROTTLE LEVER)

нет в наличии, поставок нет
69 0393563

   (последний код) LEVER,THROTTLE

нет в наличии, поставок нет
70 0203688

Гайка (NUT)

нет в наличии, поставок нет
70 0328710

   (последний код) NUT-SCREW-ID

нет в наличии, поставок нет
71 0334219

Винт, Idle adjustment (SCREW, Idle adjustment)

нет в наличии, поставок нет
72 0308993

Пружина (SPRING)

нет в наличии, поставок нет
73 0318660

Колпачок (CAP)

нет в наличии, поставок нет
74 0328741

Гайка (NUT)

нет в наличии, поставок нет
74 0304753

   (последний код) NUT

нет в наличии, поставок нет
75 0328702

Шайба, Рычаг переключения to Соединитель (WASHER, Shift lever to link)

нет в наличии, поставок нет
75 3852183

   (последний код) WASHER

нет в наличии, поставок нет
76 0330266

Шайба, Рычаг переключения (WASHER, Shift arm)

нет в наличии, поставок нет
76 3852200

   (последний код) WASHER

нет в наличии, поставок нет
77 0328702

Шайба, Соединитель to Рычаг переключения (WASHER, Link to shift arm)

нет в наличии, поставок нет
77 3852183

   (последний код) WASHER

нет в наличии, поставок нет
78 0330266

Шайба, Рычаг дросселя (WASHER, Throttle lever)

нет в наличии, поставок нет
78 3852200

   (последний код) WASHER

нет в наличии, поставок нет
79 0433481

Рычаг переключения (SHIFT ARM)

нет в наличии, поставок нет
79 0393873

   (последний код) SHIFT-ARM-AY

нет в наличии, поставок нет
81 0432095

Соединитель в сборе., Spark advance (LINK ASSY., Spark advance)

нет в наличии, поставок нет
82 0326738

Пружина, Соединитель (SPRING, Link)

нет в наличии, поставок нет
83 0334313

Тяга, Spark advance Соединитель (ROD, Spark advance link)

нет в наличии, поставок нет
84 0331864

Колпачок, Пружина Корпус (CAP, Spring housing)

нет в наличии, поставок нет
84 0328634

   (последний код) CAP

нет в наличии, поставок нет
85 0328635

Втулка, Пружина (BUSHING, Spring)

нет в наличии, поставок нет
86 0334311

STOP, Adjustment (STOP, Adjustment)

нет в наличии, поставок нет
87 0329770

Штифт, Тяга (PIN, Rod)

нет в наличии, поставок нет
88 0334312

Пружина, Adjustment hsg. (SPRING, Adjustment hsg.)

нет в наличии, поставок нет
89 0334314

LOCKГайка, Корпус (LOCKNUT, Housing)

нет в наличии, поставок нет
90 0334315

Направляющая пружина (GUIDE, Spring)

нет в наличии, поставок нет
91 0334316

Корпус, Adjustment (HOUSING, Adjustment)

нет в наличии, поставок нет
92 0330145

Шплинт, Рычаг to Соединитель (COTTER PIN, Lever to link)

нет в наличии, поставок нет
93 0328636

Штифт, Advance Соединитель (PIN, Advance link)

нет в наличии, поставок нет
94 0434137

Термостат в сборе. (THERMOSTAT ASSY.)

нет в наличии, поставок нет
94 0394409

   (последний код) THERMOSTAT-A

нет в наличии, поставок нет
95 0122220

Сальник, Aspirator (SEAL, Aspirator)

нет в наличии, поставок нет
96 0317936

Шайба, Aspirator (WASHER, Aspirator)

нет в наличии, поставок нет
99 0325569

TEE, Картер двигателя drain (TEE, Crankcase drain)

нет в наличии, поставок нет
100 0330412

Прокладка, Выпрямитель (GASKET, Rectifier)

нет в наличии, поставок нет
100 0344472

   (последний код) GASKET

нет в наличии, поставок нет
101 0334220

Винт, Full Дроссель adjust. (SCREW, Full throttle adjust.)

нет в наличии, поставок нет
101 0337580

   (последний код) SCREW

нет в наличии, поставок нет
102 0317893

Крепёжный хомут, Переключатель (TIE STRAP, Switch)

нет в наличии, поставок нет
102 3852149

   (последний код) TIE-STRAP

нет в наличии, поставок нет
103 0913439

Водяной шланг Система впуска (HOSE, Water intake)

нет в наличии, поставок нет
104 0986534

Клапан, Aspirator (VALVE, Aspirator)

нет в наличии, поставок нет
105 0915209

Уплотнительное кольцо, Aspirator (O-RING, Aspirator)

нет в наличии, поставок нет
106 0316487

Струбцина, Шланг to coil (CLAMP, Hose to coil)

нет в наличии, поставок нет
107 0394892

Обратный клапан в сборе. (CHECK VALVE ASSY.)

нет в наличии, поставок нет
108 0310928

Струбцина, Timer leads (CLAMP, Timer leads)

нет в наличии, поставок нет
108 3852092

   (последний код) CLAMP,"J"

нет в наличии, поставок нет
109 0319590

Винт зажима (SCREW, Clamp)

нет в наличии, поставок нет
109 3855227

   (последний код) SCREW

нет в наличии, поставок нет
110 0432570

POWERHEAD Комплект прокладок (POWERHEAD GASKET SET)

нет в наличии, поставок нет
111 0433095

LOW COMPRESSION CYL. HEAD KIT. Contains Головка блока цилиндра P.N. 432592 (LOW COMPRESSION CYL. HEAD KIT. Contains Cylinder Head P.N. 432592)

нет в наличии, поставок нет
evinrude

Время выполнения запроса 7.0973980426788 сек.


 
 

данный сайт носит информационный характер и не является публичной офертой

склад запчастей для водомоторной техники