вконтакте

Контактный телефон: +7 (981) 121-46-93, +7 (800) 200-90-76 , Email: parts-katalog@yandex.ru, где купить

 
 

  Логин:

Пароль:

Регистрация

www.partskatalog.ru Все каталоги Запчасти Mercury Запчасти Suzuki Запчасти Tohatsu Запчасти Honda Контакты


Все разделы каталога запчастей на этот двигатель

назад Раздел:   вперёд

вернуться к списку узлов и деталей

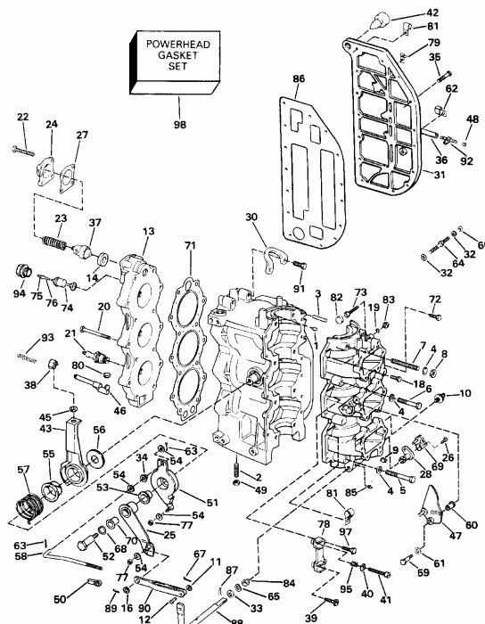
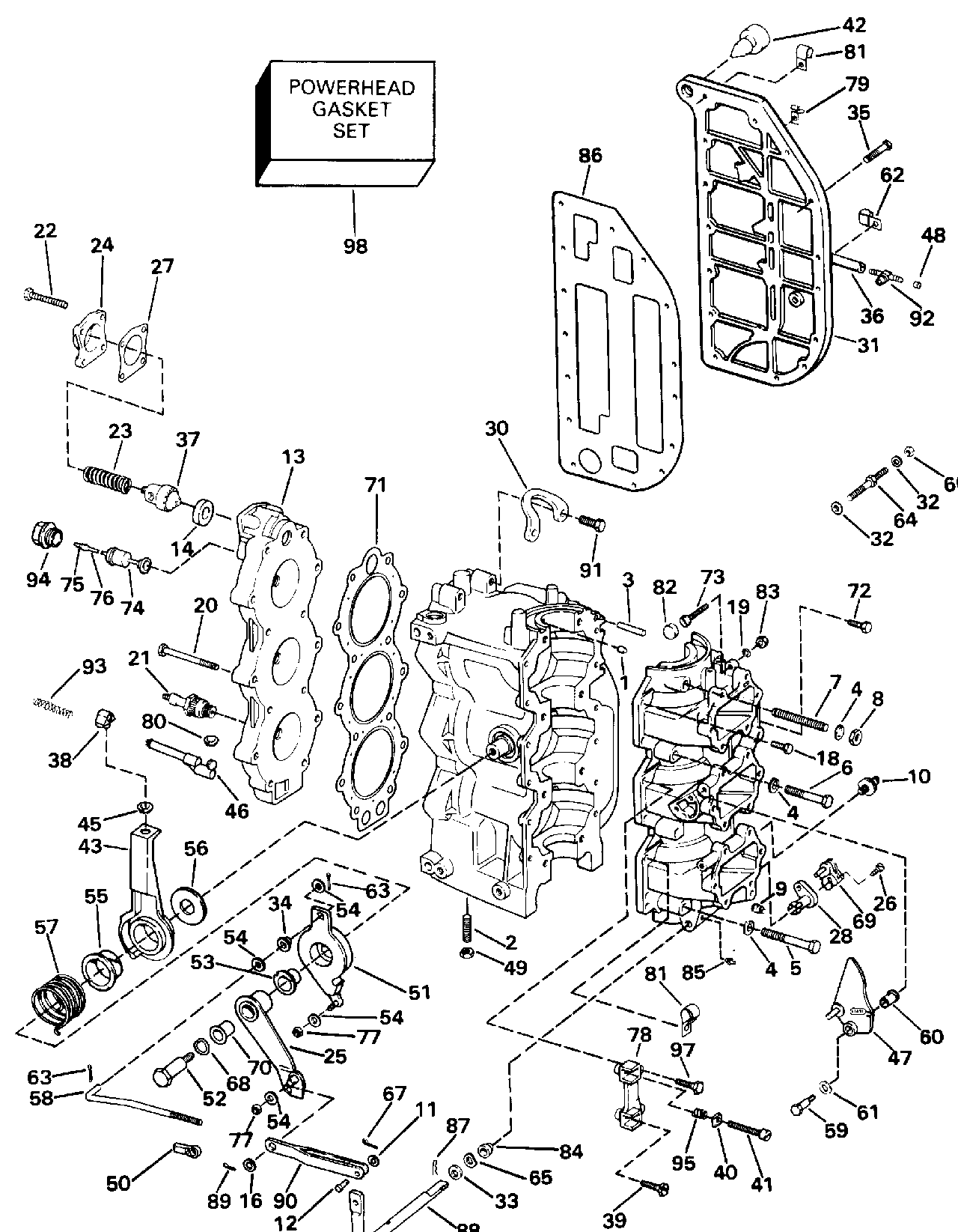
ДЕТАЛИРОВКА ДЛЯ МОДЕЛИ: EVINRUDE E200STLETC 1993

ТОПЛИВНЫЙ НАСОС | FUEL PUMP;


Подвесной мотор Evinrude E200STLETC 1993  - el Помпа / el Pump

Номер на
рисунке
АртикулНаименованиеКол-во
на складе
Цена
1 0339279

Струбцина, Шланг Топливный фильтр, 625 (CLAMP, Hose fuel filter, .625)

нет в наличии, поставок нет
2 0338896

TEE, Primer solenoid (TEE, Primer solenoid)

нет в наличии, поставок нет
3 0337786

Пыльник (GROMMET)

нет в наличии, поставок нет
4 0329169

Винт, Помпа to Кронштейн (SCREW, Pump to bracket)

нет в наличии, поставок нет
4 0330217

   (последний код) SCREW

нет в наличии, поставок нет
5 0333390

Шланг, Vacuum Переключатель to tee (HOSE, Vacuum switch to tee)

нет в наличии, поставок нет
5 0329710

   (последний код) HOSE

нет в наличии, поставок нет
6 0331649

Заглушка, Фильтр (PLUG, Filter)

нет в наличии, поставок нет
7 0339278

Струбцина, 562 (CLAMP, .562)

нет в наличии, поставок нет
8 0332281

Топливный шланг Фильтр to tee (HOSE, Fuel filter to tee)

нет в наличии, поставок нет
8 0331755

   (последний код) HOSE

нет в наличии, поставок нет
9 0339276

Струбцина, 360 (CLAMP, .360)

нет в наличии, поставок нет
10 0

Шланг, Tee to Топливный насос, 3" (75 мм) сокращёная длина From 125115 - 3 / 8 дюйм I.D., 50 фут (15, 2m) Roll (HOSE, Tee to fuel pump, 3" (75mm). Cut to Length From 125115 - 3/8 in. I.D., 50 ft. (15,2m) Roll)

нет в наличии, поставок нет
11 0398319

Топливный фильтр в сборе. (FUEL FILTER ASSY.)

нет в наличии, поставок нет
11 0175227

   (последний код) FUEL-FILTER

нет в наличии, поставок нет
12 0331036

Винт, Фиксатор (SCREW, Retainer)

нет в наличии, поставок нет
12 0320468

   (последний код) SCREW

нет в наличии, поставок нет
13 0303701

Шайба с блокировкой, Solenoid Заземление (LOCK WASHER, Solenoid ground)

нет в наличии, поставок нет
14 0435953

Топливный насос в сборе.. See Вспомогательные компоненты Catalog для Ремонтный комплект Part Numbers (FUEL PUMP ASSY.. See Accessory Parts Catalog for Repair Kit Part Numbers)

нет в наличии, поставок нет
14 5007420

   (последний код) KIT AY,F PUMP&LMTR

нет в наличии, поставок нет
15 0512749

Коннектор (CONNECTOR)

нет в наличии, поставок нет
15 3852241

   (последний код) CONN,4-SKT-P

нет в наличии, поставок нет
16 0581656

SOCKET (SOCKET)

нет в наличии, поставок нет
16 3852257

   (последний код) TERMINAL AY,SCKT

нет в наличии, поставок нет
17 0328735

Шайба, Помпа to Кронштейн (WASHER, Pump to bracket)

нет в наличии, поставок нет
17 3852188

   (последний код) WASHER

нет в наличии, поставок нет
18 0122147

Винт, Кронштейн to Картер двигателя (SCREW, Bracket to crankcase)

нет в наличии, поставок нет
18 3852006

   (последний код) SCREW

нет в наличии, поставок нет
19 0

Шланг, Pulse, 6 1 / 4 " (159 мм) сокращёная длина From 333341 - 5 / 16 дюйм I.D., 25 фут (7, 6m) Roll (HOSE, Pulse, 6 1/4 " (159mm). Cut to Length From 333341 - 5/16 in. I.D., 25 ft. (7,6m) Roll)

нет в наличии, поставок нет
20 0338894

Кронштейн, Fuel components (BRACKET, Fuel components)

нет в наличии, поставок нет
21 0332845

Шланг, Помпа to tee (HOSE, Pump to tee)

нет в наличии, поставок нет
21 0319739

   (последний код) HOSE

нет в наличии, поставок нет
22 0909678

Уплотнительное кольцо, Vacuum Переключатель (O-RING, Vacuum switch)

нет в наличии, поставок нет
23 0338950

Фиксатор, Vacuum Переключатель (RETAINER, Vacuum switch)

нет в наличии, поставок нет
24 0435703

VACUUM Переключатель (VACUUM SWITCH)

нет в наличии, поставок нет
24 0586544

   (последний код) KIT AY,VAC SWITCH

нет в наличии, поставок нет
25 0513357

Коннектор (CONNECTOR)

нет в наличии, поставок нет
25 3854845

   (последний код) CONNECTOR 513357

нет в наличии, поставок нет
26 0511469

Клемма, Штифт (TERMINAL, Pin)

нет в наличии, поставок нет
26 3852229

   (последний код) TERMINAL,PIN

нет в наличии, поставок нет
27 0510818

Клемма, Кольцо (TERMINAL, Ring)

нет в наличии, поставок нет
27 3854243

   (последний код) TERMINAL,RIN

нет в наличии, поставок нет
28 0331995

TEE, Топливный шланг to vacuum Переключатель (TEE, Fuel hose to vacuum switch)

нет в наличии, поставок нет
29 0398339

Топливный коннектор & Шланг. See Вспомогательные компоненты Catalog для Ремонтный комплект Part Numbers (FUEL CONNECTOR & HOSE. See Accessory Parts Catalog for Repair Kit Part Numbers)

нет в наличии, поставок нет
29 0396305

   (последний код) FUEL-CONN&-H

нет в наличии, поставок нет
30 0322652

Струбцина (CLAMP)

нет в наличии, поставок нет
30 3852170

   (последний код) CLAMP,SNAP

нет в наличии, поставок нет
31 0332732

Шланг (HOSE)

нет в наличии, поставок нет
31 0330156

   (последний код) HOSE

нет в наличии, поставок нет
32 0393334

Топливный коннектор (FUEL CONNECTOR)

нет в наличии, поставок нет
32 0376154

   (последний код) BODY

нет в наличии, поставок нет
33 0329653

Струбцина топливного шланга (CLAMP, Fuel hose)

нет в наличии, поставок нет
34 0320107

Крепёжный хомут (TIE STRAP)

нет в наличии, поставок нет
34 5035626

   (последний код) BAND,REM CON

нет в наличии, поставок нет
35 0329661

Заглушка Держатель (PLUG HOLDER)

нет в наличии, поставок нет
36 0584784

HORN в сборе., Oil level (HORN ASSY., Oil level)

нет в наличии, поставок нет
36 0585992

   (последний код) KIT-AY,HORN

нет в наличии, поставок нет
37 0511829

Клемма (TERMINAL)

нет в наличии, поставок нет
37 3852233

   (последний код) TERMINAL,RIN

нет в наличии, поставок нет
38 0339277

Струбцина, 500 (CLAMP, 500)

нет в наличии, поставок нет
39 0315391

Заглушка, Коннектор (PLUG, Connector)

нет в наличии, поставок нет
40 0331674

Шланг, Tee to solenoid (HOSE, Tee to solenoid)

нет в наличии, поставок нет
40 0332117

   (последний код) HOSE-PRIMER

нет в наличии, поставок нет
41 0336224

Шланг, Tee to tee (HOSE, Tee to tee)

нет в наличии, поставок нет
evinrude

Время выполнения запроса 2.1871800422668 сек.


 
 

данный сайт носит информационный характер и не является публичной офертой

склад запчастей для водомоторной техники