вконтакте

Контактный телефон: +7 (981) 121-46-93, +7 (800) 200-90-76 , Email: parts-katalog@yandex.ru, где купить

 
 

  Логин:

Пароль:

Регистрация

www.partskatalog.ru Все каталоги Запчасти Mercury Запчасти Suzuki Запчасти Tohatsu Запчасти Honda Контакты


Все разделы каталога запчастей на этот двигатель

назад Раздел:   вперёд

вернуться к списку узлов и деталей

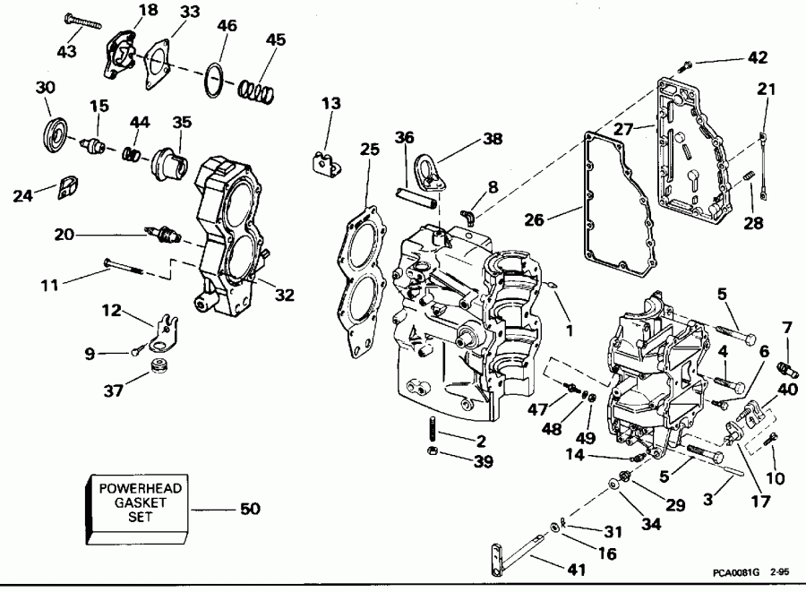
ДЕТАЛИРОВКА ДЛЯ МОДЕЛИ: EVINRUDE E55RSLG 1995

ЦИЛИНДР & КАРТЕР ДВИГАТЕЛЯ | CYLINDER & CRANKCASE;


Подвесной мотор Эвинруд E55RSLG 1995  - linder & Crankcase / linder & Картер двигателя

Номер на
рисунке
АртикулНаименованиеКол-во
на складе
Цена
0437339 0437339

Цилиндр & Картер двигателя в сборе.. Not Shown (CYLINDER & CRANKCASE ASSY.. Not Shown)

нет в наличии, поставок нет
0437339 5005576

   (последний код) CYL&C-CS 55 COMM

нет в наличии, поставок нет
1 0304178

Шпонка, Подшипник (DOWEL PIN, Bearing)

нет в наличии, поставок нет
2 0314616

Шпилька, Цилиндр to adapter (STUD, Cylinder to adapter)

нет в наличии, поставок нет
2 0324811

   (последний код) STUD-CYL

нет в наличии, поставок нет
3 0305070

конус Штифт (TAPER PIN)

нет в наличии, поставок нет
4 0308747

Винт, Картер двигателя to Цилиндр (SCREW, Crankcase to cylinder)

нет в наличии, поставок нет
5 0308752

Винт, Main brg. верх и низ (SCREW, Main brg. upper & lower)

нет в наличии, поставок нет
6 0308742

Винт, Картер двигателя to Цилиндр (SCREW, Crankcase to cylinder)

нет в наличии, поставок нет
6 3852080

   (последний код) SCREW

нет в наличии, поставок нет
7 0303492

Ниппель, Pulse (NIPPLE, Pulse)

нет в наличии, поставок нет
8 0331894

ELBOW, Индикатор (ELBOW, Indicator)

нет в наличии, поставок нет
9 0306539

Винт, Кронштейн (SCREW, Bracket)

нет в наличии, поставок нет
10 0323480

Винт, Рычаг переключения to Вал (SCREW, Shift lever to shaft)

нет в наличии, поставок нет
10 0328695

   (последний код) SCREW

нет в наличии, поставок нет
11 0322323

Винт, Головка блока цилиндра (SCREW, Cylinder head)

нет в наличии, поставок нет
12 0337504

Кронштейн, Головка блока цилиндра, stbd. (BRACKET, Cylinder head, stbd.)

нет в наличии, поставок нет
13 0337503

Кронштейн, Головка блока цилиндра, port (BRACKET, Cylinder head, port)

нет в наличии, поставок нет
14 0319253

FITTING, Картер двигателя (FITTING, Crankcase)

нет в наличии, поставок нет
14 0909517

   (последний код) LUBE-FITTING

нет в наличии, поставок нет
15 0436195

Термостат (THERMOSTAT)

нет в наличии, поставок нет
16 0202026

Шайба, Рычаг переключения (WASHER, Shift lever)

нет в наличии, поставок нет
17 0331765

KEEPER, Втулка & Тяга (KEEPER, Bushing & rod)

нет в наличии, поставок нет
18 0339207

Крышка термостата (COVER, Thermostat)

нет в наличии, поставок нет
20 0432424

Свеча зажигания, Champion QL16V. Radio Noise Sвышеpression Свеча зажигания (SPARK PLUG, Champion QL16V. Radio Noise Suppression Spark Plug)

нет в наличии, поставок нет
20 0502178

   (последний код) Champion SPARK PLUG QL16V MAR4

нет в наличии, поставок нет
20 0433627

Свеча зажигания, Champion L16V. Опции (SPARK PLUG, Champion L16V. Optional)

нет в наличии, поставок нет
20 0502894

   (последний код) Champion SPARK PLUG L16V MAR4 (CS12209)

нет в наличии, поставок нет
21 0584472

LEAD в сборе., Заземление (LEAD ASSY., Ground)

нет в наличии, поставок нет
24 0310441

Струбцина, Lockout Кабели (CLAMP, Lockout cable)

нет в наличии, поставок нет
24 0316385

   (последний код) CLAMP

нет в наличии, поставок нет
25 0335359

Прокладка головки блока цилиндра (GASKET, Cylinder head)

нет в наличии, поставок нет
25 0327795

   (последний код) CYL HD GASKET

нет в наличии, поставок нет
26 0325211

Прокладка, Water passage (GASKET, Water passage)

нет в наличии, поставок нет
27 0437506

Крышка & Заглушка AY, Water passage (COVER & PLUG AY, Water passage)

нет в наличии, поставок нет
27 0433561

   (последний код) COVER&PLUG AY

нет в наличии, поставок нет
28 0321164

Заглушка, Крышка (PLUG, Cover)

нет в наличии, поставок нет
28 0307544

   (последний код) PLUG

нет в наличии, поставок нет
29 0312708

Втулка, Переключающий вал Рычаг (BUSHING, Shift shaft lever)

нет в наличии, поставок нет
30 0435957

Диафрагма & Cвыше в сборе. (DIAPHRAGM & CUP ASSY.)

нет в наличии, поставок нет
31 0330941

Штифт Фиксатор, Рычаг переключения (PIN RETAINER, Shift lever)

нет в наличии, поставок нет
32 0340101

Головка блока цилиндра (CYLINDER HEAD)

нет в наличии, поставок нет
33 0329830

Прокладка крышки (GASKET, Cover)

нет в наличии, поставок нет
34 0306012

Пружинная шайба, Рычаг переключения (SPRING WASHER, Shift lever)

нет в наличии, поставок нет
35 0336178

Корпус, Термостат (HOUSING, Thermostat)

нет в наличии, поставок нет
36 0

Шланг, Индикатор, 18 3 / 4 дюйм (480 мм) сокращёная длина From 310828 (HOSE, Indicator, 18 3/4 in. (480mm). Cut to Length From 310828)

нет в наличии, поставок нет
37 0337505

Пыльник, Кронштейн (GROMMET, Bracket)

нет в наличии, поставок нет
38 0326023

LIFT Кольцо (LIFT RING)

нет в наличии, поставок нет
39 0315204

Гайка, Шпилька (NUT, Stud)

нет в наличии, поставок нет
39 0316355

   (последний код) NUT

нет в наличии, поставок нет
40 0396831

Рычаг штока переключения (LEVER, Shift rod)

нет в наличии, поставок нет
40 0331457

   (последний код) LEVER-SHIFT ROD

нет в наличии, поставок нет
41 0396832

Рычаг переключения в сборе., Картер двигателя (SHIFT LEVER ASSY., Crankcase)

нет в наличии, поставок нет
42 0302325

Винт, Крышка (SCREW, Cover)

нет в наличии, поставок нет
43 0306049

Винт, Крышка термостата (SCREW, Cover, thermostat)

нет в наличии, поставок нет
44 0336179

Пружина, Термостат (SPRING, Thermostat)

нет в наличии, поставок нет
45 0342421

Пружина, Термостат, relief (SPRING, Thermostat, relief)

нет в наличии, поставок нет
46 0336185

Шайба, Крышка термостата (WASHER, Cover, thermostat)

нет в наличии, поставок нет
47 0330143

Шпилька, Double ended (STUD, Double ended)

нет в наличии, поставок нет
47 0311328

   (последний код) BOLT

нет в наличии, поставок нет
48 0328701

Шайба, Шпилька (WASHER, Stud)

нет в наличии, поставок нет
48 3852182

   (последний код) WASHER,LOCK

нет в наличии, поставок нет
49 0328740

Гайка, Шайба (NUT, Washer)

нет в наличии, поставок нет
49 0306375

   (последний код) NUT

нет в наличии, поставок нет
50 0437806

POWERHEAD Комплект прокладок (POWERHEAD GASKET SET)

нет в наличии, поставок нет
50 0439083

   (последний код) GASKET SET, PWHD

нет в наличии, поставок нет
evinrude

Время выполнения запроса 2.9313180446625 сек.


 
 

данный сайт носит информационный характер и не является публичной офертой

склад запчастей для водомоторной техники