вконтакте

Контактный телефон: +7 (981) 121-46-93, +7 (800) 200-90-76 , Email: parts-katalog@yandex.ru, где купить

 
 

  Логин:

Пароль:

Регистрация

www.partskatalog.ru Все каталоги Запчасти Mercury Запчасти Suzuki Запчасти Tohatsu Запчасти Honda Контакты



УВАЖАЕМЫЕ КЛИЕНТЫ!
C 19 ДЕКАБРЯ 2025 ПО 02 МАРТА 2026 ГОДА ОТДЕЛ ЗАПЧАСТЕЙ И СЕРВИС РАБОТАТЬ НЕ БУДУТ
ПРОДАЖА ЛОДОЧНЫХ МОТОРОВ В ШТАТНОМ РЕЖИМЕ
ОБ ИЗМЕНЕНИЯХ В ГРАФИКЕ РАБОТЫ ЧИТАЙТЕ НА САЙТА




Все разделы каталога запчастей на этот двигатель

назад Раздел:   вперёд

вернуться к списку узлов и деталей

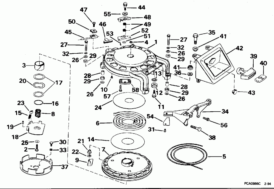
ДЕТАЛИРОВКА ДЛЯ МОДЕЛИ: EVINRUDE E65RSLC 1995

REWIND СТАРТЕР | REWIND STARTER;


Лодочный подвесной мотор EVINRUDE E65RSLC 1995  - wind Стартер

Номер на
рисунке
АртикулНаименованиеКол-во
на складе
Цена
0397903 0397903

REWIND Стартер в сборе.. Not Shown (REWIND STARTER ASSY.. Not Shown)

нет в наличии, поставок нет
0397903 0438104

   (последний код) REWIND STARTER AY.

нет в наличии, поставок нет
1 0332910

Корпус, Стартер (HOUSING, Starter)

нет в наличии, поставок нет
1 0326065

   (последний код) STARTER-HSG

нет в наличии, поставок нет
2 0331979

Винт (SCREW)

нет в наличии, поставок нет
3 0341063

Втулка, Шкив стартера (BUSHING, Starter pulley)

нет в наличии, поставок нет
3 0325432

   (последний код) BUSHING

нет в наличии, поставок нет
4 0328741

Гайка (NUT)

нет в наличии, поставок нет
4 0304753

   (последний код) NUT

нет в наличии, поставок нет
5 0

Шнур. сокращёная длина of 96 1 / 2 дюйм (2451 мм) From 100 фут (30, 5m) Roll, P / N 316705 (ROPE. Cut to Length of 96 1/2 in. (2451mm) From 100 ft. (30,5m) Roll, P/N 316705)

нет в наличии, поставок нет
6 0325431

Пружина стартера (SPRING, Starter)

нет в наличии, поставок нет
7 0394604

Шкив стартера (PULLEY, Starter)

нет в наличии, поставок нет
7 0325756

   (последний код) PULLEY

нет в наличии, поставок нет
8 0326120

Пружина, Пластина to Корпус (SPRING, Plate to housing)

нет в наличии, поставок нет
9 0398228

PAWL, Стартер (PAWL, Starter)

нет в наличии, поставок нет
9 0390305

   (последний код) STR-PAWL&PIN

нет в наличии, поставок нет
10 0121266

GLIDE Штифт, Корпус стартера (GLIDE PIN, Starter housing)

нет в наличии, поставок нет
11 0327768

Винт, Направляющая шнура Шкив (SCREW, Rope guide pulley)

нет в наличии, поставок нет
11 0323661

   (последний код) SCREW

нет в наличии, поставок нет
12 0398519

Шкив & Уплотнительное кольцо (PULLEY & O-RING)

нет в наличии, поставок нет
12 0438103

   (последний код) PULLEY&O-RING AY

нет в наличии, поставок нет
13 0339543

Уплотнительное кольцо, Шкив (O-RING, Pulley)

нет в наличии, поставок нет
13 0303059

   (последний код) O RING

нет в наличии, поставок нет
14 0326131

Регулировочная шайба, Пружина стартера Шкив (SHIM, Starter spring pulley)

нет в наличии, поставок нет
15 0326132

Пружина, Пластина return (SPRING, Plate return)

нет в наличии, поставок нет
16 0326119

Кольцо (RING)

нет в наличии, поставок нет
17 0340817

Шайба, Шкив retaining (WASHER, Pulley retaining)

нет в наличии, поставок нет
17 0325433

   (последний код) PLATE

нет в наличии, поставок нет
18 0432111

PAWL Пластина (PAWL PLATE)

нет в наличии, поставок нет
18 0326121

   (последний код) PAWL-PLATE

нет в наличии, поставок нет
19 0334350

Гильза, Пластина (SLEEVE, Plate)

нет в наличии, поставок нет
20 0309515

Шайба, Фрикционный диск to Шкив (WASHER, Friction plate to pulley)

нет в наличии, поставок нет
21 0311015

Втулка, Стартер pawl (BUSHING, Starter pawl)

нет в наличии, поставок нет
21 3852094

   (последний код) BUSHING

нет в наличии, поставок нет
22 0326964

Шайба, Втулка to pawl (WASHER, Bushing to pawl)

нет в наличии, поставок нет
23 0331929

Бампер, Pawl Пластина (BUMPER, Pawl plate)

нет в наличии, поставок нет
24 0325429

SHIELD, Пружина стартера (SHIELD, Starter spring)

нет в наличии, поставок нет
25 0328700

Шайба (WASHER)

нет в наличии, поставок нет
25 0331250

   (последний код) WASHER

нет в наличии, поставок нет
26 0911009

Шайба, Корпус стартера (WASHER, Starter housing)

нет в наличии, поставок нет
26 0301250

   (последний код) WASHER

нет в наличии, поставок нет
27 0306427

Винт, Корпус (SCREW, Housing)

нет в наличии, поставок нет
28 0326129

Гильза, Корпус стартера (SLEEVE, Starter housing)

нет в наличии, поставок нет
29 0326130

Пыльник, Винт (GROMMET, Screw)

нет в наличии, поставок нет
30 0306403

Винт, Храповик (SCREW, Ratchet)

нет в наличии, поставок нет
31 0306014

Винт, Timing pointer (SCREW, Timing pointer)

нет в наличии, поставок нет
32 0306470

Шайба с блокировкой, Корпус стартера (LOCK WASHER, Starter housing)

нет в наличии, поставок нет
32 3852061

   (последний код) LOCKWASHER

нет в наличии, поставок нет
33 0306470

Шайба с блокировкой, Храповик (LOCK WASHER, Ratchet)

нет в наличии, поставок нет
33 3852061

   (последний код) LOCKWASHER

нет в наличии, поставок нет
34 0329224

Кронштейн, Rewind Стартер, front (BRACKET, Rewind starter, front)

нет в наличии, поставок нет
35 0327768

Винт, Кронштейн (SCREW, Bracket)

нет в наличии, поставок нет
35 0323661

   (последний код) SCREW

нет в наличии, поставок нет
36 0331249

Шайба, Кронштейн (WASHER, Bracket)

нет в наличии, поставок нет
36 0330155

   (последний код) WASHER

нет в наличии, поставок нет
37 0329245

Храповик, Маховик dome (RATCHET, Flywheel dome)

нет в наличии, поставок нет
38 0308728

Винт, Кронштейн to Коллектор (SCREW, Bracket to manifold)

нет в наличии, поставок нет
38 0322098

   (последний код) SCREW,CYL HEAD

нет в наличии, поставок нет
39 0326249

Рукоятка стартера (HANDLE, Starter)

нет в наличии, поставок нет
40 0304325

ANCHOR, Рукоятка стартера (ANCHOR, Starter handle)

нет в наличии, поставок нет
40 0350249

   (последний код) ANCHOR

нет в наличии, поставок нет
41 0326136

Пыльник, Кронштейн (GROMMET, Bracket)

нет в наличии, поставок нет
42 0340771

Кронштейн, Рукоятка стартера (BRACKET, Starter handle)

нет в наличии, поставок нет
42 0436662

   (последний код) BRACKET&PLUG AY

нет в наличии, поставок нет
42 0436662

Кронштейн, Рукоятка стартера. "C" Model Number Prefix Only (BRACKET, Starter handle. "C" Model Number Prefix Only)

нет в наличии, поставок нет
42 0340771

   (последний код) BRACKET,START HDL

нет в наличии, поставок нет
43 0320978

Заглушка. "C" Model Number Prefix Only (PLUG. "C" Model Number Prefix Only)

нет в наличии, поставок нет
44 0319415

Винт, Lockout Рычаг. "C" Model Number Prefix Only (SCREW, Lockout lever. "C" Model Number Prefix Only)

нет в наличии, поставок нет
45 0436201

Кабели в сборе., Lockout. "C" Model Number Prefix Only (CABLE ASSY., Lockout. "C" Model Number Prefix Only)

нет в наличии, поставок нет
45 0395008

   (последний код) CABLE ASSY

нет в наличии, поставок нет
46 0330338

SLIDE, Блокировка стартераout. "C" Model Number Prefix Only (SLIDE, Starter lockout. "C" Model Number Prefix Only)

нет в наличии, поставок нет
46 0326133

   (последний код) SLIDE

нет в наличии, поставок нет
47 0328731

Винт, Lockout Кабели Креплениеing. "C" Model Number Prefix Only (SCREW, Lockout cable mounting. "C" Model Number Prefix Only)

нет в наличии, поставок нет
47 0329265

   (последний код) SCREW

нет в наличии, поставок нет
48 0330276

LOCKOUT Рычаг, Slide. "C" Model Number Prefix Only (LOCKOUT LEVER, Slide. "C" Model Number Prefix Only)

нет в наличии, поставок нет
49 0326128

Пружина, Lockout Рычаг. "C" Model Number Prefix Only (SPRING, Lockout lever. "C" Model Number Prefix Only)

нет в наличии, поставок нет
50 0328456

Зажим кабеля. "C" Model Number Prefix Only (CLAMP, Cable. "C" Model Number Prefix Only)

нет в наличии, поставок нет
51 0328703

Шайба, Рычаг to Корпус. "C" Model Number Prefix Only (WASHER, Lever to housing. "C" Model Number Prefix Only)

нет в наличии, поставок нет
51 3852184

   (последний код) WASHER

нет в наличии, поставок нет
52 0437040

LOCKOUT Рычаг, Шкив. "C" Model Number Prefix Only (LOCKOUT LEVER, Pulley. "C" Model Number Prefix Only)

нет в наличии, поставок нет
52 0436858

   (последний код) LEVER-AY,LOC

нет в наличии, поставок нет
53 0331515

Пыльник. "C" Model Number Prefix Only (GROMMET. "C" Model Number Prefix Only)

нет в наличии, поставок нет
54 0332682

TIMING POINTER (TIMING POINTER)

нет в наличии, поставок нет
54 0330127

   (последний код) TIMING-POINT

нет в наличии, поставок нет
55 0328708

Шайба с блокировкойout Рычаг. "C" Model Number Prefix Only (WASHER, Lockout lever. "C" Model Number Prefix Only)

нет в наличии, поставок нет
56 0306049

Винт, Кронштейн to Коллектор, short (SCREW, Bracket to manifold, short)

нет в наличии, поставок нет
57 0339824

Винт, Sвышеport. "C" Model Number Prefix Only (SCREW, Support. "C" Model Number Prefix Only)

нет в наличии, поставок нет
58 0341171

SвышеPORT, Шкив. "C" Model Number Prefix Only (SUPPORT, Pulley. "C" Model Number Prefix Only)

нет в наличии, поставок нет
evinrude

Время выполнения запроса 1.8742251396179 сек.


 
 

данный сайт носит информационный характер и не является публичной офертой

склад запчастей для водомоторной техники