вконтакте

Контактный телефон: +7 (981) 121-46-93, +7 (800) 200-90-76 , Email: parts-katalog@yandex.ru, где купить

 
 

  Логин:

Пароль:

Регистрация

www.partskatalog.ru Все каталоги Запчасти Mercury Запчасти Suzuki Запчасти Tohatsu Запчасти Honda Контакты



УВАЖАЕМЫЕ КЛИЕНТЫ!
C 19 ДЕКАБРЯ 2025 ПО 02 МАРТА 2026 ГОДА ОТДЕЛ ЗАПЧАСТЕЙ И СЕРВИС РАБОТАТЬ НЕ БУДУТ
ПРОДАЖА ЛОДОЧНЫХ МОТОРОВ В ШТАТНОМ РЕЖИМЕ
ОБ ИЗМЕНЕНИЯХ В ГРАФИКЕ РАБОТЫ ЧИТАЙТЕ НА САЙТА




Все разделы каталога запчастей на этот двигатель

назад Раздел:   вперёд

вернуться к списку узлов и деталей

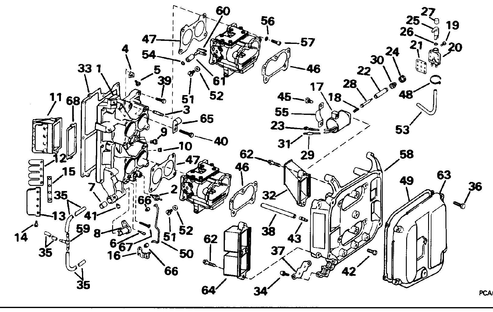
ДЕТАЛИРОВКА ДЛЯ МОДЕЛИ: EVINRUDE E115JLEOR 1995

ВПУСКНОЙ КОЛЛЕКТОР | INTAKE MANIFOLD;


Лодочный подвесной мотор Эвинруд E115JLEOR 1995  - take Коллектор - take Manifold

Номер на
рисунке
АртикулНаименованиеКол-во
на складе
Цена
1 0397075

Впускной коллектор в сборе. (INTAKE MANIFOLD ASSY.)

нет в наличии, поставок нет
2 0392988

Обратный клапан (CHECK VALVE)

нет в наличии, поставок нет
2 0390436

   (последний код) NIPPLE

нет в наличии, поставок нет
3 0314956

Шпилька (STUD)

нет в наличии, поставок нет
4 0330115

TIMING POINTER, Коллектор (TIMING POINTER, Manifold)

нет в наличии, поставок нет
4 0318174

   (последний код) TIMING-PTR

нет в наличии, поставок нет
5 0329594

Винт, Timing pointer (SCREW, Timing pointer)

нет в наличии, поставок нет
6 0325659

Ниппель (NIPPLE)

нет в наличии, поставок нет
7 0332126

Втулка, Рычаг переключения, stbd. (BUSHING, Shift lever, stbd.)

нет в наличии, поставок нет
8 0330935

Втулка, Рычаг переключения, port (BUSHING, Shift lever, port)

нет в наличии, поставок нет
9 0307272

Винт заглушки, 90 / 115 (SCREW, Plug, 90/115)

нет в наличии, поставок нет
10 0321164

Винт заглушки, 88 only (SCREW, Plug, 88 only)

нет в наличии, поставок нет
10 0307544

   (последний код) PLUG

нет в наличии, поставок нет
11 0389823

LEAF Пластина в сборе. (LEAF PLATE ASSY.)

нет в наличии, поставок нет
11 0394430

   (последний код) LEAF-PLATE-A

нет в наличии, поставок нет
12 0317739

LEAF Клапан (LEAF VALVE)

нет в наличии, поставок нет
12 0329777

   (последний код) LEAF-VALVE-&

нет в наличии, поставок нет
13 0323601

LEAF STOP (LEAF STOP)

нет в наличии, поставок нет
14 0327074

Винт (SCREW)

нет в наличии, поставок нет
14 0307129

   (последний код) SCREW

нет в наличии, поставок нет
15 0323412

Регулировочная шайба (SHIM)

нет в наличии, поставок нет
16 0320575

ADJUSTMENT Рычаг дросселя Соединитель (ADJUSTMENT LEVER, Throttle link)

нет в наличии, поставок нет
17 0437238

Соленоид, в сборе., Primer (SOLENOID ASSY., Primer)

нет в наличии, поставок нет
17 5007356

   (последний код) KIT AY,PRMR SOL

нет в наличии, поставок нет
18 0511986

Пружина клапана (SPRING, Valve)

нет в наличии, поставок нет
19 0330121

Винт, Крышка to Корпус (SCREW, Cover to housing)

нет в наличии, поставок нет
19 0326186

   (последний код) SCREW

нет в наличии, поставок нет
20 0341071

Крышка, Primer solenoid (COVER, Primer solenoid)

нет в наличии, поставок нет
21 0341297

Прокладка, Solenoid (GASKET, Solenoid)

нет в наличии, поставок нет
22 0511809

Плунжер (PLUNGER)

нет в наличии, поставок нет
23 0510818

Клемма, Кольцо (TERMINAL, Ring)

нет в наличии, поставок нет
23 3854243

   (последний код) TERMINAL,RIN

нет в наличии, поставок нет
24 0332365

Фильтр, Клапан Корпус (FILTER, Valve housing)

нет в наличии, поставок нет
24 0511811

   (последний код) FILTER

нет в наличии, поставок нет
25 0175158

Рычаг & Клапан, Maintenance (LEVER & VALVE, Maintenance)

нет в наличии, поставок нет
26 0331365

Уплотнительное кольцо, Клапан (O-RING, Valve)

нет в наличии, поставок нет
26 0326721

   (последний код) O-RING

нет в наличии, поставок нет
27 0126341

Колпачок, Клапан Корпус (CAP, Valve housing)

нет в наличии, поставок нет
28 0333447

Клапан, Плунжер (VALVE, Plunger)

нет в наличии, поставок нет
28 0511988

   (последний код) VALVE

нет в наличии, поставок нет
29 0512947

Клемма (TERMINAL)

нет в наличии, поставок нет
29 0910462

   (последний код) TERM.-60766-

нет в наличии, поставок нет
30 0511987

Пружина, Плунжер (SPRING, Plunger)

нет в наличии, поставок нет
31 0513185

Гильза (SLEEVE)

нет в наличии, поставок нет
31 0512948

   (последний код) SLEEVE

нет в наличии, поставок нет
32 0329612

Удлинитель, Port, 90 / 115 only (EXTENSION, Port, 90/115 only)

нет в наличии, поставок нет
33 0319174

Прокладка коллектора to Картер двигателя (GASKET, Manifold to crankcase)

нет в наличии, поставок нет
33 0316129

   (последний код) GASKET

нет в наличии, поставок нет
34 0335200

Винт зажима to anchor block (SCREW, Clamp to anchor block)

нет в наличии, поставок нет
34 3852212

   (последний код) SCREW

нет в наличии, поставок нет
35 0

Дренажный шланг system. сокращёная длина from 25 фут (7, 6m) Roll, P / N 327229 (HOSE, Drain system. Cut to Length from 25 ft. (7,6m) Roll, P/N 327229)

нет в наличии, поставок нет
36 0909533

Винт, Крышка to Основание (SCREW, Cover to base)

нет в наличии, поставок нет
36 0324429

   (последний код) SCREW,IMP HSG

нет в наличии, поставок нет
37 0323400

Фиксатор, Дроссель Тросик переключения (RETAINER, Throttle shift cable)

нет в наличии, поставок нет
38 0

Шланг, Air Глушитель. сокращёная длина of 6 1 / 2 дюйм (160 мм) from P / N 203909 (HOSE, Air silencer. Cut to Length of 6 1/2 in. (160mm) from P/N 203909)

нет в наличии, поставок нет
39 0309905

Винт, Коллектор to Картер двигателя (SCREW, Manifold to crankcase)

нет в наличии, поставок нет
40 0322906

Винт, Коллектор to Картер двигателя, long (SCREW, Manifold to crankcase, long)

нет в наличии, поставок нет
41 0313607

FITTING, Впускной коллектор (FITTING, Intake manifold)

нет в наличии, поставок нет
41 3852121

   (последний код) FITTING,LUB

нет в наличии, поставок нет
42 0328695

Воздушный винт Глушитель Основание (SCREW, Air silencer base)

нет в наличии, поставок нет
42 0323480

   (последний код) SCREW

нет в наличии, поставок нет
43 0314513

Ниппель, Air Глушитель Основание (NIPPLE, Air silencer base)

нет в наличии, поставок нет
45 0329217

Винт зажима (SCREW, Clamp)

нет в наличии, поставок нет
45 0333707

   (последний код) SCREW

нет в наличии, поставок нет
46 0319771

Прокладка, Air Глушитель (GASKET, Air silencer)

нет в наличии, поставок нет
47 0327707

Прокладка карбюратора to Коллектор (GASKET, Carburetor to manifold)

нет в наличии, поставок нет
47 0326118

   (последний код) GASKET

нет в наличии, поставок нет
48 0317893

Крепёжный хомут, Primer (TIE STRAP, Primer)

нет в наличии, поставок нет
48 3852149

   (последний код) TIE-STRAP

нет в наличии, поставок нет
49 0321722

Прокладка крышки (GASKET, Cover)

нет в наличии, поставок нет
50 0330158

Тяга дросселя Рычаг (LINK, Throttle lever)

нет в наличии, поставок нет
50 0325621

   (последний код) LINK

нет в наличии, поставок нет
51 0329594

Винт, Рычаг to Карбюратор (SCREW, Lever to carburetor)

нет в наличии, поставок нет
52 0328735

Шайба, Рычаг Винт (WASHER, Lever screw)

нет в наличии, поставок нет
52 3852188

   (последний код) WASHER

нет в наличии, поставок нет
53 0

Шланг, Primer solenoid system. сокращёная длина from 25 фут (7, 6m) Roll, P / N 327229 (HOSE, Primer solenoid system. Cut to Length from 25 ft. (7,6m) Roll, P/N 327229)

нет в наличии, поставок нет
54 0324678

Стопорное кольцо (RETAINING RING)

нет в наличии, поставок нет
55 0330118

Струбцина, Primer solenoid (CLAMP, Primer solenoid)

нет в наличии, поставок нет
56 0301551

Шайба с блокировкой, Carb. to Коллектор (LOCK WASHER, Carb. to manifold)

нет в наличии, поставок нет
57 0203023

Винт, Карбюратор to Коллектор (SCREW, Carburetor to manifold)

нет в наличии, поставок нет
58 0329611

Основание, Air Глушитель (BASE, Air silencer)

нет в наличии, поставок нет
59 0325569

TEE, Drain Шлангs (TEE, Drain hoses)

нет в наличии, поставок нет
60 0432638

Рычаг & Штифт (LEVER & PIN)

нет в наличии, поставок нет
61 0432639

Ролик & Гильза (ROLLER & SLEEVE)

нет в наличии, поставок нет
62 0909533

Винт, Удлинитель, 90 / 115 only (SCREW, Extension, 90/115 only)

нет в наличии, поставок нет
62 0324429

   (последний код) SCREW,IMP HSG

нет в наличии, поставок нет
63 0325335

Крышка, Air Глушитель (COVER, Air silencer)

нет в наличии, поставок нет
63 0395441

   (последний код) COVER & PLUG AY

нет в наличии, поставок нет
64 0330939

Удлинитель, Stbd., 90 / 115 only (EXTENSION, Stbd., 90/115 only)

нет в наличии, поставок нет
65 0310441

Струбцина, Primer leads (CLAMP, Primer leads)

нет в наличии, поставок нет
65 0316385

   (последний код) CLAMP

нет в наличии, поставок нет
66 0313329

Фиксатор, Карбюратор Соединитель (RETAINER, Carburetor link)

нет в наличии, поставок нет
67 0321706

Винт, Long (SCREW, Long)

нет в наличии, поставок нет
67 0321707

Винт, Short (SCREW, Short)

нет в наличии, поставок нет
68 0321907

Прокладка, Leaf Пластина (GASKET, Leaf plate)

нет в наличии, поставок нет
68 0316653

   (последний код) GASKET

нет в наличии, поставок нет
evinrude

Время выполнения запроса 5.5479209423065 сек.


 
 

данный сайт носит информационный характер и не является публичной офертой

склад запчастей для водомоторной техники