Номер на рисунке | Артикул | Наименование | Кол-во на складе | Цена |
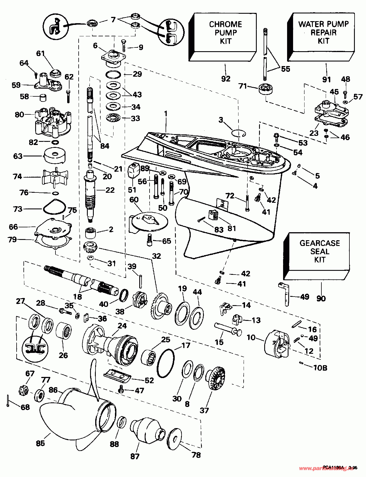
| 0436771 | 0436771 | Редуктор в сборе., комплект. Not Shown Models with Pitot Трубка (115GL) (GEARCASE ASSY., Complete. Not Shown Models with Pitot Tube (115GL)) | нет в наличии, поставок нет |
| 0436771 | 5004632 | (последний код) GCASE AY,STINGRAY | нет в наличии, поставок нет |
| 0436772 | 0436772 | Редуктор в сборе., комплект. Not Shown Models without Pitot Трубка (GEARCASE ASSY., Complete. Not Shown Models without Pitot Tube) | нет в наличии, поставок нет |
| 0436772 | 5004632 | (последний код) GCASE AY,STINGRAY | нет в наличии, поставок нет |
| 1 | 0437140 | Редуктор в сборе с подшипником.. Models with Pitot Трубка (115GL) (GEARCASE & BEARING ASSY.. Models with Pitot Tube (115GL)) | нет в наличии, поставок нет |
| 1 | 5006312 | (последний код) G-CASE &BRG AY "S" | нет в наличии, поставок нет |
| 1 | 0437141 | Редуктор в сборе с подшипником.. Models without Pitot Трубка (GEARCASE & BEARING ASSY.. Models without Pitot Tube) | нет в наличии, поставок нет |
| 1 | 5006312 | (последний код) G-CASE &BRG AY "S" | нет в наличии, поставок нет |
| 2 | 0384195 | Подшипник, Шестерня (BEARING, Pinion) | нет в наличии, поставок нет |
| 3 | 0340493 | Стопорное кольцо (RETAINING RING) | нет в наличии, поставок нет |
| 4 | 0336535 | Ниппель, Pitot Трубка. Models with Pitot Трубка (115GL) (NIPPLE, Pitot tube. Models with Pitot Tube (115GL)) | 7 шт | 470 руб. |
| 5 | 0305749 | Заглушка, Ниппель. Models with Pitot Трубка (115GL) (PLUG, Nipple. Models with Pitot Tube (115GL)) | нет в наличии, поставок нет |
| 6 | 0437215 | Подшипник Корпус & Сальник (BEARING HOUSING & SEAL) | нет в наличии, поставок нет |
| 6 | 0439476 | (последний код) DS BRG HSG&SEAL AY | нет в наличии, поставок нет |
| 7 | 0329923 | Сальник, DriveВал, нижний Contents of Комплект сальников редуктора Early PТягаuction Double Сальник (SEAL, Driveshaft, lower. Contents of Gearcase Seal Kit Early Production Double Seal) | нет в наличии, поставок нет |
| 7 | 0329922 | Сальник, DriveВал, верхний Contents of Комплект сальников редуктора Early PТягаuction Double Сальник (SEAL, Driveshaft, upper. Contents of Gearcase Seal Kit Early Production Double Seal) | нет в наличии, поставок нет |
| 7 | 0341280 | Сальник, DriveВал, верхний Contents of Комплект сальников редуктора Late PТягаuction Single Сальник (SEAL, Driveshaft, upper. Contents of Gearcase Seal Kit Late Production Single Seal) | нет в наличии, поставок нет |
| 8 | 0382408 | THRUST Подшипник, Reverse Шестерня (THRUST BEARING, Reverse gear) | нет в наличии, поставок нет |
| 9 | 0317624 | Винт, Корпус to Редуктор (SCREW, Housing to gearcase) | нет в наличии, поставок нет |
| 10 | 0391365 | Корпус & Подшипник в сборе. (HOUSING & BEARING ASSY.) | нет в наличии, поставок нет |
| 10 | 0984096 | (последний код) BEARING HOUSING | нет в наличии, поставок нет |
| 10B | 0331880 | Штифт, Корпус (PIN, Housing) | нет в наличии, поставок нет |
| 11 | 0327345 | Шарик, Detent (BALL, Detent) | нет в наличии, поставок нет |
| 12 | 0911961 | Фиксатор пружины (SPRING, Detent) | нет в наличии, поставок нет |
| 13 | 0334163 | CRADLE, Переключательer (CRADLE, Shifter) | 5 шт | 1880 руб. |
| 13 | 0322900 | (последний код) CRADLE-SHIFT | нет в наличии, поставок нет |
| 14 | 0324037 | Рычаг переключателя (LEVER, Shift) | 8 шт | 3700 руб. |
| 15 | 0322941 | Вал (SHAFT) | нет в наличии, поставок нет |
| 16 | 0320145 | Штифт, Рычаг переключения (PIN, Shift lever) | нет в наличии, поставок нет |
| 16 | 0323945 | (последний код) PIN-SHIFTER | нет в наличии, поставок нет |
| 17 | 0313446 | Уплотнительное кольцо, Вал гребного винта. Contents of Комплект сальников редуктора (O-RING, Propeller shaft. Contents of Gearcase Seal Kit) | нет в наличии, поставок нет |
| 18 | 0436834 | Вал гребного винта в сборе. (PROPELLER SHAFT ASSY.) | нет в наличии, поставок нет |
| 18 | 5006310 | (последний код) SHAFT AY,PRO | нет в наличии, поставок нет |
| 19 | 0385043 | THRUST BRG. в сборе., Fwd. Шестерня (THRUST BRG. ASSY., Fwd. gear) | нет в наличии, поставок нет |
| 19 | 3852221 | (последний код) BEARING-AY,T | нет в наличии, поставок нет |
| 20 | 0338504 | Фиксатор приводного вала (RETAINER, Driveshaft) | нет в наличии, поставок нет |
| 21 | 0311538 | Штифт, DriveВал (PIN, Driveshaft) | нет в наличии, поставок нет |
| 22 | 0340489 | DRIVEВал, нижний (DRIVESHAFT, Lower) | нет в наличии, поставок нет |
| 22 | 0346004 | (последний код) DRIVESHAFT,LOWER | нет в наличии, поставок нет |
| 23 | 0324670 | Прокладка, Переключающая тяга Крышка. Contents of Комплект сальников редуктора (GASKET, Shift rod cover. Contents of Gearcase Seal Kit) | нет в наличии, поставок нет |
| 23 | 0352165 | (последний код) GASKET | 2 шт | 550 руб. |
| 24 | 0436832 | Подшипник Корпус Сальник в сборе. (BEARING HOUSING SEAL ASSY.) | нет в наличии, поставок нет |
| 24 | 5000440 | (последний код) HSG AY,PROPSHAFT | нет в наличии, поставок нет |
| 25 | 0382407 | Игольчатый подшипник в сборе. (NEEDLE BEARING ASSY.) | 1 шт | 5500 руб. |
| 26 | 0379504 | Игольчатый подшипник в сборе. (NEEDLE BEARING ASSY.) | нет в наличии, поставок нет |
| 27 | 0330137 | Сальник. Contents of Комплект сальников редуктора (SEAL. Contents of Gearcase Seal Kit) | 17 шт | 3700 руб. |
| 27 | 0321668 | (последний код) SEAL-CRNKSHF | нет в наличии, поставок нет |
| 27 | T-0330137 | (не оригинальный аналог) Сальник редуктора OMC/Johnson/Evinrude 0330137 | под заказ шт | по запросу |
| 28 | 0341541 | Винт (SCREW) | нет в наличии, поставок нет |
| 29 | 0314728 | Уплотнительное кольцо, DriveВал Подшипник. Contents of Комплект сальников редуктора (O-RING, Driveshaft bearing. Contents of Gearcase Seal Kit) | нет в наличии, поставок нет |
| 29 | 0354731 | (последний код) O-RING | 1 шт | 850 руб. |
| 30 | 0314731 | THRUST Шайба шестерни заднего хода (THRUST WASHER, Reverse gear) | нет в наличии, поставок нет |
| 31 | 0314730 | Гайка, Шестерня to driveВал (NUT, Pinion to driveshaft) | нет в наличии, поставок нет |
| 32 | 0436746 | Шестерня & Комплект шестерёнок. (GEAR & PINION ASSY.) | 1 шт | 47700 руб. |
| 32 | 0434063 | (последний код) GEARSET,MATCHED | нет в наличии, поставок нет |
| 33 | 0387656 | THRUST Подшипник, Шестерня (THRUST BEARING, Pinion) | нет в наличии, поставок нет |
| 33 | 0383248 | (последний код) BEARING | нет в наличии, поставок нет |
| 34 | 0327656 | Упорная шайба шестерни Шестерня (THRUST WASHER, Pinion) | нет в наличии, поставок нет |
| 34 | 0314729 | (последний код) THRUST-WASHE | нет в наличии, поставок нет |
| 35 | 0328743 | Шайба, Винт, tab (WASHER, Screw, tab) | нет в наличии, поставок нет |
| 35 | 3852191 | (последний код) WASHER | нет в наличии, поставок нет |
| 36 | 0333957 | TAB, Фиксатор (TAB, Retainer) | нет в наличии, поставок нет |
| 37 | 0340490 | Шестерня обратного хода (GEAR, Reverse) | нет в наличии, поставок нет |
| 37 | 0345992 | (последний код) GEAR,REVERSE V4 | нет в наличии, поставок нет |
| 38 | 0323664 | Переключатель собачки сцепления (SHIFTER, Clutch dog) | нет в наличии, поставок нет |
| 38 | 0341517 | (последний код) TER,CLUTCH-D | нет в наличии, поставок нет |
| 39 | 0313448 | Штифт сцепления dog (PIN, Clutch dog) | нет в наличии, поставок нет |
| 40 | 0324369 | Пружина, Сцепление dog Штифт (SPRING, Clutch dog pin) | нет в наличии, поставок нет |
| 40 | 0313454 | (последний код) SPRING | нет в наличии, поставок нет |
| 41 | 0318544 | Заглушка, Fill & drain (PLUG, Fill & drain) | нет в наличии, поставок нет |
| 41 | 0912624 | (последний код) SCREW | нет в наличии, поставок нет |
| 42 | 0311598 | Шайба. Contents of Комплект сальников редуктора (WASHER. Contents of Gearcase Seal Kit) | нет в наличии, поставок нет |
| 42 | 3852105 | (последний код) WASHER | нет в наличии, поставок нет |
| 43 | 0323362 | Регулировочная шайба, 0.003 дюйм (SHIM, 0.003 in.) | нет в наличии, поставок нет |
| 43 | 0323361 | Регулировочная шайба, 0.004 дюйм (SHIM, 0.004 in.) | нет в наличии, поставок нет |
| 43 | 0314745 | Регулировочная шайба, 0.005 дюйм (SHIM, 0.005 in.) | нет в наличии, поставок нет |
| 44 | 0324766 | Упорная шайба, дляward Шестерня (THRUST WASHER, Forward gear) | нет в наличии, поставок нет |
| 45 | 0435482 | Крышка & Сальник в сборе. (COVER & SEAL ASSY.) | нет в наличии, поставок нет |
| 45 | 5006241 | (последний код) COVER AY,SHIFT ROD | нет в наличии, поставок нет |
| 46 | 0318372 | Уплотнительное кольцо переключающей тяги, входит в комплект сальников редуктора (O-RING, Shift rod. Contents of Gearcase Seal Kit) | нет в наличии, поставок нет |
| 47 | 0908158 | Винт, Анод (SCREW, Anode) | нет в наличии, поставок нет |
| 47 | 3852050 | (последний код) SCREW | нет в наличии, поставок нет |
| 48 | 0302325 | Винт, Крышка (SCREW, Cover) | нет в наличии, поставок нет |
| 49 | 0323946 | DETENT, Переключательer (DETENT, Shifter) | нет в наличии, поставок нет |
| 49 | 0915954 | (последний код) DETENT | нет в наличии, поставок нет |
| 50 | 0341219 | Винт, Анод (SCREW, Anode) | нет в наличии, поставок нет |
| 51 | 0436745 | Анод (ANODE) | нет в наличии, поставок нет |
| 51 | 0393023 | (последний код) ANODE&INSERT AY | нет в наличии, поставок нет |
| 52 | 0431708 | Анод, Подшипник Корпус (ANODE, Bearing housing) | нет в наличии, поставок нет |
| 52 | 0397111 | (последний код) ANODE-AY | нет в наличии, поставок нет |
| 53 | 0341220 | Винт, Pitot Трубка Заглушка. Models with Pitot Трубка (115GL) (SCREW, Pitot tube plug. Models with Pitot Tube (115GL)) | нет в наличии, поставок нет |
| 54 | 0437330 | Шайба & Сальник, Заглушка. Models with Pitot Трубка (115GL) (WASHER & SEAL, Plug. Models with Pitot Tube (115GL)) | нет в наличии, поставок нет |
| 55 | 0335509 | Переключающая тяга (SHIFT ROD) | нет в наличии, поставок нет |
| 56 | 0331999 | Винт, Редуктор, rear (SCREW, Gearcase, rear) | нет в наличии, поставок нет |
| 56 | 0910457 | (последний код) SCREW | нет в наличии, поставок нет |
| 57 | 0328702 | Шайба (WASHER) | нет в наличии, поставок нет |
| 57 | 3852183 | (последний код) WASHER | нет в наличии, поставок нет |
| 58 | 0314008 | Пыльник водяной трубки. Contents of Ремкомплект водяного насоса (GROMMET, Water tube. Contents of Water Pump Repair Kit) | нет в наличии, поставок нет |
| 59 | 0338893 | Колпак крыльчатки Корпус. Contents of Ремкомплект водяного насоса (COVER, Impeller housing. Contents of Water Pump Repair Kit) | нет в наличии, поставок нет |
| 59 | 0321159 | (последний код) COVER-IMP-HS | нет в наличии, поставок нет |
| 60 | 0327640 | Пластина трима, Редуктор (TRIM TAB, Gearcase) | нет в наличии, поставок нет |
| 60 | 0338742 | (последний код) TAB,TRIM-STD | нет в наличии, поставок нет |
| 60 | 0338742 | Пластина трима, Редуктор. 90, 115SL Only (TRIM TAB, Gearcase. 90, 115SL Only) | нет в наличии, поставок нет |
| 60 | 0327810 | (последний код) TRIM TAB | нет в наличии, поставок нет |
| 61 | 0320943 | Пыльник, Крыльчатка Корпус. Contents of Ремкомплект водяного насоса (GROMMET, Impeller housing. Contents of Water Pump Repair Kit) | 1 шт | 300 руб. |
| 62 | 0302325 | Винт, Крыльчатка Корпус, 1 дюйм. Contents of Ремкомплект водяного насоса (SCREW, Impeller housing, 1 in.. Contents of Water Pump Repair Kit) | нет в наличии, поставок нет |
| 63 | 0338486 | Cвыше, Крыльчатка. Stainless Steel Contents of Ремкомплект водяного насоса (CUP, Impeller. Stainless Steel Contents of Water Pump Repair Kit) | нет в наличии, поставок нет |
| 63 | 0338551 | Cвыше, Крыльчатка Корпус. хромированная пластина (CUP, Impeller housing. Chrome Plated) | нет в наличии, поставок нет |
| 64 | 0306643 | Винт, Крышка to Крыльчатка. Contents of Ремкомплект водяного насоса (SCREW, Cover to impeller. Contents of Water Pump Repair Kit) | нет в наличии, поставок нет |
| 64 | 3852066 | (последний код) SCREW | нет в наличии, поставок нет |
| 65 | 0313715 | Винт, Пластина трима (SCREW, Trim tab) | нет в наличии, поставок нет |
| 66 | 0338485 | Пластина корпуса крыльчатки. Stainless Steel Contents of Ремкомплект водяного насоса (PLATE, Impeller housing. Stainless Steel Contents of Water Pump Repair Kit) | нет в наличии, поставок нет |
| 66 | 0338552 | Пластина корпуса крыльчатки. хромированная пластина (PLATE, Impeller housing. Chrome Plated) | нет в наличии, поставок нет |
| 67 | 0314503 | Гайка гребного винта (NUT, Propeller) | нет в наличии, поставок нет |
| 68 | 0314502 | Шплинт, Гайка гребного винта (COTTER PIN, Propeller nut) | нет в наличии, поставок нет |
| 69 | 0330265 | Шайба, Винт, long (WASHER, Screw, long) | нет в наличии, поставок нет |
| 70 | 0331998 | Винт, Редуктор to Корпус (SCREW, Gearcase to housing) | нет в наличии, поставок нет |
| 70 | 0914535 | (последний код) SCREW | нет в наличии, поставок нет |
| 71 | 0321008 | Пыльник, Exh. hsg. to shft Тяга. Contents of Ремкомплект водяного насоса (GROMMET, Exh. hsg. to shft rod. Contents of Water Pump Repair Kit) | нет в наличии, поставок нет |
| 72 | 0331999 | Винт, Редуктор to Корпус (SCREW, Gearcase to housing) | нет в наличии, поставок нет |
| 72 | 0910457 | (последний код) SCREW | нет в наличии, поставок нет |
| 73 | 0331353 | Сальник, Крыльчатка Корпус Пластина. Contents of Ремкомплект водяного насоса (SEAL, Impeller housing plate. Contents of Water Pump Repair Kit) | 1 шт | 790 руб. |
| 74 | 0435821 | Крыльчатка & CAM в сборе.. Contents of Ремкомплект водяного насоса (IMPELLER & CAM ASSY.. Contents of Water Pump Repair Kit) | нет в наличии, поставок нет |
| 74 | 5001593 | (последний код) KIT AY,IMPELLER | нет в наличии, поставок нет |
| 75 | 0331107 | CAM, Крыльчатка. Contents of Ремкомплект водяного насоса (CAM, Impeller. Contents of Water Pump Repair Kit) | нет в наличии, поставок нет |
| 76 | 0302035 | Уплотнительное кольцо. Contents of Ремкомплект водяного насоса (O-RING. Contents of Water Pump Repair Kit) | нет в наличии, поставок нет |
| 77 | 0315810 | Проставка гайки гребного винта (SPACER, Propeller nut) | нет в наличии, поставок нет |
| 78 | 0127084 | Упорная втулка (THRUST BUSHING) | нет в наличии, поставок нет |
| 78 | 0384574 | (последний код) BUSHING | нет в наличии, поставок нет |
| 79 | 0338484 | Прокладка крыльчатки hsg. Пластина. Contents of Ремкомплект водяного насоса Contents of Комплект сальников редуктора (GASKET, Impeller hsg. plate. Contents of Water Pump Repair Kit Contents of Gearcase Seal Kit) | нет в наличии, поставок нет |
| 79 | 0324701 | (последний код) GASKET,-DRL5 | нет в наличии, поставок нет |
| 80 | 0435990 | Крыльчатка Корпус, Редуктор. Contents of Ремкомплект водяного насоса (IMPELLER HOUSING, Gearcase. Contents of Water Pump Repair Kit) | нет в наличии, поставок нет |
| 80 | 0435959 | Крыльчатка Корпус, Редуктор. Contents of Ремкомплект водяного насоса 90, 115SL Only (IMPELLER HOUSING, Gearcase. Contents of Water Pump Repair Kit 90, 115SL Only) | нет в наличии, поставок нет |
| 81 | 0340495 | Водяной экран Система впуска (SCREEN, Water intake) | нет в наличии, поставок нет |
| 81 | 0337778 | Водяной экран Система впуска. 90, 115SL Only (SCREEN, Water intake. 90, 115SL Only) | нет в наличии, поставок нет |
| 82 | 0331188 | Уплотнительное кольцо, Крыльчатка. Contents of Ремкомплект водяного насоса (O-RING, Impeller. Contents of Water Pump Repair Kit) | 5 шт | 370 руб. |
| 83 | 0340665 | Винт, Water Система впуска screens (SCREW, Water intake screens) | нет в наличии, поставок нет |
| 84 | 0435768 | Приводной вал., верхний (Incl #20 & 21) (DRIVESHAFT ASSY., Upper (Incl #20 & 21)) | нет в наличии, поставок нет |
| 84 | 5000615 | (последний код) KIT,UPPER D/S-20" | нет в наличии, поставок нет |
| 85 | 0 | Гребной винт. Refer to OMC SysteMatched Parts & Аксессуары Catalog для Гребной винт Chart. (PROPELLER. Refer to OMC SysteMatched Parts & Accessories Catalog for Propeller Chart.) | нет в наличии, поставок нет |
| 86 | 0332393 | CONVERGING Кольцо, Гребной винт (CONVERGING RING, Propeller) | нет в наличии, поставок нет |
| 86 | 0325996 | (последний код) CONVERGING RING | нет в наличии, поставок нет |
| 87 | 0384977 | Втулка в сборе., Prop. (BUSHING ASSY., Prop.) | нет в наличии, поставок нет |
| 88 | 0313926 | Гильза, Втулка (SLEEVE, Bushing) | нет в наличии, поставок нет |
| 88 | 3850831 | (последний код) SLEEVE-PROP | нет в наличии, поставок нет |
| 89 | 0307161 | Блокирующая шайба анода (LOCK WASHER, Anode) | нет в наличии, поставок нет |
| 90 | 0396354 | Комплект сальников редуктора. Early PТягаuction Double Сальник (GEARCASE SEAL KIT. Early Production Double Seal) | нет в наличии, поставок нет |
| 90 | 5006373 | (последний код) KIT AY,SEAL-GC | нет в наличии, поставок нет |
| 90 | 0437752 | Комплект сальников редуктора. Late PТягаuction Single Сальник (GEARCASE SEAL KIT. Late Production Single Seal) | нет в наличии, поставок нет |
| 90 | 5006373 | (последний код) KIT AY,SEAL-GC | нет в наличии, поставок нет |
| 91 | 0434421 | Ремкомплект водяного насоса (Includes Крыльчатка hous ng) (WATER PUMP REPAIR KIT (Includes impeller hous ng)) | нет в наличии, поставок нет |
| 91 | 5001594 | (последний код) KIT AY,WATER PUMP | нет в наличии, поставок нет |
| 91 | T-5001594 | (не оригинальный аналог) Ремкомплект насоса охлаждения Evinrude-Johnson 5001594 | 2 шт шт | по запросу |
| 91 | 0435929 | Ремкомплект водяного насоса (Includes Крыльчатка hous ng) 90, 115SL Only (WATER PUMP REPAIR KIT (Includes impeller hous ng). 90, 115SL Only) | нет в наличии, поставок нет |
| 91 | 5001595 | (последний код) KIT AY,WATER PUMP | нет в наличии, поставок нет |
| 92 | 0435526 | Хромированный ремкомплект водяного насоса (Inc. imp. hsg.) (CHROME PUMP KIT (Inc. imp. hsg.)) | нет в наличии, поставок нет |
| 92 | 0395059 | (последний код) CHROME PUMP KIT | нет в наличии, поставок нет |