вконтакте

Контактный телефон: +7 (981) 121-46-93, +7 (800) 200-90-76 , Email: parts-katalog@yandex.ru, где купить

 
 

  Логин:

Пароль:

Регистрация

www.partskatalog.ru Все каталоги Запчасти Mercury Запчасти Suzuki Запчасти Tohatsu Запчасти Honda Контакты


Все разделы каталога запчастей на этот двигатель

назад Раздел:   вперёд

вернуться к списку узлов и деталей

ДЕТАЛИРОВКА ДЛЯ МОДЕЛИ: EVINRUDE E250TZEOR 1995

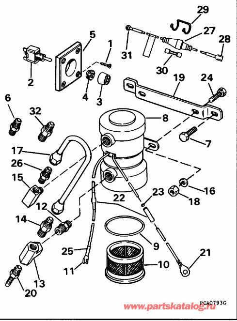
ELECTRIC ТОПЛИВНАЯ ГРУША. | ELECTRIC PRIMER PUMP ASSY.;


Подвесной двигатель EVINRUDE E250TZEOR 1995  - ectric Топливная груша. / ectric Primer Pump Assy.

Номер на
рисунке
АртикулНаименованиеКол-во
на складе
Цена
0174651 0174651

ELECTRIC Топливная груша.. Not Shown (ELECTRIC PRIMER PUMP ASSY.. Not Shown)

нет в наличии, поставок нет
0174651 0398391

   (последний код) FUEL-PUMP

нет в наличии, поставок нет
1 0125308

Винт, Bezel (SCREW, Bezel)

нет в наличии, поставок нет
2 0393125

Переключатель, Primer (SWITCH, Primer)

нет в наличии, поставок нет
3 0310781

Крышка переключателя (COVER, Switch)

нет в наличии, поставок нет
4 0310782

Гайка, Переключатель (NUT, Switch)

нет в наличии, поставок нет
5 0125318

BEZEL, Primer Переключатель (BEZEL, Primer switch)

нет в наличии, поставок нет
6 0329586

Фланец, Connection (FLANGE, Connection)

нет в наличии, поставок нет
7 0124073

LAG Винт (LAG SCREW)

нет в наличии, поставок нет
0398390 0398390

Топливный насос в сборе.. Not Shown (FUEL PUMP ASSY.. Not Shown)

нет в наличии, поставок нет
0398390 0395252

   (последний код) FUEL-PUMP-AY

нет в наличии, поставок нет
8 0398391

Топливный насос (FUEL PUMP)

нет в наличии, поставок нет
8 0174651

   (последний код) PUMP AY-PRIMER

нет в наличии, поставок нет
9 0333417

Уплотнительное кольцо (O-RING)

нет в наличии, поставок нет
10 0333416

Фильтр, Помпа (FILTER, Pump)

нет в наличии, поставок нет
10 0328072

   (последний код) FILTER +

нет в наличии, поставок нет
11 0511828

Клемма (TERMINAL)

нет в наличии, поставок нет
12 0329587

FITTING, красныйucer (FITTING, Reducer)

нет в наличии, поставок нет
13 0329589

TEE, Large (TEE, Large)

нет в наличии, поставок нет
14 0394302

Обратный клапан (CHECK VALVE)

нет в наличии, поставок нет
15 0329588

TEE, Small (TEE, Small)

нет в наличии, поставок нет
16 0328702

Шайба (WASHER)

нет в наличии, поставок нет
16 3852183

   (последний код) WASHER

нет в наличии, поставок нет
17 0394303

FUEL LINE в сборе. (FUEL LINE ASSY.)

нет в наличии, поставок нет
18 0328740

Гайка (NUT)

нет в наличии, поставок нет
18 0306375

   (последний код) NUT

нет в наличии, поставок нет
19 0330548

Кронштейн, Креплениеing (BRACKET, Mounting)

нет в наличии, поставок нет
20 0330552

FITTING, вход (FITTING, Inlet)

нет в наличии, поставок нет
21 0204053

Клемма, Кольцо (TERMINAL, Ring)

нет в наличии, поставок нет
21 3852037

   (последний код) TERMINAL,RIN

нет в наличии, поставок нет
22 0320597

Трубопровод (TUBING)

нет в наличии, поставок нет
23 0510952

SPLICE (SPLICE)

нет в наличии, поставок нет
24 0304027

Винт (SCREW)

нет в наличии, поставок нет
24 0330154

   (последний код) SCREW

нет в наличии, поставок нет
25 0510781

Трубка (TUBE)

нет в наличии, поставок нет
26 0329586

Фланец, Коннектор (FLANGE, Connector)

нет в наличии, поставок нет
27 0582955

LEAD в сборе. (LEAD ASSY.)

нет в наличии, поставок нет
28 0511828

Клемма (TERMINAL)

нет в наличии, поставок нет
29 0321077

Фиксатор (RETAINER)

нет в наличии, поставок нет
30 0512129

Предохранитель, 5 Amp (FUSE, 5 Amp)

нет в наличии, поставок нет
30 0124127

   (последний код) FUSE

нет в наличии, поставок нет
31 0310502

Клемма, Кольцо (TERMINAL, Ring)

нет в наличии, поставок нет
32 0330457

Коннектор (CONNECTOR)

нет в наличии, поставок нет
evinrude

Время выполнения запроса 1.3312470912933 сек.


 
 

данный сайт носит информационный характер и не является публичной офертой

склад запчастей для водомоторной техники