вконтакте

Контактный телефон: +7 (981) 121-46-93, +7 (800) 200-90-76 , Email: parts-katalog@yandex.ru, где купить

 
 

  Логин:

Пароль:

Регистрация

www.partskatalog.ru Все каталоги Запчасти Mercury Запчасти Suzuki Запчасти Tohatsu Запчасти Honda Контакты


Все разделы каталога запчастей на этот двигатель

назад Раздел:   вперёд

вернуться к списку узлов и деталей

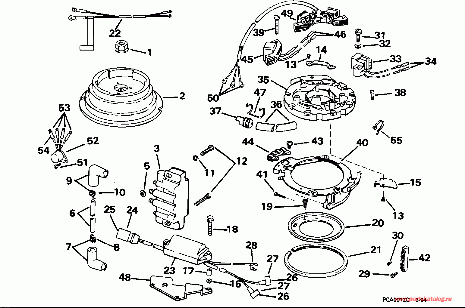
ДЕТАЛИРОВКА ДЛЯ МОДЕЛИ: EVINRUDE E6SLEDS 1996

IGNITION | IGNITION;


Подвесной лодочный мотор EVINRUDE E6SLEDS 1996  - nition / nition

Номер на
рисунке
АртикулНаименованиеКол-во
на складе
Цена
1 0326016

Гайка, Маховик (NUT, Flywheel)

нет в наличии, поставок нет
2 0584222

Маховик в сборе (FLYWHEEL ASSEMBLY)

нет в наличии, поставок нет
2 0513745

   (последний код) FLYWHEEL

нет в наличии, поставок нет
3 0583740

Катушка зажигания в сборе (IGNITION COIL ASSEMBLY)

нет в наличии, поставок нет
3 0583298

   (последний код) IGNITION COIL

нет в наличии, поставок нет
5 0329176

Шайба, Fiber, coil mtg. Винт (WASHER, Fiber, coil mtg. screw)

нет в наличии, поставок нет
6 0582365

LEAD в сборе., Свеча зажигания (LEAD ASSY., Spark plug)

нет в наличии, поставок нет
6 0582135

   (последний код) LEAD

нет в наличии, поставок нет
7 0581027

Крышка & Клемма в сборе., Свеча зажигания (COVER & TERMINAL ASSY., Spark plug)

нет в наличии, поставок нет
8 0510231

Клемма, Пружина (TERMINAL, Spring)

нет в наличии, поставок нет
9 0580339

Крышка & Клемма в сборе., Coil (COVER & TERMINAL ASSY., Coil)

нет в наличии, поставок нет
9 0510232

   (последний код) COVER

нет в наличии, поставок нет
10 0510231

Клемма, Пружина (TERMINAL, Spring)

нет в наличии, поставок нет
11 0328701

Шайба с блокировкой, Coil to Заземление (LOCK WASHER, Coil to ground)

нет в наличии, поставок нет
11 3852182

   (последний код) WASHER,LOCK

нет в наличии, поставок нет
12 0331025

Винт, Coil assembly (SCREW, Coil assembly)

нет в наличии, поставок нет
12 0308751

   (последний код) SCREW

нет в наличии, поставок нет
13 0303212

Винт зажима & Крышка (SCREW, Clamp & cover)

нет в наличии, поставок нет
14 0511458

Струбцина, Leads to ign. Пластина в сборе. (CLAMP, Leads to ign. plate assy.)

нет в наличии, поставок нет
15 0511459

Крышка, Leads to ign. Пластина в сборе. (COVER, Leads to ign. plate assy.)

нет в наличии, поставок нет
16 0328701

Шайба с блокировкой, Power pack (LOCK WASHER, Power pack)

нет в наличии, поставок нет
16 3852182

   (последний код) WASHER,LOCK

нет в наличии, поставок нет
17 0323144

Проставка, Power pack (SPACER, Power pack)

нет в наличии, поставок нет
18 0328726

Винт, Power pack (SCREW, Power pack)

нет в наличии, поставок нет
18 0323796

   (последний код) SCREW

нет в наличии, поставок нет
19 0326875

Винт, Sвышеport Пластина to ccase (SCREW, Support plate to ccase)

нет в наличии, поставок нет
19 0332070

   (последний код) SCREW

нет в наличии, поставок нет
20 0332063

Пластина, Sвышеport (PLATE, Support)

нет в наличии, поставок нет
20 0323398

   (последний код) SUPPORT-ARM

нет в наличии, поставок нет
21 0322435

Подшипник, Ignition Пластина to sвышеport (BEARING, Ignition plate to support)

нет в наличии, поставок нет
21 0321085

   (последний код) BEARING

нет в наличии, поставок нет
22 0582976

Кабель аккумулятора, 6-8 Sail (BATTERY CABLE, 6-8 Sail)

нет в наличии, поставок нет
22 0173350

   (последний код) CABLE-AY-BAT

нет в наличии, поставок нет
23 0582285

POWER PACK ASSEMBLY (POWER PACK ASSEMBLY)

нет в наличии, поставок нет
23 0586800

   (последний код) KIT AY,PP AY&INSTR

нет в наличии, поставок нет
24 0512754

Коннектор, 5-Штифт (CONNECTOR, 5-pin)

нет в наличии, поставок нет
25 0511469

Штифт (PIN)

нет в наличии, поставок нет
25 3852229

   (последний код) TERMINAL,PIN

нет в наличии, поставок нет
26 0512478

Крышка (COVER)

нет в наличии, поставок нет
27 0512256

Клемма (TERMINAL)

нет в наличии, поставок нет
28 0512131

Клемма, Кольцо (TERMINAL, Ring)

нет в наличии, поставок нет
29 0304015

Винт, Клемма block, 6-8 Sail (SCREW, Terminal block, 6-8 Sail)

нет в наличии, поставок нет
29 0333677

   (последний код) SCREW

нет в наличии, поставок нет
30 0329182

Винт, Клемма block, 6-8 Sail (SCREW, Terminal block, 6-8 Sail)

нет в наличии, поставок нет
30 0327785

   (последний код) SCREW

нет в наличии, поставок нет
31 0319682

Винт, Датчик to Пластина (SCREW, Sensor to plate)

нет в наличии, поставок нет
32 0328735

Шайба, Датчик Винт (WASHER, Sensor screw)

нет в наличии, поставок нет
32 3852188

   (последний код) WASHER

нет в наличии, поставок нет
33 0583387

Датчик ASSEMBLY (SENSOR ASSEMBLY)

нет в наличии, поставок нет
33 0584716

   (последний код) SENSOR AY,IGN

нет в наличии, поставок нет
34 0581656

SOCKET ASSEMBLY (SOCKET ASSEMBLY)

нет в наличии, поставок нет
34 3852257

   (последний код) TERMINAL AY,SCKT

нет в наличии, поставок нет
35 0582417

Пластина & Гильза ASSEMBLY (PLATE & SLEEVE ASSEMBLY)

нет в наличии, поставок нет
35 0582951

   (последний код) PLATE&SLEEVE AY

нет в наличии, поставок нет
36 0512765

Гильза (SLEEVE)

нет в наличии, поставок нет
37 0512753

Коннектор, 5-socket (CONNECTOR, 5-socket)

нет в наличии, поставок нет
37 3852243

   (последний код) CONN,5-SKT-P

нет в наличии, поставок нет
38 0511460

Винт, Ignition Пластина to ret. в сборе. (SCREW, Ignition plate to ret. assy.)

нет в наличии, поставок нет
39 0337522

Винт, Coil assembly (SCREW, Coil assembly)

нет в наличии, поставок нет
40 0434154

Фиксатор, CAM & Соединитель в сборе. (RETAINER, CAM & LINK ASSY.)

нет в наличии, поставок нет
40 0439954

   (последний код) RETAINER,CAM&LNKAY

нет в наличии, поставок нет
41 0330346

Винт, Cam folнижний Рычаг adj. (SCREW, Cam follower lever adj.)

1 шт710 руб.
41 0324393

   (последний код) SCREW

нет в наличии, поставок нет
42 0511949

Клемма BLOCK, 6-8 Sail (TERMINAL BLOCK, 6-8 Sail)

нет в наличии, поставок нет
43 0306014

Винт, Провод Жгут проводов Фиксатор (SCREW, Wire harness retainer)

нет в наличии, поставок нет
44 0334245

Фиксатор, Провод Жгут проводов, 6-8 Sail (RETAINER, Wire harness, 6-8 Sail)

нет в наличии, поставок нет
44 0332349

   (последний код) RETAINER

нет в наличии, поставок нет
45 0584504

COIL & LAMINATION в сборе. (COIL & LAMINATION ASSY.)

нет в наличии, поставок нет
45 5000611

   (последний код) COIL&LAM AY,CHARGE

нет в наличии, поставок нет
46 0581656

SOCKET в сборе. (SOCKET ASSY.)

нет в наличии, поставок нет
46 3852257

   (последний код) TERMINAL AY,SCKT

нет в наличии, поставок нет
47 0512743

Фиксатор, 4-Клемма Коннектор (RETAINER, 4-terminal connector)

нет в наличии, поставок нет
47 3852238

   (последний код) RETAINER,CON

нет в наличии, поставок нет
48 0513923

Пластина, Power pack Креплениеing (PLATE, Power pack mounting)

нет в наличии, поставок нет
49 0582930

Статор в сборе., 6-8 Sail (STATOR ASSY., 6-8 Sail)

нет в наличии, поставок нет
49 0582632

   (последний код) STATOR-AY

нет в наличии, поставок нет
50 0510780

Кольцо Клемма (RING TERMINAL)

нет в наличии, поставок нет
50 3852226

   (последний код) TERMINAL,RIN

нет в наличии, поставок нет
51 0305514

Винт, Выпрямитель, 6-8 Sail (SCREW, Rectifier, 6-8 Sail)

нет в наличии, поставок нет
52 0173692

Выпрямитель в сборе., 6-8 Sail (RECTIFIER ASSY., 6-8 Sail)

нет в наличии, поставок нет
53 0510780

Кольцо Клемма (RING TERMINAL)

нет в наличии, поставок нет
53 3852226

   (последний код) TERMINAL,RIN

нет в наличии, поставок нет
54 0510781

Трубопровод (TUBING)

нет в наличии, поставок нет
55 0320107

Крепёжный хомут, Ignition Пластина leads (TIE STRAP, Ignition plate leads)

нет в наличии, поставок нет
55 5035626

   (последний код) BAND,REM CON

нет в наличии, поставок нет
evinrude

Время выполнения запроса 1.9357178211212 сек.


 
 

данный сайт носит информационный характер и не является публичной офертой

склад запчастей для водомоторной техники