вконтакте

Контактный телефон: +7 (981) 121-46-93, +7 (800) 200-90-76 , Email: parts-katalog@yandex.ru, где купить

 
 

  Логин:

Пароль:

Регистрация

www.partskatalog.ru Все каталоги Запчасти Mercury Запчасти Suzuki Запчасти Tohatsu Запчасти Honda Контакты


Все разделы каталога запчастей на этот двигатель

назад Раздел:   вперёд

вернуться к списку узлов и деталей

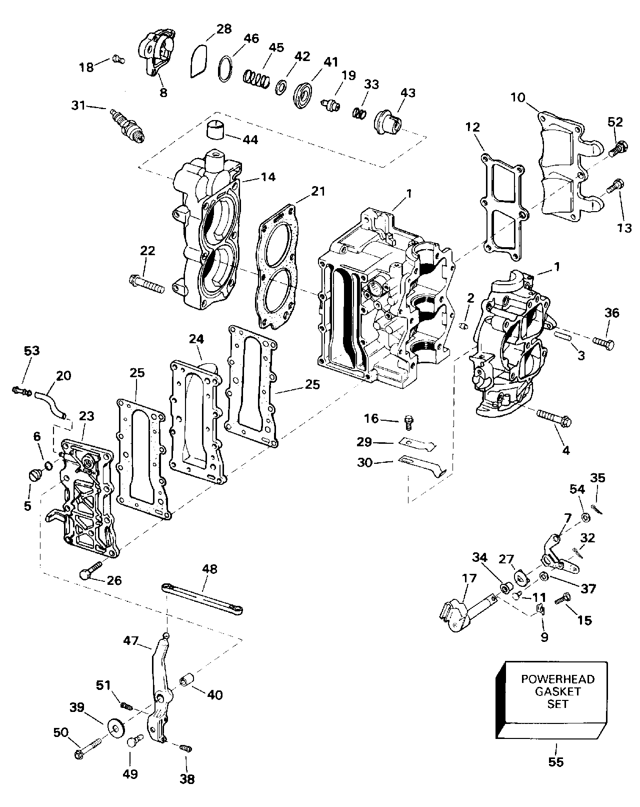
ДЕТАЛИРОВКА ДЛЯ МОДЕЛИ: EVINRUDE HE15KCN 1996

ЦИЛИНДР & КАРТЕР ДВИГАТЕЛЯ | CYLINDER & CRANKCASE;


Подвесной мотор Evinrude HE15KCN 1996  - linder & Картер двигателя - linder & Crankcase

Номер на
рисунке
АртикулНаименованиеКол-во
на складе
Цена
1 0437983

Цилиндр & CCASE в сборе.. 10-15RPG Models Only (CYLINDER & CCASE ASSY.. 10-15RPG Models Only)

нет в наличии, поставок нет
1 0435233

   (последний код) CYL&CRKC-AY

нет в наличии, поставок нет
1 0437415

Цилиндр & CCASE в сборе.. 15KCN Models Only (CYLINDER & CCASE ASSY.. 15KCN Models Only)

нет в наличии, поставок нет
1 0438599

   (последний код) CYL&CCASE KERO

нет в наличии, поставок нет
1 0438595

Цилиндр & CCASE в сборе.. 15RPG-2 Models Only (CYLINDER & CCASE ASSY.. 15RPG-2 Models Only)

нет в наличии, поставок нет
1 0438599

Цилиндр & CCASE в сборе.. 15KCN-2 Models Only (CYLINDER & CCASE ASSY.. 15KCN-2 Models Only)

нет в наличии, поставок нет
1 0437415

   (последний код) CYL&CRKC AY

нет в наличии, поставок нет
2 0304178

DOWEL, Подшипник (DOWEL, Bearing)

нет в наличии, поставок нет
3 0300402

конус Штифт (TAPER PIN)

нет в наличии, поставок нет
4 0318622

Винт, Цилиндр to Картер двигателя (SCREW, Cylinder to crankcase)

нет в наличии, поставок нет
5 0307551

Заглушка, Flushing (PLUG, Flushing)

нет в наличии, поставок нет
5 0982851

   (последний код) SCREW-PLUG

нет в наличии, поставок нет
6 0311598

Шайба (WASHER)

нет в наличии, поставок нет
6 3852105

   (последний код) WASHER

нет в наличии, поставок нет
7 0338208

BELLКривошип, Переключающая тяга (BELLCRANK, Shift rod)

нет в наличии, поставок нет
8 0338234

Крышка термостата (COVER, Thermostat)

нет в наличии, поставок нет
9 0319537

Зажим, BellКривошип (CLIP, Bellcrank)

нет в наличии, поставок нет
10 0336637

BYPASS Крышка (BYPASS COVER)

1 шт3280 руб.
10 0333733

   (последний код) COVER

нет в наличии, поставок нет
11 0302504

Штифт, BellКривошип to Переключающая тяга (PIN, Bellcrank to shift rod)

нет в наличии, поставок нет
12 0319332

Прокладка, Bypass Крышка (GASKET, Bypass cover)

нет в наличии, поставок нет
13 0300646

Винт, Bypass Крышка (SCREW, Bypass cover)

нет в наличии, поставок нет
14 0338221

Головка блока цилиндра. 10-15RPG Models Only 15RPG-2 Models Only (CYLINDER HEAD. 10-15RPG Models Only 15RPG-2 Models Only)

нет в наличии, поставок нет
14 0341395

Головка блока цилиндра. 15KCN Models Only 15KCN-2 Models Only (CYLINDER HEAD. 15KCN Models Only 15KCN-2 Models Only)

нет в наличии, поставок нет
15 0308017

Винт, BellКривошип to Переключающая тяга (SCREW, Bellcrank to shift rod)

нет в наличии, поставок нет
16 0328724

Винт, Фиксатор пружины (SCREW, Detent spring)

нет в наличии, поставок нет
16 3852186

   (последний код) SCREW

нет в наличии, поставок нет
17 0435226

Вал & Рычаг переключателя (SHAFT & LEVER, Shift)

нет в наличии, поставок нет
18 0333706

Винт, Крышка (SCREW, Cover)

нет в наличии, поставок нет
19 0436195

Термостат в сборе. (THERMOSTAT ASSY.)

нет в наличии, поставок нет
20 0339713

Шланг, Overboard Индикатор (HOSE, Overboard indicator)

нет в наличии, поставок нет
21 0338222

Прокладка головки блока цилиндра (GASKET, Cylinder head)

нет в наличии, поставок нет
22 0319226

Винт, Головка блока цилиндра (SCREW, Cylinder head)

нет в наличии, поставок нет
23 0435266

Кожух выхлопной трубы, Outer (EXHAUST COVER, Outer)

нет в наличии, поставок нет
24 0328497

Кожух выхлопной трубы, Inner (EXHAUST COVER, Inner)

нет в наличии, поставок нет
25 0318925

Прокладка кожуха выхлопной трубы (GASKET, Exhaust cover)

нет в наличии, поставок нет
26 0302288

Винт, Кожух выхлопной трубы (SCREW, Exhaust cover)

нет в наличии, поставок нет
26 3852043

   (последний код) SCREW

нет в наличии, поставок нет
27 0339208

Проставка, Переключающий вал (SPACER, Shift shaft)

нет в наличии, поставок нет
28 0336947

Сальник, Крышка (SEAL, Cover)

нет в наличии, поставок нет
29 0330212

SPРезервное кольцо, Сдвижной переключатель (SPRING, Backup, shift detent)

нет в наличии, поставок нет
30 0330913

Пружина переключателя detent (SPRING, Shift detent)

нет в наличии, поставок нет
30 0329246

   (последний код) SPRING

нет в наличии, поставок нет
31 0437684

Свеча зажигания, Champion QL82C. 10-15RPG Models Only 15RPG-2 Models Only (SPARK PLUG, Champion QL82C. 10-15RPG Models Only 15RPG-2 Models Only)

нет в наличии, поставок нет
31 0384771

Свеча зажигания, Champion UL77V. 15KCN Models Only 15KCN-2 Models Only (SPARK PLUG, Champion UL77V. 15KCN Models Only 15KCN-2 Models Only)

нет в наличии, поставок нет
31 0393106

   (последний код) SP-PLUG NGK BUHXW-1

нет в наличии, поставок нет
31 0386941

Свеча зажигания, Champion L77J4. Опции (SPARK PLUG, Champion L77J4. Optional)

нет в наличии, поставок нет
31 4002080

   (последний код) SP-PLUG L77J

нет в наличии, поставок нет
31 0432424

Свеча зажигания, Champion QL16V. Опции (SPARK PLUG, Champion QL16V. Optional)

нет в наличии, поставок нет
31 0502178

   (последний код) Champion SPARK PLUG QL16V MAR4

нет в наличии, поставок нет
31 0433627

Свеча зажигания, Champion L16V. Опции (SPARK PLUG, Champion L16V. Optional)

нет в наличии, поставок нет
31 0502894

   (последний код) Champion SPARK PLUG L16V MAR4 (CS12209)

нет в наличии, поставок нет
31 0387633

Свеча зажигания, Champion QL77J4. Опции (SPARK PLUG, Champion QL77J4. Optional)

нет в наличии, поставок нет
31 0502180

   (последний код) Champion SPARK PLUG QL77JC4 MAR4

нет в наличии, поставок нет
32 0305650

Шплинт, BellКривошип (COTTER PIN, Bellcrank)

нет в наличии, поставок нет
32 3852052

   (последний код) PIN,COTTER

нет в наличии, поставок нет
33 0336179

Пружина, Термостат (SPRING, Thermostat)

нет в наличии, поставок нет
34 0335521

Втулка, Рычаг переключения (BUSHING, Shift lever)

нет в наличии, поставок нет
35 0305650

Шплинт, Переключатель Соединитель to bellКривошип (COTTER PIN, Shift link to bellcrank)

нет в наличии, поставок нет
35 3852052

   (последний код) PIN,COTTER

нет в наличии, поставок нет
36 0306049

Винт, Цилиндр to Картер двигателя (SCREW, Cylinder to crankcase)

нет в наличии, поставок нет
37 0304380

Пружинная шайба, BellКривошип (SPRING WASHER, Bellcrank)

нет в наличии, поставок нет
38 0330838

Винт стопора, W.O.T. (SCREW, Stop, W.O.T.)

нет в наличии, поставок нет
38 0329268

   (последний код) SCREW

нет в наличии, поставок нет
39 0511421

Шайба, Рычаг дросселя (WASHER, Throttle lever)

нет в наличии, поставок нет
40 0338250

Проставка, Рычаг дросселя (SPACER, Throttle lever)

нет в наличии, поставок нет
41 0437694

Диафрагма, Термостат. 10-15RPG Models Only 15RPG-2 Models Only (DIAPHRAGM, Thermostat. 10-15RPG Models Only 15RPG-2 Models Only)

нет в наличии, поставок нет
41 0435957

Диафрагма, Термостат. 15KCN Models Only 15KCN-2 Models Only (DIAPHRAGM, Thermostat. 15KCN Models Only 15KCN-2 Models Only)

нет в наличии, поставок нет
42 0336183

Cвыше, Термостат (CUP, Thermostat)

нет в наличии, поставок нет
43 0336178

Корпус, Термостат (HOUSING, Thermostat)

нет в наличии, поставок нет
44 0339692

Гильза (SLEEVE)

нет в наличии, поставок нет
45 0336211

Пружина, Термостат. 10-15RPG Models Only 15RPG-2 Models Only (SPRING, Thermostat. 10-15RPG Models Only 15RPG-2 Models Only)

нет в наличии, поставок нет
45 0446318

Пружина, Термостат. 15KCN Models Only 15KCN-2 Models Only (SPRING, Thermostat. 15KCN Models Only 15KCN-2 Models Only)

нет в наличии, поставок нет
46 0336185

Шайба, Крышка to Диафрагма (WASHER, Cover to diaphragm)

нет в наличии, поставок нет
47 0435714

Рычаг дросселя (THROTTLE LEVER)

нет в наличии, поставок нет
48 0338295

Тяга дросселя Рычаг (LINK, Throttle lever)

нет в наличии, поставок нет
49 0338237

Штифт кабеля дросселя to Рычаг (PIN, Throttle cable to lever)

нет в наличии, поставок нет
50 0305652

Винт дросселя Рычаг (SCREW, Throttle lever)

нет в наличии, поставок нет
50 0310743

   (последний код) SCREW

нет в наличии, поставок нет
51 0330838

Винт дросселя Рычаг stop (SCREW, Throttle lever stop)

нет в наличии, поставок нет
51 0329268

   (последний код) SCREW

нет в наличии, поставок нет
52 0332203

Винт, Bypass Крышка (SCREW, Bypass cover)

нет в наличии, поставок нет
53 0336597

OVERBOARD Индикатор (OVERBOARD INDICATOR)

нет в наличии, поставок нет
54 0328702

Шайба, BellКривошип (WASHER, Bellcrank)

нет в наличии, поставок нет
54 3852183

   (последний код) WASHER

нет в наличии, поставок нет
55 0436358

POWERHEAD Комплект прокладок (POWERHEAD GASKET SET)

нет в наличии, поставок нет
evinrude

Время выполнения запроса 2.7165858745575 сек.


 
 

данный сайт носит информационный характер и не является публичной офертой

склад запчастей для водомоторной техники