вконтакте

Контактный телефон: +7 (981) 121-46-93, +7 (800) 200-90-76 , Email: parts-katalog@yandex.ru, где купить

 
 

  Логин:

Пароль:

Регистрация

www.partskatalog.ru Все каталоги Запчасти Mercury Запчасти Suzuki Запчасти Tohatsu Запчасти Honda Контакты


Все разделы каталога запчастей на этот двигатель

назад Раздел:   вперёд

вернуться к списку узлов и деталей

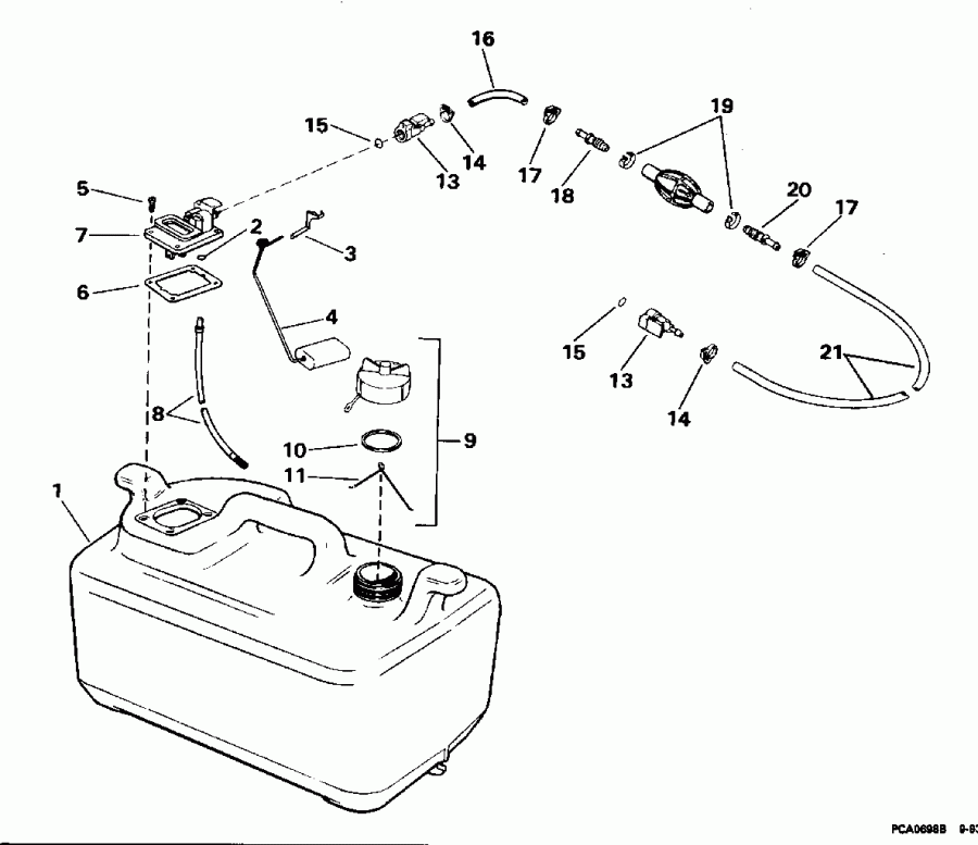
ДЕТАЛИРОВКА ДЛЯ МОДЕЛИ: EVINRUDE SE40RPYH 1996

ТОПЛИВНЫЙ БАК - 6 ГАЛЛОН P / N 175303 | FUEL TANK - 6 GALLON P/N 175303;


Подвесной двигатель Эвинруд SE40RPYH 1996  - 6 Gallon P/n 175303 / 6 галлон P / n 175303

Номер на
рисунке
АртикулНаименованиеКол-во
на складе
Цена
1 0175303

Топливный бак (FUEL TANK)

нет в наличии, поставок нет
1 0763900

   (последний код) TANK AY, 6 GALLON

нет в наличии, поставок нет
2 0124358

Уплотнительное кольцо, Трубка to Корпус (O-RING, Tube to housing)

нет в наличии, поставок нет
3 0125522

Фиксатор, Индикатор & Трубка (RETAINER, Indicator & tube)

нет в наличии, поставок нет
4 0175379

Индикатор & Поплавок в сборе., Fuel (INDICATOR & FLOAT ASSY., Fuel)

нет в наличии, поставок нет
4 0125523

   (последний код) INDICATOR,FUEL

нет в наличии, поставок нет
5 0125529

Винт, Корпус to tank (SCREW, Housing to tank)

нет в наличии, поставок нет
6 0125530

Прокладка, Корпус to tank (GASKET, Housing to tank)

нет в наличии, поставок нет
6 0332403

   (последний код) GASKET

нет в наличии, поставок нет
7 0174791

Корпус, Клапан & Индикатор. Replaced by: 176468 для Сервис of 3 галлон Tanks 176469 для Сервис of 6 галлон Tanks (HOUSING, Valve & indicator. Replaced by: 176468 for service of 3 Gallon Tanks 176469 for service of 6 Gallon Tanks)

нет в наличии, поставок нет
8 0434182

Трубка & SCREEN (TUBE & SCREEN)

нет в наличии, поставок нет
9 0174793

Колпачок, Gas (CAP, Gas)

нет в наличии, поставок нет
9 0175978

   (последний код) CAP AY,GASOLINE

нет в наличии, поставок нет
10 0123231

Прокладка, Fuel Колпачок (GASKET, Fuel cap)

нет в наличии, поставок нет
11 0552331

ANCHOR, Fuel Колпачок (ANCHOR, Fuel cap)

нет в наличии, поставок нет
11 0120430

   (последний код) HOOK-GAS CAP

нет в наличии, поставок нет
0398549 0398549

FUEL CONN., Шланг, & Топливный шланг с грушей и коннекторами.. Not Shown (FUEL CONN., HOSE, & PRIMER BULB ASSY.. Not Shown)

нет в наличии, поставок нет
0398549 0775635

   (последний код) KIT-HOSE & BULB AY

нет в наличии, поставок нет
13 0174508

Топливный шланг Коннектор KIT (FUEL HOSE CONNECTOR KIT)

нет в наличии, поставок нет
13 0775640

   (последний код) FUEL CONN KIT 5/16

нет в наличии, поставок нет
14 0322652

Струбцина, Защелка (CLAMP, Snap)

нет в наличии, поставок нет
14 3852170

   (последний код) CLAMP,SNAP

нет в наличии, поставок нет
15 0334913

Уплотнительное кольцо (O-RING)

нет в наличии, поставок нет
15 0331380

   (последний код) O-RING-10PK

нет в наличии, поставок нет
16 0

Шланг, Short, 19 1 / 2 дюйм (495 мм) сокращёная длина from 333341 - 5 / 16 дюйм I.D., 25 фут (7, 6m) Roll (HOSE, Short, 19 1/2 in. (495mm). Cut to Length from 333341 - 5/16 in. I.D., 25 ft. (7,6m) Roll)

нет в наличии, поставок нет
0174511 0174511

Топливная груша KIT. Not Shown (PRIMER BULB KIT. Not Shown)

нет в наличии, поставок нет
0174511 0775638

   (последний код) PRIM BULB KIT 5/16

нет в наличии, поставок нет
17 0322652

Струбцина, Защелка (CLAMP, Snap)

нет в наличии, поставок нет
17 3852170

   (последний код) CLAMP,SNAP

нет в наличии, поставок нет
18 0397525

Ниппель & Клапан в сборе., вход (NIPPLE & VALVE ASSY., Inlet)

нет в наличии, поставок нет
18 0393511

   (последний код) NIPPLE&VALVE AY

нет в наличии, поставок нет
19 0553166

Струбцина, Ремешок, large (CLAMP, Band, large)

нет в наличии, поставок нет
20 0396462

Ниппель & Клапан в сборе., выход (NIPPLE & VALVE ASSY., Outlet)

нет в наличии, поставок нет
20 0383720

   (последний код) NIPPLE & VLVE

нет в наличии, поставок нет
21 0

Шланг, Long, 99 дюйм (2515 мм) сокращёная длина from 333341 - 5 / 16 дюйм I.D., 25 фут (7, 6m) Roll (HOSE, Long, 99 in. (2515mm). Cut to Length from 333341 - 5/16 in. I.D., 25 ft. (7,6m) Roll)

нет в наличии, поставок нет
evinrude

Время выполнения запроса 0.56997084617615 сек.


 
 

данный сайт носит информационный характер и не является публичной офертой

склад запчастей для водомоторной техники