вконтакте

Контактный телефон: +7 (981) 121-46-93, +7 (800) 200-90-76 , Email: parts-katalog@yandex.ru, где купить

 
 

  Логин:

Пароль:

Регистрация

www.partskatalog.ru Все каталоги Запчасти Mercury Запчасти Suzuki Запчасти Tohatsu Запчасти Honda Контакты


Все разделы каталога запчастей на этот двигатель

назад Раздел:   вперёд

вернуться к списку узлов и деталей

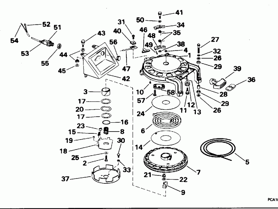
ДЕТАЛИРОВКА ДЛЯ МОДЕЛИ: EVINRUDE E45RCLEDS 1996

REWIND СТАРТЕР | REWIND STARTER;


Лодочный подвесной мотор Эвинруд E45RCLEDS 1996  - wind Стартер / wind Starter

Номер на
рисунке
АртикулНаименованиеКол-во
на складе
Цена
0397903 0397903

REWIND Стартер в сборе.. Not Shown (REWIND STARTER ASSY.. Not Shown)

нет в наличии, поставок нет
0397903 0438104

   (последний код) REWIND STARTER AY.

нет в наличии, поставок нет
1 0332910

Корпус, Стартер (HOUSING, Starter)

нет в наличии, поставок нет
1 0326065

   (последний код) STARTER-HSG

нет в наличии, поставок нет
2 0331979

Винт, Pawl Пластина to Корпус (SCREW, Pawl plate to housing)

нет в наличии, поставок нет
3 0341063

Втулка, Шкив стартера (BUSHING, Starter pulley)

нет в наличии, поставок нет
3 0325432

   (последний код) BUSHING

нет в наличии, поставок нет
4 0328741

Гайка (NUT)

нет в наличии, поставок нет
4 0304753

   (последний код) NUT

нет в наличии, поставок нет
5 0

Шнур. Cut from 100 фут (30, 5m) Roll, Part № 316705, Cutting Length 96 1 / 2 дюйм (2451 мм) (ROPE. Cut from 100 ft. (30,5m) Roll, Part No. 316705, Cutting Length 96 1/2 in. (2451mm))

нет в наличии, поставок нет
6 0325431

Пружина стартера (SPRING, Starter)

нет в наличии, поставок нет
7 0394604

Шкив стартера (PULLEY, Starter)

нет в наличии, поставок нет
7 0325756

   (последний код) PULLEY

нет в наличии, поставок нет
8 0326120

Пружина, Пластина to Корпус (SPRING, Plate to housing)

нет в наличии, поставок нет
9 0398228

PAWL, Стартер (PAWL, Starter)

нет в наличии, поставок нет
9 0390305

   (последний код) STR-PAWL&PIN

нет в наличии, поставок нет
10 0121266

GLIDE Штифт, Корпус стартера (GLIDE PIN, Starter housing)

нет в наличии, поставок нет
11 0327768

Винт, Направляющая шнура Шкив (SCREW, Rope guide pulley)

нет в наличии, поставок нет
11 0323661

   (последний код) SCREW

нет в наличии, поставок нет
12 0398519

Шкив & Уплотнительное кольцо в сборе. (PULLEY & O-RING ASSY.)

нет в наличии, поставок нет
12 0438103

   (последний код) PULLEY&O-RING AY

нет в наличии, поставок нет
13 0339543

Уплотнительное кольцо (O-RING)

нет в наличии, поставок нет
13 0303059

   (последний код) O RING

нет в наличии, поставок нет
14 0326131

SHIELD, Пружина стартера to Шкив (SHIELD, Starter spring to pulley)

нет в наличии, поставок нет
15 0326132

Пружина, Пластина return (SPRING, Plate return)

нет в наличии, поставок нет
16 0326119

Стопорное кольцо (RETAINING RING)

нет в наличии, поставок нет
17 0340817

Шайба, Шкив retaining (WASHER, Pulley retaining)

нет в наличии, поставок нет
17 0325433

   (последний код) PLATE

нет в наличии, поставок нет
18 0432111

Пластина & Гильза в сборе., Шкив (PLATE & SLEEVE ASSY., Pulley)

нет в наличии, поставок нет
18 0326121

   (последний код) PAWL-PLATE

нет в наличии, поставок нет
19 0334350

Гильза, Пластина (SLEEVE, Plate)

нет в наличии, поставок нет
20 0309515

Пружинная шайба, Retaining Шайба (SPRING WASHER, Retaining washer)

нет в наличии, поставок нет
21 0311015

Втулка, Стартер pawl (BUSHING, Starter pawl)

нет в наличии, поставок нет
21 3852094

   (последний код) BUSHING

нет в наличии, поставок нет
22 0326964

Пружинная шайба, Втулка to pawl (SPRING WASHER, Bushing to pawl)

нет в наличии, поставок нет
23 0331929

Бампер, Pawl Пластина (BUMPER, Pawl plate)

нет в наличии, поставок нет
24 0325429

SHIELD, Пружина стартера to Корпус (SHIELD, Starter spring to housing)

нет в наличии, поставок нет
25 0328700

Шайба, Pawl Пластина to Корпус (WASHER, Pawl plate to housing)

нет в наличии, поставок нет
25 0331250

   (последний код) WASHER

нет в наличии, поставок нет
26 0911009

Шайба, Корпус стартера (WASHER, Starter housing)

нет в наличии, поставок нет
26 0301250

   (последний код) WASHER

нет в наличии, поставок нет
27 0326248

Винт, Корпус (SCREW, Housing)

нет в наличии, поставок нет
28 0326129

Гильза, Корпус стартера (SLEEVE, Starter housing)

нет в наличии, поставок нет
29 0326130

Пыльник, Винт (GROMMET, Screw)

нет в наличии, поставок нет
30 0306861

Винт, Храповик (SCREW, Ratchet)

нет в наличии, поставок нет
31 0328731

Винт, Lockout Кабели Креплениеing. Стартер Interlock Models Only (SCREW, Lockout cable mounting. Starter Interlock Models Only)

нет в наличии, поставок нет
31 0329265

   (последний код) SCREW

нет в наличии, поставок нет
32 0306470

Шайба с блокировкой, Корпус стартера (LOCK WASHER, Starter housing)

нет в наличии, поставок нет
32 3852061

   (последний код) LOCKWASHER

нет в наличии, поставок нет
33 0306470

Шайба с блокировкой, Храповик (LOCK WASHER, Ratchet)

нет в наличии, поставок нет
33 3852061

   (последний код) LOCKWASHER

нет в наличии, поставок нет
34 0330276

LOCKOUT Рычаг, Slide. Стартер Interlock Models Only (LOCKOUT LEVER, Slide. Starter Interlock Models Only)

нет в наличии, поставок нет
35 0326128

Пружина, Lockout Рычаг. Стартер Interlock Models Only (SPRING, Lockout lever. Starter Interlock Models Only)

нет в наличии, поставок нет
36 0304325

ANCHOR, Рукоятка стартера (ANCHOR, Starter handle)

нет в наличии, поставок нет
36 0350249

   (последний код) ANCHOR

нет в наличии, поставок нет
37 0329211

Храповик, Маховик dome (RATCHET, Flywheel dome)

нет в наличии, поставок нет
37 0326110

   (последний код) RATCHET

нет в наличии, поставок нет
38 0326609

Шайба с блокировкойout Рычаг. Стартер Interlock Models Only (WASHER, Lockout lever. Starter Interlock Models Only)

нет в наличии, поставок нет
39 0326249

Рукоятка стартера (HANDLE, Starter)

нет в наличии, поставок нет
40 0328456

Струбцина, Lockout Кабели. Стартер Interlock Models Only (CLAMP, Lockout cable. Starter Interlock Models Only)

нет в наличии, поставок нет
41 0319415

Винт, Lockout Рычаг. Стартер Interlock Models Only (SCREW, Lockout lever. Starter Interlock Models Only)

нет в наличии, поставок нет
42 0340771

Кронштейн, Рукоятка стартера (BRACKET, Starter handle)

нет в наличии, поставок нет
42 0436662

   (последний код) BRACKET&PLUG AY

нет в наличии, поставок нет
43 0327768

Винт, Handle Кронштейн (SCREW, Handle bracket)

нет в наличии, поставок нет
43 0323661

   (последний код) SCREW

нет в наличии, поставок нет
44 0326136

Пыльник, Handle Кронштейн (GROMMET, Handle bracket)

нет в наличии, поставок нет
45 0331249

Шайба, Handle Кронштейн Креплениеing (WASHER, Handle bracket mounting)

нет в наличии, поставок нет
45 0330155

   (последний код) WASHER

нет в наличии, поставок нет
46 0330338

SLIDE, Блокировка стартераout. Стартер Interlock Models Only (SLIDE, Starter lockout. Starter Interlock Models Only)

нет в наличии, поставок нет
46 0326133

   (последний код) SLIDE

нет в наличии, поставок нет
47 0436201

Кабели в сборе., Lockout. Стартер Interlock Models Only (CABLE ASSY., Lockout. Starter Interlock Models Only)

нет в наличии, поставок нет
47 0395008

   (последний код) CABLE ASSY

нет в наличии, поставок нет
48 0437040

LOCKOUT Рычаг в сборе.. Стартер Interlock Models Only (LOCKOUT LEVER ASSY.. Starter Interlock Models Only)

нет в наличии, поставок нет
48 0436858

   (последний код) LEVER-AY,LOC

нет в наличии, поставок нет
49 0331515

Пыльник. Стартер Interlock Models Only (GROMMET. Starter Interlock Models Only)

нет в наличии, поставок нет
50 0328708

Шайба с блокировкойout. Стартер Interlock Models Only (WASHER, Lockout. Starter Interlock Models Only)

нет в наличии, поставок нет
51 0585024

Выключатель двигателя в сборе.. Models Without Стартер Interlock Only (STOP SWITCH ASSY.. Models Without Starter Interlock Only)

нет в наличии, поставок нет
51 0585100

   (последний код) SWITCH AY,STOP

нет в наличии, поставок нет
52 0510818

Клемма Кольцо (TERMINAL RING)

нет в наличии, поставок нет
52 3854243

   (последний код) TERMINAL,RIN

нет в наличии, поставок нет
53 0513437

Сальник (SEAL)

нет в наличии, поставок нет
54 0513423

Клемма, Socket (TERMINAL, Socket)

нет в наличии, поставок нет
54 3855267

   (последний код) TERMINAL

нет в наличии, поставок нет
55 0328169

Гайка, Stop Переключатель to Крышка. Models Without Стартер Interlock Only (NUT, Stop switch to cover. Models Without Starter Interlock Only)

нет в наличии, поставок нет
56 0320978

Заглушка, Stop Переключатель. Стартер Interlock Models Only (PLUG, Stop switch. Starter Interlock Models Only)

нет в наличии, поставок нет
57 0339824

Винт, Sвышеport (SCREW, Support)

нет в наличии, поставок нет
58 0341171

SвышеPORT, Шкив стартера (SUPPORT, Starter pulley)

нет в наличии, поставок нет
evinrude

Время выполнения запроса 2.9240508079529 сек.


 
 

данный сайт носит информационный характер и не является публичной офертой

склад запчастей для водомоторной техники