вконтакте

Контактный телефон: +7 (981) 121-46-93, +7 (800) 200-90-76 , Email: parts-katalog@yandex.ru, где купить

 
 

  Логин:

Пароль:

Регистрация

www.partskatalog.ru Все каталоги Запчасти Mercury Запчасти Suzuki Запчасти Tohatsu Запчасти Honda Контакты


Все разделы каталога запчастей на этот двигатель

назад Раздел:   вперёд

вернуться к списку узлов и деталей

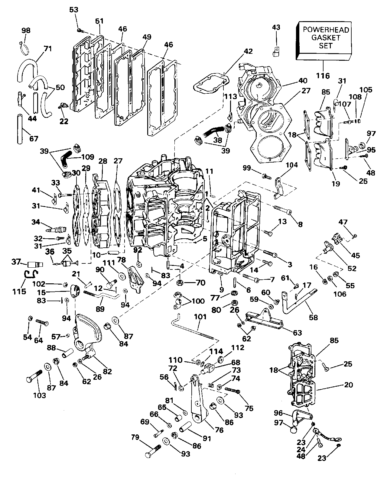
ДЕТАЛИРОВКА ДЛЯ МОДЕЛИ: EVINRUDE E100WTXEDR 1996

ЦИЛИНДР & КАРТЕР ДВИГАТЕЛЯ | CYLINDER & CRANKCASE;


 Эвинруд E100WTXEDR 1996  - linder & Картер двигателя

Номер на
рисунке
АртикулНаименованиеКол-во
на складе
Цена
1 0431657

Цилиндр Картер двигателя в сборе. (CYLINDER CRANKCASE ASSY.)

нет в наличии, поставок нет
1 0397206

   (последний код) CYL,C-CASE-A

нет в наличии, поставок нет
2 0304178

Шпонка Подшипник (PIN, Dowel bearing)

нет в наличии, поставок нет
3 0319592

Винт, Цилиндр to ccase, center (SCREW, Cylinder to ccase, center)

нет в наличии, поставок нет
4 0321640

Шпилька, Rear (STUD, Rear)

нет в наличии, поставок нет
5 0310507

Заглушка, Oil hole (PLUG, Oil hole)

нет в наличии, поставок нет
6 0314616

Шпилька, Front (STUD, Front)

нет в наличии, поставок нет
6 0324811

   (последний код) STUD-CYL

нет в наличии, поставок нет
7 0318907

Винт, Ccase, to Цилиндр, bottom (SCREW, Ccase, to cylinder, bottom)

нет в наличии, поставок нет
8 0318907

Винт, Ccase, to Цилиндр, top (SCREW, Ccase, to cylinder, top)

нет в наличии, поставок нет
9 0305070

Штифт, конус (PIN, Taper)

нет в наличии, поставок нет
10 0322411

DEFLECTOR, Water passage (DEFLECTOR, Water passage)

нет в наличии, поставок нет
11 0394884

Обратный клапан (CHECK VALVE)

нет в наличии, поставок нет
12 0305650

Шплинт, Кулачок дросселя (COTTER PIN, Throttle cam)

нет в наличии, поставок нет
12 3852052

   (последний код) PIN,COTTER

нет в наличии, поставок нет
13 0300646

Винт (SCREW)

нет в наличии, поставок нет
14 0306778

Винт, Цилиндр to Картер двигателя (SCREW, Cylinder to crankcase)

нет в наличии, поставок нет
15 0397018

YOKE & THUMBWHEEL (YOKE & THUMBWHEEL)

нет в наличии, поставок нет
16 0202026

Шайба, Рычаг переключения (WASHER, Shift lever)

нет в наличии, поставок нет
17 0330941

RETAINING Штифт (RETAINING PIN)

нет в наличии, поставок нет
18 0307133

Прокладка, Bypass Крышка (GASKET, Bypass cover)

нет в наличии, поставок нет
19 0323045

Крышка, Bypass (COVER, Bypass)

нет в наличии, поставок нет
19 0311240

   (последний код) COVER

нет в наличии, поставок нет
20 0310532

Крышка, Bypass, stbd. нижний (COVER, Bypass, stbd. lower)

нет в наличии, поставок нет
21 0310525

Штифт, Thumbwheel to cam (PIN, Thumbwheel to cam)

нет в наличии, поставок нет
22 0321886

ELBOW, Индикатор (ELBOW, Indicator)

нет в наличии, поставок нет
22 0321686

   (последний код) ELBOW

нет в наличии, поставок нет
23 0328701

Шайба с блокировкой, Заземление Хомут (LOCK WASHER, Ground strap)

нет в наличии, поставок нет
23 3852182

   (последний код) WASHER,LOCK

нет в наличии, поставок нет
24 0584472

Хомут, Заземление (STRAP, Ground)

нет в наличии, поставок нет
25 0306049

Винт, Bypass Крышка (SCREW, Bypass cover)

нет в наличии, поставок нет
26 0328737

Шайба (WASHER)

нет в наличии, поставок нет
26 0306561

   (последний код) WASHER

нет в наличии, поставок нет
27 0318358

Прокладка головки блока цилиндра (GASKET, Cylinder head)

нет в наличии, поставок нет
28 0329539

Головка блока цилиндра, Stbd. (CYLINDER HEAD, Stbd.)

нет в наличии, поставок нет
29 0318335

Прокладка крышки (GASKET, Cover)

нет в наличии, поставок нет
30 0318333

Крышка головки цилиндра (COVER, Cylinder head)

нет в наличии, поставок нет
30 0315279

   (последний код) -CYL-HD-COVE

нет в наличии, поставок нет
31 0330151

Струбцина, Timer leads & Шланг (CLAMP, Timer leads & hose)

нет в наличии, поставок нет
31 3852199

   (последний код) CLAMP,"J"

нет в наличии, поставок нет
32 0306409

Винт, Крышка головки цилиндра (SCREW, Cylinder head cover)

нет в наличии, поставок нет
33 0307267

Винт, Головка блока цилиндра (SCREW, Cylinder head)

нет в наличии, поставок нет
34 0432424

Свеча зажигания, QL16V. Radio Noise Sвышеpression (SPARK PLUG, QL16V. Radio Noise Suppression)

нет в наличии, поставок нет
34 0502178

   (последний код) Champion SPARK PLUG QL16V MAR4

нет в наличии, поставок нет
34 0390659

Свеча зажигания, QL78V. Radio Noise Sвышеpression Опции (SPARK PLUG, QL78V. Radio Noise Suppression Optional)

нет в наличии, поставок нет
34 0502178

   (последний код) Champion SPARK PLUG QL16V MAR4

нет в наличии, поставок нет
34 0389471

Свеча зажигания, L78V. Опции (SPARK PLUG, L78V. Optional)

нет в наличии, поставок нет
34 0393435

   (последний код) SP-PLUG NGK BUHW-2

нет в наличии, поставок нет
35 0585220

Переключатель, температура (SWITCH, Temperature)

нет в наличии, поставок нет
36 0511469

Клемма, Штифт (TERMINAL, Pin)

нет в наличии, поставок нет
36 3852229

   (последний код) TERMINAL,PIN

нет в наличии, поставок нет
37 0513357

Коннектор, температура Переключатель (CONNECTOR, Temperature switch)

нет в наличии, поставок нет
37 3854845

   (последний код) CONNECTOR 513357

нет в наличии, поставок нет
38 0340976

Шланг, Головка блока цилиндра, port (HOSE, Cylinder head, port)

нет в наличии, поставок нет
38 0321723

   (последний код) HOSE

нет в наличии, поставок нет
39 0980863

Струбцина, Головка блока цилиндра Шланг (CLAMP, Cylinder head hose)

нет в наличии, поставок нет
40 0329538

Головка блока цилиндра, Port (CYLINDER HEAD, Port)

нет в наличии, поставок нет
41 0330151

Струбцина, Свеча зажигания leads (CLAMP, Spark plug leads)

нет в наличии, поставок нет
41 3852199

   (последний код) CLAMP,"J"

нет в наличии, поставок нет
42 0322858

Прокладка, Water passage (GASKET, Water passage)

нет в наличии, поставок нет
43 0310439

Струбцина, Motor Кабели (CLAMP, Motor cable)

нет в наличии, поставок нет
43 3852088

   (последний код) CLAMP,"J"

нет в наличии, поставок нет
44 0911103

TEE, Overboard drain (TEE, Overboard drain)

нет в наличии, поставок нет
45 0433817

Рычаг штока переключения (LEVER, Shift rod)

нет в наличии, поставок нет
46 0317914

Прокладка кожуха выхлопной трубы (GASKET, Exhaust cover)

нет в наличии, поставок нет
47 0317851

Винт, Рычаг (SCREW, Lever)

нет в наличии, поставок нет
47 0326505

   (последний код) CYL HD,STBD-CV4

нет в наличии, поставок нет
48 0324334

Винт, Sprt. brkt. to bypass Крышка (SCREW, Sprt. brkt. to bypass cover)

нет в наличии, поставок нет
48 0302820

   (последний код) SCREW

нет в наличии, поставок нет
49 0322689

Выхлопная крышка inner (COVER, Exhaust inner)

нет в наличии, поставок нет
50 0327721

Шланг, Elbow to tee (HOSE, Elbow to tee)

нет в наличии, поставок нет
51 0329503

Выхлопная крышка outer (COVER, Exhaust outer)

нет в наличии, поставок нет
51 0323153

   (последний код) COVER-EXH

нет в наличии, поставок нет
52 0330935

Втулка, Тяга keeper (BUSHING, Rod keeper)

нет в наличии, поставок нет
53 0302288

Винт, Exhst. manfld. to cyl., short (SCREW, Exhst. manfld. to cyl., short)

нет в наличии, поставок нет
53 3852043

   (последний код) SCREW

нет в наличии, поставок нет
54 0328712

Гайка, Дроссель stop (NUT, Throttle stop)

нет в наличии, поставок нет
54 3852185

   (последний код) NUT

нет в наличии, поставок нет
55 0332126

Втулка, Рычаг переключения (BUSHING, Shift lever)

нет в наличии, поставок нет
56 0330145

Шплинт, Spark Рычаг (COTTER PIN, Spark lever)

нет в наличии, поставок нет
57 0320302

Втулка, Thumbwheel to cam (BUSHING, Thumbwheel to cam)

нет в наличии, поставок нет
58 0397044

Рычаг переключения (SHIFT LEVER)

нет в наличии, поставок нет
58 0397045

   (последний код) SHIFT-LEVER

нет в наличии, поставок нет
59 0303887

Шайба (WASHER)

нет в наличии, поставок нет
60 0315101

Втулка (BUSHING)

нет в наличии, поставок нет
60 0910272

   (последний код) BEARING

нет в наличии, поставок нет
61 0323264

Штифт (PIN)

нет в наличии, поставок нет
62 0328064

Гайка (NUT)

нет в наличии, поставок нет
62 0554477

   (последний код) NUT

нет в наличии, поставок нет
63 0395475

Соединитель & Штифт в сборе. (LINK & PIN ASSY.)

нет в наличии, поставок нет
63 0389882

   (последний код) LINK-PIN-AY

нет в наличии, поставок нет
64 0328693

Винт дросселя stop (SCREW, Throttle stop)

нет в наличии, поставок нет
65 0432572

Ролик колпачка folнижний (ROLLER, Cam follower)

нет в наличии, поставок нет
65 0329676

   (последний код) ROLLER,CAM FLWR

нет в наличии, поставок нет
66 0552783

Шайба, Ролик (WASHER, Roller)

нет в наличии, поставок нет
66 0125545

   (последний код) WASHER

нет в наличии, поставок нет
67 0331887

Шланг, Tee to Крышка (HOSE, Tee to cover)

нет в наличии, поставок нет
68 0334737

Фиксатор, Тяга spark advance (RETAINER, Rod spark advance)

нет в наличии, поставок нет
69 0329677

Винт, Ролик to Рычаг (SCREW, Roller to lever)

нет в наличии, поставок нет
70 0315204

Гайка, Rear (NUT, Rear)

нет в наличии, поставок нет
70 0316355

   (последний код) NUT

нет в наличии, поставок нет
71 0332851

Шланг, Suction (HOSE, Suction)

нет в наличии, поставок нет
71 0331138

   (последний код) HOSE

нет в наличии, поставок нет
72 0330179

Шайба, Spark advance Штифт (WASHER, Spark advance pin)

нет в наличии, поставок нет
72 0303304

   (последний код) WASHER

нет в наличии, поставок нет
73 0308993

Пружина, Idle adjust (SPRING, Idle adjust)

нет в наличии, поставок нет
74 0203688

Гайка, Idle adjust (NUT, Idle adjust)

нет в наличии, поставок нет
74 0328710

   (последний код) NUT-SCREW-ID

нет в наличии, поставок нет
75 0328699

Винт, Idle adjust (SCREW, Idle adjust)

нет в наличии, поставок нет
75 0328065

   (последний код) SCREW

нет в наличии, поставок нет
76 0330898

Рычаг, Spark Управление (LEVER, Spark control)

нет в наличии, поставок нет
77 0301250

Шайба, Front (WASHER, Front)

нет в наличии, поставок нет
77 0911009

   (последний код) WASHER

нет в наличии, поставок нет
78 0330985

Кулачок дросселя (THROTTLE CAM)

нет в наличии, поставок нет
79 0317968

Винт, Spark Управление (SCREW, Spark control)

нет в наличии, поставок нет
79 3852151

   (последний код) SCREW

нет в наличии, поставок нет
80 0306422

Гайка, Front (NUT, Front)

нет в наличии, поставок нет
81 0328739

Шайба, Ролик to Рычаг (WASHER, Roller to lever)

нет в наличии, поставок нет
81 3852190

   (последний код) WASHER

нет в наличии, поставок нет
82 0397084

Рычаг дросселя (LEVER, Throttle)

нет в наличии, поставок нет
83 0305650

Шплинт, Тяга дросселя (COTTER PIN, Throttle rod)

нет в наличии, поставок нет
83 3852052

   (последний код) PIN,COTTER

нет в наличии, поставок нет
84 0308532

Втулка рычага дросселя (BUSHING, Throttle lever)

нет в наличии, поставок нет
84 0122475

   (последний код) BUSHING

нет в наличии, поставок нет
85 0392754

Крышка, Bypass (COVER, Bypass)

нет в наличии, поставок нет
86 0308532

Втулка, Spark Управление (BUSHING, Spark control)

нет в наличии, поставок нет
86 0122475

   (последний код) BUSHING

нет в наличии, поставок нет
87 0908398

Шайба, Рычаг дросселя (WASHER, Throttle lever)

нет в наличии, поставок нет
88 0331577

Гильза, Рычаг дросселя (SLEEVE, Throttle lever)

нет в наличии, поставок нет
89 0330902

Тяга дросселя Рычаг to cam (ROD, Throttle lever to cam)

нет в наличии, поставок нет
90 0330933

Винт дросселя cam (SCREW, Throttle cam)

нет в наличии, поставок нет
91 0331577

Гильза, Spark Управление (SLEEVE, Spark control)

нет в наличии, поставок нет
92 0328703

Шайба, Кулачок дросселя (WASHER, Throttle cam)

нет в наличии, поставок нет
92 3852184

   (последний код) WASHER

нет в наличии, поставок нет
93 0908398

Шайба, Spark Управление (WASHER, Spark control)

нет в наличии, поставок нет
94 0328702

Шайба, Тяга дросселя (WASHER, Throttle rod)

нет в наличии, поставок нет
94 3852183

   (последний код) WASHER

нет в наличии, поставок нет
95 0319217

SвышеPORT BRACE, Port (SUPPORT BRACE, Port)

нет в наличии, поставок нет
96 0319218

SвышеPORT BRACE, Stbd. (SUPPORT BRACE, Stbd.)

нет в наличии, поставок нет
97 0313581

Бампер, Sвышеport brace (BUMPER, Support brace)

нет в наличии, поставок нет
98 0320107

Крепёжный хомут, Suction Шланг to stbd. cyl. head ho e (TIE STRAP, Suction hose to stbd. cyl. head ho e)

нет в наличии, поставок нет
98 5035626

   (последний код) BAND,REM CON

нет в наличии, поставок нет
99 0124341

Винт, Idle stop (SCREW, Idle stop)

нет в наличии, поставок нет
99 0338305

   (последний код) SCREW

нет в наличии, поставок нет
100 0395448

Шарик & SOCKET Подъемный механизм (BALL & SOCKET LINKAGE)

нет в наличии, поставок нет
100 0313703

   (последний код) BALL/395448

нет в наличии, поставок нет
101 0334739

Тяга, Spark advance (ROD, Spark advance)

нет в наличии, поставок нет
102 0313022

Гайка, Тяга дросселя (NUT, Throttle rod)

нет в наличии, поставок нет
102 3852118

   (последний код) NUT,LOCK

нет в наличии, поставок нет
103 0317968

Винт дросселя Рычаг (SCREW, Throttle lever)

нет в наличии, поставок нет
103 3852151

   (последний код) SCREW

нет в наличии, поставок нет
104 0332154

Пластина, Idle stop (PLATE, Idle stop)

нет в наличии, поставок нет
105 0328740

Гайка, Заземление (NUT, Ground)

нет в наличии, поставок нет
105 0306375

   (последний код) NUT

нет в наличии, поставок нет
106 0306012

BOW Шайба (BOW WASHER)

нет в наличии, поставок нет
107 0330143

Шпилька, Заземление (STUD, Ground)

нет в наличии, поставок нет
107 0311328

   (последний код) BOLT

нет в наличии, поставок нет
108 0328701

Шайба с блокировкой, Заземление (LOCK WASHER, Ground)

нет в наличии, поставок нет
108 3852182

   (последний код) WASHER,LOCK

нет в наличии, поставок нет
109 0340975

Шланг, Головка блока цилиндра, stbd. (HOSE, Cylinder head, stbd.)

нет в наличии, поставок нет
109 0321724

   (последний код) HOSE

нет в наличии, поставок нет
110 0328712

Гайка, Spark Управление Тяга (NUT, Spark control rod)

нет в наличии, поставок нет
110 3852185

   (последний код) NUT

нет в наличии, поставок нет
111 0328733

Шайба, Пружина кулачка дросселя (WASHER, Spring, throttle cam)

нет в наличии, поставок нет
112 0334738

THUMBWHEEL (THUMBWHEEL)

нет в наличии, поставок нет
113 0310439

Струбцина, Junction box leads (CLAMP, Junction box leads)

нет в наличии, поставок нет
113 3852088

   (последний код) CLAMP,"J"

нет в наличии, поставок нет
114 0304380

Шайба, Spark advance (WASHER, Spark advance)

нет в наличии, поставок нет
115 0512741

Фиксатор, температура Переключатель (RETAINER, Temperature switch)

нет в наличии, поставок нет
116 0391300

POWERHEAD Комплект прокладок (POWERHEAD GASKET SET)

нет в наличии, поставок нет
116 0439085

   (последний код) GSKT SET, PWHD CV4

нет в наличии, поставок нет
evinrude

Время выполнения запроса 3.9503169059753 сек.


 
 

данный сайт носит информационный характер и не является публичной офертой

склад запчастей для водомоторной техники