вконтакте

Контактный телефон: +7 (981) 121-46-93, +7 (800) 200-90-76 , Email: parts-katalog@yandex.ru, где купить

 
 

  Логин:

Пароль:

Регистрация

www.partskatalog.ru Все каталоги Запчасти Mercury Запчасти Suzuki Запчасти Tohatsu Запчасти Honda Контакты


Все разделы каталога запчастей на этот двигатель

назад Раздел:   вперёд

вернуться к списку узлов и деталей

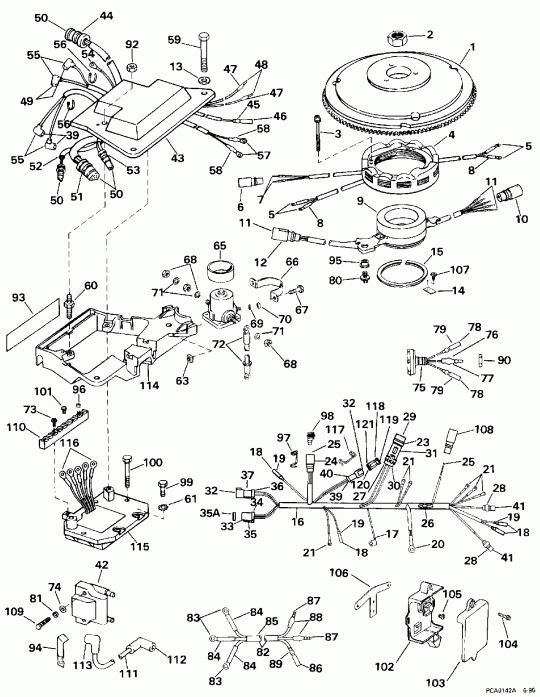
ДЕТАЛИРОВКА ДЛЯ МОДЕЛИ: EVINRUDE SE125WTPLV 1996

IGNITION SYSTEM | IGNITION SYSTEM;


Подвесной мотор Evinrude SE125WTPLV 1996  - nition System - nition System

Номер на
рисунке
АртикулНаименованиеКол-во
на складе
Цена
1 0583428

Маховик в сборе. (FLYWHEEL ASSY.)

нет в наличии, поставок нет
1 0583371

   (последний код) FLYWHL&RING

нет в наличии, поставок нет
2 0333263

Гайка, Маховик (NUT, Flywheel)

нет в наличии, поставок нет
3 0325042

Винт, Статор Креплениеing (SCREW, Stator mounting)

нет в наличии, поставок нет
3 0317599

   (последний код) SCREW

нет в наличии, поставок нет
4 0583410

Статор в сборе., 3 / 9 Amp (STATOR ASSY., 3/9 Amp)

нет в наличии, поставок нет
5 0511829

Кольцо Клемма (RING TERMINAL)

нет в наличии, поставок нет
5 3852233

   (последний код) TERMINAL,RIN

нет в наличии, поставок нет
6 0512746

Коннектор (CONNECTOR)

нет в наличии, поставок нет
7 0511469

Штифт (PIN)

нет в наличии, поставок нет
7 3852229

   (последний код) TERMINAL,PIN

нет в наличии, поставок нет
8 0510781

Гильза (SLEEVE)

нет в наличии, поставок нет
9 0583508

TIMER Основание & Датчик в сборе. (TIMER BASE & SENSOR ASSY.)

нет в наличии, поставок нет
9 0763782

   (последний код) TIMER BASE AY

нет в наличии, поставок нет
10 0512754

Коннектор (CONNECTOR)

нет в наличии, поставок нет
11 0511469

Штифт (PIN)

нет в наличии, поставок нет
11 3852229

   (последний код) TERMINAL,PIN

нет в наличии, поставок нет
12 0512750

Коннектор (CONNECTOR)

нет в наличии, поставок нет
12 3852242

   (последний код) CONN,4-PIN-R

нет в наличии, поставок нет
13 0329241

Шайба, Power pack (WASHER, Power pack)

нет в наличии, поставок нет
13 3852193

   (последний код) WASHER

нет в наличии, поставок нет
14 0326439

Струбцина, Timer Основание (CLAMP, Timer base)

нет в наличии, поставок нет
14 0316014

   (последний код) CLAMP-RETAIN

нет в наличии, поставок нет
15 0313666

Фиксатор, Timer Основание (RETAINER, Timer base)

нет в наличии, поставок нет
16 0586022

Двигатель Кабели в сборе. (ENGINE CABLE ASSY.)

нет в наличии, поставок нет
16 0585127

   (последний код) CABLE AY,MOTOR

нет в наличии, поставок нет
17 0512131

Клемма (TERMINAL)

нет в наличии, поставок нет
18 0512876

Клемма, Внешняя розетка (TERMINAL, Receptacle)

нет в наличии, поставок нет
18 3852244

   (последний код) TERMINAL,SOC

нет в наличии, поставок нет
19 0513186

Гильза (SLEEVE)

нет в наличии, поставок нет
19 3852248

   (последний код) SLEEVE,SKT-B

нет в наличии, поставок нет
20 0204053

Кольцо Клемма (RING TERMINAL)

нет в наличии, поставок нет
20 3852037

   (последний код) TERMINAL,RIN

нет в наличии, поставок нет
21 0511829

Кольцо Клемма (RING TERMINAL)

нет в наличии, поставок нет
21 3852233

   (последний код) TERMINAL,RIN

нет в наличии, поставок нет
23 0514021

Предохранитель, 20 Amp (FUSE, 20 Amp)

нет в наличии, поставок нет
24 0512750

Коннектор (CONNECTOR)

нет в наличии, поставок нет
24 3852242

   (последний код) CONN,4-PIN-R

нет в наличии, поставок нет
25 0511469

Штифт (PIN)

нет в наличии, поставок нет
25 3852229

   (последний код) TERMINAL,PIN

нет в наличии, поставок нет
26 0583898

DIODE KIT (DIODE KIT)

нет в наличии, поставок нет
26 3852258

   (последний код) KIT-AY,DIODE

нет в наличии, поставок нет
27 0514035

Клемма (TERMINAL)

нет в наличии, поставок нет
27 3858186

   (последний код) TERMINAL

нет в наличии, поставок нет
28 0513356

Коннектор (CONNECTOR)

нет в наличии, поставок нет
29 0514022

Заглушка, Предохранитель (PLUG, Fuse)

нет в наличии, поставок нет
30 0514033

Коннектор, Предохранитель (CONNECTOR, Fuse)

нет в наличии, поставок нет
31 0514491

Крышка, Предохранитель (COVER, Fuse)

нет в наличии, поставок нет
32 0514679

Клемма, Штифт (TERMINAL, Pin)

нет в наличии, поставок нет
33 0514680

Клемма, Socket (TERMINAL, Socket)

нет в наличии, поставок нет
34 0514683

LOCK WEDGE (LOCK WEDGE)

нет в наличии, поставок нет
35 0514687

Коннектор, 6-socket (CONNECTOR, 6-socket)

нет в наличии, поставок нет
35A 0514790

Сальник (SEAL)

нет в наличии, поставок нет
36 0514684

LOCK WEDGE (LOCK WEDGE)

нет в наличии, поставок нет
37 0514688

Коннектор, 6-Штифт (CONNECTOR, 6-pin)

нет в наличии, поставок нет
38 0514690

Заглушка (PLUG)

нет в наличии, поставок нет
39 0514696

Коннектор, 2-Штифт (CONNECTOR, 2-pin)

нет в наличии, поставок нет
40 0514697

LOCK WEDGE (LOCK WEDGE)

нет в наличии, поставок нет
41 0581656

Клемма, Socket (TERMINAL, Socket)

нет в наличии, поставок нет
41 3852257

   (последний код) TERMINAL AY,SCKT

нет в наличии, поставок нет
42 0582508

Катушка в сборе. (COIL ASSY.)

нет в наличии, поставок нет
43 0584041

POWER PACK (POWER PACK)

нет в наличии, поставок нет
43 0583489

   (последний код) POWERPACK AY

нет в наличии, поставок нет
44 0512749

Коннектор (CONNECTOR)

нет в наличии, поставок нет
44 3852241

   (последний код) CONN,4-SKT-P

нет в наличии, поставок нет
45 0513186

Гильза (SLEEVE)

нет в наличии, поставок нет
45 3852248

   (последний код) SLEEVE,SKT-B

нет в наличии, поставок нет
46 0512876

SOCKET, Клемма (SOCKET, Terminal)

нет в наличии, поставок нет
46 3852244

   (последний код) TERMINAL,SOC

нет в наличии, поставок нет
47 0513185

Гильза (SLEEVE)

нет в наличии, поставок нет
47 0512948

   (последний код) SLEEVE

нет в наличии, поставок нет
48 0512947

Клемма, Bullet (TERMINAL, Bullet)

нет в наличии, поставок нет
48 0910462

   (последний код) TERM.-60766-

нет в наличии, поставок нет
49 0512256

Штифт Внешняя розетка (PIN RECEPTACLE)

нет в наличии, поставок нет
50 0581656

SOCKET (SOCKET)

нет в наличии, поставок нет
50 3852257

   (последний код) TERMINAL AY,SCKT

нет в наличии, поставок нет
51 0512753

Коннектор, Timer Основание (CONNECTOR, Timer base)

нет в наличии, поставок нет
51 3852243

   (последний код) CONN,5-SKT-P

нет в наличии, поставок нет
52 0512745

Коннектор, зарядная катушка (CONNECTOR, Charge coil)

нет в наличии, поставок нет
53 0513356

Заглушка, Ignition Переключатель (PLUG, Ignition switch)

нет в наличии, поставок нет
54 0510818

Клемма, Заземление (TERMINAL, Ground)

нет в наличии, поставок нет
54 3854243

   (последний код) TERMINAL,RIN

нет в наличии, поставок нет
55 0512478

Крышка (COVER)

нет в наличии, поставок нет
56 0317893

Крепёжный хомут (TIE STRAP)

нет в наличии, поставок нет
56 3852149

   (последний код) TIE-STRAP

нет в наличии, поставок нет
57 0511829

Клемма (TERMINAL)

нет в наличии, поставок нет
57 3852233

   (последний код) TERMINAL,RIN

нет в наличии, поставок нет
58 0510781

Гильза (SLEEVE)

нет в наличии, поставок нет
59 0308743

Винт, Кронштейн, stbd. (SCREW, Bracket, stbd.)

нет в наличии, поставок нет
59 0342422

   (последний код) SCREW

нет в наличии, поставок нет
59 0324430

Винт, Кронштейн, port (SCREW, Bracket, port)

нет в наличии, поставок нет
59 0316658

   (последний код) SCREW

нет в наличии, поставок нет
60 0334109

Шпилька, Крышка Креплениеing (STUD, Cover mounting)

нет в наличии, поставок нет
61 0328701

Шайба с блокировкой, Заземление (LOCK WASHER, Ground)

нет в наличии, поставок нет
61 3852182

   (последний код) WASHER,LOCK

нет в наличии, поставок нет
62 0320107

TIE, Хомут (TIE, Strap)

нет в наличии, поставок нет
62 5035626

   (последний код) BAND,REM CON

нет в наличии, поставок нет
63 0203688

Гайка, Solenoid (NUT, Solenoid)

нет в наличии, поставок нет
63 0328710

   (последний код) NUT-SCREW-ID

нет в наличии, поставок нет
64 0582708

Соленоид стартера в сборе. (STARTER SOLENOID ASSY.)

нет в наличии, поставок нет
64 0586180

   (последний код) SOLENOID AY,START

нет в наличии, поставок нет
65 0311217

Гильза, Solenoid (SLEEVE, Solenoid)

нет в наличии, поставок нет
66 0330112

Струбцина, Solenoid Креплениеing (CLAMP, Solenoid mounting)

нет в наличии, поставок нет
66 0311218

   (последний код) CLAMP

нет в наличии, поставок нет
67 0302325

Винт, Solenoid Креплениеing (SCREW, Solenoid mounting)

нет в наличии, поставок нет
68 0311349

Гайка, Клемма (NUT, Terminal)

нет в наличии, поставок нет
69 0304454

Шайба с блокировкой, Клемма (LOCK WASHER, Terminal)

нет в наличии, поставок нет
70 0306556

Гайка, Клемма (NUT, Terminal)

нет в наличии, поставок нет
70 3852064

   (последний код) NUT

нет в наличии, поставок нет
71 0306470

Шайба с блокировкой, Клемма (LOCK WASHER, Terminal)

нет в наличии, поставок нет
71 3852061

   (последний код) LOCKWASHER

нет в наличии, поставок нет
71 0331259

Шайба с блокировкой (LOCK WASHER)

нет в наличии, поставок нет
72 0394925

LEAD, Стартер to solenoid (LEAD, Starter to solenoid)

нет в наличии, поставок нет
72 0383591

   (последний код) LEAD-AY

нет в наличии, поставок нет
73 0306644

Винт, Block to Кронштейн (SCREW, Block to bracket)

нет в наличии, поставок нет
73 0328730

   (последний код) SCREW

нет в наличии, поставок нет
74 0328703

Шайба, Катушка зажигания Креплениеing (WASHER, Ignition coil mounting)

нет в наличии, поставок нет
74 3852184

   (последний код) WASHER

нет в наличии, поставок нет
75 0584841

Переключатель в сборе., Tilt (SWITCH ASSY., Tilt)

нет в наличии, поставок нет
75 0585146

   (последний код) SWITCH AY,T&T

нет в наличии, поставок нет
76 0512947

BULLET Клемма (BULLET TERMINAL)

нет в наличии, поставок нет
76 0910462

   (последний код) TERM.-60766-

нет в наличии, поставок нет
77 0513185

Гильза (SLEEVE)

нет в наличии, поставок нет
77 0512948

   (последний код) SLEEVE

нет в наличии, поставок нет
78 0512876

SOCKET Клемма (SOCKET TERMINAL)

нет в наличии, поставок нет
78 3852244

   (последний код) TERMINAL,SOC

нет в наличии, поставок нет
79 0513186

Гильза, Socket (SLEEVE, Socket)

нет в наличии, поставок нет
79 3852248

   (последний код) SLEEVE,SKT-B

нет в наличии, поставок нет
80 0330368

Стержень втулки (PIVOT BUSHING)

нет в наличии, поставок нет
81 0328701

Шайба с блокировкой, Заземление (LOCK WASHER, Ground)

нет в наличии, поставок нет
81 3852182

   (последний код) WASHER,LOCK

нет в наличии, поставок нет
82 0583909

Кабели, Junction box to Переключатель (CABLE, Junction box to switch)

нет в наличии, поставок нет
83 0510780

Кольцо Клемма (RING TERMINAL)

нет в наличии, поставок нет
83 3852226

   (последний код) TERMINAL,RIN

нет в наличии, поставок нет
84 0510781

Гильза (SLEEVE)

нет в наличии, поставок нет
85 0511144

Трубопровод (TUBING)

нет в наличии, поставок нет
86 0512876

SOCKET (SOCKET)

нет в наличии, поставок нет
86 3852244

   (последний код) TERMINAL,SOC

нет в наличии, поставок нет
87 0512947

BULLET Клемма (BULLET TERMINAL)

нет в наличии, поставок нет
87 0910462

   (последний код) TERM.-60766-

нет в наличии, поставок нет
88 0513185

Гильза, Bullet (SLEEVE, Bullet)

нет в наличии, поставок нет
88 0512948

   (последний код) SLEEVE

нет в наличии, поставок нет
89 0513186

Гильза, Socket (SLEEVE, Socket)

нет в наличии, поставок нет
89 3852248

   (последний код) SLEEVE,SKT-B

нет в наличии, поставок нет
90 0334656

Гайка, Tilt Переключатель (NUT, Tilt switch)

нет в наличии, поставок нет
92 0328740

Гайка, Power pack (NUT, Power pack)

нет в наличии, поставок нет
92 0306375

   (последний код) NUT

нет в наличии, поставок нет
93 0333845

Наклейка, Клемма block wiКольцо (DECAL, Terminal block wiring)

нет в наличии, поставок нет
94 0316487

Фиксатор, Свеча зажигания leads (RETAINER, Spark plug leads)

нет в наличии, поставок нет
95 0329168

SOCKET, Стержень втулки (SOCKET, Pivot bushing)

нет в наличии, поставок нет
96 0328712

Гайка, Клемма block Шпилька (NUT, Terminal block stud)

нет в наличии, поставок нет
96 3852185

   (последний код) NUT

нет в наличии, поставок нет
97 0512743

Фиксатор (RETAINER)

нет в наличии, поставок нет
97 3852238

   (последний код) RETAINER,CON

нет в наличии, поставок нет
98 0335655

Сальник, Коннектор (SEAL, Connector)

нет в наличии, поставок нет
99 0122147

Винт, Регулятор, short (SCREW, Regulator, short)

нет в наличии, поставок нет
99 3852006

   (последний код) SCREW

нет в наличии, поставок нет
100 0335687

Винт, Регулятор, long (SCREW, Regulator, long)

нет в наличии, поставок нет
100 3852213

   (последний код) SCREW

нет в наличии, поставок нет
101 0329275

Винт, Клемма block (SCREW, Terminal block)

нет в наличии, поставок нет
101 3946004

   (последний код) VALVE STD

нет в наличии, поставок нет
102 0342201

Кронштейн коннектораs (BRACKET, Connectors)

нет в наличии, поставок нет
102 0341031

   (последний код) BRACKET,CONNECTORS

нет в наличии, поставок нет
103 0342265

Крышка, Кронштейн (COVER, Bracket)

нет в наличии, поставок нет
103 0341030

   (последний код) COVER,-CONN

нет в наличии, поставок нет
104 0330838

Винт, Крышка to Кронштейн (SCREW, Cover to bracket)

нет в наличии, поставок нет
104 0329268

   (последний код) SCREW

нет в наличии, поставок нет
105 0330838

Винт, Conn. brkt. to mntg. brkt. (SCREW, Conn. brkt. to mntg. brkt.)

нет в наличии, поставок нет
105 0329268

   (последний код) SCREW

нет в наличии, поставок нет
106 0514792

Кронштейн, Креплениеing (BRACKET, Mounting)

нет в наличии, поставок нет
107 0306014

Винт, Фиксатор Струбцина (SCREW, Retainer clamp)

нет в наличии, поставок нет
108 0513357

Внешняя розетка (RECEPTACLE)

нет в наличии, поставок нет
108 3854845

   (последний код) CONNECTOR 513357

нет в наличии, поставок нет
109 0331025

Винт, Coil Креплениеing (SCREW, Coil mounting)

нет в наличии, поставок нет
109 0308751

   (последний код) SCREW

нет в наличии, поставок нет
110 0584428

Клемма BLOCK, Includes #96 (TERMINAL BLOCK, Includes #96)

нет в наличии, поставок нет
111 0582365

LEAD в сборе., Катушка зажигания (LEAD ASSY., Ignition coil)

нет в наличии, поставок нет
111 0582135

   (последний код) LEAD

нет в наличии, поставок нет
112 0581027

Клемма & Крышка (TERMINAL & COVER)

нет в наличии, поставок нет
113 0580339

Клемма & Крышка (TERMINAL & COVER)

нет в наличии, поставок нет
113 0510232

   (последний код) COVER

нет в наличии, поставок нет
114 0583997

Электрика Кронштейн в сборе. (ELECTRICAL BRACKET ASSY.)

нет в наличии, поставок нет
114 0583418

   (последний код) ELECT.BRACKE

нет в наличии, поставок нет
115 0585192

Выпрямитель & Регулятор в сборе. (RECTIFIER & REGULATOR ASSY.)

нет в наличии, поставок нет
116 0511829

Кольцо Клемма (RING TERMINAL)

нет в наличии, поставок нет
116 3852233

   (последний код) TERMINAL,RIN

нет в наличии, поставок нет
117 0586078

Коннектор & Сальник (CONNECTOR & SEAL)

нет в наличии, поставок нет
118 0127287

LOCK WEDGE (LOCK WEDGE)

нет в наличии, поставок нет
119 0176295

Коннектор (CONNECTOR)

нет в наличии, поставок нет
120 0514788

Сальник (SEAL)

нет в наличии, поставок нет
121 0514690

Заглушка (PLUG)

нет в наличии, поставок нет
evinrude

Время выполнения запроса 9.8835861682892 сек.


 
 

данный сайт носит информационный характер и не является публичной офертой

склад запчастей для водомоторной техники