вконтакте

Контактный телефон: +7 (981) 121-46-93, +7 (800) 200-90-76 , Email: parts-katalog@yandex.ru, где купить

 
 

  Логин:

Пароль:

Регистрация

www.partskatalog.ru Все каталоги Запчасти Mercury Запчасти Suzuki Запчасти Tohatsu Запчасти Honda Контакты



УВАЖАЕМЫЕ КЛИЕНТЫ!
C 19 ДЕКАБРЯ 2025 ПО 02 МАРТА 2026 ГОДА ОТДЕЛ ЗАПЧАСТЕЙ И СЕРВИС РАБОТАТЬ НЕ БУДУТ
ПРОДАЖА ЛОДОЧНЫХ МОТОРОВ В ШТАТНОМ РЕЖИМЕ
ОБ ИЗМЕНЕНИЯХ В ГРАФИКЕ РАБОТЫ ЧИТАЙТЕ НА САЙТА




Все разделы каталога запчастей на этот двигатель

назад Раздел:   вперёд

вернуться к списку узлов и деталей

ДЕТАЛИРОВКА ДЛЯ МОДЕЛИ: EVINRUDE HE10FOLEUR 1997

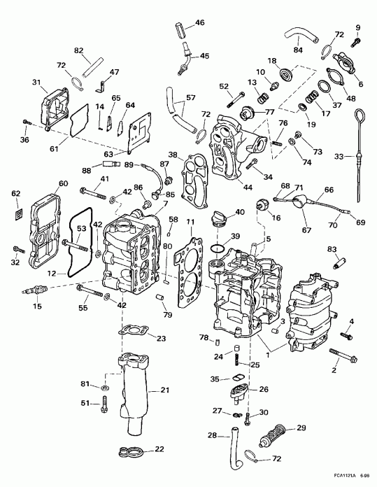
ЦИЛИНДР & КАРТЕР ДВИГАТЕЛЯ | CYLINDER & CRANKCASE;


Лодочный подвесной мотор EVINRUDE HE10FOLEUR 1997  - linder & Картер двигателя - linder & Crankcase

Номер на
рисунке
АртикулНаименованиеКол-во
на складе
Цена
1 0449503

Цилиндр & Картер двигателя в сборе. (CYLINDER & CRANKCASE ASSY.)

нет в наличии, поставок нет
2 0446047

Винт, Block (SCREW, Block)

нет в наличии, поставок нет
3 0446048

Шпонка (PIN, Dowel)

нет в наличии, поставок нет
4 0446046

Винт, Цилиндр to Картер двигателя (SCREW, Cylinder to crankcase)

нет в наличии, поставок нет
5 0446108

Гильза, Dipstick (SLEEVE, Dipstick)

нет в наличии, поставок нет
6 0449508

Крышка термостата (COVER, Thermostat)

нет в наличии, поставок нет
6 0445139

   (последний код) COVER & PLUG AY

нет в наличии, поставок нет
7 0445002

Головка блока цилиндра & Седло в сборе. (CYLINDER HEAD & SEAT ASSY.)

нет в наличии, поставок нет
9 0446046

Винт, Крышка термостата (SCREW, Cover, thermostat)

нет в наличии, поставок нет
10 0434671

Термостат в сборе. (THERMOSTAT ASSY.)

1 шт2340 руб.
11 0446114

Прокладка головки блока цилиндра (GASKET, Cylinder head)

нет в наличии, поставок нет
11 0446801

   (последний код) GASKET, CYL HEAD

нет в наличии, поставок нет
12 0446004

Сальник, Крышка головки цилиндра (SEAL, Cover, cylinder head)

нет в наличии, поставок нет
13 0336179

Пружина, Термостат (SPRING, Thermostat)

нет в наличии, поставок нет
14 0446009

Винт, Reed stop (SCREW, Reed stop)

нет в наличии, поставок нет
15 0445098

Свеча зажигания, Champion, P10Y (SPARK PLUG, Champion, P10Y)

нет в наличии, поставок нет
15 0449537

   (последний код) Champion SPARK PLUG RP10HC MAR4

нет в наличии, поставок нет
16 0445037

OIL Переключатель (OIL SWITCH)

нет в наличии, поставок нет
17 0446438

Пружина давления relief (SPRING, Pressure relief)

нет в наличии, поставок нет
18 0435957

Диафрагма & Cвыше в сборе. (DIAPHRAGM & CUP ASSY.)

нет в наличии, поставок нет
19 0336183

Cвыше (CUP)

нет в наличии, поставок нет
21 0445011

Трубка в сборе., Выхлоп (TUBE ASSY., Exhaust)

нет в наличии, поставок нет
21 0445095

Трубка в сборе., Выхлоп. "B" Prefix Models Only (TUBE ASSY., Exhaust. "B" Prefix Models Only)

нет в наличии, поставок нет
22 0446074

Сальник выхлопной трубки (SEAL, Exhaust tube)

нет в наличии, поставок нет
23 0446075

Прокладка выхлопной трубы to cyl. head. 8 H.P. Only (GASKET, Exhaust tube to cyl. head. 8 H.P. Only)

нет в наличии, поставок нет
23 0446452

Прокладка выхлопной трубы to cyl. head. 9.9 H.P. Only (GASKET, Exhaust tube to cyl. head. 9.9 H.P. Only)

нет в наличии, поставок нет
24 0446081

RELIEF Клапан (RELIEF VALVE)

нет в наличии, поставок нет
25 0446080

Пружина освобождения клапана (SPRING, Relief valve)

нет в наличии, поставок нет
26 0445097

Корпус, Relief Клапан (HOUSING, Relief valve)

нет в наличии, поставок нет
26 0449506

   (последний код) HOUSING-AY,R

нет в наличии, поставок нет
27 0446311

Струбцина масляного шланга to Корпус (CLAMP, Oil hose to housing)

нет в наличии, поставок нет
28 0446085

Масляный шланг suction (HOSE, Oil suction)

нет в наличии, поставок нет
29 0338520

SCREEN, Oil (SCREEN, Oil)

нет в наличии, поставок нет
30 0446046

Винт, Hsg., relief Клапан to cyl. block (SCREW, Hsg., relief valve to cyl. block)

нет в наличии, поставок нет
31 0446001

Крышка в сборе, Сапун (COVER ASSY., Breather)

нет в наличии, поставок нет
32 0446046

Винт, Крышка головки цилиндра (SCREW, Cylinder head cover)

нет в наличии, поставок нет
33 0445020

DIPSTICK, Oil (DIPSTICK, Oil)

нет в наличии, поставок нет
34 0446032

Винт, Система впуска to Головка блока цилиндра (SCREW, Intake to cylinder head)

нет в наличии, поставок нет
35 0446082

Сальник, Корпус, relief Клапан (SEAL, Housing, relief valve)

нет в наличии, поставок нет
36 0446008

Винт, Сапун to Головка блока цилиндра (SCREW, Breather to cylinder head)

нет в наличии, поставок нет
37 0336185

Шайба, Крышка to Диафрагма (WASHER, Cover to diaphragm)

нет в наличии, поставок нет
38 0446065

Прокладка впускного коллектора (GASKET, Intake manifold)

нет в наличии, поставок нет
39 0446111

Уплотнительное кольцо, Oil fill Заглушка (O-RING, Oil fill plug)

нет в наличии, поставок нет
40 0446110

Заглушка, Oil fill (PLUG, Oil fill)

нет в наличии, поставок нет
41 0446117

Винт, Головка блока цилиндра (SCREW, Cylinder head)

нет в наличии, поставок нет
42 0446121

Шайба, Головка блока цилиндра to block (WASHER, Cylinder head to block)

нет в наличии, поставок нет
44 0446064

Впускной коллектор (INTAKE MANIFOLD)

нет в наличии, поставок нет
45 0445083

Трубка в сборе., Выхлоп probe. "B" Prefix Models Only (TUBE ASSY., Exhaust probe. "B" Prefix Models Only)

нет в наличии, поставок нет
46 0341196

Колпачок, Выхлопная труба probe. "B" Prefix Models Only (CAP, Tube, exhaust probe. "B" Prefix Models Only)

нет в наличии, поставок нет
47 0115499

Струбцина, Шланг (CLAMP, Hose)

нет в наличии, поставок нет
48 0446071

Прокладка крышки термостата (GASKET, Thermostat cover)

нет в наличии, поставок нет
51 0446314

Винт, Выхлоп Трубка to cyl. head (SCREW, Exhaust tube to cyl. head)

нет в наличии, поставок нет
52 0446068

Винт, Система впуска to Головка блока цилиндра (SCREW, Intake to cylinder head)

нет в наличии, поставок нет
53 0446119

Винт, Cyl. head to cyl. block (SCREW, Cyl. head to cyl. block)

нет в наличии, поставок нет
55 0446120

Винт, Cyl. head to cyl. block (SCREW, Cyl. head to cyl. block)

нет в наличии, поставок нет
57 0

Шланг, Overboard Индикатор, 11 13 / 16 дюйм (300 мм) сокращёная длина from 913435 (HOSE, Overboard indicator, 11 13/16 in. (300 mm). Cut to Length from 913435)

нет в наличии, поставок нет
58 0446113

Уплотнительное кольцо, Головка блока цилиндра to block (O-RING, Cylinder head to block)

нет в наличии, поставок нет
60 0446000

Крышка головки цилиндра (COVER, Cylinder head)

нет в наличии, поставок нет
61 0446002

Сальник, Крышка сапуна (SEAL, Cover, breather)

нет в наличии, поставок нет
62 0446003

MESH, Сапун (MESH, Breather)

нет в наличии, поставок нет
63 0446005

Пластина (PLATE)

нет в наличии, поставок нет
64 0446006

REED, Сапун (REED, Breather)

нет в наличии, поставок нет
65 0446007

STOP, Reed (STOP, Reed)

нет в наличии, поставок нет
66 0445044

Крышка & LEAD в сборе. (COVER & LEAD ASSY.)

нет в наличии, поставок нет
67 0446166

Крышка (COVER)

нет в наличии, поставок нет
68 0510780

Клемма, Кольцо (TERMINAL, Ring)

нет в наличии, поставок нет
68 3852226

   (последний код) TERMINAL,RIN

нет в наличии, поставок нет
69 0512947

Клемма, Bullet (TERMINAL, Bullet)

нет в наличии, поставок нет
69 0910462

   (последний код) TERM.-60766-

нет в наличии, поставок нет
70 0513185

Гильза (SLEEVE)

нет в наличии, поставок нет
70 0512948

   (последний код) SLEEVE

нет в наличии, поставок нет
71 0510781

Гильза (SLEEVE)

нет в наличии, поставок нет
72 0320107

Крепёжный хомут (TIE STRAP)

нет в наличии, поставок нет
72 5035626

   (последний код) BAND,REM CON

нет в наличии, поставок нет
73 0307551

Винт, Заглушка отверстия промывки двигателя водой (SCREW, Flushing plug)

нет в наличии, поставок нет
73 0982851

   (последний код) SCREW-PLUG

нет в наличии, поставок нет
74 0311598

Шайба (WASHER)

нет в наличии, поставок нет
74 3852105

   (последний код) WASHER

нет в наличии, поставок нет
76 0446116

Шпилька, Впускной коллектор (STUD, Intake manifold)

нет в наличии, поставок нет
77 0336178

Корпус, Термостат (HOUSING, Thermostat)

нет в наличии, поставок нет
78 0446107

Шпонка, oil sump to block (PIN, Dowel, oil sump to block)

нет в наличии, поставок нет
79 0446109

Шпонка, Головка блока цилиндра (PIN, Dowel, cylinder head)

нет в наличии, поставок нет
80 0446112

Шпонка, Головка блока цилиндра (PIN, Dowel, cylinder head)

нет в наличии, поставок нет
81 0446078

Шайба, Выхлоп Трубка to cyl. head (WASHER, Exhaust tube to cyl. head)

нет в наличии, поставок нет
82 0

Шланг сапуна, 24 1 / 2 дюйм (610 мм) сокращёная длина from 446340 (HOSE, Breather, 24 1/2 in. (610mm). Cut to Length from 446340)

нет в наличии, поставок нет
83 0446283

Удлинитель (EXTENSION)

нет в наличии, поставок нет
83 0441061

   (последний код) EXTENSION

нет в наличии, поставок нет
84 0

Шланг, Термостат to oil sump, 17 дюйм (430 мм) сокращёная длина from 446340 (HOSE, Thermostat to oil sump, 17 in. (430mm). Cut to Length from 446340)

нет в наличии, поставок нет
85 0445100

температура Переключатель в сборе.. 10RE Model (TEMPERATURE SWITCH ASSY.. 10RE Model)

нет в наличии, поставок нет
86 0446372

Пыльник, температура Переключатель (GROMMET, Temperature switch)

нет в наличии, поставок нет
87 0329562

Крышка, температура Переключатель (COVER, Temperature switch)

нет в наличии, поставок нет
88 0513357

Коннектор (CONNECTOR)

нет в наличии, поставок нет
88 3854845

   (последний код) CONNECTOR 513357

нет в наличии, поставок нет
89 0511469

Клемма, Штифт (TERMINAL, Pin)

нет в наличии, поставок нет
89 3852229

   (последний код) TERMINAL,PIN

нет в наличии, поставок нет
evinrude

Время выполнения запроса 1.0828628540039 сек.


 
 

данный сайт носит информационный характер и не является публичной офертой

склад запчастей для водомоторной техники