вконтакте

Контактный телефон: +7 (981) 121-46-93, +7 (800) 200-90-76 , Email: parts-katalog@yandex.ru, где купить

 
 

  Логин:

Пароль:

Регистрация

www.partskatalog.ru Все каталоги Запчасти Mercury Запчасти Suzuki Запчасти Tohatsu Запчасти Honda Контакты


Все разделы каталога запчастей на этот двигатель

назад Раздел:   вперёд

вернуться к списку узлов и деталей

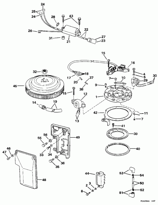
ДЕТАЛИРОВКА ДЛЯ МОДЕЛИ: EVINRUDE SE55RSYC 1997

IGNITION SYSTEM | IGNITION SYSTEM;


Лодочный мотор Evinrude SE55RSYC 1997  - nition System - nition System

Номер на
рисунке
АртикулНаименованиеКол-во
на складе
Цена
1 0582417

Пластина & Гильза в сборе. (PLATE & SLEEVE ASSY.)

нет в наличии, поставок нет
1 0582951

   (последний код) PLATE&SLEEVE AY

нет в наличии, поставок нет
2 0328701

Шайба с блокировкой, Coil (LOCK WASHER, Coil)

нет в наличии, поставок нет
2 3852182

   (последний код) WASHER,LOCK

нет в наличии, поставок нет
3 0328703

Шайба, Coil (WASHER, Coil)

нет в наличии, поставок нет
3 3852184

   (последний код) WASHER

нет в наличии, поставок нет
4 0319682

Винт, Датчик to Пластина (SCREW, Sensor to plate)

нет в наличии, поставок нет
5 0328735

Шайба, Винт, Датчик (WASHER, Screw, sensor)

нет в наличии, поставок нет
5 3852188

   (последний код) WASHER

нет в наличии, поставок нет
7 0303212

Винт зажима & Крышка (SCREW, Clamp & cover)

нет в наличии, поставок нет
8 0302325

Винт, Катушка в сборе. (SCREW, Coil assy.)

нет в наличии, поставок нет
9 0511460

Винт, Фиксатор (SCREW, Retainer)

нет в наличии, поставок нет
10 0511458

Струбцина, Leads (CLAMP, Leads)

нет в наличии, поставок нет
11 0511459

Крышка, Leads (COVER, Leads)

нет в наличии, поставок нет
12 0584504

COIL & LAMINATION в сборе. (COIL & LAMINATION ASSY.)

нет в наличии, поставок нет
12 5000611

   (последний код) COIL&LAM AY,CHARGE

нет в наличии, поставок нет
13 0581656

SOCKET (SOCKET)

нет в наличии, поставок нет
13 3852257

   (последний код) TERMINAL AY,SCKT

нет в наличии, поставок нет
14 0512753

Коннектор (CONNECTOR)

нет в наличии, поставок нет
14 3852243

   (последний код) CONN,5-SKT-P

нет в наличии, поставок нет
15 0337522

Винт, зарядная катушка Креплениеing. AC Lite Models Only (SCREW, Charge coil mounting. AC Lite Models Only)

нет в наличии, поставок нет
15 0337522

Винт, Статор & chg. coil mtg.. AC Lite Models Only (SCREW, Stator & chg. coil mtg.. AC Lite Models Only)

нет в наличии, поставок нет
16 0584507

Статор в сборе.. AC Lite Models Only (STATOR ASSY.. AC Lite Models Only)

нет в наличии, поставок нет
17 0513654

Гильза, Leads. AC Lite Models Only (SLEEVE, Leads. AC Lite Models Only)

нет в наличии, поставок нет
18 0512876

Клемма. AC Lite Models Only (TERMINAL. AC Lite Models Only)

нет в наличии, поставок нет
18 3852244

   (последний код) TERMINAL,SOC

нет в наличии, поставок нет
19 0512765

Трубопровод, Датчик & coil (TUBING, Sensor & coil)

нет в наличии, поставок нет
20 0328074

Колпачок, Bullet Внешняя розетка. AC Lite Models Only (CAP, Bullet receptacle. AC Lite Models Only)

нет в наличии, поставок нет
20 3852181

   (последний код) CAP

нет в наличии, поставок нет
21 0584528

IGNITION MODULE (IGNITION MODULE)

нет в наличии, поставок нет
21 0586633

   (последний код) PP AY CD2L (5800)

нет в наличии, поставок нет
22 0510786

Трубопровод (TUBING)

нет в наличии, поставок нет
23 0511469

Штифт (PIN)

нет в наличии, поставок нет
23 3852229

   (последний код) TERMINAL,PIN

нет в наличии, поставок нет
24 0512478

Крышка (COVER)

нет в наличии, поставок нет
25 0512256

Штифт Внешняя розетка (PIN RECEPTACLE)

нет в наличии, поставок нет
26 0512131

Клемма, Кольцо (TERMINAL, Ring)

нет в наличии, поставок нет
27 0512754

Коннектор (CONNECTOR)

нет в наличии, поставок нет
28 0317893

Крепёжный хомут (TIE STRAP)

нет в наличии, поставок нет
28 3852149

   (последний код) TIE-STRAP

нет в наличии, поставок нет
29 0583387

Датчик в сборе. (SENSOR ASSY.)

нет в наличии, поставок нет
29 0584716

   (последний код) SENSOR AY,IGN

нет в наличии, поставок нет
30 0581656

SOCKET (SOCKET)

нет в наличии, поставок нет
30 3852257

   (последний код) TERMINAL AY,SCKT

нет в наличии, поставок нет
31 0323144

Проставка, Module (SPACER, Module)

нет в наличии, поставок нет
32 0326111

Гайка, Маховик (NUT, Flywheel)

нет в наличии, поставок нет
32 0308457

   (последний код) NUT CRKSHFT

нет в наличии, поставок нет
33 0328714

Винт, Module lead (SCREW, Module lead)

нет в наличии, поставок нет
33 0204027

   (последний код) SCREW

нет в наличии, поставок нет
34 0303701

Шайба, Винт (WASHER, Screw)

нет в наличии, поставок нет
35 0335020

Винт, Кронштейн to block (SCREW, Bracket to block)

нет в наличии, поставок нет
35 0318139

   (последний код) SCREW

нет в наличии, поставок нет
36 0328701

Шайба (WASHER)

нет в наличии, поставок нет
36 3852182

   (последний код) WASHER,LOCK

нет в наличии, поставок нет
37 0512947

Клемма, Bullet. AC Lite Models Only (TERMINAL, Bullet. AC Lite Models Only)

нет в наличии, поставок нет
37 0910462

   (последний код) TERM.-60766-

нет в наличии, поставок нет
38 0513185

Гильза, Bullet Клемма. AC Lite Models Only (SLEEVE, Bullet terminal. AC Lite Models Only)

нет в наличии, поставок нет
38 0512948

   (последний код) SLEEVE

нет в наличии, поставок нет
39 0332063

SвышеPORT, Якорь Пластина (SUPPORT, Armature plate)

нет в наличии, поставок нет
39 0323398

   (последний код) SUPPORT-ARM

нет в наличии, поставок нет
40 0322435

Подшипник, Sвышеport (BEARING, Support)

нет в наличии, поставок нет
40 0321085

   (последний код) BEARING

нет в наличии, поставок нет
41 0326875

Винт, Sвышеport (SCREW, Support)

нет в наличии, поставок нет
41 0332070

   (последний код) SCREW

нет в наличии, поставок нет
42 0332790

Фиксатор, Sвышеport (RETAINER, Support)

нет в наличии, поставок нет
43 0335220

Винт, Module (SCREW, Module)

нет в наличии, поставок нет
44 0583740

Катушка в сборе., Dual (COIL ASSY., Dual)

нет в наличии, поставок нет
44 0583298

   (последний код) IGNITION COIL

нет в наличии, поставок нет
45 0584261

Маховик в сборе. (FLYWHEEL ASSY.)

нет в наличии, поставок нет
46 0328735

Шайба (WASHER)

нет в наличии, поставок нет
46 3852188

   (последний код) WASHER

нет в наличии, поставок нет
47 0306643

Винт, Крышка (SCREW, Cover)

нет в наличии, поставок нет
47 3852066

   (последний код) SCREW

нет в наличии, поставок нет
48 0333757

Крышка, Кронштейн, Электрика (COVER, Bracket, electrical)

нет в наличии, поставок нет
49 0337924

Кронштейн, Электрика (BRACKET, Electrical)

нет в наличии, поставок нет
50 0582365

LEAD в сборе., Свеча зажигания (LEAD ASSY., Spark plug)

нет в наличии, поставок нет
50 0582135

   (последний код) LEAD

нет в наличии, поставок нет
51 0581027

Свеча зажигания Клемма (SPARK PLUG TERMINAL)

нет в наличии, поставок нет
52 0510231

Клемма, Пружина (TERMINAL, Spring)

нет в наличии, поставок нет
53 0580339

Свеча зажигания Клемма (SPARK PLUG TERMINAL)

нет в наличии, поставок нет
53 0510232

   (последний код) COVER

нет в наличии, поставок нет
54 0510231

Клемма, Пружина (TERMINAL, Spring)

нет в наличии, поставок нет
55 0335021

Винт, Кронштейн to block (SCREW, Bracket to block)

нет в наличии, поставок нет
55 0330930

   (последний код) SCREW

нет в наличии, поставок нет
56 0307161

Шайба, Винт (WASHER, Screw)

нет в наличии, поставок нет
evinrude

Время выполнения запроса 1.6384041309357 сек.


 
 

данный сайт носит информационный характер и не является публичной офертой

склад запчастей для водомоторной техники