вконтакте

Контактный телефон: +7 (981) 121-46-93, +7 (800) 200-90-76 , Email: parts-katalog@yandex.ru, где купить

 
 

  Логин:

Пароль:

Регистрация

www.partskatalog.ru Все каталоги Запчасти Mercury Запчасти Suzuki Запчасти Tohatsu Запчасти Honda Контакты


Все разделы каталога запчастей на этот двигатель

назад Раздел:   вперёд

вернуться к списку узлов и деталей

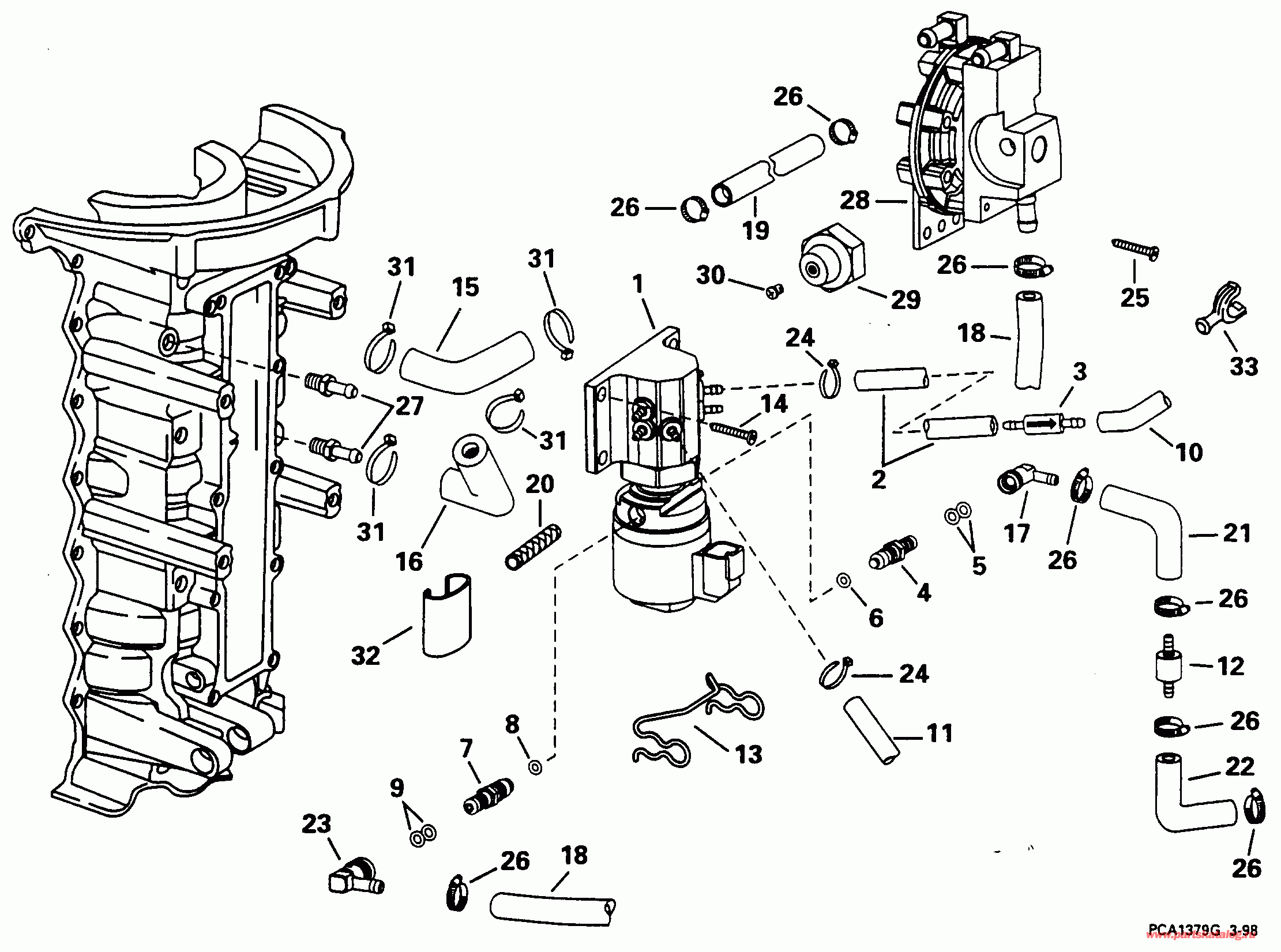
ДЕТАЛИРОВКА ДЛЯ МОДЕЛИ: EVINRUDE E150ILEUC 1997

OIL COMPONENTS | OIL COMPONENTS;


Подвесной мотор Evinrude E150ILEUC 1997  - l Components - l Components

Номер на
рисунке
АртикулНаименованиеКол-во
на складе
Цена
1 0439726

OIL инжектор & Коллектор в сборе. (OIL INJECTOR & MANIFOLD ASSY.)

нет в наличии, поставок нет
1 0439720

   (последний код) MANIFOLD AY,OIL

нет в наличии, поставок нет
2 0

Шланг, Коллектор to Обратный клапан, 4 1 / 2 дюйм (1 4 мм) сокращёная длина from P / N 327228 (HOSE, Manifold to check valve, 4 1/2 in. (1 4mm). Cut to Length from P/N 327228)

нет в наличии, поставок нет
3 0439738

Обратный клапан (CHECK VALVE)

нет в наличии, поставок нет
4 0439203

Ниппель в сборе., Oil return (NIPPLE ASSY., Oil return)

нет в наличии, поставок нет
5 0343605

Уплотнительное кольцо, Ниппель to Коннектор. чёрный (O-RING, Nipple to connector. Black)

нет в наличии, поставок нет
6 0124946

Уплотнительное кольцо, Ниппель to инжектор. чёрный (O-RING, Nipple to injector. Black)

нет в наличии, поставок нет
7 0438109

Ниппель в сборе., Oil вход (NIPPLE ASSY., Oil inlet)

нет в наличии, поставок нет
8 0340827

Уплотнительное кольцо, Ниппель to инжектор. коричневый (O-RING, Nipple to injector. Brown)

нет в наличии, поставок нет
9 0343585

Уплотнительное кольцо, Ниппель to Коннектор. коричневый (O-RING, Nipple to connector. Brown)

нет в наличии, поставок нет
10 0

Шланг, Обратный клапан to lift Помпа, 4 1 / 2 дюйм (114 мм) сокращёная длина from P / N 327228 (HOSE, Check valve to lift pump, 4 1/2 in. (114mm). Cut to Length from P/N 327228)

нет в наличии, поставок нет
11 0

Масляный шланг Коллектор to Система впуска Ниппельs, 13 3 / 8 дюйм (340 мм) сокращёная длина from P / N 344249 (HOSE, Oil manifold to intake nipples, 13 3/8 in. (340mm). Cut to Length from P/N 344249)

нет в наличии, поставок нет
12 0439110

PRESSURE Регулятор, Oil return (PRESSURE REGULATOR, Oil return)

нет в наличии, поставок нет
12 5000518

   (последний код) REGULATOR AY,PRESS

нет в наличии, поставок нет
13 0343563

Фиксатор, Коннекторs to инжектор (RETAINER, Connectors to injector)

нет в наличии, поставок нет
14 0328694

Винт, Коллектор to Картер двигателя (SCREW, Manifold to crankcase)

нет в наличии, поставок нет
14 0911122

   (последний код) SCREW

нет в наличии, поставок нет
15 0333383

Шланг, Pulse Ниппель to Масляный насос, stbd. Cut 1 / 2 дюйм (13 мм) Off Straight End (HOSE, Pulse nipple to oil pump, stbd. Cut 1/2 in. (13mm) Off Straight End)

нет в наличии, поставок нет
15 0324866

   (последний код) HOSE

нет в наличии, поставок нет
16 0333446

Шланг, Pulse Ниппель to Масляный насос, port (HOSE, Pulse nipple to oil pump, port)

нет в наличии, поставок нет
16 0320947

   (последний код) HH-HOSE

нет в наличии, поставок нет
17 0344187

Коннектор, Шланг to инжектор, oil return (CONNECTOR, Hose to injector, oil return)

нет в наличии, поставок нет
18 0344178

Шланг, Масляный насос hsg. to oil инжектор (HOSE, Oil pump hsg. to oil injector)

нет в наличии, поставок нет
19 0344173

Шланг, вход Трубка to oil Корпус (HOSE, Inlet tube to oil housing)

нет в наличии, поставок нет
20 0513816

Гильза, Шлангs, port & stbd. (SLEEVE, Hoses, port & stbd.)

нет в наличии, поставок нет
21 0

Шланг, инжектор to pressure Регулятор, 4 дюйм (102 мм) сокращёная длина from P / N 333485 (HOSE, Injector to pressure regulator, 4 in. (102mm). Cut to Length from P/N 333485)

нет в наличии, поставок нет
22 0

Шланг, Регулятор to return Трубка, 4 дюйм (102 мм) сокращёная длина from P / N 333485 (HOSE, Regulator to return tube, 4 in. (102mm). Cut to Length from P/N 333485)

нет в наличии, поставок нет
23 0344188

Коннектор, Шланг to инжектор, oil вход (CONNECTOR, Hose to injector, oil inlet)

нет в наличии, поставок нет
24 0317893

Крепёжный хомут (TIE STRAP)

нет в наличии, поставок нет
24 3852149

   (последний код) TIE-STRAP

нет в наличии, поставок нет
25 0344631

Винт, Масляный насос to Картер двигателя (SCREW, Oil pump to crankcase)

нет в наличии, поставок нет
26 0343765

Струбцина (CLAMP)

нет в наличии, поставок нет
27 0303492

Ниппель, Oil pulse Шланг (NIPPLE, Oil pulse hose)

нет в наличии, поставок нет
28 5000381

Масляный насос & Корпус в сборе. (OIL PUMP & HOUSING ASSY.)

нет в наличии, поставок нет
28 5001261

   (последний код) KIT AY, OIL PUMP

нет в наличии, поставок нет
29 0445037

PRESSURE Переключатель (PRESSURE SWITCH)

нет в наличии, поставок нет
30 0345330

Винт, Клемма (SCREW, Terminal)

нет в наличии, поставок нет
31 0320107

Крепёжный хомут (TIE STRAP)

нет в наличии, поставок нет
31 5035626

   (последний код) BAND,REM CON

нет в наличии, поставок нет
32 0344520

SвышеPORT, Oil инжектор (SUPPORT, Oil injector)

нет в наличии, поставок нет
33 0329661

Заглушка, Oil Шланг (PLUG, Oil hose)

нет в наличии, поставок нет
evinrude

Время выполнения запроса 1.5520429611206 сек.


 
 

данный сайт носит информационный характер и не является публичной офертой

склад запчастей для водомоторной техники