вконтакте

Контактный телефон: +7 (981) 121-46-93, +7 (800) 200-90-76 , Email: parts-katalog@yandex.ru, где купить

 
 

  Логин:

Пароль:

Регистрация

www.partskatalog.ru Все каталоги Запчасти Mercury Запчасти Suzuki Запчасти Tohatsu Запчасти Honda Контакты



УВАЖАЕМЫЕ КЛИЕНТЫ!
C 19 ДЕКАБРЯ 2025 ПО 02 МАРТА 2026 ГОДА ОТДЕЛ ЗАПЧАСТЕЙ И СЕРВИС РАБОТАТЬ НЕ БУДУТ
ПРОДАЖА ЛОДОЧНЫХ МОТОРОВ В ШТАТНОМ РЕЖИМЕ
ОБ ИЗМЕНЕНИЯХ В ГРАФИКЕ РАБОТЫ ЧИТАЙТЕ НА САЙТА




Все разделы каталога запчастей на этот двигатель

назад Раздел:   вперёд

вернуться к списку узлов и деталей

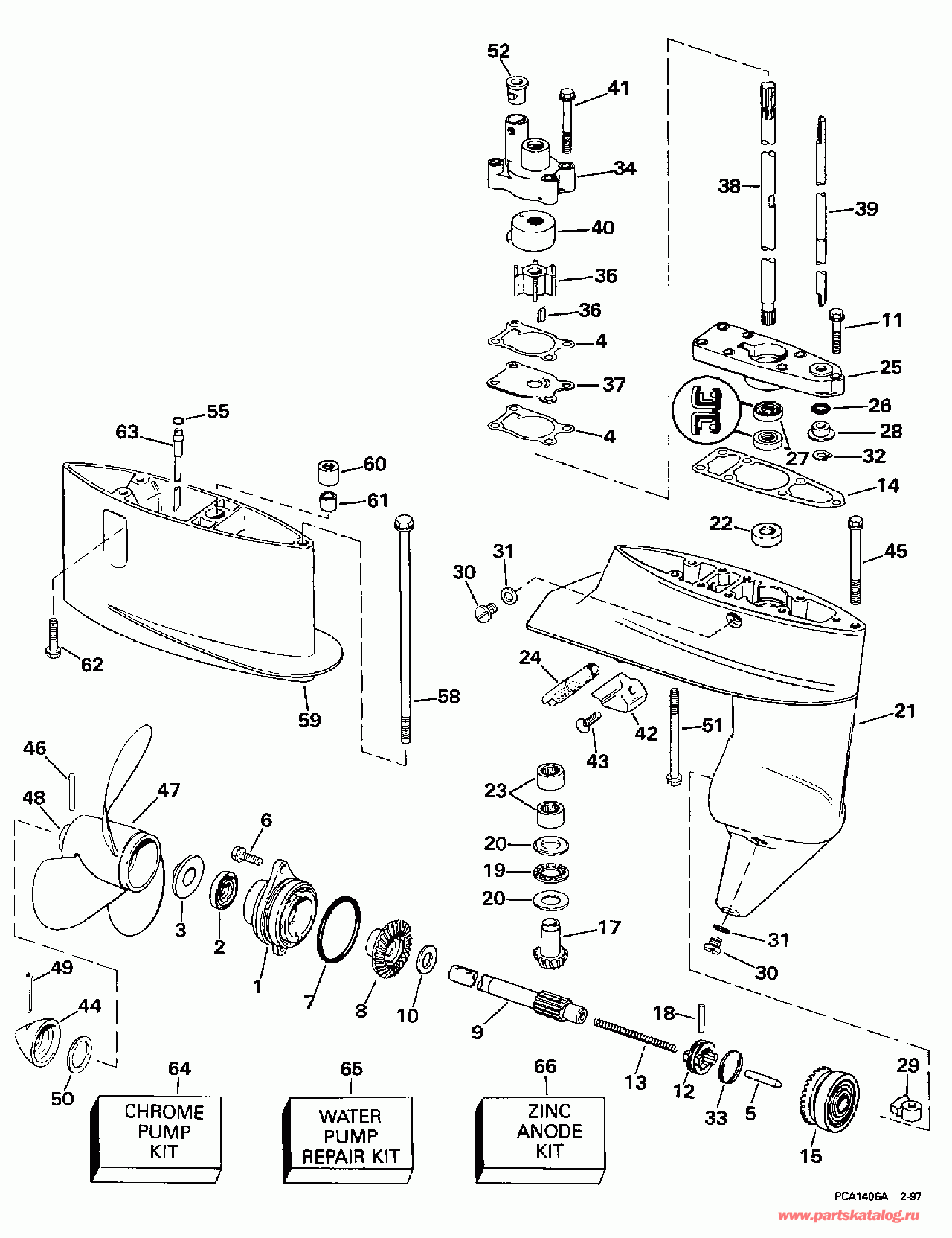
ДЕТАЛИРОВКА ДЛЯ МОДЕЛИ: EVINRUDE HE6FRLECA 1998

РЕДУКТОР | GEARCASE;


Двигатель EVINRUDE HE6FRLECA 1998  - arcase / arcase

Номер на
рисунке
АртикулНаименованиеКол-во
на складе
Цена
0439006 0439006

Редуктор в сборе.. Not Shown (GEARCASE ASSY.. Not Shown)

нет в наличии, поставок нет
0439006 0437750

   (последний код) GEARCASE AY,20"

нет в наличии, поставок нет
1 0434294

Корпус в сборе., Вал гребного винта (HOUSING ASSY., Propeller shaft)

нет в наличии, поставок нет
1 0393747

   (последний код) G-CASE-HEAD

нет в наличии, поставок нет
2 0336493

Сальник, Вал гребного винта (SEAL, Propeller shaft)

нет в наличии, поставок нет
3 0336414

Втулка (BUSHING)

нет в наличии, поставок нет
4 0325040

Прокладка крыльчатки Корпус. 5 INCH LONGER PARTS (GASKET, Impeller housing. 5 INCH LONGER PARTS)

нет в наличии, поставок нет
5 0324623

Плунжер, Сцепление dog (PLUNGER, Clutch dog)

нет в наличии, поставок нет
6 0333706

Винт, Brg. hsg. to Редуктор (SCREW, Brg. hsg. to gearcase)

нет в наличии, поставок нет
7 0322494

Уплотнительное кольцо, Brg. hsg. to Редуктор (O-RING, Brg. hsg. to gearcase)

нет в наличии, поставок нет
8 0396992

Шестерня обратного хода (GEAR, Reverse)

нет в наличии, поставок нет
8 0393939

   (последний код) GEAR,REVERSE

нет в наличии, поставок нет
9 0344200

Вал гребного винта в сборе. (PROPELLER SHAFT ASSY.)

нет в наличии, поставок нет
9 0324628

   (последний код) PROP-SHAFT

нет в наличии, поставок нет
10 0303361

Упорная шайба (WASHER, Thrust)

нет в наличии, поставок нет
11 0333676

Винт, Крышка to Редуктор (SCREW, Cover to gearcase)

нет в наличии, поставок нет
11 3854923

   (последний код) SCREW

нет в наличии, поставок нет
12 0326340

Переключатель собачки сцепления (SHIFTER, Clutch dog)

нет в наличии, поставок нет
12 0324625

   (последний код) CLUTCH-DOG

нет в наличии, поставок нет
13 0324624

Пружина переключателяer (SPRING, Shifter)

нет в наличии, поставок нет
14 0324637

Прокладка, Редуктор Крышка. 5 INCH LONGER PARTS (GASKET, Gearcase cover. 5 INCH LONGER PARTS)

нет в наличии, поставок нет
15 0438966

Шестерня & Подшипник в сборе., дляward (GEAR & BEARING ASSY., Forward)

нет в наличии, поставок нет
15 0396312

   (последний код) GEAR & BUSHING AY

нет в наличии, поставок нет
17 0336297

Шестерня, Шестерня (PINION, Gear)

нет в наличии, поставок нет
18 0324626

Штифт, Переключатель собачки сцепления (PIN, Shifter, clutch dog)

нет в наличии, поставок нет
19 0388000

THRUST Подшипник, Шестерня (THRUST BEARING, Pinion)

нет в наличии, поставок нет
20 0336296

Упорная шайба шестерни Шестерня Подшипник (THRUST WASHER, Pinion bearing)

нет в наличии, поставок нет
21 0434281

Редуктор, Корпус в сборе. (GEARCASE, Housing assy.)

нет в наличии, поставок нет
22 0391048

Подшипник & Гильза в сборе., DriveВал (BEARING & SLEEVE ASSY., Driveshaft)

1 шт4890 руб.
22 0389574

   (последний код) BRG AY-DRIVESHAFT

нет в наличии, поставок нет
23 0386473

Подшипник в сборе., Шестерня to Редуктор (BEARING ASSY., Pinion to gearcase)

нет в наличии, поставок нет
24 0396200

SCREEN & Водяная заглушка Система впуска (SCREEN & PLUG, Water intake)

нет в наличии, поставок нет
24 0324633

   (последний код) SCREEN

нет в наличии, поставок нет
25 0434152

Крышка в сборе, Редуктор (COVER ASSY., Gearcase)

нет в наличии, поставок нет
25 0389837

   (последний код) G-CASE-CVR&S

нет в наличии, поставок нет
26 0305242

Уплотнительное кольцо, Переключающая тяга (O-RING, Shift rod)

нет в наличии, поставок нет
27 0324639

Сальник, DriveВал (SEAL, Driveshaft)

1 шт880 руб.
28 0324642

Втулка, Переключающая тяга (BUSHING, Shift rod)

нет в наличии, поставок нет
29 0324615

Кулачок переключателя (CAM, Shift)

нет в наличии, поставок нет
30 0307551

Заглушка & Шайба, верхний (PLUG & WASHER, Upper)

нет в наличии, поставок нет
30 0982851

   (последний код) SCREW-PLUG

нет в наличии, поставок нет
30 0318544

FILL Заглушка (FILL PLUG)

нет в наличии, поставок нет
30 0912624

   (последний код) SCREW

нет в наличии, поставок нет
31 0311598

Шайба (WASHER)

нет в наличии, поставок нет
31 3852105

   (последний код) WASHER

нет в наличии, поставок нет
32 0324616

Стопорное кольцо, Переключающая тяга (RETAINING RING, Shift rod)

нет в наличии, поставок нет
33 0324627

Фиксатор, Переключательer (RETAINER, Shifter)

нет в наличии, поставок нет
34 0389577

Крыльчатка HSG. в сборе. (IMPELLER HSG. ASSY.)

нет в наличии, поставок нет
35 0389576

Крыльчатка в сборе. (IMPELLER ASSY.)

нет в наличии, поставок нет
36 0331130

Ключ, Крыльчатка to driveВал (KEY, Impeller to driveshaft)

1 шт550 руб.
37 0324640

Пластина корпуса крыльчатки (PLATE, Impeller housing)

нет в наличии, поставок нет
38 0441115

DRIVEВал, Std., 15 дюйм (DRIVESHAFT, Std., 15 in.)

нет в наличии, поставок нет
38 0441195

DRIVEВал, Long, 20 дюйм. 5 INCH LONGER PARTS (DRIVESHAFT, Long, 20 in.. 5 INCH LONGER PARTS)

нет в наличии, поставок нет
39 0441181

Переключающая тяга, нижний , Std. (SHIFT ROD, Lower, Std.)

нет в наличии, поставок нет
39 0441194

Переключающая тяга, нижний , Long. 5 INCH LONGER PARTS (SHIFT ROD, Lower, Long. 5 INCH LONGER PARTS)

нет в наличии, поставок нет
40 0324641

Cвыше, Крыльчатка Корпус (CUP, Impeller housing)

нет в наличии, поставок нет
41 0331980

Винт, Imp. hsg. to Редуктор (SCREW, Imp. hsg. to gearcase)

нет в наличии, поставок нет
42 0334451

Анод, Редуктор (ANODE, Gearcase)

нет в наличии, поставок нет
42 0432397

   (последний код) ANODE KIT

нет в наличии, поставок нет
43 0328725

SCRW, Анод (SCRW, Anode)

нет в наличии, поставок нет
43 3852187

   (последний код) SCREW

нет в наличии, поставок нет
44 0324694

Колпачок гребного винта Вал (CAP, Propeller shaft)

нет в наличии, поставок нет
45 0342540

Винт, Редуктор to hsg., front, 15 дюйм (SCREW, Gearcase to hsg., front, 15 in.)

нет в наличии, поставок нет
45 0316440

   (последний код) SCREW

нет в наличии, поставок нет
46 0324690

DRIVE Штифт, Гребной винт (DRIVE PIN, Propeller)

нет в наличии, поставок нет
47 0391096

Гребной винт, 8 дюйм x 7 дюйм, Std. (PROPELLER, 8 in. x 7 in., Std.)

нет в наличии, поставок нет
47 0778796

   (последний код) PROP,AL 8X7/PIN

нет в наличии, поставок нет
47 0390237

Гребной винт, 8 1 / 2 дюйм x 9 дюйм (PROPELLER, 8 1/2 in. x 9 in.)

нет в наличии, поставок нет
47 0778797

   (последний код) PROP,AL 8.5 X 9

нет в наличии, поставок нет
47 0392183

Гребной винт, 9 1 / 4 дюйм x 6 1 / 2 дюйм (PROPELLER, 9 1/4 in. x 6 1/2 in.)

нет в наличии, поставок нет
48 0389583

Втулка, Гребной винт (BUSHING, Propeller)

нет в наличии, поставок нет
49 0306394

Шплинт, Гайка гребного винта to Вал (COTTER PIN, Propeller nut to shaft)

нет в наличии, поставок нет
49 3852056

   (последний код) PIN,COTTER

нет в наличии, поставок нет
50 0324689

Упорная шайба, Prop Вал, rear (THRUST WASHER, Prop shaft, rear)

нет в наличии, поставок нет
51 0324643

Винт, Редуктор to ext. hsg. (SCREW, Gearcase to ext. hsg.)

нет в наличии, поставок нет
52 0302497

Нижний пыльник трубки водяного насоса (GROMMET, Water tube, lower)

2 шт250 руб.
0444500 0444500

KIT в сборе., 5 дюйм Удлинитель. Not Shown 5 INCH LONGER PARTS (KIT ASSY., 5 in. extension. Not Shown 5 INCH LONGER PARTS)

нет в наличии, поставок нет
4 0325040

Прокладка крыльчатки Корпус. 5 INCH LONGER PARTS (GASKET, Impeller housing. 5 INCH LONGER PARTS)

нет в наличии, поставок нет
14 0324637

Прокладка, Редуктор Крышка. 5 INCH LONGER PARTS (GASKET, Gearcase cover. 5 INCH LONGER PARTS)

нет в наличии, поставок нет
38 0441195

DRIVEВал, Long. 5 INCH LONGER PARTS (DRIVESHAFT, Long. 5 INCH LONGER PARTS)

нет в наличии, поставок нет
39 0441194

Переключающая тяга, Long. 5 INCH LONGER PARTS (SHIFT ROD, Long. 5 INCH LONGER PARTS)

нет в наличии, поставок нет
55 0202893

Уплотнительное кольцо, Водяная трубка. 5 INCH LONGER PARTS (O-RING, Water tube. 5 INCH LONGER PARTS)

нет в наличии, поставок нет
55 3852033

   (последний код) O-RING

нет в наличии, поставок нет
57 0302497

Нижний пыльник трубки водяного насоса. 5 INCH LONGER PARTS (GROMMET, Water tube, lower. 5 INCH LONGER PARTS)

2 шт250 руб.
58 0330247

Винт, Редуктор & Удлинитель to Выхлоп housig. 5 INCH LONGER PARTS (SCREW, Gearcase & extension to exhaust housig. 5 INCH LONGER PARTS)

нет в наличии, поставок нет
58 0324645

   (последний код) SCREW

нет в наличии, поставок нет
59 0396308

Редуктор Удлинитель. 5 INCH LONGER PARTS (GEARCASE EXTENSION. 5 INCH LONGER PARTS)

нет в наличии, поставок нет
59 0393744

   (последний код) G-CASE-EXT

нет в наличии, поставок нет
60 0310674

Втулка. 5 INCH LONGER PARTS (BUSHING. 5 INCH LONGER PARTS)

нет в наличии, поставок нет
61 0326742

Гильза. 5 INCH LONGER PARTS (SLEEVE. 5 INCH LONGER PARTS)

нет в наличии, поставок нет
61 0326988

   (последний код) SLEEVE

нет в наличии, поставок нет
62 0333676

Винт, Удлинитель to Корпус. 5 INCH LONGER PARTS (SCREW, Extension to housing. 5 INCH LONGER PARTS)

нет в наличии, поставок нет
62 3854923

   (последний код) SCREW

нет в наличии, поставок нет
63 0320025

Удлинитель, Водяная трубка. 5 INCH LONGER PARTS (EXTENSION, Water tube. 5 INCH LONGER PARTS)

нет в наличии, поставок нет
64 0390772

Хромированный ремкомплект водяного насоса (CHROME PUMP KIT)

нет в наличии, поставок нет
65 0396644

Ремкомплект водяного насоса (WATER PUMP REPAIR KIT)

нет в наличии, поставок нет
65 0389844

   (последний код) WATERPUMP KIT

нет в наличии, поставок нет
66 0432397

Анод KIT (Includes 42 & 43) (ANODE KIT (Includes 42 & 43))

нет в наличии, поставок нет
66 0334451

   (последний код) ANODE

нет в наличии, поставок нет
evinrude

Время выполнения запроса 3.2934200763702 сек.


 
 

данный сайт носит информационный характер и не является публичной офертой

склад запчастей для водомоторной техники