вконтакте

Контактный телефон: +7 (981) 121-46-93, +7 (800) 200-90-76 , Email: parts-katalog@yandex.ru, где купить

 
 

  Логин:

Пароль:

Регистрация

www.partskatalog.ru Все каталоги Запчасти Mercury Запчасти Suzuki Запчасти Tohatsu Запчасти Honda Контакты


Все разделы каталога запчастей на этот двигатель

назад Раздел:   вперёд

вернуться к списку узлов и деталей

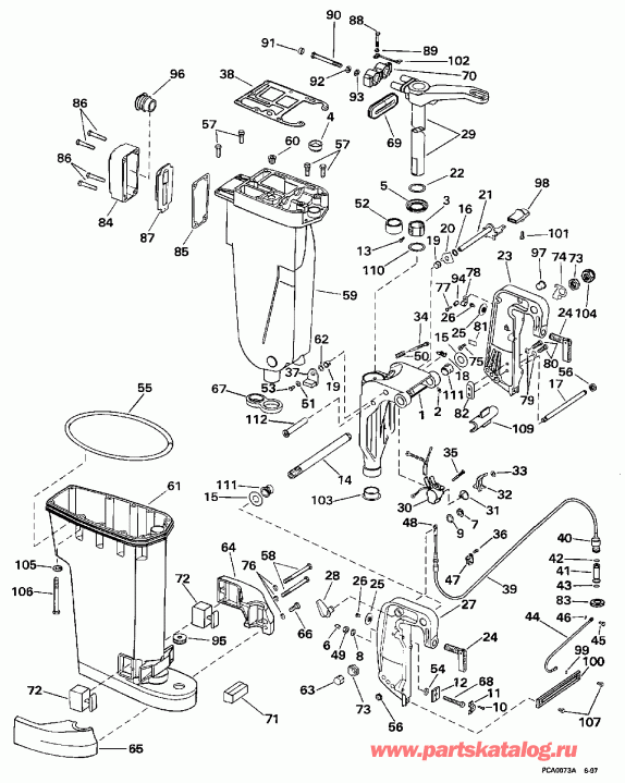
ДЕТАЛИРОВКА ДЛЯ МОДЕЛИ: EVINRUDE E40TELECR 1998

УДЛИНИТЕЛЬ КОРПУСА & STERN & ПОВОРОТНЫЙ КРОНШТЕЙН | EXHAUST HOUSING & STERN & SWIVEL BRACKET &N;


 EVINRUDE E40TELECR 1998  - haust Корпус & Stern & Поворотный кронштейн / haust Housing & Stern & Swivel Bracket

Номер на
рисунке
АртикулНаименованиеКол-во
на складе
Цена
1 0332439

Поворотный кронштейн, стандарт (SWIVEL BRACKET, Standard)

нет в наличии, поставок нет
1 0332440

Поворотный кронштейн, Long (SWIVEL BRACKET, Long)

нет в наличии, поставок нет
1 0350642

   (последний код) BRACKET, SWIVEL

нет в наличии, поставок нет
2 0313607

LUBRICATION FITTING (LUBRICATION FITTING)

нет в наличии, поставок нет
2 3852121

   (последний код) FITTING,LUB

нет в наличии, поставок нет
3 0329291

Втулка. 40R, 50R Models TE Models Only TTL Models Only (BUSHING. 40R, 50R Models TE Models Only TTL Models Only)

нет в наличии, поставок нет
4 0332407

Сальник, Подшипник to adapter (SEAL, Bearing to adapter)

нет в наличии, поставок нет
5 0332452

Сальник, верхний (SEAL, Upper)

нет в наличии, поставок нет
6 0318572

Колпачок, Кронштейн Винт (CAP, Bracket screw)

нет в наличии, поставок нет
7 0328260

Уплотнительное кольцо. 40R, 50R Models EE, EL, ES Models TE Models Only (E-RING. 40R, 50R Models EE, EL, ES Models TE Models Only)

нет в наличии, поставок нет
8 0320248

Шайба, Кронштейн Винт (WASHER, Bracket screw)

нет в наличии, поставок нет
8 0312910

   (последний код) WASHER

нет в наличии, поставок нет
9 0334162

Шайба, Уплотнительное кольцо to Рычаг. 40R, 50R Models EE, EL, ES Models TE Models Only (WASHER, E-ring to lever. 40R, 50R Models EE, EL, ES Models TE Models Only)

нет в наличии, поставок нет
10 0319886

Винт фиксатора пластины (SCREW, Retainer plate)

нет в наличии, поставок нет
11 0318273

Фиксатор, Кронштейн Винт (RETAINER, Bracket screw)

нет в наличии, поставок нет
12 0318272

Пластина, Кронштейн транца to transom (PLATE, Stern bracket to transom)

нет в наличии, поставок нет
13 0317419

Винт, Thrust Кольцо. 40R, 50R Models TE Models Only TTL Models Only (SCREW, Thrust ring. 40R, 50R Models TE Models Only TTL Models Only)

нет в наличии, поставок нет
13 0334682

Винт, Втулка to Кронштейн. EE, EL, ES Models TL, TSL Models (SCREW, Bushing to bracket. EE, EL, ES Models TL, TSL Models)

нет в наличии, поставок нет
14 0321511

Трубка, Tilt (TUBE, Tilt)

нет в наличии, поставок нет
14 0351896

   (последний код) TUBE, TILT SST

нет в наличии, поставок нет
15 0317782

Упорная шайба, Кронштейн транца (THRUST WASHER, Stern bracket)

нет в наличии, поставок нет
15 0320608

   (последний код) WASHER

нет в наличии, поставок нет
16 0321863

Шайба, Рычаг наклона (WASHER, Tilt lever)

нет в наличии, поставок нет
17 0332447

TILT Штифт (TILT PIN)

нет в наличии, поставок нет
18 0334259

Зажим, Цилиндр наклона (CLIP, Tilt cylinder)

нет в наличии, поставок нет
19 0315081

Втулка, Рычаг to Кронштейн (BUSHING, Lever to bracket)

нет в наличии, поставок нет
20 0333765

Пружина рычага наклона (SPRING, Tilt lever)

нет в наличии, поставок нет
21 0398875

Рычаг & Вал (LEVER & SHAFT)

нет в наличии, поставок нет
22 0320866

THRUST Опорная шайба, верхний (THRUST WASHER, Pivot, upper)

нет в наличии, поставок нет
23 0333621

Кронштейн транца, Port. 40R, 50R Models (STERN BRACKET, Port. 40R, 50R Models)

нет в наличии, поставок нет
23 0344104

Кронштейн транца, Port. EE, EL, ES Models TL, TSL Models TE Models Only TTL Models Only (STERN BRACKET, Port. EE, EL, ES Models TL, TSL Models TE Models Only TTL Models Only)

нет в наличии, поставок нет
23 0333622

   (последний код) STERN-BRKT

нет в наличии, поставок нет
24 0391434

Винт струбцины & HANDLE в сборе., Stainless steel. 40R, 50R Models (CLAMP SCREW & HANDLE ASSY., Stainless steel. 40R, 50R Models)

нет в наличии, поставок нет
24 0388052

Винт струбцины & HANDLE в сборе., Aluminum. 40R, 50R Models (CLAMP SCREW & HANDLE ASSY., Aluminum. 40R, 50R Models)

нет в наличии, поставок нет
24 0396495

   (последний код) CLAMPSCREW KIT

нет в наличии, поставок нет
25 0337018

SWIVEL Пластина. 40R, 50R Models (SWIVEL PLATE. 40R, 50R Models)

нет в наличии, поставок нет
25 0334002

   (последний код) PLATE-SWIVEL

нет в наличии, поставок нет
26 0334003

Винт, Пластина. 40R, 50R Models (SCREW, Plate. 40R, 50R Models)

нет в наличии, поставок нет
27 0333623

Кронштейн транца, Starboard. 40R, 50R Models (STERN BRACKET, Starboard. 40R, 50R Models)

нет в наличии, поставок нет
27 0333624

Кронштейн транца, Stbd.. EE, EL, ES Models TL, TSL Models TE Models Only TTL Models Only (STERN BRACKET, Stbd.. EE, EL, ES Models TL, TSL Models TE Models Only TTL Models Only)

нет в наличии, поставок нет
28 0431962

Рычаг в сборе., Tilt assist. 40R, 50R Models EE, EL, ES Models TE Models Only (LEVER ASSY., Tilt assist. 40R, 50R Models EE, EL, ES Models TE Models Only)

нет в наличии, поставок нет
29 0433584

Рычаг & Вал в сборе., стандарт (ARM & SHAFT ASSY., Standard)

нет в наличии, поставок нет
29 0397530

   (последний код) ARM AY,STEERING

нет в наличии, поставок нет
29 0433585

Рычаг & Вал в сборе., Long (ARM & SHAFT ASSY., Long)

нет в наличии, поставок нет
29 0397531

   (последний код) ARM AY,STEERING

нет в наличии, поставок нет
30 0585174

SENDING UNIT. TL, TSL Models (SENDING UNIT. TL, TSL Models)

нет в наличии, поставок нет
31 0334885

Пружина, Рычаг return (SPRING, Arm return)

нет в наличии, поставок нет
32 0334342

Рычаг, Sending unit (ARM, Sending unit)

нет в наличии, поставок нет
33 0511527

Фиксатор, Рычаг (RETAINER, Arm)

нет в наличии, поставок нет
33 3852232

   (последний код) RETAINER

нет в наличии, поставок нет
34 0332945

Винт, Рулевая система friction. 40R, 50R Models TE Models Only TTL Models Only (SCREW, Steering friction. 40R, 50R Models TE Models Only TTL Models Only)

нет в наличии, поставок нет
34 0339824

Винт заглушки. EE, EL, ES Models TL, TSL Models (SCREW, Plug. EE, EL, ES Models TL, TSL Models)

нет в наличии, поставок нет
35 0334884

Винт, Sending unit. TL, TSL Models (SCREW, Sending unit. TL, TSL Models)

нет в наличии, поставок нет
35 0321471

   (последний код) SCREW

нет в наличии, поставок нет
36 0306014

Винт, Anchor block. 40R, 50R Models EE, EL, ES Models TE Models Only (SCREW, Anchor block. 40R, 50R Models EE, EL, ES Models TE Models Only)

нет в наличии, поставок нет
37 0432293

Рычаг в сборе., Trail lock (LEVER ASSY., Trail lock)

нет в наличии, поставок нет
37 0333944

   (последний код) LEVER

нет в наличии, поставок нет
38 0326468

Прокладка, Adapter to powerhead (GASKET, Adapter to powerhead)

нет в наличии, поставок нет
38 0351018

   (последний код) GASKET, PWHD-ADAPT

нет в наличии, поставок нет
39 0436202

Кабели, Tilt assist. 40R, 50R Models EE, EL, ES Models TE Models Only (CABLE, Tilt assist. 40R, 50R Models EE, EL, ES Models TE Models Only)

нет в наличии, поставок нет
39 0434392

   (последний код) CABLE-AY

нет в наличии, поставок нет
40 0336600

Гайка, Кабели (NUT, Cable)

нет в наличии, поставок нет
41 0338118

Корпус (HOUSING)

нет в наличии, поставок нет
42 0305739

Уплотнительное кольцо (O-RING)

нет в наличии, поставок нет
42 0900224

   (последний код) O RING

нет в наличии, поставок нет
43 0124378

Уплотнительное кольцо (O-RING)

нет в наличии, поставок нет
43 3852011

   (последний код) O-RING

нет в наличии, поставок нет
44 0582499

LEAD в сборе., Bonding Хомут (LEAD ASSY., Bonding strap)

нет в наличии, поставок нет
44 0583960

   (последний код) LEAD-AY

нет в наличии, поставок нет
45 0339824

Винт, Lead в сборе. (SCREW, Lead assy.)

нет в наличии, поставок нет
46 0328701

Шайба, Винт, lead в сборе. (WASHER, Screw, lead assy.)

нет в наличии, поставок нет
46 3852182

   (последний код) WASHER,LOCK

нет в наличии, поставок нет
47 0334161

ANCHOR BLOCK. 40R, 50R Models EE, EL, ES Models TE Models Only (ANCHOR BLOCK. 40R, 50R Models EE, EL, ES Models TE Models Only)

нет в наличии, поставок нет
48 0334153

SHELL, Tilt assist Кабели. 40R, 50R Models EE, EL, ES Models TE Models Only (SHELL, Tilt assist cable. 40R, 50R Models EE, EL, ES Models TE Models Only)

нет в наличии, поставок нет
49 0313623

Гайка, Кронштейн Винт (NUT, Bracket screw)

нет в наличии, поставок нет
49 0321861

   (последний код) NUT

нет в наличии, поставок нет
50 0551113

Фрикционная пружина. 40R, 50R Models TE Models Only TTL Models Only (SPRING, Friction. 40R, 50R Models TE Models Only TTL Models Only)

нет в наличии, поставок нет
51 0304051

Шайба, Trail lock (WASHER, Trail lock)

нет в наличии, поставок нет
51 0328703

   (последний код) WASHER

нет в наличии, поставок нет
52 0334337

Втулка, верхний EE, EL, ES Models TL, TSL Models (BUSHING, Upper. EE, EL, ES Models TL, TSL Models)

нет в наличии, поставок нет
53 0339824

Винт, Trail lock (SCREW, Trail lock)

нет в наличии, поставок нет
54 0307238

Шайба, Кронштейн Винт (WASHER, Bracket screw)

нет в наличии, поставок нет
55 0332414

Сальник, Удлинитель корпуса (SEAL, Exhaust housing)

нет в наличии, поставок нет
56 0122890

Гайка, Tilt Штифт (NUT, Tilt pin)

нет в наличии, поставок нет
57 0309705

Винт, Inner to outer Выхлоп hsg. (SCREW, Inner to outer exhaust hsg.)

нет в наличии, поставок нет
57 0307155

   (последний код) SCREW

нет в наличии, поставок нет
58 0339822

Винт, Монтажный кронштейн (SCREW, Mount bracket)

нет в наличии, поставок нет
59 0433030

Удлинитель корпуса, Inner, стандарт (EXHAUST HOUSING, Inner, standard)

нет в наличии, поставок нет
59 0332424

   (последний код) HSG-INNER EXHAUST

нет в наличии, поставок нет
59 0433031

Удлинитель корпуса, Inner, long (EXHAUST HOUSING, Inner, long)

нет в наличии, поставок нет
59 0332426

   (последний код) HSG-INNER EXH

нет в наличии, поставок нет
60 0335852

Заглушка (PLUG)

нет в наличии, поставок нет
61 0332425

Удлинитель корпуса, Outer, стандарт (EXHAUST HOUSING, Outer, standard)

нет в наличии, поставок нет
61 0332427

Удлинитель корпуса, Outer, long (EXHAUST HOUSING, Outer, long)

нет в наличии, поставок нет
62 0314390

Шайба, Trail lock (WASHER, Trail lock)

нет в наличии, поставок нет
63 0317894

Колпачок (CAP)

нет в наличии, поставок нет
63 3852150

   (последний код) CAP

нет в наличии, поставок нет
64 0332419

Монтажный кронштейн, Port (MOUNT BRACKET, Port)

нет в наличии, поставок нет
65 0332420

Монтажный кронштейн, Starboard (MOUNT BRACKET, Starboard)

нет в наличии, поставок нет
66 0339823

Винт, Монтажный кронштейн (SCREW, Mount bracket)

нет в наличии, поставок нет
66 0327973

   (последний код) SCREW

нет в наличии, поставок нет
67 0332429

Пыльник, Inner to outer Корпус (GROMMET, Inner to outer housing)

нет в наличии, поставок нет
68 0318573

Винт, Кронштейн to transom, 3 1 / 2 дюйм (89 мм) Опции (SCREW, Bracket to transom, 3 1/2 in. (89mm) Optional)

нет в наличии, поставок нет
68 3852153

   (последний код) BOLT

нет в наличии, поставок нет
68 0336675

Винт, Кронштейн to transom, 4 1 / 4 дюйм (108 мм) (SCREW, Bracket to transom, 4 1/4 in. (108mm))

нет в наличии, поставок нет
68 0336676

   (последний код) 4 3/4" TRNSM BOLT

нет в наличии, поставок нет
68 0336676

Винт, Кронштейн to transom, 4 3 / 4 дюйм (121 мм) Опции (SCREW, Bracket to transom, 4 3/4 in. (121mm) Optional)

нет в наличии, поставок нет
68 0336675

   (последний код) BOLT

нет в наличии, поставок нет
68 0331578

Винт, Кронштейн to transom, 5 дюйм (127 мм) Опцииi onal (SCREW, Bracket to transom, 5 in. (127mm) Opti onal)

нет в наличии, поставок нет
68 0321577

Винт, Кронштейн to transom, 6 дюйм (152 мм) Опцииi onal (SCREW, Bracket to transom, 6 in. (152mm) Opti onal)

нет в наличии, поставок нет
69 0344332

Сальник, Рулевая система Рычаг to Нижняя часть корпуса (SEAL, Steering arm to lower cover)

нет в наличии, поставок нет
69 0332441

   (последний код) SEAL

нет в наличии, поставок нет
70 0436470

RUBBER Верхнее крепление (RUBBER MOUNT, Upper)

нет в наличии, поставок нет
70 0388234

   (последний код) RUBBER MOUNT

нет в наличии, поставок нет
71 0332421

Крепление, Кронштейн, front (MOUNT, Bracket, front)

нет в наличии, поставок нет
72 0333764

RUBBER Крепление нижнее (RUBBER MOUNT, Lower)

нет в наличии, поставок нет
73 0335554

Гайка, Tilting Трубка (NUT, Tilting tube)

нет в наличии, поставок нет
74 0327264

Зажим кабеля. TL, TSL Models TTL Models Only (CLAMP, Cable. TL, TSL Models TTL Models Only)

нет в наличии, поставок нет
74 0352105

   (последний код) CLAMP

нет в наличии, поставок нет
75 0333673

Винт зажима, tilt assist Кабели. 40R, 50R Models EE, EL, ES Models TE Models Only (SCREW, Clamp, tilt assist cable. 40R, 50R Models EE, EL, ES Models TE Models Only)

нет в наличии, поставок нет
75 0332226

   (последний код) SCREW

нет в наличии, поставок нет
76 0306470

Шайба с блокировкой, Винт, Кронштейн (LOCK WASHER, Screw, bracket)

нет в наличии, поставок нет
76 3852061

   (последний код) LOCKWASHER

нет в наличии, поставок нет
77 0308825

Винт, Зажим кабеля. TL, TSL Models TTL Models Only (SCREW, Clamp, cable. TL, TSL Models TTL Models Only)

нет в наличии, поставок нет
77 3852081

   (последний код) SCREW

нет в наличии, поставок нет
78 0310442

Зажим кабеля. TL, TSL Models TTL Models Only (CLAMP, Cable. TL, TSL Models TTL Models Only)

нет в наличии, поставок нет
79 0327283

Шайба, Винт, Анод (WASHER, Screw, anode)

нет в наличии, поставок нет
80 0333674

Винт, Анод (SCREW, Anode)

нет в наличии, поставок нет
81 0324952

Струбцина, Tilt assist Кабели. 40R, 50R Models EE, EL, ES Models TE Models Only (CLAMP, Tilt assist cable. 40R, 50R Models EE, EL, ES Models TE Models Only)

нет в наличии, поставок нет
82 0173029

Анод (ANODE)

нет в наличии, поставок нет
82 0123009

   (последний код) ANODE

нет в наличии, поставок нет
83 0339033

Шайба, Гайка, Цилиндр (WASHER, Nut, cylinder)

нет в наличии, поставок нет
84 0334343

BAFFLE, Выхлоп relief (BAFFLE, Exhaust relief)

нет в наличии, поставок нет
85 0334281

Прокладка, Relief Крышка (GASKET, Relief cover)

нет в наличии, поставок нет
86 0335221

Винт, Baffle to Корпус (SCREW, Baffle to housing)

нет в наличии, поставок нет
86 0328715

   (последний код) SCREW

нет в наличии, поставок нет
87 0334879

Пластина, Baffle (PLATE, Baffle)

нет в наличии, поставок нет
88 0306423

Винт, верхний Крепление (SCREW, Upper mount)

нет в наличии, поставок нет
89 0306470

LOCK Шайба верхнего крепежа (LOCK WASHER, Upper mount)

нет в наличии, поставок нет
89 3852061

   (последний код) LOCKWASHER

нет в наличии, поставок нет
90 0333868

Винт, верхний Крепление (SCREW, Upper mount)

нет в наличии, поставок нет
91 0313581

Бампер, Крепление Винт (BUMPER, Mount screw)

нет в наличии, поставок нет
92 0321232

RETAINING Шайба (RETAINING WASHER)

нет в наличии, поставок нет
92 0313546

   (последний код) RETAINING WASHER

нет в наличии, поставок нет
93 0313580

Шайба верхнего крепежа (WASHER, Upper mount)

нет в наличии, поставок нет
94 0334341

Ролик, Струбцина. TL, TSL Models (ROLLER, Clamp. TL, TSL Models)

нет в наличии, поставок нет
95 0321452

Пыльник, Переключающая тяга (GROMMET, Shift rod)

нет в наличии, поставок нет
95 0318249

   (последний код) GROMMET

нет в наличии, поставок нет
96 0334883

Пыльник, Выхлоп relief (GROMMET, Exhaust relief)

нет в наличии, поставок нет
97 0321243

Втулка, Tilt Кабели. TL, TSL Models TTL Models Only (BUSHING, Tilt cable. TL, TSL Models TTL Models Only)

нет в наличии, поставок нет
98 0334438

Ручка наклона и Блокировка задней передачи (KNOB, Tilt and reverse lock)

нет в наличии, поставок нет
99 0328701

Шайба, Винт, tie bar (WASHER, Screw, tie bar)

нет в наличии, поставок нет
99 3852182

   (последний код) WASHER,LOCK

нет в наличии, поставок нет
100 0334247

TIE BAR (TIE BAR)

нет в наличии, поставок нет
100 0351247

   (последний код) BAR,TIE

нет в наличии, поставок нет
101 0318238

Винт, Ручка (SCREW, Knob)

нет в наличии, поставок нет
102 0582494

LEAD в сборе., Рулевая система Рычаг (LEAD ASSY., Steering arm)

нет в наличии, поставок нет
102 0387043

   (последний код) LEAD-ASSEMBL

нет в наличии, поставок нет
103 0332453

Упорная шайба, Поворотный кронштейн (THRUST WASHER, Swivel bracket)

нет в наличии, поставок нет
104 0337586

WIPER Гайка (WIPER NUT)

нет в наличии, поставок нет
104 0983678

   (последний код) NUT & WIPER

нет в наличии, поставок нет
105 0301250

Шайба с блокировкой, Удлинитель корпуса (LOCK WASHER, Exhaust housing)

нет в наличии, поставок нет
105 0911009

   (последний код) WASHER

нет в наличии, поставок нет
106 0133022

Винт, Exh. hsg. to powerhead (SCREW, Exh. hsg. to powerhead)

нет в наличии, поставок нет
107 0339824

Винт, Tie bar (SCREW, Tie bar)

нет в наличии, поставок нет
109 0341549

SHIELD, Tilt Трубка (SHIELD, Tilt tube)

нет в наличии, поставок нет
110 0333821

Опорная шайба Вал (WASHER, Pivot shaft)

нет в наличии, поставок нет
111 0319787

Втулка, Поворотный кронштейн to tilt Трубка (BUSHING, Swivel bracket to tilt tube)

нет в наличии, поставок нет
111 0317789

   (последний код) BUSHING

нет в наличии, поставок нет
112 0332435

Штифт, Цилиндр наклона (PIN, Tilt cylinder)

нет в наличии, поставок нет
evinrude

Время выполнения запроса 6.9493680000305 сек.


 
 

данный сайт носит информационный характер и не является публичной офертой

склад запчастей для водомоторной техники