вконтакте

Контактный телефон: +7 (981) 121-46-93, +7 (800) 200-90-76 , Email: parts-katalog@yandex.ru, где купить

 
 

  Логин:

Пароль:

Регистрация

www.partskatalog.ru Все каталоги Запчасти Mercury Запчасти Suzuki Запчасти Tohatsu Запчасти Honda Контакты


Все разделы каталога запчастей на этот двигатель

назад Раздел:   вперёд

вернуться к списку узлов и деталей

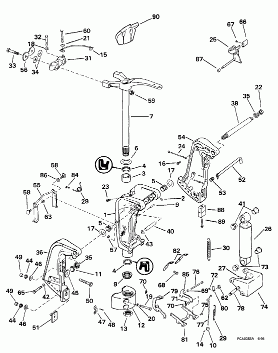
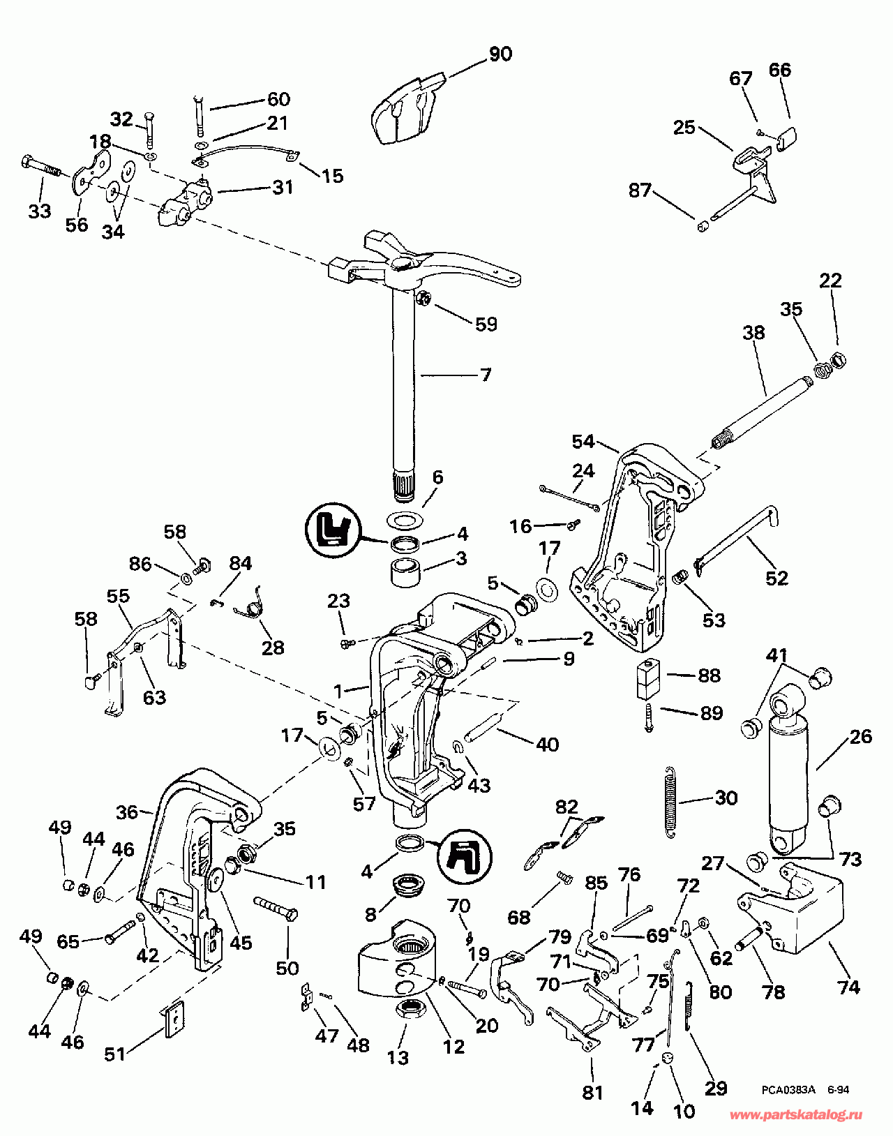
ДЕТАЛИРОВКА ДЛЯ МОДЕЛИ: EVINRUDE BE70ELECB 1998

MIDSECTION -- РУЧНОЙ TILT | MIDSECTION -- MANUAL TILT;


Подвесной лодочный мотор EVINRUDE BE70ELECB 1998  -  Manual Tilt / ручной Tilt

Номер на
рисунке
АртикулНаименованиеКол-во
на складе
Цена
1 0396962

Поворотный кронштейн (SWIVEL BRACKET)

нет в наличии, поставок нет
2 0313607

LUBRICATION FITTING (LUBRICATION FITTING)

нет в наличии, поставок нет
2 3852121

   (последний код) FITTING,LUB

нет в наличии, поставок нет
3 0320962

Втулка (BUSHING)

нет в наличии, поставок нет
4 0320937

Сальник (SEAL)

нет в наличии, поставок нет
5 0321035

Втулка, Поворотный кронштейн (BUSHING, Swivel bracket)

нет в наличии, поставок нет
6 0320866

THRUST Опорная шайба Вал (THRUST WASHER, Pivot shaft)

нет в наличии, поставок нет
7 0392517

Рулевая система Рычаг ASSEMBLY (STEERING ARM ASSEMBLY)

нет в наличии, поставок нет
7 0388647

   (последний код) STRG-ARM&SHA

нет в наличии, поставок нет
8 0327696

KEEPER, Стержень Вал (KEEPER, Pivot shaft)

нет в наличии, поставок нет
9 0312863

Штифт, Trail lock stop (PIN, Trail lock stop)

нет в наличии, поставок нет
10 0332693

Воротник блокировки реверса release (COLLAR, Reverse lock release)

нет в наличии, поставок нет
11 0317894

Колпачок, Tilt Трубка (CAP, Tilt tube)

нет в наличии, поставок нет
11 3852150

   (последний код) CAP

нет в наличии, поставок нет
12 0340773

Монтажный кронштейн (MOUNT BRACKET)

нет в наличии, поставок нет
13 0320746

Гайка, Монтажный кронштейн (NUT, MOUNT BRACKET)

нет в наличии, поставок нет
14 0304221

Винт, Рычаг блокировки задней передачи (SCREW, Reverse lock lever)

нет в наличии, поставок нет
15 0584119

LEAD ASSEMBLY, Заземление (LEAD ASSEMBLY, Ground)

нет в наличии, поставок нет
15 0583360

   (последний код) LEAD-AY

нет в наличии, поставок нет
16 0306014

Винт, Заземление lead (SCREW, Ground lead)

нет в наличии, поставок нет
17 0910992

Упорная шайба, Кронштейн транца (THRUST WASHER, Stern bracket)

нет в наличии, поставок нет
17 0327699

   (последний код) THRUST-WASHE

нет в наличии, поставок нет
18 0320397

Шайба верхнего крепежа (WASHER, Upper mount)

нет в наличии, поставок нет
18 3852162

   (последний код) WASHER

нет в наличии, поставок нет
19 0318612

Винт, Крепление (SCREW, Mount)

нет в наличии, поставок нет
19 0321737

   (последний код) SCREW

нет в наличии, поставок нет
20 0307708

Шайба с блокировкой, Крепление (LOCK WASHER, Mount)

нет в наличии, поставок нет
20 0302865

   (последний код) LOCKWASHER

нет в наличии, поставок нет
21 0306470

LOCK Шайба верхнего крепежа (LOCK WASHER, Upper mount)

нет в наличии, поставок нет
21 3852061

   (последний код) LOCKWASHER

нет в наличии, поставок нет
22 0322376

WIPER Гайка, Tilt Трубка to Кабели. Recommended to Prevent Corrosion in Salt Water Usage (WIPER NUT, Tilt tube to cable. Recommended to Prevent Corrosion in Salt Water Usage)

нет в наличии, поставок нет
23 0306014

Винт, Заземление (SCREW, Ground)

нет в наличии, поставок нет
24 0584120

LEAD ASSEMBLY, Заземление (LEAD ASSEMBLY, Ground)

нет в наличии, поставок нет
25 0397730

Рычаг и Вал (LEVER AND SHAFT)

нет в наличии, поставок нет
26 0387791

SHOCK ABSORBER (SHOCK ABSORBER)

нет в наличии, поставок нет
27 0909676

Установочный винт, Проставка (SET SCREW, Spacer)

нет в наличии, поставок нет
28 0332698

Пружина, Trail lock (SPRING, Trail lock)

нет в наличии, поставок нет
28 0349180

   (последний код) SPRING

нет в наличии, поставок нет
29 0332689

Пружина, Trail lock return (SPRING, Trail lock return)

нет в наличии, поставок нет
30 0321920

Пружина блокировки задней передачи (SPRING, Reverse lock)

нет в наличии, поставок нет
31 0436394

Монтажная резинка ASSEMBLY, верхний (RUBBER MOUNT ASSEMBLY, Upper)

нет в наличии, поставок нет
31 0395873

   (последний код) RUBBER MOUNT

нет в наличии, поставок нет
32 0306836

Винт, верхний Крепление (SCREW, Upper mount)

нет в наличии, поставок нет
33 0321653

Винт, верхний Крепление (SCREW, Upper mount)

нет в наличии, поставок нет
34 0313580

Шайба, Крепление Винт (WASHER, Mount screw)

нет в наличии, поставок нет
35 0323599

Гайка, Tilt Трубка (NUT, Tilt tube)

нет в наличии, поставок нет
35 0316828

   (последний код) NUT

нет в наличии, поставок нет
36 0395844

Кронштейн транца, Starboard (STERN BRACKET, Starboard)

нет в наличии, поставок нет
36 0397948

   (последний код) STERN-BRKT

нет в наличии, поставок нет
38 0321052

TILT Трубка (TILT TUBE)

нет в наличии, поставок нет
40 0320792

Штифт, Цилиндр наклона (PIN, Tilt cylinder)

нет в наличии, поставок нет
41 0322481

Втулка, Цилиндр наклона (BUSHING, Tilt cylinder)

нет в наличии, поставок нет
41 0320941

   (последний код) BUSHING

нет в наличии, поставок нет
42 0307708

Шайба, Винт, Кронштейн to Проставка (WASHER, Screw, bracket to spacer)

нет в наличии, поставок нет
42 0302865

   (последний код) LOCKWASHER

нет в наличии, поставок нет
43 0321054

Пружина Зажим (SPRING CLIP)

нет в наличии, поставок нет
44 0313623

Гайка, Кронштейн транца Винт (NUT, Stern bracket screw)

нет в наличии, поставок нет
44 0321861

   (последний код) NUT

нет в наличии, поставок нет
45 0307238

Шайба, Гайка (WASHER, Nut)

нет в наличии, поставок нет
46 0320248

Шайба (WASHER)

нет в наличии, поставок нет
46 0312910

   (последний код) WASHER

нет в наличии, поставок нет
47 0318273

Фиксатор (RETAINER)

нет в наличии, поставок нет
48 0319886

Винт (SCREW)

нет в наличии, поставок нет
49 0318572

Монтажная крышка Винтs (CAP, Mounting screws)

нет в наличии, поставок нет
50 0318573

Винт, Кронштейн to transom, 3 1 / 2 дюйм (89 мм) Опции (SCREW, Bracket to transom, 3 1/2 in. (89mm). Optional)

нет в наличии, поставок нет
50 3852153

   (последний код) BOLT

нет в наличии, поставок нет
50 0336676

Винт, Кронштейн to transom, 4 3 / 4 дюйм (120 мм) std. (SCREW, Bracket to transom, 4 3/4 in. (120mm) std.)

нет в наличии, поставок нет
50 0336675

   (последний код) BOLT

нет в наличии, поставок нет
50 0331578

Винт, Кронштейн to transom, 5 дюйм (127 мм) Опции (SCREW, Bracket to transom, 5 in. (127mm). Optional)

нет в наличии, поставок нет
50 0321577

Винт, Кронштейн to transom, 6 дюйм (152 мм) Опции (SCREW, Bracket to transom, 6 in. (152mm). Optional)

нет в наличии, поставок нет
51 0318272

Пластина (PLATE)

нет в наличии, поставок нет
52 0436541

Стержень тяги ASSEMBLY (THRUST ROD ASSEMBLY)

нет в наличии, поставок нет
52 0387278

   (последний код) TH-ROD&RETAI

нет в наличии, поставок нет
53 0321053

Пружина, Стержень тяги (SPRING, Thrust rod)

нет в наличии, поставок нет
54 0396309

Кронштейн транца, Port (STERN BRACKET, Port)

нет в наличии, поставок нет
54 0395843

   (последний код) STERN-BRACKE

нет в наличии, поставок нет
55 0390442

TRAIL LOCK Рычаг (TRAIL LOCK LEVER)

нет в наличии, поставок нет
55 5004427

   (последний код) LEVER&ROD AY

нет в наличии, поставок нет
56 0321935

RETAINING Пластина, Крепление Винт (RETAINING PLATE, Mount screw)

нет в наличии, поставок нет
57 0552938

Гайка (NUT)

нет в наличии, поставок нет
57 0306319

   (последний код) NUT

нет в наличии, поставок нет
58 0329109

SHOULDER Винт, Trail lock (SHOULDER SCREW, Trail lock)

нет в наличии, поставок нет
58 0321389

   (последний код) HH-SHOULDER

нет в наличии, поставок нет
59 0315511

Гайка, Винт, верхний Крепление (NUT, Screw, upper mount)

нет в наличии, поставок нет
60 0306423

Винт (SCREW)

нет в наличии, поставок нет
62 0332690

Проставка, Tilt lock Вал (SPACER, Tilt lock shaft)

нет в наличии, поставок нет
63 0552993

Шайба, Винт to Кронштейн (WASHER, Screw to bracket)

нет в наличии, поставок нет
63 0330266

   (последний код) WASHER

нет в наличии, поставок нет
65 0552968

Винт, Проставка, 1 7 / 16 дюйм (37 мм) (SCREW, Spacer, 1 7/16 in. (37mm))

нет в наличии, поставок нет
65 0321675

   (последний код) SCREW

нет в наличии, поставок нет
65 0318612

Винт, Проставка, 2 3 / 4 дюйм (70 мм) (SCREW, Spacer, 2 3/4 in. (70mm))

нет в наличии, поставок нет
65 0321737

   (последний код) SCREW

нет в наличии, поставок нет
66 0329012

Ручка наклона lock (KNOB, Tilt lock)

нет в наличии, поставок нет
66 0318157

   (последний код) KNOB

нет в наличии, поставок нет
67 0318238

Винт, Ручка (SCREW, Knob)

нет в наличии, поставок нет
68 0123077

Винт, Пружина (SCREW, Spring)

нет в наличии, поставок нет
69 0204757

Пружинная шайба (SPRING WASHER)

нет в наличии, поставок нет
70 0333774

Шплинт (COTTER PIN)

нет в наличии, поставок нет
71 0303887

Шайба, Блокировка задней передачи Штифт (WASHER, Reverse lock pin)

нет в наличии, поставок нет
72 0319108

Винт, BellКривошип (SCREW, Bellcrank)

нет в наличии, поставок нет
72 0311512

   (последний код) SCREW

нет в наличии, поставок нет
73 0321246

Втулка, Цилиндр наклона (BUSHING, Tilt cylinder)

нет в наличии, поставок нет
74 0329519

Проставка, Кронштейн транца (SPACER, Stern bracket)

нет в наличии, поставок нет
74 0326689

   (последний код) SPACER

нет в наличии, поставок нет
75 0321591

Штифт тяги to locking Рычаг (PIN, Link to locking lever)

нет в наличии, поставок нет
76 0321592

Штифт тяги to Поворотный кронштейн (PIN, Link to swivel bracket)

нет в наличии, поставок нет
77 0332692

Тяга, Блокировка задней передачи release (ROD, Reverse lock release)

нет в наличии, поставок нет
78 0321695

Штифт, Shock absorber, нижний (PIN, Shock absorber, lower)

нет в наличии, поставок нет
79 0332687

Соединитель, Блокировка задней передачи, starboard (LINK, Reverse lock, starboard)

нет в наличии, поставок нет
80 0332691

BELLКривошип, Releasing Тяга (BELLCRANK, Releasing rod)

нет в наличии, поставок нет
81 0321750

LOCKING Рычаг, Блокировка задней передачи (LOCKING LEVER, Reverse lock)

нет в наличии, поставок нет
82 0334345

Фиксатор, Пружина блокировка задней передачи (RETAINER, Reverse lock spring)

нет в наличии, поставок нет
82 0323594

   (последний код) RETAINER-REV

нет в наличии, поставок нет
84 0332697

Фиксатор пружины, trail lock (RETAINER, Spring, trail lock)

нет в наличии, поставок нет
85 0332875

Соединитель, Блокировка задней передачи, port (LINK, Reverse lock, port)

нет в наличии, поставок нет
86 0553766

Волнистая шайба, Shoulder Винт to Рычаг, port (WAVE WASHER, Shoulder screw to lever, port)

нет в наличии, поставок нет
86 0123886

   (последний код) SPRING-WASHE

нет в наличии, поставок нет
87 0332688

Проставка, Handle (SPACER, Handle)

нет в наличии, поставок нет
88 0433458

Анод, Кронштейн транца (ANODE, Stern bracket)

нет в наличии, поставок нет
88 0398331

   (последний код) ANODE & INSERT AY

нет в наличии, поставок нет
89 0333350

Винт, Анод (SCREW, Anode)

нет в наличии, поставок нет
90 0336309

Сальник, Рулевая система Рычаг (SEAL, Steering arm)

нет в наличии, поставок нет
evinrude

Время выполнения запроса 1.5307459831238 сек.


 
 

данный сайт носит информационный характер и не является публичной офертой

склад запчастей для водомоторной техники