вконтакте

Контактный телефон: +7 (981) 121-46-93, +7 (800) 200-90-76 , Email: parts-katalog@yandex.ru, где купить

 
 

  Логин:

Пароль:

Регистрация

www.partskatalog.ru Все каталоги Запчасти Mercury Запчасти Suzuki Запчасти Tohatsu Запчасти Honda Контакты



УВАЖАЕМЫЕ КЛИЕНТЫ!
C 19 ДЕКАБРЯ 2025 ПО 02 МАРТА 2026 ГОДА ОТДЕЛ ЗАПЧАСТЕЙ И СЕРВИС РАБОТАТЬ НЕ БУДУТ
ПРОДАЖА ЛОДОЧНЫХ МОТОРОВ В ШТАТНОМ РЕЖИМЕ
ОБ ИЗМЕНЕНИЯХ В ГРАФИКЕ РАБОТЫ ЧИТАЙТЕ НА САЙТА




Все разделы каталога запчастей на этот двигатель

назад Раздел:   вперёд

вернуться к списку узлов и деталей

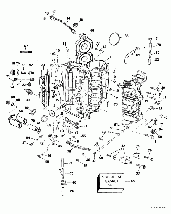
ДЕТАЛИРОВКА ДЛЯ МОДЕЛИ: EVINRUDE E90FPLEEC 1999

ЦИЛИНДР & КАРТЕР ДВИГАТЕЛЯ | CYLINDER & CRANKCASE;


Лодочный подвесной мотор Эвинруд E90FPLEEC 1999  - linder & Crankcase - linder & Картер двигателя

Номер на
рисунке
АртикулНаименованиеКол-во
на складе
Цена
1 0439546

Цилиндр & Картер двигателя в сборе. (CYLINDER & CRANKCASE ASSY.)

нет в наличии, поставок нет
1 0438933

   (последний код) CYL&CRKC AY

нет в наличии, поставок нет
2 0304178

Шпонка, Подшипник (DOWEL PIN, Bearing)

нет в наличии, поставок нет
3 0305070

Штифт, конус (PIN, Taper)

нет в наличии, поставок нет
4 0336630

Штифт, Roll (PIN, Roll)

нет в наличии, поставок нет
5 0336166

Винт, Цилиндр to ccase, short (SCREW, Cylinder to ccase, short)

нет в наличии, поставок нет
6 0335611

Винт, Цилиндр to ccase, long (SCREW, Cylinder to ccase, long)

нет в наличии, поставок нет
6 0908738

   (последний код) STUD-EXH--MA

нет в наличии, поставок нет
7 0335369

Ниппель, Drain, верхний (NIPPLE, Drain, upper)

нет в наличии, поставок нет
8 0343929

Винт, Emission (SCREW, Emission)

нет в наличии, поставок нет
8 0343928

   (последний код) WASHER

нет в наличии, поставок нет
9 0437773

Обратный клапан в сборе., верхний & center (CHECK VALVE ASSY., Upper & center)

нет в наличии, поставок нет
9 0437613

   (последний код) VALVE AY,CHECK

нет в наличии, поставок нет
10 0303492

Ниппель, Water sвышеply & Дискharge (NIPPLE, Water supply & discharge)

нет в наличии, поставок нет
11 0

Водяная заглушка pressure (PLUG, Water pressure)

нет в наличии, поставок нет
0343928 0343928

Шайба (WASHER)

нет в наличии, поставок нет
0343928 0343929

   (последний код) SCREW AY

нет в наличии, поставок нет
12 0303492

Ниппель, Pulse Шланг (NIPPLE, Pulse hose)

нет в наличии, поставок нет
14 0586140

температура Датчик, Port (TEMPERATURE SENSOR, Port)

нет в наличии, поставок нет
15 0514697

LOCK WEDGE (LOCK WEDGE)

нет в наличии, поставок нет
16 0514679

Клемма, Штифт (TERMINAL, Pin)

нет в наличии, поставок нет
17 0514696

Коннектор, 2-Штифт (CONNECTOR, 2-pin)

нет в наличии, поставок нет
18 0329562

Крышка (COVER)

нет в наличии, поставок нет
19 0338632

Крышка термостата (COVER, Thermostat)

нет в наличии, поставок нет
20 0585184

температура Переключатель, Stbd. (TEMPERATURE SWITCH, Stbd.)

нет в наличии, поставок нет
20 0586094

   (последний код) SWITCH AY,TEMP

нет в наличии, поставок нет
21 0511469

Клемма, Штифт (TERMINAL, Pin)

нет в наличии, поставок нет
21 3852229

   (последний код) TERMINAL,PIN

нет в наличии, поставок нет
23 0329562

Крышка (COVER)

нет в наличии, поставок нет
24 0513357

Коннектор (CONNECTOR)

нет в наличии, поставок нет
24 3854845

   (последний код) CONNECTOR 513357

нет в наличии, поставок нет
25 0331188

Уплотнительное кольцо крышки термостата. Included in Powerhead Комплект прокладок (O-RING, Thermostat cover. Included in Powerhead Gasket Set .)

5 шт370 руб.
26 0

Шланг, Tee to block, 2 дюйм (50 мм) сокращёная длина from 25 фут (7, 6m) Roll, P / N 333341 (HOSE, Tee to block, 2 in. (50mm). Cut to Length from 25 ft. (7,6m) Roll, P/N 333341 .)

нет в наличии, поставок нет
27 0328744

Винт, Цилиндр to Картер двигателя, 3 / 4 дюйм long (SCREW, Cylinder to crankcase, 3/4 in. long)

нет в наличии, поставок нет
27 0308741

   (последний код) SCREW

нет в наличии, поставок нет
28 0330935

Втулка, Рычаг переключения (BUSHING, Shift lever)

нет в наличии, поставок нет
29 0328725

Винт, Рычаг тяги переключения (SCREW, Shift rod lever)

нет в наличии, поставок нет
29 3852187

   (последний код) SCREW

нет в наличии, поставок нет
30 5000322

Свеча зажигания, NGK. "C" Suffix Models (SPARK PLUG, NGK. "C" Suffix Models .)

нет в наличии, поставок нет
30 5000547

   (последний код) SPARK PLUG

нет в наличии, поставок нет
30 5000547

Свеча зажигания, Champion. Use 5001111 для 1998 / 99 90 & 115 hp Use 5001866 для 1999 / 2000 200 & 225 hp Use 5001111 для 1997 и не-вышеdated 1998 / 99 150-175 Use 5001211 для all other 1998 / 99 вышеdated with Штифт heads (SPARK PLUG, Champion. Use 5001111 for 1998/99 90 & 115 hp Use 5001866 for 1999/2000 200 & 225 hp Use 5001111 for 1997 and non-updated 1998/99 150-175 Use 5001211 for all other 1998/99 updated with pin heads)

нет в наличии, поставок нет
30 5000830

   (последний код) SP-PLUG XC10PEP

нет в наличии, поставок нет
31 0433817

Рычаг в сборе., Переключающая тяга (LEVER ASSY., Shift rod)

нет в наличии, поставок нет
32 0436853

KIT, верхний Крепление в сборе. (KIT, Upper mount assy.)

нет в наличии, поставок нет
32 0436603

   (последний код) MOUNT AY,UPPER

нет в наличии, поставок нет
33 0344277

Винт, верхний Крепление (SCREW, Upper mount)

нет в наличии, поставок нет
33 0343024

   (последний код) SCREW

нет в наличии, поставок нет
34 0343628

Головка блока цилиндра, Stbd. (CYLINDER HEAD, Stbd.)

нет в наличии, поставок нет
34 0344961

   (последний код) HEAD,CYLINDER

нет в наличии, поставок нет
35 0328724

Винт, Battery Заземление (SCREW, Battery ground)

нет в наличии, поставок нет
35 3852186

   (последний код) SCREW

нет в наличии, поставок нет
36 0335523

Уплотнительное кольцо, Головка блока цилиндра. Included in Powerhead Комплект прокладок (O-RING, Cylinder head. Included in Powerhead Gasket Set .)

1 шт770 руб.
37 0330933

Винт, Рычаг переключения to block (SCREW, Shift arm to block)

нет в наличии, поставок нет
38 0343118

Переключающая тяга Рычаг to Рычаг переключения (LINK, Shift lever to shift arm)

нет в наличии, поставок нет
38 0335382

   (последний код) LINK,SHIFT-LEVE

нет в наличии, поставок нет
39 0328725

Винт, Крышка, trunnion (SCREW, Cover, trunnion)

нет в наличии, поставок нет
39 3852187

   (последний код) SCREW

нет в наличии, поставок нет
40 0306012

Пружина Шайба вала переключения (SPRING WASHER, Shift shaft)

нет в наличии, поставок нет
41 0336136

Струбцина, Пыльник, water (CLAMP, Grommet, water)

нет в наличии, поставок нет
42 0311015

Втулка, Рычаг переключения (BUSHING, Shift lever)

нет в наличии, поставок нет
42 3852094

   (последний код) BUSHING

нет в наличии, поставок нет
43 0328701

Шайба с блокировкой, Заземление (LOCK WASHER, Ground)

нет в наличии, поставок нет
43 3852182

   (последний код) WASHER,LOCK

нет в наличии, поставок нет
44 0202026

Шайба, Рычаг переключения (WASHER, Shift arm)

нет в наличии, поставок нет
45 0436902

Рычаг переключения (SHIFT LEVER)

нет в наличии, поставок нет
46 0328702

Шайба, Соединитель to Рычаг переключения (WASHER, Link to shift arm)

нет в наличии, поставок нет
46 3852183

   (последний код) WASHER

нет в наличии, поставок нет
47 0335528

Крышка, Trunnion (COVER, Trunnion)

нет в наличии, поставок нет
47 0349060

   (последний код) COVER,TRUNNION

нет в наличии, поставок нет
48 0340734

Втулка, Переключающий вал в сборе. (BUSHING, Shift shaft assy.)

нет в наличии, поставок нет
49 0330941

Штифт, Рычаг переключения (PIN, Shift arm)

нет в наличии, поставок нет
50 5000470

Переключающий вал & Рычаг в сборе. (SHIFT SHAFT & ARM ASSY.)

нет в наличии, поставок нет
50 0436822

   (последний код) ARM&SHAFT AY,SHIFT

нет в наличии, поставок нет
51 0345672

TRUNNION BLOCK (TRUNNION BLOCK)

нет в наличии, поставок нет
51 0349061

   (последний код) BLOCK,TRUNNION

нет в наличии, поставок нет
52 0435491

Термостат в сборе. (THERMOSTAT ASSY.)

нет в наличии, поставок нет
53 0338174

Пружина, Термостат (SPRING, Thermostat)

нет в наличии, поставок нет
54 0328733

Пружинная шайба, Рычаг переключения (SPRING WASHER, Shift lever)

нет в наличии, поставок нет
55 0333774

Зажим, Переключатель Рычаг переключателя Рычаг (CLIP, Shift lever, shift arm)

нет в наличии, поставок нет
56 0439953

Пыльник & INSERT, Выхлоп relief (GROMMET & INSERT, Exhaust relief)

нет в наличии, поставок нет
56 0437827

   (последний код) GROMMET AY,EXH REL

нет в наличии, поставок нет
57 0328744

Винт, Trunnion to block (SCREW, Trunnion to block)

нет в наличии, поставок нет
57 0308741

   (последний код) SCREW

нет в наличии, поставок нет
58 0335316

Сальник, Переключающая тяга (SEAL, Shift rod)

нет в наличии, поставок нет
59 0436857

Заглушка & NOZZLE, Overboard Индикатор (PLUG & NOZZLE, Overboard indicator)

нет в наличии, поставок нет
59 0336217

   (последний код) NOZZLE,OVBD DRAIN

нет в наличии, поставок нет
60 0320107

Крепёжный хомут (TIE STRAP)

нет в наличии, поставок нет
60 5035626

   (последний код) BAND,REM CON

нет в наличии, поставок нет
61 0335521

Втулка, Рычаг переключения to block (BUSHING, Shift lever to block)

нет в наличии, поставок нет
62 0343881

Ниппель, нижний drain (NIPPLE, Lower drain)

нет в наличии, поставок нет
63 0324677

Уплотнительное кольцо, Ниппель, нижний drain (O-RING, Nipple, lower drain)

нет в наличии, поставок нет
64 0328649

Винт, нижний Дренажный ниппель (SCREW, Lower drain nipple)

нет в наличии, поставок нет
64 0337541

   (последний код) SCREW

нет в наличии, поставок нет
65 0301967

Уплотнительное кольцо, Overboard Индикатор (O-RING, Overboard indicator)

нет в наличии, поставок нет
66 0343627

Головка блока цилиндра, Port (CYLINDER HEAD, Port)

нет в наличии, поставок нет
66 0344960

   (последний код) HEAD,CYLINDER

нет в наличии, поставок нет
67 0306500

Винт, Головка блока цилиндра (SCREW, Cylinder head)

нет в наличии, поставок нет
68 0328584

Крепление (MOUNT)

нет в наличии, поставок нет
68 0349557

   (последний код) MOUNT

нет в наличии, поставок нет
69 0329749

Шайба, Крепление (WASHER, Mount)

нет в наличии, поставок нет
69 0349556

   (последний код) WASHER

нет в наличии, поставок нет
70 0330263

Винт, верхний Крепление retention (SCREW, Upper mount retention)

нет в наличии, поставок нет
70 0914534

   (последний код) SCREW

нет в наличии, поставок нет
71 0

Шланг, Блок цилиндра vent to tee, 16 дюйм (406m m) сокращёная длина from 25 фут (7, 6m) Roll, P / N 327228 (HOSE, Cylinder block vent to tee, 16 in. (406m m). Cut to Length from 25 ft. (7,6m) Roll, P/N 327228 .)

нет в наличии, поставок нет
72 0330474

30o TEE, Water return Шлангs (30o TEE, Water return hoses)

нет в наличии, поставок нет
73 0328724

Винт, Battery Заземление (SCREW, Battery ground)

нет в наличии, поставок нет
73 3852186

   (последний код) SCREW

нет в наличии, поставок нет
74 0340418

Фиксатор, верхний Крепление (RETAINER, Upper mount)

нет в наличии, поставок нет
75 0328701

Шайба с блокировкой, Battery Заземление (LOCK WASHER, Battery ground)

нет в наличии, поставок нет
75 3852182

   (последний код) WASHER,LOCK

нет в наличии, поставок нет
76 0319126

Винт, Powerhead to Выхлоп hsg. (SCREW, Powerhead to exhaust hsg.)

нет в наличии, поставок нет
76 0326696

   (последний код) SCREW

нет в наличии, поставок нет
77 0328724

Винт, Заземление (SCREW, Ground)

нет в наличии, поставок нет
77 3852186

   (последний код) SCREW

нет в наличии, поставок нет
78 0

Шланг, верхний Подшипник vent to Обратный клапан, 6 дюйм (152 мм) сокращёная длина from 25 фут (7, 6m) Roll, P / N 340848 (HOSE, Upper bearing vent to check valve, 6 in. (152mm). Cut to Length from 25 ft. (7,6m) Roll, P/N 340848 .)

нет в наличии, поставок нет
79 0343398

Шланг, Выхлоп Пыльник to block (HOSE, Exhaust grommet to block)

нет в наличии, поставок нет
80 0335981

Сальник термостата (SEAL, Thermostat)

нет в наличии, поставок нет
81 0

Шланг, верхний stbd. brg. vent to stbd. Система впуска mf ld., 9 дюйм (229 мм) сокращёная длина from 25 фут (7, 6m) Roll, P / N 340848 (HOSE, Upper stbd. brg. vent to stbd. intake mf ld., 9 in. (229mm). Cut to Length from 25 ft. (7,6m) Roll, P/N 340848 .)

нет в наличии, поставок нет
82 0434927

Обратный клапан (CHECK VALVE)

нет в наличии, поставок нет
83 0

Шланг, нижний Подшипник vent to Обратный клапан, 4 1 / 2 дюйм (114 мм) сокращёная длина from 25 фут (7, 6m) Roll, P / N 327228 (HOSE, Lower bearing vent to check valve, 4 1/2 in. (114mm). Cut to Length from 25 ft. (7,6m) Roll, P/N 327228 .)

нет в наличии, поставок нет
84 0435537

Струбцина топливной трубки в сборе. (CLAMP, Fuel tube assy.)

нет в наличии, поставок нет
84 0436193

   (последний код) HSG AY,EXH-LONG

нет в наличии, поставок нет
85 5000400

POWERHEAD Комплект прокладок (POWERHEAD GASKET SET)

нет в наличии, поставок нет
evinrude

Время выполнения запроса 3.9541428089142 сек.


 
 

данный сайт носит информационный характер и не является публичной офертой

склад запчастей для водомоторной техники