вконтакте

Контактный телефон: +7 (981) 121-46-93, +7 (800) 200-90-76 , Email: parts-katalog@yandex.ru, где купить

 
 

  Логин:

Пароль:

Регистрация

www.partskatalog.ru Все каталоги Запчасти Mercury Запчасти Suzuki Запчасти Tohatsu Запчасти Honda Контакты



УВАЖАЕМЫЕ КЛИЕНТЫ!
C 19 ДЕКАБРЯ 2025 ПО 02 МАРТА 2026 ГОДА ОТДЕЛ ЗАПЧАСТЕЙ И СЕРВИС РАБОТАТЬ НЕ БУДУТ
ПРОДАЖА ЛОДОЧНЫХ МОТОРОВ В ШТАТНОМ РЕЖИМЕ
ОБ ИЗМЕНЕНИЯХ В ГРАФИКЕ РАБОТЫ ЧИТАЙТЕ НА САЙТА




Все разделы каталога запчастей на этот двигатель

назад Раздел:   вперёд

вернуться к списку узлов и деталей

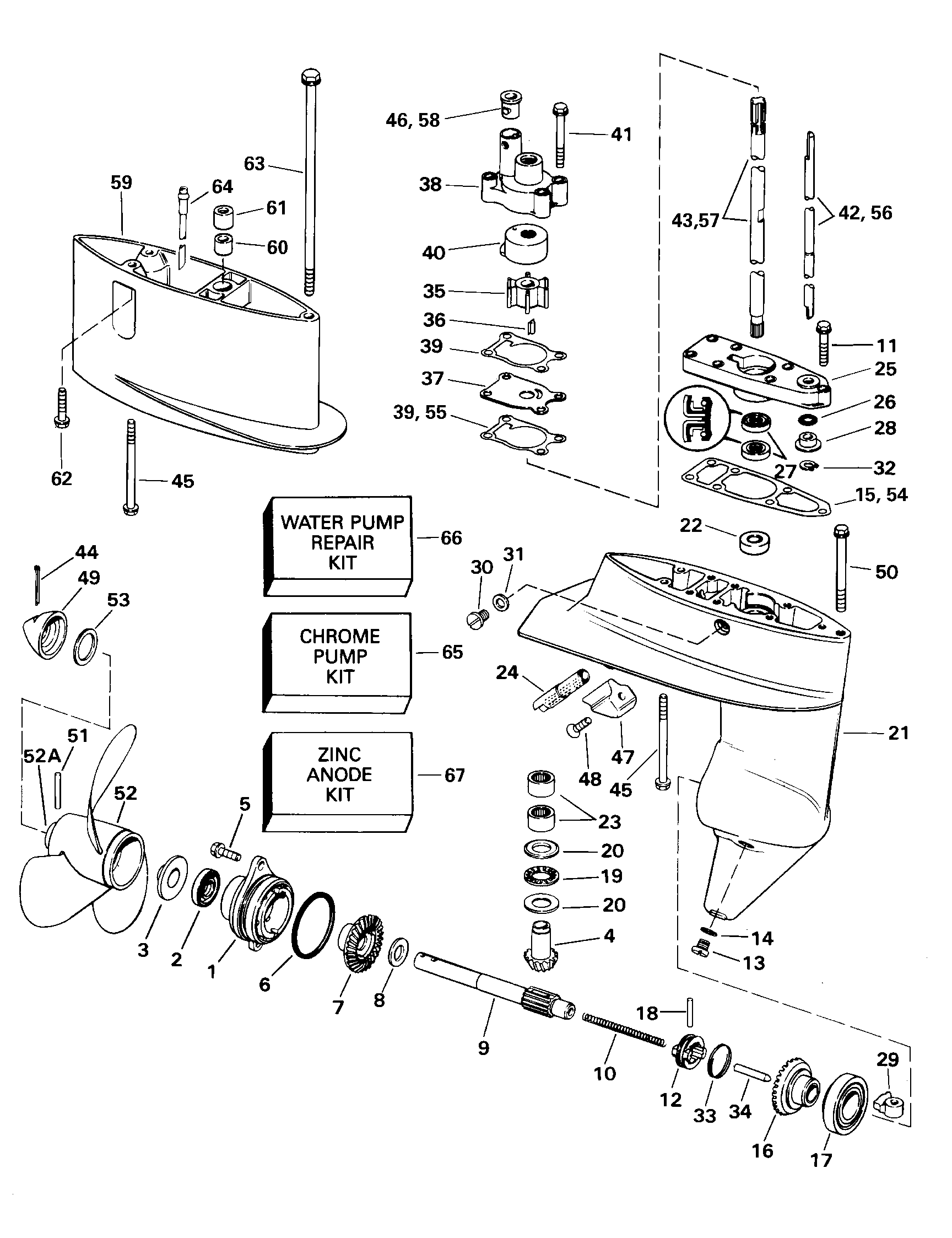
ДЕТАЛИРОВКА ДЛЯ МОДЕЛИ: EVINRUDE E8WRLSSC Commercial, Rope Start, Tiller,

РЕДУКТОР | GEARCASE;


Подвесной мотор EVINRUDE E8WRLSSC Commercial, Rope Start, Tiller,  - arcase

Номер на
рисунке
АртикулНаименованиеКол-во
на складе
Цена
0439006

Редуктор в сборе. (GEARCASE ASSY.)

нет в наличии, поставок нет
0437750

   (последний код) GEARCASE AY,20"

нет в наличии, поставок нет
1 0434294

*Корпус в сборе., Вал гребного винта (HOUSING ASSY., Propeller shaft)

нет в наличии, поставок нет
1 0393747

   (последний код) G-CASE-HEAD

нет в наличии, поставок нет
2 0336493

**Сальник, Вал гребного винта (SEAL, Oil, propeller shaft)

нет в наличии, поставок нет
3 0336414

**Втулка (BUSHING)

нет в наличии, поставок нет
4 0336297

*Шестерня, DriveВал (PINION, Driveshaft)

нет в наличии, поставок нет
5 0333706

*Винт, Подшипник Корпус to Редуктор (SCREW, Bearing housing to gearcase)

нет в наличии, поставок нет
6 0322494

*Уплотнительное кольцо, Подшипник Корпус to Редуктор (O-RING, Bearing housing to gearcase)

нет в наличии, поставок нет
7 0396992

*Шестерня & Втулка в сборе., Reverse (GEAR & BUSHING ASSY., Reverse)

нет в наличии, поставок нет
7 0393939

   (последний код) GEAR,REVERSE

нет в наличии, поставок нет
8 0303361

**Упорная шайба (THRUST WASHER)

нет в наличии, поставок нет
9 0344200

*Вал гребного винта (PROPELLER SHAFT)

нет в наличии, поставок нет
9 0324628

   (последний код) PROP-SHAFT

нет в наличии, поставок нет
10 0324624

*Пружина переключателяer (SPRING, Shifter)

нет в наличии, поставок нет
11 0333676

*Винт, Крышка to Редуктор (SCREW, Cover to gearcase)

нет в наличии, поставок нет
11 3854923

   (последний код) SCREW

нет в наличии, поставок нет
12 0326340

*Переключатель собачки сцепления (SHIFTER, Clutch dog)

нет в наличии, поставок нет
12 0324625

   (последний код) CLUTCH-DOG

нет в наличии, поставок нет
13 0318544

*Винт дренажный Заглушка, нижний (SCREW, Drain plug, lower)

нет в наличии, поставок нет
13 0912624

   (последний код) SCREW

нет в наличии, поставок нет
14 0311598

**Шайба (WASHER)

нет в наличии, поставок нет
14 3852105

   (последний код) WASHER

нет в наличии, поставок нет
15 0324637

*Прокладка, Редуктор Крышка (GASKET, Gearcase cover)

нет в наличии, поставок нет
16 0438966

*Шестерня & Подшипник в сборе., дляward (GEAR & BEARING ASSY., Forward)

нет в наличии, поставок нет
16 0396312

   (последний код) GEAR & BUSHING AY

нет в наличии, поставок нет
17 0389858

**Роликовый подшипник, дляward Шестерня (ROLLER BEARING, Forward gear)

нет в наличии, поставок нет
18 0324626

*Штифт сцепления dog (PIN, Clutch dog)

нет в наличии, поставок нет
19 0388000

*THRUST Подшипник, Шестерня (THRUST BEARING, Pinion)

нет в наличии, поставок нет
20 0336296

*Упорная шайба шестерни Шестерня Подшипник (THRUST WASHER, Pinion bearing)

нет в наличии, поставок нет
21 0434281

*GCASE, BRG., SCREEN & Заглушка AY. (GCASE, BRG., SCREEN & PLUG AY.)

нет в наличии, поставок нет
22 0391048

**Подшипник в сборе., DriveВал (BEARING ASSY., Driveshaft)

1 шт4890 руб.
22 0389574

   (последний код) BRG AY-DRIVESHAFT

нет в наличии, поставок нет
23 0386473

**Подшипник в сборе., Шестерня to Редуктор (BEARING ASSY., Pinion to gearcase)

нет в наличии, поставок нет
24 0396200

**SCREEN & Водяная заглушка Система впуска (SCREEN & PLUG, Water intake)

нет в наличии, поставок нет
24 0324633

   (последний код) SCREEN

нет в наличии, поставок нет
25 0434152

*Крышка ASSEMBLY, Редуктор (COVER ASSEMBLY, Gearcase)

нет в наличии, поставок нет
25 0389837

   (последний код) G-CASE-CVR&S

нет в наличии, поставок нет
26 0305242

**Уплотнительное кольцо, Переключающая тяга (O-RING, Shift rod)

нет в наличии, поставок нет
27 0324639

**Сальник, DriveВал (SEAL, Driveshaft)

1 шт880 руб.
28 0324642

**Втулка, Переключающая тяга (BUSHING, Shift rod)

нет в наличии, поставок нет
29 0324615

*Кулачок переключателя (CAM, Shift)

нет в наличии, поставок нет
30 0307551

*Винт дренажный Заглушка, верхний (SCREW, Drain plug, upper)

нет в наличии, поставок нет
30 0982851

   (последний код) SCREW-PLUG

нет в наличии, поставок нет
31 0311598

**Шайба (WASHER)

нет в наличии, поставок нет
31 3852105

   (последний код) WASHER

нет в наличии, поставок нет
32 0324616

*Стопорное кольцо, Переключающая тяга (RETAINING RING, Shift rod)

нет в наличии, поставок нет
33 0324627

*Фиксатор, Сцепление dog (RETAINER, Clutch dog)

нет в наличии, поставок нет
34 0324623

*Плунжер (PLUNGER)

нет в наличии, поставок нет
35 0436137

Крыльчатка в сборе. - Z. Contents of Ремкомплект водяного насоса (IMPELLER ASSY. - Z. Contents of Water Pump Repair Kit)

1 шт2040 руб.
35 0433936

   (последний код) IMPELLER AY

нет в наличии, поставок нет
36 0331130

*Ключ, Крыльчатка to driveВал - Z. Contents of Ремкомплект водяного насоса (KEY, Impeller to driveshaft - Z. Contents of Water Pump Repair Kit)

1 шт550 руб.
37 0324640

Пластина корпуса крыльчатки - Z. Contents of Ремкомплект водяного насоса (PLATE, Impeller housing - Z. Contents of Water Pump Repair Kit)

нет в наличии, поставок нет
38 0389577

Крыльчатка Корпус в сборе. (IMPELLER HOUSING ASSY.)

нет в наличии, поставок нет
39 0325040

Прокладка крыльчатки Корпус - Z. Contents of Ремкомплект водяного насоса (GASKET, Impeller housing - Z. Contents of Water Pump Repair Kit)

нет в наличии, поставок нет
40 0324641

Cвыше, Крыльчатка Корпус - Z. Contents of Ремкомплект водяного насоса (CUP, Impeller housing - Z. Contents of Water Pump Repair Kit)

нет в наличии, поставок нет
41 0331980

Винт, Крыльчатка hsg. to gcase - Z. Contents of Ремкомплект водяного насоса (SCREW, Impeller hsg. to gcase - Z. Contents of Water Pump Repair Kit)

нет в наличии, поставок нет
42 0336061

Переключающая тяга, нижний , Std. (SHIFT ROD, Lower, Std.)

нет в наличии, поставок нет
42 0336060

Переключающая тяга, нижний , Long - Y. 8WRL Models (SHIFT ROD, Lower, Long - Y. 8WRL Models)

нет в наличии, поставок нет
43 0337939

DRIVEВал, 15 дюйм (381 мм) (DRIVESHAFT, 15 in. (381mm))

нет в наличии, поставок нет
43 0341356

   (последний код) DRIVESHAFT USE 337939

нет в наличии, поставок нет
43 0337940

DRIVEВал, 20 дюйм (508 мм) - Y. 8WRL Models (DRIVESHAFT, 20 in. (508mm) - Y. 8WRL Models)

нет в наличии, поставок нет
44 0306394

Шплинт, Колпачок to Вал гребного винта (COTTER PIN, Cap to propeller shaft)

нет в наличии, поставок нет
44 3852056

   (последний код) PIN,COTTER

нет в наличии, поставок нет
45 0324643

Винт, Редуктор to exh. hsg. (SCREW, Gearcase to exh. hsg.)

нет в наличии, поставок нет
46 0302497

Нижний пыльник трубки водяного насоса - Z. Contents of Ремкомплект водяного насоса (GROMMET, Water tube, lower - Z. Contents of Water Pump Repair Kit)

2 шт250 руб.
47 0334451

Анод, Редуктор (ANODE, Gearcase)

нет в наличии, поставок нет
47 0432397

   (последний код) ANODE KIT

нет в наличии, поставок нет
48 0328725

Винт, Анод (SCREW, Anode)

нет в наличии, поставок нет
48 3852187

   (последний код) SCREW

нет в наличии, поставок нет
49 0324694

Колпачок гребного винта Вал (CAP, Propeller shaft)

нет в наличии, поставок нет
50 0342540

Винт, Редуктор to Передний корпус, 15 дюйм (SCREW, Gearcase to housing, front, 15 in.)

нет в наличии, поставок нет
50 0316440

   (последний код) SCREW

нет в наличии, поставок нет
51 0324690

DRIVE Штифт, Гребной винт (DRIVE PIN, Propeller)

нет в наличии, поставок нет
52 0391096

Гребной винт, 8 X 7 (PROPELLER, 8 X 7)

нет в наличии, поставок нет
52 0778796

   (последний код) PROP,AL 8X7/PIN

нет в наличии, поставок нет
52 0390237

Гребной винт, 8 1 / 2 X 9, Std. (PROPELLER, 8 1/2 X 9, Std.)

нет в наличии, поставок нет
52 0778797

   (последний код) PROP,AL 8.5 X 9

нет в наличии, поставок нет
52 0392183

Гребной винт, 9 1 / 4 X 6 1 / 2 (PROPELLER, 9 1/4 X 6 1/2)

нет в наличии, поставок нет
52A 0389583

*Втулка, Гребной винт (BUSHING, Propeller)

нет в наличии, поставок нет
53 0324689

Упорная шайба, Вал гребного винта, rear (THRUST WASHER, Propeller shaft, rear)

нет в наличии, поставок нет
0435542

Удлинитель KIT в сборе., 5-inch - Y. 8WRL Models (EXTENSION KIT ASSY., 5-inch - Y. 8WRL Models)

нет в наличии, поставок нет
54 0324637

*Прокладка, Редуктор Крышка - Y. 8WRL Models (GASKET, Gearcase cover - Y. 8WRL Models)

нет в наличии, поставок нет
55 0325040

*Прокладка крыльчатки Корпус - Y. 8WRL Models (GASKET, Impeller housing - Y. 8WRL Models)

нет в наличии, поставок нет
56 0336060

*Переключающая тяга, Long - Y. 8WRL Models (SHIFT ROD, Long - Y. 8WRL Models)

нет в наличии, поставок нет
57 0337940

*DRIVEВал, Long - Y. 8WRL Models (DRIVESHAFT, Long - Y. 8WRL Models)

нет в наличии, поставок нет
58 0302497

*Нижний пыльник трубки водяного насоса - Y. 8WRL Models (GROMMET, Water tube, lower - Y. 8WRL Models)

2 шт250 руб.
59 0396308

*Редуктор Удлинитель - Y. 8WRL Models (GEARCASE EXTENSION - Y. 8WRL Models)

нет в наличии, поставок нет
59 0393744

   (последний код) G-CASE-EXT

нет в наличии, поставок нет
60 0310674

**Втулка - Y. 8WRL Models (BUSHING - Y. 8WRL Models)

нет в наличии, поставок нет
61 0326742

**Гильза - Y. 8WRL Models (SLEEVE - Y. 8WRL Models)

нет в наличии, поставок нет
61 0326988

   (последний код) SLEEVE

нет в наличии, поставок нет
62 0333676

*Винт, Удлинитель to Корпус - Y. 8WRL Models (SCREW, Extension to housing - Y. 8WRL Models)

нет в наличии, поставок нет
62 3854923

   (последний код) SCREW

нет в наличии, поставок нет
63 0330247

*Винт, Редуктор & Удлинитель to Удлинитель корпуса - Y. 8WRL Models (SCREW, Gearcase & extension to exhaust housing - Y. 8WRL Models)

нет в наличии, поставок нет
63 0324645

   (последний код) SCREW

нет в наличии, поставок нет
64 0320025

*Удлинитель, Водяная трубка - Y. 8WRL Models (EXTENSION, Water tube - Y. 8WRL Models)

нет в наличии, поставок нет
65 0390772

Хромированный ремкомплект водяного насоса (CHROME PUMP KIT)

нет в наличии, поставок нет
66 0396644

Ремкомплект водяного насоса (WATER PUMP REPAIR KIT)

нет в наличии, поставок нет
66 0389844

   (последний код) WATERPUMP KIT

нет в наличии, поставок нет
67 0432397

ZINC Анод KIT, (Includes 47 & 48) (ZINC ANODE KIT, (Includes 47 & 48))

нет в наличии, поставок нет
67 0334451

   (последний код) ANODE

нет в наличии, поставок нет
evinrude

Время выполнения запроса 8.0522630214691 сек.


 
 

данный сайт носит информационный характер и не является публичной офертой

склад запчастей для водомоторной техники