вконтакте

Контактный телефон: +7 (981) 121-46-93, +7 (800) 200-90-76 , Email: parts-katalog@yandex.ru, где купить

 
 

  Логин:

Пароль:

Регистрация

www.partskatalog.ru Все каталоги Запчасти Mercury Запчасти Suzuki Запчасти Tohatsu Запчасти Honda Контакты


Все разделы каталога запчастей на этот двигатель

назад Раздел:   вперёд

вернуться к списку узлов и деталей

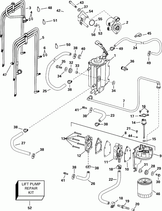
ДЕТАЛИРОВКА ДЛЯ МОДЕЛИ: EVINRUDE E150FPXSSV FFI, Elec Start, TNT, 20 IN.

FUEL COMPONENTS | FUEL COMPONENTS;


Подвесной двигатель EVINRUDE E150FPXSSV FFI, Elec Start, TNT, 20 IN.   - el Components / el Components

Номер на
рисунке
АртикулНаименованиеКол-во
на складе
Цена
1 0439347

Пароотделитель / Топливный насос (VAPOR SEPARATOR/FUEL PUMP)

нет в наличии, поставок нет
1 5004428

   (последний код) RSVR&PUMP AY,FUEL

нет в наличии, поставок нет
2 5001394

Топливный инжектор - Z. All Except "V" Suffix Models (FUEL INJECTOR - Z. All Except "V" Suffix Models)

нет в наличии, поставок нет
2 5005195

   (последний код) INJECTOR AY,FUEL

нет в наличии, поставок нет
2 5000945

Топливный инжектор - Y. "V" Suffix Models Only (FUEL INJECTOR - Y. "V" Suffix Models Only)

нет в наличии, поставок нет
2 5004479

   (последний код) INJECTOR AY,FUEL

нет в наличии, поставок нет
3 5000205

FUEL Коллектор в сборе., Sвышеply (FUEL MANIFOLD ASSY., Supply)

нет в наличии, поставок нет
4 0344828

*Уплотнительное кольцо, чёрный (O-RING, Black)

нет в наличии, поставок нет
5 5000206

FUEL Коллектор в сборе., Return (FUEL MANIFOLD ASSY., Return)

нет в наличии, поставок нет
5 5005407

   (последний код) MNFLD AY,FUEL RTRN

нет в наличии, поставок нет
6 0343585

*Уплотнительное кольцо, коричневый (O-RING, Brown)

нет в наличии, поставок нет
7 5000202

FUEL SвышеPLY Трубка в сборе., Фильтр to Пароотделитель (FUEL SUPPLY TUBE ASSY., Filter to vapor separator)

нет в наличии, поставок нет
8 0439634

Лифтовый топливный насос в сборе. (FUEL LIFT PUMP ASSY.)

нет в наличии, поставок нет
8 5001367

   (последний код) PUMP AY,FUEL

нет в наличии, поставок нет
9 0439633

*Корпус в сборе. (HOUSING ASSY.)

нет в наличии, поставок нет
9 5001364

   (последний код) SEE PRICE BOOK

нет в наличии, поставок нет
10 0344733

*Прокладка (GASKET)

нет в наличии, поставок нет
10 0347061

   (последний код) GASKET

нет в наличии, поставок нет
11 0439665

*Корпус в сборе., Lift Помпа. Use 5004454 Топливный насос Kit для 1998-2001 75- 115 H.P. FFI, Use 5004455 Топливный насос Kit для 1999-2001 135-175 H.P. FFI.. Use 5004454 Топливный насос Kit для 1998-2001 75- 115 H.P. FFI, Use 5004455 Топливный насос Kit для 1999-2001 135-175 H.P. FFI. (HOUSING ASSY., Lift pump. Use 5004454 Fuel Pump Kit for 1998-2001 75- 115 H.P. FFI, Use 5004455 Fuel Pump Kit for 1999-2001 135-175 H.P. FFI.. Use 5004454 Fuel Pump Kit for 1998-2001 75- 115 H.P. FFI, Use 5004455 Fuel Pump Kit for 1999-2001 135-175 H.P. FFI.)

нет в наличии, поставок нет
12 0439759

*Крышка, Lift Помпа. Use 5004454 Топливный насос Kit для 1998-2001 75- 115 H.P. FFI, Use 5004455 Топливный насос Kit для 1999-2001 135-175 H.P. FFI. Use 5004454 Топливный насос Kit для 1998-2001 75- 115 H.P. FFI, Use 5004455 Топливный насос Kit для 1999-2001 135-175 H.P. FFI (COVER, Lift pump. Use 5004454 Fuel Pump Kit for 1998-2001 75- 115 H.P. FFI, Use 5004455 Fuel Pump Kit for 1999-2001 135-175 H.P. FFI. Use 5004454 Fuel Pump Kit for 1998-2001 75- 115 H.P. FFI, Use 5004455 Fuel Pump Kit for 1999-2001 135-175 H.P. FFI)

нет в наличии, поставок нет
13 0330184

*Винт (SCREW)

нет в наличии, поставок нет
14 0439926

WATER Датчик в сборе. (WATER SENSOR ASSY.)

нет в наличии, поставок нет
14 5001502

   (последний код) SENSOR AY, H20/FFI

нет в наличии, поставок нет
15 3850819

*Уплотнительное кольцо (O-RING)

нет в наличии, поставок нет
15 0915352

   (последний код) O-RING

нет в наличии, поставок нет
16 0336481

Винт (SCREW)

нет в наличии, поставок нет
17 0344609

Фиксатор, Датчик (RETAINER, Sensor)

нет в наличии, поставок нет
18 0438935

Трубка для подключения топливного бака, в сборе & oil connection (TUBE ASSY., Fuel & oil connection)

нет в наличии, поставок нет
18 0343551

   (последний код) TUBE

нет в наличии, поставок нет
19 0343553

*Фиксатор (RETAINER)

нет в наличии, поставок нет
20 0344351

*Пыльник (GROMMET)

нет в наличии, поставок нет
20 0343734

   (последний код) CLIP

нет в наличии, поставок нет
21 0333673

Винт, Заземление (SCREW, Ground)

нет в наличии, поставок нет
21 0332226

   (последний код) SCREW

нет в наличии, поставок нет
22 0345108

Шланг, вход Трубка to lift Помпа (HOSE, Inlet tube to lift pump)

нет в наличии, поставок нет
23 0333385

Шланг, Lift Помпа pulse, верхний to #2 (HOSE, Lift pump pulse, upper to #2)

нет в наличии, поставок нет
23 0324078

   (последний код) HOSE9CARB-TO

нет в наличии, поставок нет
24 0345529

Шланг, Пароотделитель to Система впуска (HOSE, Vapor separator to intake)

нет в наличии, поставок нет
25 0345109

Водяной шланг, Пароотделитель to EMM (HOSE, Water, vapor separator to EMM)

нет в наличии, поставок нет
26 0345110

Шланг, Lift Помпа pulse, нижний to #5 (HOSE, Lift pump pulse, lower to #5)

нет в наличии, поставок нет
27 0346540

Водяной шланг, cyl. block to vapor sep. (HOSE, Water, cyl. block to vapor sep.)

нет в наличии, поставок нет
28 0333040

ISOLATOR, Кронштейн Креплениеing (ISOLATOR, Bracket mounting)

нет в наличии, поставок нет
29 0328703

Шайба (WASHER)

нет в наличии, поставок нет
29 3852184

   (последний код) WASHER

нет в наличии, поставок нет
30 0333710

Винт, Кронштейн to Картер двигателя (SCREW, Bracket to crankcase)

нет в наличии, поставок нет
30 0332012

   (последний код) SCREW

нет в наличии, поставок нет
31 0338558

Проставка, Fuel Кронштейн (SPACER, Fuel bracket)

нет в наличии, поставок нет
32 0329518

Пыльник пароотделителя mtg. (GROMMET, Vapor separator mtg.)

нет в наличии, поставок нет
32 3852195

   (последний код) GROMMET

нет в наличии, поставок нет
33 0335328

Проставка, Пароотделитель (SPACER, Vapor separator)

нет в наличии, поставок нет
34 0328700

Шайба, Пароотделитель Креплениеing (WASHER, Vapor separator mounting)

нет в наличии, поставок нет
34 0331250

   (последний код) WASHER

нет в наличии, поставок нет
35 0333710

Винт, Пароотделитель to block (SCREW, Vapor separator to block)

нет в наличии, поставок нет
35 0332012

   (последний код) SCREW

нет в наличии, поставок нет
36 0344848

Шпилька, Пароотделитель to block (STUD, Vapor separator to block)

нет в наличии, поставок нет
37 0348224

Шайба, инжектор (WASHER, Injector)

нет в наличии, поставок нет
38 0320107

Крепёжный хомут (TIE STRAP)

нет в наличии, поставок нет
38 5035626

   (последний код) BAND,REM CON

нет в наличии, поставок нет
39 0343765

Винт Струбцина (SCREW CLAMP)

нет в наличии, поставок нет
40 0510487

Стопорное кольцо (RETAINING RING)

нет в наличии, поставок нет
41 0345702

Ниппель, Pulse (NIPPLE, Pulse)

нет в наличии, поставок нет
43 0347386

Винт, инжектор to head (12-14 фут lbs.) (SCREW, Injector to head (12-14 ft. lbs.))

нет в наличии, поставок нет
43 0349870

   (последний код) SCREW

нет в наличии, поставок нет
44 0303701

Шайба с блокировкой, Заземление (LOCK WASHER, Ground)

нет в наличии, поставок нет
45 0310441

J-Струбцина, Vent Шланг to Дроссель газа (J-CLAMP, Vent hose to throttle body)

нет в наличии, поставок нет
45 0316385

   (последний код) CLAMP

нет в наличии, поставок нет
46 0502906

Топливный фильтр (FUEL FILTER)

нет в наличии, поставок нет
46 5009676

   (последний код) FILTER AY,FUEL

нет в наличии, поставок нет
47 0126341

Колпачок, Pressure port (CAP, Pressure port)

нет в наличии, поставок нет
48 0907833

Крепёжный хомут, Коллекторs (TIE STRAP, Manifolds)

нет в наличии, поставок нет
48 3852423

   (последний код) TIE STRAP /907833

нет в наличии, поставок нет
49 0317893

Крепёжный хомут (TIE STRAP)

нет в наличии, поставок нет
49 3852149

   (последний код) TIE-STRAP

нет в наличии, поставок нет
50 0320107

Крепёжный хомут, Водяная трубка to EMM (TIE STRAP, Water hose to EMM)

нет в наличии, поставок нет
50 5035626

   (последний код) BAND,REM CON

нет в наличии, поставок нет
51 0320107

Крепёжный хомут, Fuel Коллекторs to EMM (TIE STRAP, Fuel manifolds to EMM)

нет в наличии, поставок нет
51 5035626

   (последний код) BAND,REM CON

нет в наличии, поставок нет
53 0348496

Уплотнительное кольцо, Пружина & button to Топливный инжектор (O-RING, Spring & button to fuel injector)

нет в наличии, поставок нет
53 0348104

   (последний код) O-RING

нет в наличии, поставок нет
54 5001718

Фиксатор, Топливный инжектор (RETAINER, Fuel injector)

нет в наличии, поставок нет
55 0348107

*Уплотнительное кольцо (O-RING)

нет в наличии, поставок нет
56 5001901

Пружина & BUTTON в сборе (SPRING & BUTTON ASSY)

нет в наличии, поставок нет
57 0439881

LIFT Помпа Ремонтный комплект (LIFT PUMP REPAIR KIT)

нет в наличии, поставок нет
evinrude

Время выполнения запроса 5.7355089187622 сек.


 
 

данный сайт носит информационный характер и не является публичной офертой

склад запчастей для водомоторной техники