вконтакте

Контактный телефон: +7 (981) 121-46-93, +7 (800) 200-90-76 , Email: parts-katalog@yandex.ru, где купить

 
 

  Логин:

Пароль:

Регистрация

www.partskatalog.ru Все каталоги Запчасти Mercury Запчасти Suzuki Запчасти Tohatsu Запчасти Honda Контакты


Все разделы каталога запчастей на этот двигатель

назад Раздел:   вперёд

вернуться к списку узлов и деталей

ДЕТАЛИРОВКА ДЛЯ МОДЕЛИ: EVINRUDE E5R4SIE 4-stroke, rope start, tiller, 15

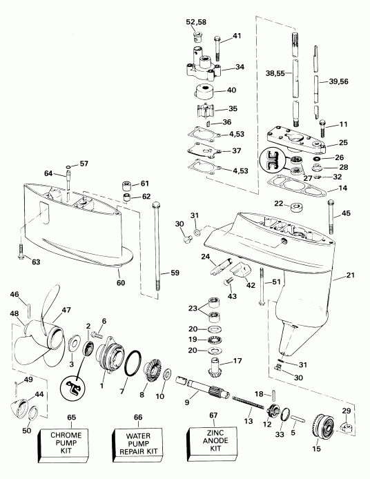
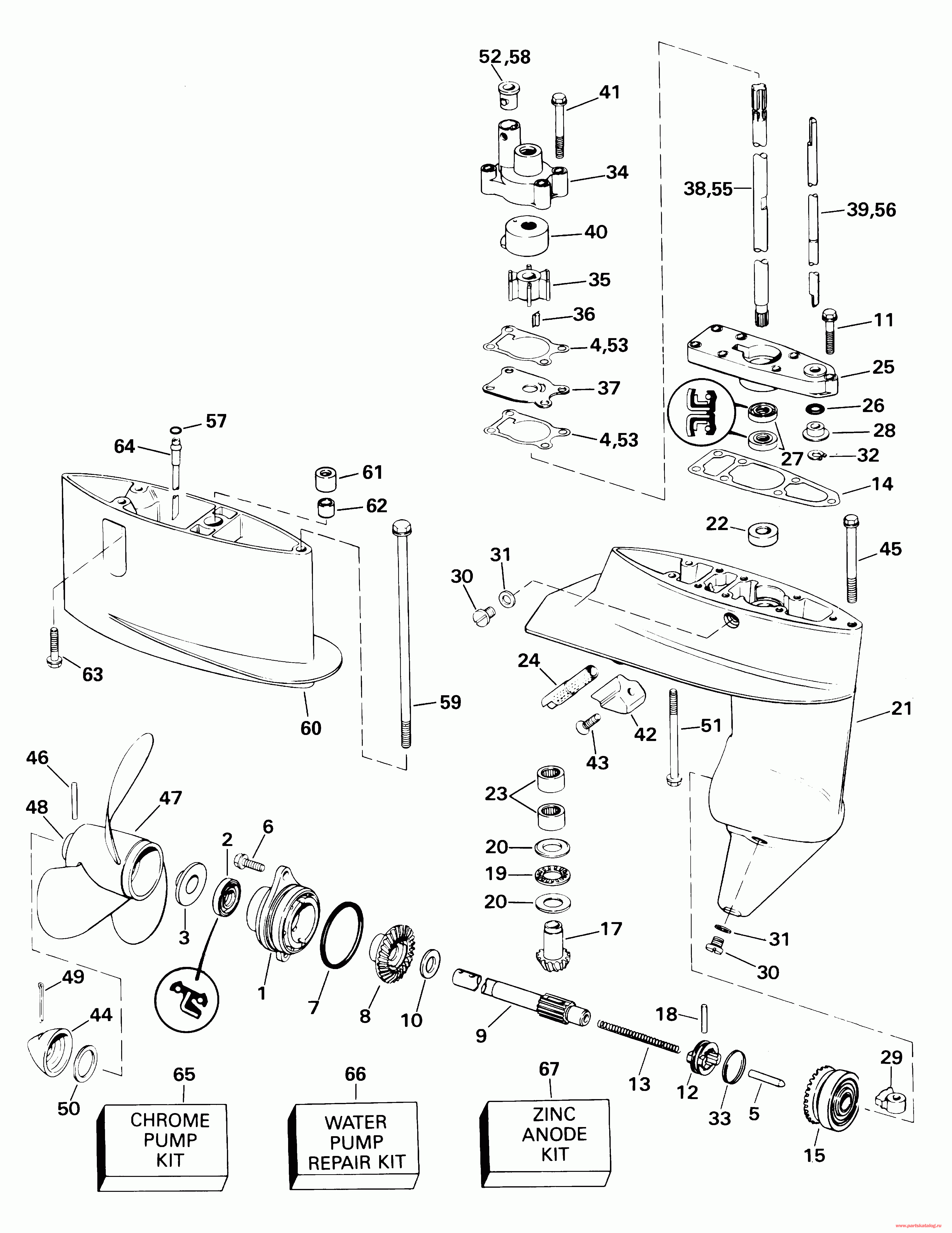
РЕДУКТОР | GEARCASE;


 Эвинруд E5R4SIE 4-stroke, rope start, tiller, 15  - arcase - arcase

Номер на
рисунке
АртикулНаименованиеКол-во
на складе
Цена
0439006

Редуктор в сборе.. (Not Shown.) (GEARCASE ASSY.. (Not Shown.))

нет в наличии, поставок нет
0437750

   (последний код) GEARCASE AY,20"

нет в наличии, поставок нет
1 0434294

*Корпус в сборе., Вал гребного винта (HOUSING ASSY., Propeller shaft)

нет в наличии, поставок нет
1 0393747

   (последний код) G-CASE-HEAD

нет в наличии, поставок нет
2 0336493

**Сальник, Вал гребного винта (SEAL, Propeller shaft)

нет в наличии, поставок нет
3 0336414

**Втулка (BUSHING)

нет в наличии, поставок нет
4 0325040

*Прокладка крыльчатки Корпус. (Contents of Ремкомплект водяного насоса.) (GASKET, Impeller housing. (Contents of Water Pump Repair Kit.))

нет в наличии, поставок нет
5 0324623

*Плунжер, Сцепление dog (PLUNGER, Clutch dog)

нет в наличии, поставок нет
6 0333706

*Винт, Brg. Hsg. to Редуктор (SCREW, Brg. Hsg. to gearcase)

нет в наличии, поставок нет
7 0322494

*Уплотнительное кольцо, Brg. Hsg. to Редуктор (O-RING, Brg. Hsg. to gearcase)

нет в наличии, поставок нет
8 0396992

*Шестерня обратного хода (GEAR, Reverse)

нет в наличии, поставок нет
8 0393939

   (последний код) GEAR,REVERSE

нет в наличии, поставок нет
9 0344200

*Вал гребного винта в сборе. (PROPELLER SHAFT ASSY.)

нет в наличии, поставок нет
9 0324628

   (последний код) PROP-SHAFT

нет в наличии, поставок нет
10 0303361

*Упорная шайба (WASHER, Thrust)

нет в наличии, поставок нет
11 0333676

*Винт, Крышка to Редуктор (SCREW, Cover to gearcase)

нет в наличии, поставок нет
11 3854923

   (последний код) SCREW

нет в наличии, поставок нет
12 0326340

*Переключатель собачки сцепления (SHIFTER, Clutch dog)

нет в наличии, поставок нет
12 0324625

   (последний код) CLUTCH-DOG

нет в наличии, поставок нет
13 0324624

*Пружина переключателяer (SPRING, Shifter)

нет в наличии, поставок нет
14 0324637

*Прокладка, Редуктор Крышка (GASKET, Gearcase cover)

нет в наличии, поставок нет
15 0438966

*Шестерня & Подшипник в сборе., дляward (GEAR & BEARING ASSY., Forward)

нет в наличии, поставок нет
15 0396312

   (последний код) GEAR & BUSHING AY

нет в наличии, поставок нет
17 0336297

*Шестерня, Шестерня (PINION, Gear)

нет в наличии, поставок нет
18 0324626

*Штифт, Переключатель собачки сцепления (PIN, Shifter, clutch dog)

нет в наличии, поставок нет
19 0388000

*THRUST Подшипник, Шестерня (THRUST BEARING, Pinion)

нет в наличии, поставок нет
20 0336296

*Упорная шайба шестерни Шестерня Подшипник (THRUST WASHER, Pinion bearing)

нет в наличии, поставок нет
21 0434281

*Редуктор, Корпус в сборе. (GEARCASE, Housing assy.)

нет в наличии, поставок нет
22 0391048

**Подшипник & Гильза в сборе., DriveВал (BEARING & SLEEVE ASSY., Driveshaft)

1 шт4890 руб.
22 0389574

   (последний код) BRG AY-DRIVESHAFT

нет в наличии, поставок нет
23 0386473

**Подшипник в сборе., Шестерня to Редуктор (BEARING ASSY., Pinion to gearcase)

нет в наличии, поставок нет
24 0396200

**SCREEN & Водяная заглушка Система впуска (SCREEN & PLUG, Water intake)

нет в наличии, поставок нет
24 0324633

   (последний код) SCREEN

нет в наличии, поставок нет
25 0434152

*Крышка в сборе, Редуктор (COVER ASSY., Gearcase)

нет в наличии, поставок нет
25 0389837

   (последний код) G-CASE-CVR&S

нет в наличии, поставок нет
26 0305242

**Уплотнительное кольцо, Переключающая тяга (O-RING, Shift rod)

нет в наличии, поставок нет
27 0324639

**Сальник, DriveВал (SEAL, Driveshaft)

1 шт880 руб.
28 0324642

**Втулка, Переключающая тяга (BUSHING, Shift rod)

нет в наличии, поставок нет
29 0324615

*Кулачок переключателя (CAM, Shift)

нет в наличии, поставок нет
30 0307551

*Заглушка & Шайба, верхний (PLUG & WASHER, Upper)

нет в наличии, поставок нет
30 0982851

   (последний код) SCREW-PLUG

нет в наличии, поставок нет
30 0318544

*FILL Заглушка (FILL PLUG)

нет в наличии, поставок нет
30 0912624

   (последний код) SCREW

нет в наличии, поставок нет
31 0311598

**Шайба (WASHER)

нет в наличии, поставок нет
31 3852105

   (последний код) WASHER

нет в наличии, поставок нет
32 0324616

*Стопорное кольцо, Переключающая тяга (RETAINING RING, Shift rod)

нет в наличии, поставок нет
33 0324627

*Фиксатор , Переключательer (RETAINER , Shifter)

нет в наличии, поставок нет
34 0389577

Крыльчатка HSG. в сборе. (IMPELLER HSG. ASSY.)

нет в наличии, поставок нет
35 0389576

Крыльчатка в сборе.. (Contents of Ремкомплект водяного насоса.) (IMPELLER ASSY.. (Contents of Water Pump Repair Kit.))

нет в наличии, поставок нет
36 0331130

*Ключ, Крыльчатка to driveВал. (Contents of Ремкомплект водяного насоса.) (KEY, Impeller to driveshaft. (Contents of Water Pump Repair Kit.))

1 шт550 руб.
37 0324640

Пластина корпуса крыльчатки. (Contents of Ремкомплект водяного насоса.) (PLATE, Impeller housing. (Contents of Water Pump Repair Kit.))

нет в наличии, поставок нет
38 0441115

DRIVEВал, Std., 15 дюйм (DRIVESHAFT, Std., 15 in.)

нет в наличии, поставок нет
38 0441195

DRIVEВал, Long, 20 дюйм. (RL Models.) (DRIVESHAFT, Long, 20 in.. (RL Models.))

нет в наличии, поставок нет
39 0441181

Переключающая тяга, нижний , Std. (SHIFT ROD, Lower, Std.)

нет в наличии, поставок нет
39 0441194

Переключающая тяга, нижний , Long. (RL Models.) (SHIFT ROD, Lower, Long. (RL Models.))

нет в наличии, поставок нет
40 0324641

Cвыше, Крыльчатка Корпус. (Contents of Ремкомплект водяного насоса.) (CUP, Impeller housing. (Contents of Water Pump Repair Kit.))

нет в наличии, поставок нет
41 0331980

Винт, Imp. hsg. to Редуктор. (Contents of Ремкомплект водяного насоса.) (SCREW, Imp. hsg. to gearcase. (Contents of Water Pump Repair Kit.))

нет в наличии, поставок нет
42 0334451

Анод, Редуктор (ANODE, Gearcase)

нет в наличии, поставок нет
42 0432397

   (последний код) ANODE KIT

нет в наличии, поставок нет
43 0328725

Винт, Анод (SCREW, Anode)

нет в наличии, поставок нет
43 3852187

   (последний код) SCREW

нет в наличии, поставок нет
44 0324694

Колпачок гребного винта Вал (CAP, Propeller shaft)

нет в наличии, поставок нет
45 0342540

Винт, Редуктор to hsg., front, 15 дюйм (SCREW, Gearcase to hsg., front, 15 in.)

нет в наличии, поставок нет
45 0316440

   (последний код) SCREW

нет в наличии, поставок нет
46 0324690

DRIVE Штифт, Гребной винт (DRIVE PIN, Propeller)

нет в наличии, поставок нет
47 0391096

Гребной винт, 8 x 7, Std. (PROPELLER, 8 x 7, Std.)

нет в наличии, поставок нет
47 0778796

   (последний код) PROP,AL 8X7/PIN

нет в наличии, поставок нет
47 0390237

Гребной винт, 8-1 / 2 x 9 (PROPELLER, 8-1/2 x 9)

нет в наличии, поставок нет
47 0778797

   (последний код) PROP,AL 8.5 X 9

нет в наличии, поставок нет
47 0392183

Гребной винт, 9-1 / 4 x 6-1 / 2 (PROPELLER, 9-1/4 x 6-1/2)

нет в наличии, поставок нет
48 0389583

*Втулка, Гребной винт (BUSHING, Propeller)

нет в наличии, поставок нет
49 0306394

Шплинт, Гайка гребного винта to Вал (COTTER PIN, Propeller nut to shaft)

нет в наличии, поставок нет
49 3852056

   (последний код) PIN,COTTER

нет в наличии, поставок нет
50 0324689

Упорная шайба, Prop Вал, rear (THRUST WASHER, Prop shaft, rear)

нет в наличии, поставок нет
51 0324643

Винт, Редуктор to exh. Hsg. (SCREW, Gearcase to exh. Hsg.)

нет в наличии, поставок нет
52 0302497

Нижний пыльник трубки водяного насоса. (Contents of Ремкомплект водяного насоса.) (GROMMET, Water tube, lower. (Contents of Water Pump Repair Kit.))

2 шт250 руб.
0444500

Удлинитель KIT в сборе., 5-inch. (Not Shown. RL Models.) (EXTENSION KIT ASSY., 5-inch. (Not Shown. RL Models.))

нет в наличии, поставок нет
53 0325040

*Прокладка крыльчатки Корпус. (RL Models.) (GASKET, Impeller housing. (RL Models.))

нет в наличии, поставок нет
54 0324637

*Прокладка, Редуктор Крышка. (RL Models.) (GASKET, Gearcase cover. (RL Models.))

нет в наличии, поставок нет
55 0441195

*DRIVEВал, Long. (RL Models.) (DRIVESHAFT, Long. (RL Models.))

нет в наличии, поставок нет
56 0441194

*Переключающая тяга, Long. (RL Models.) (SHIFT ROD, Long. (RL Models.))

нет в наличии, поставок нет
57 0202893

*Уплотнительное кольцо, Водяная трубка. (RL Models.) (O-RING, Water tube. (RL Models.))

нет в наличии, поставок нет
57 3852033

   (последний код) O-RING

нет в наличии, поставок нет
58 0302497

*Нижний пыльник трубки водяного насоса. (RL Models.) (GROMMET, Water tube, lower. (RL Models.))

2 шт250 руб.
59 0330247

*Винт, Редуктор & Удлинитель to Удлинитель корпуса (SCREW, Gearcase & extension to exhaust housing)

нет в наличии, поставок нет
59 0324645

   (последний код) SCREW

нет в наличии, поставок нет
60 0396308

*Редуктор Удлинитель. (RL Models.) (GEARCASE EXTENSION. (RL Models.))

нет в наличии, поставок нет
60 0393744

   (последний код) G-CASE-EXT

нет в наличии, поставок нет
61 0310674

**Втулка. (RL Models.) (BUSHING. (RL Models.))

нет в наличии, поставок нет
62 0326742

**Гильза. (RL Models.) (SLEEVE. (RL Models.))

нет в наличии, поставок нет
62 0326988

   (последний код) SLEEVE

нет в наличии, поставок нет
63 0333676

*Винт, Удлинитель to Корпус. (RL Models.) (SCREW, Extension to housing. (RL Models.))

нет в наличии, поставок нет
63 3854923

   (последний код) SCREW

нет в наличии, поставок нет
64 0320025

*Удлинитель, Водяная трубка. (RL Models.) (EXTENSION, Water tube. (RL Models.))

нет в наличии, поставок нет
65 0390772

Хромированный ремкомплект водяного насоса (CHROME PUMP KIT)

нет в наличии, поставок нет
66 0396644

Ремкомплект водяного насоса (WATER PUMP REPAIR KIT)

нет в наличии, поставок нет
66 0389844

   (последний код) WATERPUMP KIT

нет в наличии, поставок нет
67 0432397

ZINC Анод KIT (Includes 42 & 43) (ZINC ANODE KIT (Includes 42 & 43))

нет в наличии, поставок нет
67 0334451

   (последний код) ANODE

нет в наличии, поставок нет
evinrude

Время выполнения запроса 3.8052568435669 сек.


 
 

данный сайт носит информационный характер и не является публичной офертой

склад запчастей для водомоторной техники