вконтакте

Контактный телефон: +7 (981) 121-46-93, +7 (800) 200-90-76 , Email: parts-katalog@yandex.ru, где купить

 
 

  Логин:

Пароль:

Регистрация

www.partskatalog.ru Все каталоги Запчасти Mercury Запчасти Suzuki Запчасти Tohatsu Запчасти Honda Контакты



УВАЖАЕМЫЕ КЛИЕНТЫ!
C 19 ДЕКАБРЯ 2025 ПО 02 МАРТА 2026 ГОДА ОТДЕЛ ЗАПЧАСТЕЙ И СЕРВИС РАБОТАТЬ НЕ БУДУТ
ПРОДАЖА ЛОДОЧНЫХ МОТОРОВ В ШТАТНОМ РЕЖИМЕ
ОБ ИЗМЕНЕНИЯХ В ГРАФИКЕ РАБОТЫ ЧИТАЙТЕ НА САЙТА




Все разделы каталога запчастей на этот двигатель

назад Раздел:   вперёд

вернуться к списку узлов и деталей

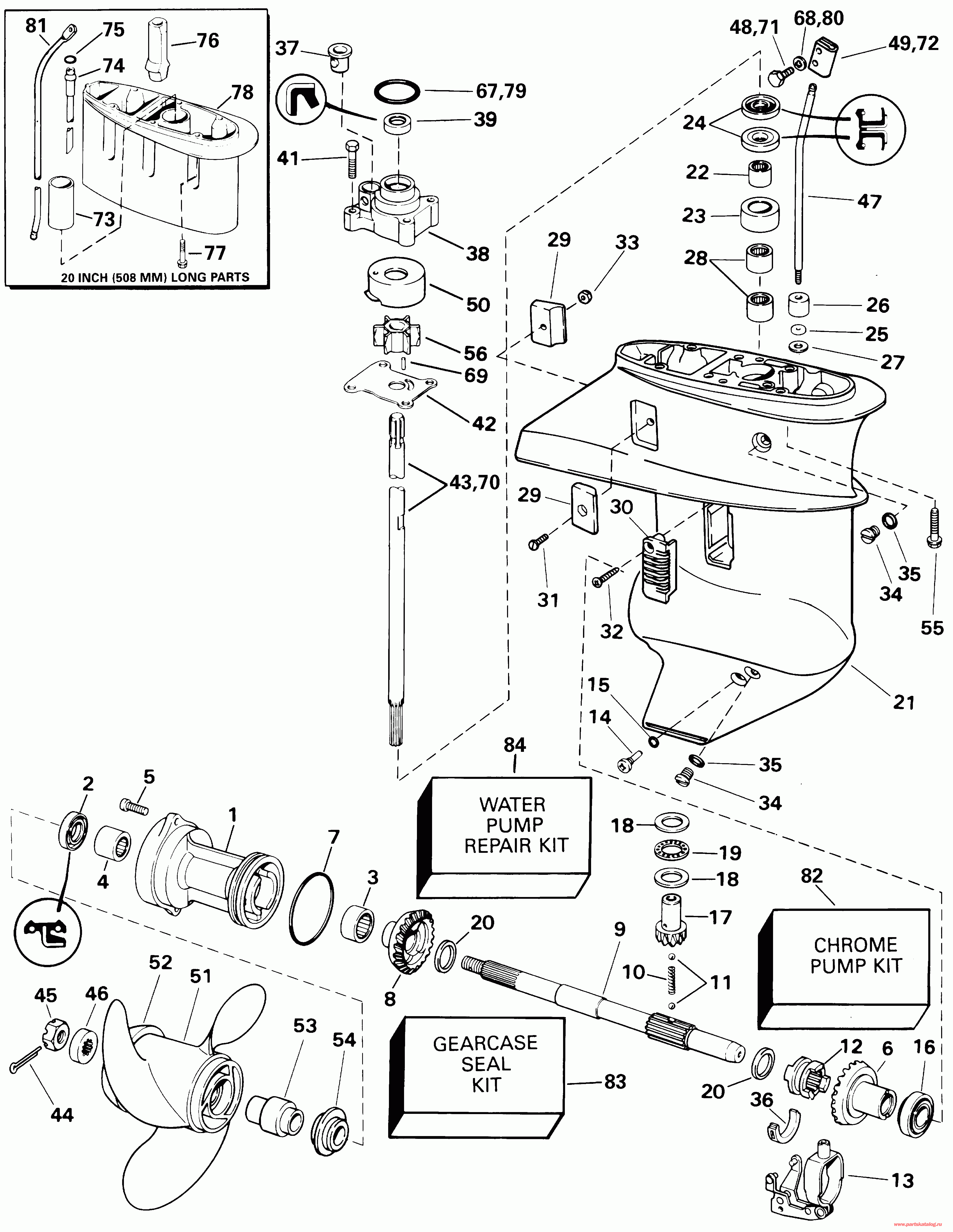
ДЕТАЛИРОВКА ДЛЯ МОДЕЛИ: EVINRUDE E8RL4SIE 4-stroke, rope start, tiller, 2

РЕДУКТОР | GEARCASE;


Лодочный подвесной мотор Evinrude E8RL4SIE 4-stroke, rope start, tiller, 2  - arcase / arcase

Номер на
рисунке
АртикулНаименованиеКол-во
на складе
Цена
0438617

Редуктор в сборе., (Less driveВал и Помпа) (GEARCASE ASSY., (Less driveshaft and pump))

нет в наличии, поставок нет
0435712

   (последний код) GEARCASE-AY

нет в наличии, поставок нет
1 0437774

*Подшипник Корпус подшипника & Сальник assembly (BEARING HOUSING, Bearing & seal assembly)

нет в наличии, поставок нет
1 0433403

   (последний код) HOUSING-AY,P

нет в наличии, поставок нет
2 0342247

**Сальник, Brg* hsg. to prop. Вал. (Contents of Комплект сальников редуктора.) (SEAL, Brg hsg. to prop. Shaft. (Contents of Gearcase Seal Kit.))

нет в наличии, поставок нет
3 0386125

**Подшипник, Reverse Шестерня (BEARING, Reverse gear)

нет в наличии, поставок нет
4 0386231

**Подшипник (BEARING)

нет в наличии, поставок нет
5 0333706

**Винт, Brg. Hsg. to Редуктор (SCREW, Brg. Hsg. to gearcase)

нет в наличии, поставок нет
6 0394823

*Шестерня & Втулка в сборе., дляward (GEAR & BUSHING ASSY., Forward)

нет в наличии, поставок нет
7 0308627

*Уплотнительное кольцо, Brg. hsg. to Редуктор. (Contents of Комплект сальников редуктора.) (O-RING, Brg. hsg. to gearcase. (Contents of Gearcase Seal Kit.))

2 шт100 руб.
8 0330201

*Шестерня обратного хода (GEAR, Reverse)

нет в наличии, поставок нет
9 0343491

*Вал гребного винта (PROPELLER SHAFT)

нет в наличии, поставок нет
9 0438578

   (последний код) KIT AY,PROPSHAFT

нет в наличии, поставок нет
10 0316505

*Фиксатор пружины (SPRING, Detent)

нет в наличии, поставок нет
11 0316506

*Шарик, Detent (BALL, Detent)

нет в наличии, поставок нет
12 0325263

*Переключатель собачки сцепления (SHIFTER, Clutch dog)

нет в наличии, поставок нет
13 0388416

*ПереключательER Рычаг & Обойма (SHIFTER LEVER & YOKE ASSY.)

нет в наличии, поставок нет
13 0386148

   (последний код) SHIFTER LEVER

нет в наличии, поставок нет
14 0308376

*Стержень Штифт переключателя Рычаг (PIVOT PIN, Shifter lever)

нет в наличии, поставок нет
14 0303358

   (последний код) PIVOT-PIN

нет в наличии, поставок нет
15 0332584

**Опорная шайба Штифт (WASHER, Pivot pin)

нет в наличии, поставок нет
16 0386186

*Роликовый подшипник, дляward Шестерня (ROLLER BEARING, Forward gear)

нет в наличии, поставок нет
17 0338190

*Шестерня, DriveВал (PINION, Driveshaft)

нет в наличии, поставок нет
18 0336296

*Нижняя упорная шайба Шестерня Подшипник (THRUST WASHER, Lower pinion bearing)

нет в наличии, поставок нет
19 0388000

*THRUST Подшипник, Шестерня (THRUST BEARING, Pinion)

нет в наличии, поставок нет
20 0343251

*Упорная шайба, дляward & reverse Шестерня (THRUST WASHER, Forward & reverse gear)

нет в наличии, поставок нет
21 0435393

*Редуктор, BRG. & Сальник в сборе. (GEARCASE, BRG. & SEAL ASSY.)

нет в наличии, поставок нет
21 0438617

   (последний код) G-CASE AY,LESS D/S

нет в наличии, поставок нет
22 0386014

**Подшипник ASSEMBLY, DriveВал (BEARING ASSEMBLY, Driveshaft)

нет в наличии, поставок нет
23 0318874

**Гильза, Подшипник driveВал (SLEEVE, Bearing driveshaft)

нет в наличии, поставок нет
24 0321480

**Сальник, Редуктор to driveВал. (Contents of Комплект сальников редуктора.) (SEAL, Gearcase to driveshaft. (Contents of Gearcase Seal Kit.))

нет в наличии, поставок нет
24 0318973

   (последний код) SEAL

нет в наличии, поставок нет
25 0301877

**Уплотнительное кольцо, Втулка to Переключающая тяга. (Contents of Комплект сальников редуктора.) (O-RING, Bushing to shift rod. (Contents of Gearcase Seal Kit.))

нет в наличии, поставок нет
26 0304765

**Втулка, Переключающая тяга (BUSHING, Shift rod)

нет в наличии, поставок нет
27 0321738

**Шайба уплотнения, Переключающая тяга. (Contents of Комплект сальников редуктора.) (WASHER, Seal, shift rod. (Contents of Gearcase Seal Kit.))

нет в наличии, поставок нет
28 0386071

**Подшипник в сборе., Шестерня to Редуктор (BEARING ASSY., Pinion to gearcase)

нет в наличии, поставок нет
29 0338635

**Анод (ANODE)

нет в наличии, поставок нет
30 0338443

**SCREEN, вход (SCREEN, Inlet)

нет в наличии, поставок нет
31 0304013

**Винт, Анод (SCREW, Anode)

нет в наличии, поставок нет
32 0325539

**Винт, Screen (SCREW, Screen)

нет в наличии, поставок нет
32 0312270

   (последний код) SCREW

нет в наличии, поставок нет
33 0121470

**Гайка, Винт, Анод (NUT, Screw, anode)

нет в наличии, поставок нет
34 0307551

*Заглушка & Шайба. (Contents of Комплект сальников редуктора.) (PLUG & WASHER. (Contents of Gearcase Seal Kit.))

нет в наличии, поставок нет
34 0982851

   (последний код) SCREW-PLUG

нет в наличии, поставок нет
35 0311598

**Шайба (WASHER)

нет в наличии, поставок нет
35 3852105

   (последний код) WASHER

нет в наличии, поставок нет
36 0325014

*CRADLE, Сцепление dog (CRADLE, Clutch dog)

нет в наличии, поставок нет
37 0327035

Нижний пыльник водяной трубки. (Contents of Ремкомплект водяного насоса.) (GROMMET, Water tube lower. (Contents of Water Pump Repair Kit.))

1 шт460 руб.
38 0435390

Крыльчатка HSG. & Сальник в сборе.. (Contents of Ремкомплект водяного насоса.) (IMPELLER HSG. & SEAL ASSY.. (Contents of Water Pump Repair Kit.))

1 шт1700 руб.
38 0391571

   (последний код) IMP-HSG&SEAL

1 шт1320 руб.
39 0318972

*Сальник, Крыльчатка hsg. to dВал. (Contents of Комплект сальников редуктора. Contents of Ремкомплект водяного насоса.) (SEAL, Impeller hsg. to dshaft. (Contents of Gearcase Seal Kit. Contents of Water Pump Repair Kit.))

2 шт790 руб.
41 0302325

*Винт, Imp. hsg. to Редуктор. (Contents of Ремкомплект водяного насоса.) (SCREW, Imp. hsg. to gearcase. (Contents of Water Pump Repair Kit.))

нет в наличии, поставок нет
42 0318995

Пластина корпуса крыльчатки. (Contents of Ремкомплект водяного насоса.) (PLATE, Impeller housing. (Contents of Water Pump Repair Kit.))

нет в наличии, поставок нет
42 0319988

   (последний код) PLATE IMP HSG

нет в наличии, поставок нет
42 0319988

Пластина корпуса крыльчатки. (Contents of Хромированный ремкомплект водяного насоса.) (PLATE, Impeller housing. (Contents of Chrome Pump Kit.))

нет в наличии, поставок нет
42 0318995

   (последний код) PLATE-IMP-HS

нет в наличии, поставок нет
43 0341590

DRIVEВал, стандарт (DRIVESHAFT, Standard)

нет в наличии, поставок нет
43 0329510

   (последний код) DRIVESHAFT-S

нет в наличии, поставок нет
44 0328522

Шплинт, Гайка гребного винта to Вал (COTTER PIN, Propeller nut to shaft)

25 шт60 руб.
45 0318971

Гайка гребного винта (NUT, Propeller)

нет в наличии, поставок нет
46 0323942

Упорная шайба, Prop. Вал, rear (THRUST WASHER, Prop. shaft, rear)

нет в наличии, поставок нет
46 0318959

   (последний код) THRUST-WASHE

нет в наличии, поставок нет
47 0318992

Переключающая тяга, нижний , стандарт (SHIFT ROD, Lower, Standard)

нет в наличии, поставок нет
48 0304024

Винт, Переключающая тяга Коннектор (SCREW, Shift rod connector)

нет в наличии, поставок нет
48 0323636

   (последний код) SCREW

нет в наличии, поставок нет
49 0303794

Коннектор переключающей тяги (CONNECTOR, Shift rod)

нет в наличии, поставок нет
50 0324097

Cвыше, Крыльчатка Корпус. (Contents of Ремкомплект водяного насоса.) (CUP, Impeller housing. (Contents of Water Pump Repair Kit.))

1 шт1440 руб.
50 0322087

   (последний код) CUP

1 шт1110 руб.
50 0323535

Cвыше, Крыльчатка Корпус. (Contents of Хромированный ремкомплект водяного насоса.) (CUP, Impeller housing. (Contents of Chrome Pump Kit.))

нет в наличии, поставок нет
51 0174938

Гребной винт, 9.25 X 8. (Refer to Genuine Parts Гребной винт Chart.) (PROPELLER, 9.25 X 8. (Refer to Genuine Parts Propeller Chart.))

нет в наличии, поставок нет
51 0177158

   (последний код) PROPELLER AL Винт 9.25 X 8

нет в наличии, поставок нет
52 0332395

*CONVERGING Кольцо (CONVERGING RING)

нет в наличии, поставок нет
52 0319484

   (последний код) CONVERGING RING

нет в наличии, поставок нет
53 0386119

*Втулка, Гребной винт (BUSHING, Propeller)

нет в наличии, поставок нет
54 0334590

Упорная втулка, Гребной винт (THRUST BUSHING, Propeller)

нет в наличии, поставок нет
55 0341206

Винт, Редуктор to Выхлоп hsg. (SCREW, Gearcase to exhaust hsg.)

нет в наличии, поставок нет
56 0386084

Крыльчатка ASSEMBLY. (Contents of Ремкомплект водяного насоса.) (IMPELLER ASSEMBLY. (Contents of Water Pump Repair Kit.))

нет в наличии, поставок нет
67 0319085

Сальник, Крыльчатка Корпус. (Contents of Комплект сальников редуктора. Contents of Ремкомплект водяного насоса.) (SEAL, Impeller housing. (Contents of Gearcase Seal Kit. Contents of Water Pump Repair Kit.))

4 шт120 руб.
68 0301551

Шайба, Винт, Коннектор (WASHER, Screw, connector)

нет в наличии, поставок нет
69 0300611

Шпонка крыльчатки to driveВал. (Contents of Ремкомплект водяного насоса.) (PIN, Impeller to driveshaft. (Contents of Water Pump Repair Kit.))

нет в наличии, поставок нет
0449517

Удлинитель KIT в сборе.. (Not Shown.) (EXTENSION KIT ASSY.. (Not Shown.))

нет в наличии, поставок нет
70 0341591

*DRIVEВал, Long. (8RL Models.) (DRIVESHAFT, Long. (8RL Models.))

нет в наличии, поставок нет
70 0329511

   (последний код) DRIVESHAFT

нет в наличии, поставок нет
71 0304024

*Винт, Коннектор. (8RL Models.) (SCREW, Connector. (8RL Models.))

нет в наличии, поставок нет
71 0323636

   (последний код) SCREW

нет в наличии, поставок нет
72 0303794

*Коннектор переключающей тяги. (8RL Models.) (CONNECTOR, Shift rod. (8RL Models.))

нет в наличии, поставок нет
73 0319340

*Удлинитель, Крыльчатка Корпус to Удлинитель корпуса (EXTENSION, Impeller housing to exhaust housing)

нет в наличии, поставок нет
74 0320025

*Удлинитель, Водяная трубка. (8RL Models.) (EXTENSION, Water tube. (8RL Models.))

нет в наличии, поставок нет
75 0202893

*Уплотнительное кольцо, Водяная трубка Удлинитель. (8RL Models.) (O-RING, Water tube extension. (8RL Models.))

нет в наличии, поставок нет
75 3852033

   (последний код) O-RING

нет в наличии, поставок нет
76 0326922

*Выхлоп Сальник, Редуктор ext.. (8RL Models.) (EXHAUST SEAL, Gearcase ext.. (8RL Models.))

нет в наличии, поставок нет
77 0341206

*Винт, Удлинитель. (8RL Models.) (SCREW, Extension. (8RL Models.))

нет в наличии, поставок нет
78 0331152

*Удлинитель, Редуктор. (8RL Models.) (EXTENSION, Gearcase. (8RL Models.))

нет в наличии, поставок нет
78 0319314

   (последний код) GRCASE-EXT

нет в наличии, поставок нет
79 0319085

*Сальник, Крыльчатка hsg. to ext.. (8RL Models.) (SEAL, Impeller hsg. to ext.. (8RL Models.))

4 шт120 руб.
80 0301551

*Шайба с блокировкой, Conn. Винт. (8RL Models.) (LOCK WASHER, Conn. Screw. (8RL Models.))

нет в наличии, поставок нет
81 0446089

*Переключающая тяга, верхний , long. (8RL Models.) (SHIFT ROD, Upper, long. (8RL Models.))

нет в наличии, поставок нет
82 0389114

Хромированный ремкомплект водяного насоса (CHROME PUMP KIT)

нет в наличии, поставок нет
82 0394711

   (последний код) REPAIR-KIT

нет в наличии, поставок нет
83 0396350

Комплект сальников редуктора (GEARCASE SEAL KIT)

1 шт5300 руб.
84 0394711

Ремкомплект водяного насоса, (Includes Крыльчатка Корпус (WATER PUMP REPAIR KIT, (Includes impeller housing)

нет в наличии, поставок нет
84 0393560

   (последний код) WATERPUMP KIT

нет в наличии, поставок нет
evinrude

Время выполнения запроса 6.0609540939331 сек.


 
 

данный сайт носит информационный характер и не является публичной офертой

склад запчастей для водомоторной техники