вконтакте

Контактный телефон: +7 (981) 121-46-93, +7 (800) 200-90-76 , Email: parts-katalog@yandex.ru, где купить

 
 

  Логин:

Пароль:

Регистрация

www.partskatalog.ru Все каталоги Запчасти Mercury Запчасти Suzuki Запчасти Tohatsu Запчасти Honda Контакты


Все разделы каталога запчастей на этот двигатель

назад Раздел:   вперёд

вернуться к списку узлов и деталей

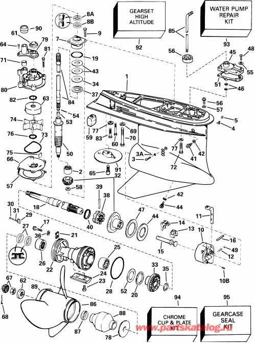
ДЕТАЛИРОВКА ДЛЯ МОДЕЛИ: EVINRUDE RE200FSSIF FFI, elec start, TNT, 20 in s

РЕДУКТОР - СТАНДАРТ ROTATION - FH - FHL MODELS | GEARCASE - STANDARD ROTATION - FH - FHL MODELS;


Двигатель Evinrude RE200FSSIF FFI, elec start, TNT, 20 in s  - стандарт Rotation - Fh - Fhl Models - Standard Rotation - Fh - Fhl Models

Номер на
рисунке
АртикулНаименованиеКол-во
на складе
Цена
5001600

Редуктор в сборе., комплект. (Not Shown.) (GEARCASE ASSY., Complete. (Not Shown.))

нет в наличии, поставок нет
5004913

   (последний код) G/CASE AY, V6-.54

нет в наличии, поставок нет
1 5000603

*Редуктор в сборе с подшипником. (GEARCASE & BEARING ASSY.)

нет в наличии, поставок нет
1 5004912

   (последний код) GCASE & BRG L TYPE

нет в наличии, поставок нет
2 0387817

**Подшипник, Шестерня (BEARING, Pinion)

нет в наличии, поставок нет
3 0324852

**RETAINING Винт (RETAINING SCREW)

нет в наличии, поставок нет
3A 0332584

***Сальник. (Contents of Комплект сальников редуктора.) (SEAL. (Contents of Gearcase Seal Kit.))

нет в наличии, поставок нет
4 0336535

**FITTING, Pitot Трубка (FITTING, Pitot tube)

7 шт470 руб.
5 0305749

**Колпачок, Pitot Трубка (CAP, Pitot tube)

нет в наличии, поставок нет
7 0439476

*Подшипник Корпус & Сальник (BEARING HOUSING & SEAL)

нет в наличии, поставок нет
7 0438963

   (последний код) HOUSING AY,BEARING

нет в наличии, поставок нет
8A 0329922

**Сальник, верхний (Contents of Комплект сальников редуктора.) (SEAL, Upper. (Contents of Gearcase Seal Kit.))

нет в наличии, поставок нет
8B 0329923

**Сальник, нижний (Contents of Комплект сальников редуктора.) (SEAL, Lower. (Contents of Gearcase Seal Kit.))

нет в наличии, поставок нет
9 0317624

*Винт, Корпус to Редуктор (SCREW, Housing to gearcase)

нет в наличии, поставок нет
10 0389455

*Корпус & Подшипник в сборе. (HOUSING & BEARING ASSY.)

нет в наличии, поставок нет
10B 0331880

**Штифт, Корпус (PIN, Housing)

нет в наличии, поставок нет
11 0915954

*DETENT, Переключательer (DETENT, Shifter)

нет в наличии, поставок нет
11 0323946

   (последний код) DETENT

нет в наличии, поставок нет
12 0911962

*Фиксатор пружины (SPRING, Detent)

нет в наличии, поставок нет
12 0915955

   (последний код) SPRING

нет в наличии, поставок нет
13 0334163

*CRADLE, Переключательer (CRADLE, Shifter)

5 шт1880 руб.
13 0322900

   (последний код) CRADLE-SHIFT

нет в наличии, поставок нет
14 0322938

*Рычаг переключения (SHIFT LEVER)

нет в наличии, поставок нет
15 0322941

*Вал (SHAFT)

нет в наличии, поставок нет
16 0328825

*Штифт, Рычаг переключения (PIN, Shift lever)

нет в наличии, поставок нет
17 0341541

*Винт, Фиксатор tab (SCREW, Retainer tab)

нет в наличии, поставок нет
18 0435022

*Вал гребного винта в сборе. (PROPELLER SHAFT ASSY.)

нет в наличии, поставок нет
18 5004765

   (последний код) PROPSHAFT AY,SERV

нет в наличии, поставок нет
19 0314728

*Уплотнительное кольцо, DriveВал Подшипник. (Contents of Комплект сальников редуктора.) (O-RING, Driveshaft bearing. (Contents of Gearcase Seal Kit.))

нет в наличии, поставок нет
19 0354731

   (последний код) O-RING

1 шт850 руб.
20 0382408

*THRUST Подшипник, Reverse Шестерня (THRUST BEARING, Reverse gear)

нет в наличии, поставок нет
21 0333957

*TAB, Фиксатор (TAB, Retainer)

нет в наличии, поставок нет
22 5000605

*Подшипник Корпус Сальник в сборе. (BEARING HOUSING SEAL ASSY.)

нет в наличии, поставок нет
22 5004257

   (последний код) HSG AY, PROPSHAFT

нет в наличии, поставок нет
23 0908158

**Винт, Анод (SCREW, Anode)

нет в наличии, поставок нет
23 3852050

   (последний код) SCREW

нет в наличии, поставок нет
24 0431708

**Анод, Подшипник Корпус (ANODE, Bearing housing)

нет в наличии, поставок нет
24 0397111

   (последний код) ANODE-AY

нет в наличии, поставок нет
25 0382407

**Игольчатый подшипник в сборе. (NEEDLE BEARING ASSY.)

1 шт5500 руб.
26 0436752

**Игольчатый подшипник в сборе. (NEEDLE BEARING ASSY.)

нет в наличии, поставок нет
27 0334950

**Сальник. (Contents of Комплект сальников редуктора.) (SEAL. (Contents of Gearcase Seal Kit.))

нет в наличии, поставок нет
28 0305123

**Уплотнительное кольцо, Корпус вала гребного винта. (Contents of Комплект сальников редуктора.) (O-RING, Propeller shaft housing. (Contents of Gearcase Seal Kit.))

нет в наличии, поставок нет
28 0321119

   (последний код) O-RING,-DLR

нет в наличии, поставок нет
29 0349001

*WEDGE (WEDGE)

нет в наличии, поставок нет
29 0345999

   (последний код) WEDGE

нет в наличии, поставок нет
30 0916070

*Винт (Винт Lock) (SCREW (Screw Lock))

нет в наличии, поставок нет
30 3853661

   (последний код) SCREW

нет в наличии, поставок нет
31 0345998

*Пружинная шайба (SPRING WASHER)

нет в наличии, поставок нет
32 5004218

*ШестерняSET, стандарт, 14: 26 (54) (GEARSET, Standard, 14:26 (.54))

нет в наличии, поставок нет
32 5001547

   (последний код) GEARSET

нет в наличии, поставок нет
33 0336561

**Шестерня обратного хода. Included in Шестерняset 5004218 (GEAR, Reverse. Included in gearset 5004218)

нет в наличии, поставок нет
34 0327656

*Упорная шайба шестерни Шестерня (THRUST WASHER, Pinion)

нет в наличии, поставок нет
34 0314729

   (последний код) THRUST-WASHE

нет в наличии, поставок нет
35 0336565

*Упорная шайба (THRUST WASHER)

нет в наличии, поставок нет
36 0328743

*Шайба, Винт, tab (WASHER, Screw, tab)

нет в наличии, поставок нет
36 3852191

   (последний код) WASHER

нет в наличии, поставок нет
37 0387656

*THRUST Подшипник, Шестерня (THRUST BEARING, Pinion)

нет в наличии, поставок нет
37 0383248

   (последний код) BEARING

нет в наличии, поставок нет
38 0337774

*Переключатель собачки сцепления (SHIFTER, Clutch dog)

нет в наличии, поставок нет
38 0910995

   (последний код) SHIFTER

нет в наличии, поставок нет
39 0313448

*Штифт сцепления dog (PIN, Clutch dog)

нет в наличии, поставок нет
40 0324369

*Пружина, Сцепление dog Штифт (SPRING, Clutch dog pin)

нет в наличии, поставок нет
40 0313454

   (последний код) SPRING

нет в наличии, поставок нет
41 0318544

*Заглушка, Fill & drain. (Contents of Комплект сальников редуктора.) (PLUG, Fill & drain. (Contents of Gearcase Seal Kit.))

нет в наличии, поставок нет
41 0912624

   (последний код) SCREW

нет в наличии, поставок нет
42 0311598

**Шайба (WASHER)

нет в наличии, поставок нет
42 3852105

   (последний код) WASHER

нет в наличии, поставок нет
43 0323362

*Регулировочная шайба, 0.003 дюйм (0, 07 мм) (SHIM, 0.003 in. (0,07mm))

нет в наличии, поставок нет
43 0323361

*Регулировочная шайба, 0.004 дюйм (0, 10 мм) (SHIM, 0.004 in. (0,10mm))

нет в наличии, поставок нет
43 0314745

*Регулировочная шайба, 0.005 дюйм (0, 12 мм) (SHIM, 0.005 in. (0,12mm))

нет в наличии, поставок нет
44 0327669

*Упорная шайба, дляward Шестерня (THRUST WASHER, Forward gear)

нет в наличии, поставок нет
44 0324805

   (последний код) THRUST-WASHE

нет в наличии, поставок нет
45 0435482

*Крышка & Сальник в сборе. (COVER & SEAL ASSY.)

нет в наличии, поставок нет
45 5006241

   (последний код) COVER AY,SHIFT ROD

нет в наличии, поставок нет
46 0318372

**Уплотнительное кольцо, Переключающая тяга -. (Contents of Комплект сальников редуктора.) (O-RING, Shift rod -. (Contents of Gearcase Seal Kit.))

нет в наличии, поставок нет
47 0389042

*THRUST BRG., Fwd. Шестерня (THRUST BRG., Fwd. gear)

нет в наличии, поставок нет
48 0302325

*Винт, Крышка (SCREW, Cover)

нет в наличии, поставок нет
49 0160084

*Шарик, Detent (BALL, Detent)

нет в наличии, поставок нет
49 3852023

   (последний код) BALL

нет в наличии, поставок нет
50 0345905

*DRIVEВал, нижний (DRIVESHAFT, Lower)

нет в наличии, поставок нет
50 0335677

   (последний код) DRIVESHAFT,L

нет в наличии, поставок нет
51 0324670

*Прокладка, Переключающая тяга Крышка. (Contents of Комплект сальников редуктора.) (GASKET, Shift rod cover. (Contents of Gearcase Seal Kit.))

нет в наличии, поставок нет
51 0352165

   (последний код) GASKET

2 шт550 руб.
52 0314731

*THRUST Шайба шестерни заднего хода (THRUST WASHER, Reverse gear)

нет в наличии, поставок нет
53 0338504

*Фиксатор приводного вала (RETAINER, Driveshaft)

нет в наличии, поставок нет
54 0311538

*ROLL Штифт, DriveВал (ROLL PIN, Driveshaft)

нет в наличии, поставок нет
55 0328702

*Шайба (WASHER)

нет в наличии, поставок нет
55 3852183

   (последний код) WASHER

нет в наличии, поставок нет
56 0321008

*Пыльник, Exh. hsg. to Переключающая тяга (GROMMET, Exh. hsg. to shift rod)

нет в наличии, поставок нет
57 0338484

*Прокладка, Imp. hsg. Пластина. (Contents of Ремкомплект водяного насоса. Contents of Комплект сальников редуктора.) (GASKET, Imp. hsg. Plate. (Contents of Water Pump Repair Kit. Contents of Gearcase Seal Kit.))

нет в наличии, поставок нет
57 0324701

   (последний код) GASKET,-DRL5

нет в наличии, поставок нет
58 0314730

*Гайка, Шестерня to driveВал (100-110 фут lbs.) (NUT, Pinion to driveshaft (100-110 ft. lbs.))

нет в наличии, поставок нет
59 0436745

*Анод, Редуктор (ANODE, Gearcase)

нет в наличии, поставок нет
59 0393023

   (последний код) ANODE&INSERT AY

нет в наличии, поставок нет
60 0328096

*Винт, Анод (SCREW, Anode)

нет в наличии, поставок нет
60 0327046

   (последний код) SCREW

нет в наличии, поставок нет
61 0320943

Пыльник, Крыльчатка Корпус. (Contents of Ремкомплект водяного насоса.) (GROMMET, Impeller housing. (Contents of Water Pump Repair Kit.))

1 шт300 руб.
62 0320570

Проставка гайки гребного винта (SPACER, Propeller nut)

нет в наличии, поставок нет
62 3852163

   (последний код) SPACER,PROP

нет в наличии, поставок нет
63 0338486

Cвыше, Крыльчатка. (Contents of Ремкомплект водяного насоса. Stainless Steel.) (CUP, Impeller. (Contents of Water Pump Repair Kit. Stainless Steel.))

нет в наличии, поставок нет
63 0338551

Cвыше, Крыльчатка Корпус. (хромированная пластина.) (CUP, Impeller housing. (Chrome Plated.))

нет в наличии, поставок нет
64 0306643

Винт, Крышка to Крыльчатка. (Contents of Ремкомплект водяного насоса.) (SCREW, Cover to impeller. (Contents of Water Pump Repair Kit.))

нет в наличии, поставок нет
64 3852066

   (последний код) SCREW

нет в наличии, поставок нет
65 0313715

Винт, Крышка, Пластина трима (SCREW, Cover, trim tab)

нет в наличии, поставок нет
66 0338485

Пластина корпуса крыльчатки. (Contents of Ремкомплект водяного насоса. Stainless Steel.) (PLATE, Impeller housing. (Contents of Water Pump Repair Kit. Stainless Steel.))

нет в наличии, поставок нет
66 0338552

Пластина корпуса крыльчатки. (хромированная пластина.) (PLATE, Impeller housing. (Chrome Plated.))

нет в наличии, поставок нет
67 0398042

Гайка & KEEPER, Гребной винт (NUT & KEEPER, Propeller)

нет в наличии, поставок нет
67 3850984

   (последний код) NUT&KEEPER AY,PROP

нет в наличии, поставок нет
68 0306394

*Шплинт, Гайка гребного винта (COTTER PIN, Propeller nut)

нет в наличии, поставок нет
68 3852056

   (последний код) PIN,COTTER

нет в наличии, поставок нет
69 0330265

Шайба, Винт, long (WASHER, Screw, long)

нет в наличии, поставок нет
70 0331998

Винт, Редуктор to Корпус (SCREW, Gearcase to housing)

нет в наличии, поставок нет
70 0914535

   (последний код) SCREW

нет в наличии, поставок нет
71 0314008

Пыльник водяной трубки. (Contents of Ремкомплект водяного насоса.) (GROMMET, Water tube. (Contents of Water Pump Repair Kit.))

нет в наличии, поставок нет
72 0331999

Винт, Редуктор to Корпус (SCREW, Gearcase to housing)

нет в наличии, поставок нет
72 0910457

   (последний код) SCREW

нет в наличии, поставок нет
73 0331353

Сальник, Крыльчатка Корпус to Пластина. (Contents of Ремкомплект водяного насоса.) (SEAL, Impeller housing to plate. (Contents of Water Pump Repair Kit.))

1 шт790 руб.
74 5001593

Крыльчатка в сборе.. (Contents of Ремкомплект водяного насоса.) (IMPELLER ASSY.. (Contents of Water Pump Repair Kit.))

нет в наличии, поставок нет
74 0435821

   (последний код) KIT AY,IMPELLER

нет в наличии, поставок нет
75 0331107

*CAM, Крыльчатка. (Contents of Ремкомплект водяного насоса.) (CAM, Impeller. (Contents of Water Pump Repair Kit.))

нет в наличии, поставок нет
76 0302035

*Уплотнительное кольцо. (Contents of Ремкомплект водяного насоса.) (O-RING. (Contents of Water Pump Repair Kit.))

нет в наличии, поставок нет
77 0330266

Шайба (WASHER)

нет в наличии, поставок нет
77 3852200

   (последний код) WASHER

нет в наличии, поставок нет
78 0126870

Упорная втулка. (Renegade® Offshore & All 3-Blade.) (THRUST BUSHING. (Renegade® Offshore & All 3-Blade.))

нет в наличии, поставок нет
78 3852020

   (последний код) BUSHING,THRUST

нет в наличии, поставок нет
78 0126869

Упорная втулка. (Renegade® Bass & Shooter® Only.) (THRUST BUSHING. (Renegade® Bass & Shooter® Only.))

нет в наличии, поставок нет
78 0128740

   (последний код) BUSHING,THRUST

нет в наличии, поставок нет
79 0338893

Колпак крыльчатки Корпус. (Contents of Ремкомплект водяного насоса.) (COVER, Impeller housing. (Contents of Water Pump Repair Kit.))

нет в наличии, поставок нет
79 0321159

   (последний код) COVER-IMP-HS

нет в наличии, поставок нет
80 0435959

Крыльчатка Корпус, Редуктор. (Contents of Ремкомплект водяного насоса.) (IMPELLER HOUSING, Gearcase. (Contents of Water Pump Repair Kit.))

нет в наличии, поставок нет
81 0302325

Винт, Крыльчатка Корпус, 1 дюйм. (Contents of Ремкомплект водяного насоса.) (SCREW, Impeller housing, 1 in.. (Contents of Water Pump Repair Kit.))

нет в наличии, поставок нет
82 0331188

Уплотнительное кольцо. (Contents of Ремкомплект водяного насоса.) (O-RING. (Contents of Water Pump Repair Kit.))

5 шт370 руб.
83 0330263

Винт, Редуктор, rear (SCREW, Gearcase, rear)

нет в наличии, поставок нет
83 0914534

   (последний код) SCREW

нет в наличии, поставок нет
84 5000614

Приводной вал., верхний (Incl. #53 & 54) (DRIVESHAFT ASSY., Upper (Incl. #53 & 54))

нет в наличии, поставок нет
84 5007671

   (последний код) UPPER D/S KIT 20"

нет в наличии, поставок нет
85 0329864

Переключающая тяга (SHIFT ROD)

нет в наличии, поставок нет
86 0

Гребной винт. (Refer to Genuine Parts Гребной винт Chart.) (PROPELLER. (Refer to Genuine Parts Propeller Chart.))

нет в наличии, поставок нет
87 0313926

*Гильза, Втулка (SLEEVE, Bushing)

нет в наличии, поставок нет
87 3850831

   (последний код) SLEEVE-PROP

нет в наличии, поставок нет
88 0387157

*Втулка в сборе., Prop., 3-blade, alum. (BUSHING ASSY., Prop., 3-blade, alum.)

нет в наличии, поставок нет
88 0175401

*Втулка в сборе., Гребной винт. (Renegade® Offshore & All 3-Blade.) (BUSHING ASSY., Propeller. (Renegade® Offshore & All 3-Blade.))

нет в наличии, поставок нет
88 0431730

*Втулка в сборе., Гребной винт. (Renegade® Bass & Shooter® Only.) (BUSHING ASSY., Propeller. (Renegade® Bass & Shooter® Only.))

нет в наличии, поставок нет
89 0332394

*CONVERGING Кольцо, 3-blade (CONVERGING RING, 3-blade)

нет в наличии, поставок нет
89 3854241

   (последний код) RING, CONVERGING

нет в наличии, поставок нет
90 0349354

Сальник, Помпа to Корпус (SEAL, Pump to housing)

3 шт950 руб.
91 0336284

Крышка, Пластина трима, Редуктор (COVER, Trim tab, gearcase)

нет в наличии, поставок нет
92 0438493

ШестерняSET, High altitude, 13: 26 (50) (GEARSET, High altitude, 13:26 (.50))

нет в наличии, поставок нет
93 5001594

Ремкомплект водяного насоса, Includes Крыльчатка Корпус (WATER PUMP REPAIR KIT, Includes impeller housing)

нет в наличии, поставок нет
93 0435447

   (последний код) KIT-AY,WATER

нет в наличии, поставок нет
93 T-5001594

   (не оригинальный аналог) Ремкомплект насоса охлаждения Evinrude-Johnson 5001594

2 шт штпо запросу
94 0435526

CHROME Cвыше & Пластина KIT (CHROME CUP & PLATE KIT)

нет в наличии, поставок нет
94 0395059

   (последний код) CHROME PUMP KIT

нет в наличии, поставок нет
95 5000411

Комплект сальников редуктора (GEARCASE SEAL KIT)

нет в наличии, поставок нет
95 5006373

   (последний код) KIT AY,SEAL-GC

нет в наличии, поставок нет
evinrude

Время выполнения запроса 1.7359189987183 сек.


 
 

данный сайт носит информационный характер и не является публичной офертой

склад запчастей для водомоторной техники