вконтакте

Контактный телефон: +7 (981) 121-46-93, +7 (800) 200-90-76 , Email: parts-katalog@yandex.ru, где купить

 
 

  Логин:

Пароль:

Регистрация

www.partskatalog.ru Все каталоги Запчасти Mercury Запчасти Suzuki Запчасти Tohatsu Запчасти Honda Контакты


Все разделы каталога запчастей на этот двигатель

назад Раздел:   вперёд

вернуться к списку узлов и деталей

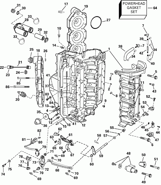
ДЕТАЛИРОВКА ДЛЯ МОДЕЛИ: EVINRUDE E175FPLSTF

ЦИЛИНДР & КАРТЕР ДВИГАТЕЛЯ | CYLINDER & CRANKCASE;


 Evinrude E175FPLSTF  - linder & Crankcase / linder & Картер двигателя

Номер на
рисунке
АртикулНаименованиеКол-во
на складе
Цена
1 5001965

CYL & C / C в сборе, 175HP (CYL & C/C Assy, 175HP)

нет в наличии, поставок нет
1 5006120

   (последний код) CYLINDER & CRKC AY

нет в наличии, поставок нет
1 5000822

CYL & C / C в сборе, 135, 150HP (CYL & C/C Assy, 135, 150HP)

нет в наличии, поставок нет
2 0304178

*Шпонка, Подшипник (DOWEL PIN, Bearing)

нет в наличии, поставок нет
3 0305070

*Штифт, конус (PIN, Taper)

нет в наличии, поставок нет
4 0336630

*Штифт, Roll (PIN, Roll)

нет в наличии, поставок нет
5 0336166

*Винт, Cyl to case, short (SCREW, Cyl to case, short)

нет в наличии, поставок нет
6 0335611

*Винт, Cyl to case, long (SCREW, Cyl to case, long)

нет в наличии, поставок нет
6 0908738

   (последний код) STUD-EXH--MA

нет в наличии, поставок нет
7 0335369

*Ниппель, верхний main (NIPPLE, Upper main)

нет в наличии, поставок нет
8 0343929

*Винт, Emission (SCREW, Emission)

нет в наличии, поставок нет
8 0343928

   (последний код) WASHER

нет в наличии, поставок нет
9 0437773

*Обратный клапан, #2 & 3 main brg, #6 cyl (CHECK VALVE, #2 & 3 main brg, #6 cyl)

нет в наличии, поставок нет
9 0437613

   (последний код) VALVE AY,CHECK

нет в наличии, поставок нет
10 0332135

*Водяная заглушка pressure (PLUG, Water pressure)

нет в наличии, поставок нет
10 0340808

   (последний код) PLUG

нет в наличии, поставок нет
11 0345702

*Ниппель, Pulse Шланг (NIPPLE, Pulse hose)

нет в наличии, поставок нет
12 5000477

*Ниппель Обратный клапан, Recirculation (NIPPLE CHECK VALVE, Recirculation)

нет в наличии, поставок нет
13 0173311

*Ниппель, Water 5 / 16 дюйм I.D. (NIPPLE, Water 5/16 in. I.D.)

нет в наличии, поставок нет
13 0387121

   (последний код) NIPPLE KIT

нет в наличии, поставок нет
14 0173312

*Ниппель, Water 3 / 8 дюйм I.D. (NIPPLE, Water 3/8 in. I.D.)

нет в наличии, поставок нет
15 5001551

FITTING, Выхлоп pressure (FITTING, Exhaust pressure)

нет в наличии, поставок нет
15 5001297

   (последний код) NIPPLE AY,EXHAUST

нет в наличии, поставок нет
16 0346527

Прокладка выпускной системы fitting (GASKET, Exhaust fitting)

нет в наличии, поставок нет
17 3010674

температура Датчик, Port (TEMPERATURE SENSOR, Port)

нет в наличии, поставок нет
18 5001526

Головка блока цилиндра, Strb (CYLINDER HEAD, Strb)

нет в наличии, поставок нет
18 5000874

   (последний код) HEAD AY,CYL-STBD

нет в наличии, поставок нет
19 5001525

Головка блока цилиндра, Port (CYLINDER HEAD, Port)

нет в наличии, поставок нет
20 5001211

Свеча зажигания, Champion. (Refer to Emissions Управление Inдляmation Наклейки.) (SPARK PLUG, Champion. (Refer to Emissions Control Information Label.))

7 шт1330 руб.
21 0585038

температура Переключатель, Stbd (TEMPERATURE SWITCH, Stbd)

нет в наличии, поставок нет
21 0584650

   (последний код) SWITCH AY,TEMP

нет в наличии, поставок нет
22 0511469

*Клемма, Штифт (TERMINAL, Pin)

нет в наличии, поставок нет
22 3852229

   (последний код) TERMINAL,PIN

нет в наличии, поставок нет
23 0329562

*Крышка (COVER)

нет в наличии, поставок нет
24 0513357

*Коннектор (CONNECTOR)

нет в наличии, поставок нет
24 3854845

   (последний код) CONNECTOR 513357

нет в наличии, поставок нет
25 5000832

Крышка термостата (COVER, Thermostat)

нет в наличии, поставок нет
26 0335981

Сальник термостата. (Included in POWERHEAD Комплект прокладок.) (SEAL, Thermostat. (Included in POWERHEAD GASKET SET.))

нет в наличии, поставок нет
27 0335523

Уплотнительное кольцо, Головка блока цилиндра. (Included in POWERHEAD Комплект прокладок.) (O-RING, Cylinder head. (Included in POWERHEAD GASKET SET.))

1 шт770 руб.
28 0439953

Пыльник & INSERT, Выхлоп relief (GROMMET & INSERT, Exhaust relief)

нет в наличии, поставок нет
28 0437827

   (последний код) GROMMET AY,EXH REL

нет в наличии, поставок нет
29 0343398

Шланг, Выхлоп Пыльник to block (HOSE, Exhaust grommet to block)

нет в наличии, поставок нет
30 0301967

Уплотнительное кольцо, Overboard Индикатор (O-RING, Overboard indicator)

нет в наличии, поставок нет
31 0436857

Заглушка & NOZZLE, Overboard (PLUG & NOZZLE, Overboard)

нет в наличии, поставок нет
31 0336217

   (последний код) NOZZLE,OVBD DRAIN

нет в наличии, поставок нет
32 0336136

Струбцина, Пыльник, water (CLAMP, Grommet, water)

нет в наличии, поставок нет
33 0349729

Струбцина, 41.0 мм (CLAMP, 41.0mm)

нет в наличии, поставок нет
34 0317893

Крепёжный хомут (TIE STRAP)

нет в наличии, поставок нет
34 3852149

   (последний код) TIE-STRAP

нет в наличии, поставок нет
35 0349556

Шайба, Крепление (WASHER, Mount)

нет в наличии, поставок нет
36 0349557

Крепление (MOUNT)

нет в наличии, поставок нет
36 0328584

   (последний код) MOUNT

нет в наличии, поставок нет
37 5001769

Обратный клапан, Transfer port drain (CHECK VALVE, Transfer port drain)

нет в наличии, поставок нет
37 0346864

   (последний код) VALVE,CHECK

нет в наличии, поставок нет
38 0

Шланг, верхний Stbd brg vent to Strb Система впуска mfld, 9 дюйм (229 мм) (сокращёная длина from P / N 344248.) (HOSE, Upper Stbd brg vent to Strb intake mfld, 9 in. (229mm). (Cut to length from P/N 344248.))

нет в наличии, поставок нет
39 0

Шланг, верхний Подшипник vent to Обратный клапан, 9 дюйм (229 мм) (сокращёная длина from P / N 340848.) (HOSE, Upper bearing vent to check valve, 9 in. (229mm). (Cut to length from P/N 340848.))

нет в наличии, поставок нет
40 0

Шланг, нижний Подшипник vent to Обратный клапан, 4 1 / 2 дюйм (114 мм) (сокращёная длина from P / N 327228 (HOSE, Lower bearing vent to check valve, 4 1/2 in. (114mm). (Cut to length from P/N 327228)

нет в наличии, поставок нет
41 0

Масляный шланг - (Secure with #34) (сокращёная длина from P / N 344248.) (HOSE, Oil - (Secure with #34). (Cut to length from P/N 344248.))

нет в наличии, поставок нет
42 0434927

Обратный клапан (CHECK VALVE)

нет в наличии, поставок нет
43 0350458

Винт, Цилиндр to Картер двигателя (SCREW, Cylinder to crankcase)

нет в наличии, поставок нет
44 0329513

Винт, Ниппель (SCREW, Nipple)

нет в наличии, поставок нет
45 0343881

Ниппель, нижний drain (NIPPLE, Lower drain)

нет в наличии, поставок нет
46 0324677

Уплотнительное кольцо, Ниппель, нижний drain. (Included in POWERHEAD Комплект прокладок.) (O-RING, Nipple, lower drain. (Included in POWERHEAD GASKET SET.))

нет в наличии, поставок нет
47 0335316

Сальник, Переключающая тяга (SEAL, Shift rod)

нет в наличии, поставок нет
48 5004323

KIT, верхний Крепление в сборе (KIT, Upper mount assy)

нет в наличии, поставок нет
49 0348449

*Винт, верхний Крепление (SCREW, Upper mount)

нет в наличии, поставок нет
50 0340418

Фиксатор, верхний Крепление (RETAINER, Upper mount)

нет в наличии, поставок нет
51 0330263

Винт, верхний Крепление (SCREW, Upper mount)

нет в наличии, поставок нет
51 0914534

   (последний код) SCREW

нет в наличии, поставок нет
52 0328725

Винт, Рычаг тяги переключения (SCREW, Shift rod lever)

нет в наличии, поставок нет
52 3852187

   (последний код) SCREW

нет в наличии, поставок нет
53 0433817

Рычаг в сборе, Переключающая тяга (LEVER Assy, Shift rod)

нет в наличии, поставок нет
54 0330935

Втулка, Рычаг переключения (BUSHING, Shift lever)

нет в наличии, поставок нет
55 0335521

Втулка, Рычаг переключения to block (BUSHING, Shift lever to block)

нет в наличии, поставок нет
56 0306012

Пружина Шайба вала переключения (SPRING WASHER, Shift shaft)

нет в наличии, поставок нет
57 0202026

Шайба, Рычаг переключения (WASHER, Shift arm)

нет в наличии, поставок нет
58 0330941

Штифт, Рычаг переключения (PIN, Shift arm)

нет в наличии, поставок нет
59 5000470

Переключающий вал & Рычаг в сборе (SHIFT SHAFT & ARM Assy)

нет в наличии, поставок нет
59 0436822

   (последний код) ARM&SHAFT AY,SHIFT

нет в наличии, поставок нет
60 0340734

Втулка, Переключающий вал в сборе (BUSHING, Shift shaft assy)

нет в наличии, поставок нет
61 0349061

TRUNNION BLOCK (TRUNNION BLOCK)

нет в наличии, поставок нет
61 0345672

   (последний код) BLOCK,TRUNNION

нет в наличии, поставок нет
62 0310947

J Струбцина масляного шланга (J CLAMP, Oil Hose)

нет в наличии, поставок нет
63 0328744

Винт, Trunnion to block (SCREW, Trunnion to block)

нет в наличии, поставок нет
63 0308741

   (последний код) SCREW

нет в наличии, поставок нет
64 0787130

POWERHEAD Комплект прокладок (POWERHEAD GASKET SET)

нет в наличии, поставок нет
65 0345537

J Струбцина топливной трубки в сборе (J CLAMP, Fuel tube assy)

нет в наличии, поставок нет
66 0328725

Винт, Крышка, trunnion (SCREW, Cover, trunnion)

нет в наличии, поставок нет
66 3852187

   (последний код) SCREW

нет в наличии, поставок нет
67 0349060

Крышка, Trunnion (COVER, Trunnion)

нет в наличии, поставок нет
67 0335528

   (последний код) COVER,TRUNION

нет в наличии, поставок нет
68 0343118

Переключающая тяга Рычаг to Рычаг переключения (LINK, Shift lever to shift arm)

нет в наличии, поставок нет
68 0335382

   (последний код) LINK,SHIFT-LEVE

нет в наличии, поставок нет
69 0333774

Зажим, Переключатель Рычаг переключателя Рычаг (CLIP, Shift lever, shift arm)

нет в наличии, поставок нет
70 0328702

Шайба, Соединитель to Рычаг переключения (WASHER, Link to shift arm)

нет в наличии, поставок нет
70 3852183

   (последний код) WASHER

нет в наличии, поставок нет
71 0311015

Втулка, Рычаг переключения (BUSHING, Shift lever)

нет в наличии, поставок нет
71 3852094

   (последний код) BUSHING

нет в наличии, поставок нет
72 0338990

Штифт, Переключатель assist (PIN, Shift assist)

нет в наличии, поставок нет
73 0439333

Рычаг переключения (SHIFT LEVER)

нет в наличии, поставок нет
73 0435518

   (последний код) LEVER-AY,SHI

нет в наличии, поставок нет
74 0330933

Винт, Рычаг переключения to block (SCREW, Shift arm to block)

нет в наличии, поставок нет
75 0328733

Пружинная шайба, Рычаг переключения (SPRING WASHER, Shift lever)

нет в наличии, поставок нет
76 0513811

Кронштейн, Slider (BRACKET, Slider)

нет в наличии, поставок нет
76 0513132

   (последний код) BRACKET

нет в наличии, поставок нет
77 0333749

Пружина переключателя Assist (SPRING, Shift Assist)

нет в наличии, поставок нет
78 0513134

Кронштейн, Защелка (BRACKET, Snap)

нет в наличии, поставок нет
79 0586130

Переключатель, Переключатель Assist (SWITCH, Shift Assist)

нет в наличии, поставок нет
80 0514696

*Коннектор (CONNECTOR)

нет в наличии, поставок нет
81 0514679

*Клемма, Штифт (TERMINAL, Pin)

нет в наличии, поставок нет
82 0514697

*LOCK WEDGE (LOCK WEDGE)

нет в наличии, поставок нет
83 0328724

Винт, Motor Кабели, Заземление (SCREW, Motor cable, ground)

нет в наличии, поставок нет
83 3852186

   (последний код) SCREW

нет в наличии, поставок нет
84 0328701

Шайба с блокировкой, Battery Заземление (LOCK WASHER, Battery ground)

нет в наличии, поставок нет
84 3852182

   (последний код) WASHER,LOCK

нет в наличии, поставок нет
85 0339066

Винт, Головка блока цилиндра (SCREW, Cylinder head)

нет в наличии, поставок нет
86 0345943

Винт, Головка блока цилиндра-coil Крепление (SCREW, Cylinder head-coil mount)

нет в наличии, поставок нет
86 0352913

   (последний код) SCREW

нет в наличии, поставок нет
evinrude

Время выполнения запроса 2.2890341281891 сек.


 
 

данный сайт носит информационный характер и не является публичной офертой

склад запчастей для водомоторной техники