вконтакте

Контактный телефон: +7 (981) 121-46-93, +7 (800) 200-90-76 , Email: parts-katalog@yandex.ru, где купить

 
 

  Логин:

Пароль:

Регистрация

www.partskatalog.ru Все каталоги Запчасти Mercury Запчасти Suzuki Запчасти Tohatsu Запчасти Honda Контакты


Все разделы каталога запчастей на этот двигатель

назад Раздел:   вперёд

вернуться к списку узлов и деталей

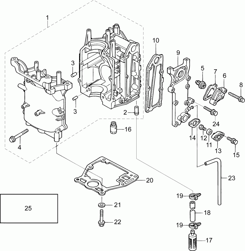
ДЕТАЛИРОВКА ДЛЯ МОДЕЛИ: EVINRUDE E10PL4INS

15-6 ЦИЛИНДР & КАРТЕР ДВИГАТЕЛЯ В СБОРЕ | 15-6 CYLINDER & CRANKCASE ASSEMBLY;


 EVINRUDE E10PL4INS  - Цилиндр & Картер двигателя в сборе / cylinder & Crankcase Assembly

Номер на
рисунке
АртикулНаименованиеКол-во
на складе
Цена
1 5041403

Цилиндр & Картер двигателя в сборе (CYLINDER & CRANKCASE ASSEMBLY)

нет в наличии, поставок нет
2 5041063

* Ниппель 10-32 ( NIPPLE 10-32)

нет в наличии, поставок нет
3 5040056

* Шпонка 6-12 ( DOWEL PIN 6-12)

нет в наличии, поставок нет
4 5041061

* Болт головки блока цилиндра 8-50 ( CYLINDER HEAD BOLT 8-50)

нет в наличии, поставок нет
5 5041185

Термостат. стандарт 60°C (THERMOSTAT. Standard 60°C)

нет в наличии, поставок нет
5 5040292

Термостат. Опции 70°C (THERMOSTAT. Optional 70°C)

нет в наличии, поставок нет
6 5041054

Колпачок термостата (THERMOSTAT CAP)

нет в наличии, поставок нет
7 5040066

Прокладка крышки термостата (THERMOSTAT CAP GASKET)

нет в наличии, поставок нет
8 5041564

Болт (BOLT)

нет в наличии, поставок нет
9 5041404

Наружная часть выхлопной крышки (EXHAUST COVER (OUTER))

нет в наличии, поставок нет
10 5041277

Прокладка выхлопной крышки (EXHAUST COVER GASKET)

нет в наличии, поставок нет
11 5040146

Анод (ANODE)

нет в наличии, поставок нет
12 5041524

Болт (BOLT)

нет в наличии, поставок нет
13 5041088

Заглушка анода (ANODE PLUG)

нет в наличии, поставок нет
14 5041186

Прокладка (GASKET)

нет в наличии, поставок нет
15 5041560

Болт (BOLT)

нет в наличии, поставок нет
16 5041441

Плунжер ASSEMBLY (PLUNGER ASSEMBLY)

нет в наличии, поставок нет
17 5041311

OIL Сетчатый фильтр ASSEMBLY (OIL STRAINER ASSEMBLY)

нет в наличии, поставок нет
18 5041726

Шланг (HOSE)

нет в наличии, поставок нет
19 5040220

Ремешок подводящего провода 158 (BAND LEAD WIRE 158)

нет в наличии, поставок нет
20 5041272

Основание двигателяMENT Прокладка (ENGINE BASEMENT GASKET)

нет в наличии, поставок нет
21 5041669

Шайба (WASHER)

нет в наличии, поставок нет
22 5041207

Болт 8-35 (BOLT 8-35)

нет в наличии, поставок нет
23 5041719

Шланг (HOSE)

нет в наличии, поставок нет
23 5041730

   (последний код) HOSE

нет в наличии, поставок нет
24 5041561

Болт (BOLT)

нет в наличии, поставок нет
25 5041395

Комплект прокладок силовой части двигателя (POWER HEAD GASKET SET)

нет в наличии, поставок нет
evinrude

Время выполнения запроса 0.41446304321289 сек.


 
 

данный сайт носит информационный характер и не является публичной офертой

склад запчастей для водомоторной техники