вконтакте

Контактный телефон: +7 (981) 121-46-93, +7 (800) 200-90-76 , Email: parts-katalog@yandex.ru, где купить

 
 

  Логин:

Пароль:

Регистрация

www.partskatalog.ru Все каталоги Запчасти Mercury Запчасти Suzuki Запчасти Tohatsu Запчасти Honda Контакты


Все разделы каталога запчастей на этот двигатель

назад Раздел:   вперёд

вернуться к списку узлов и деталей

ДЕТАЛИРОВКА ДЛЯ МОДЕЛИ: EVINRUDE B3R4AAA

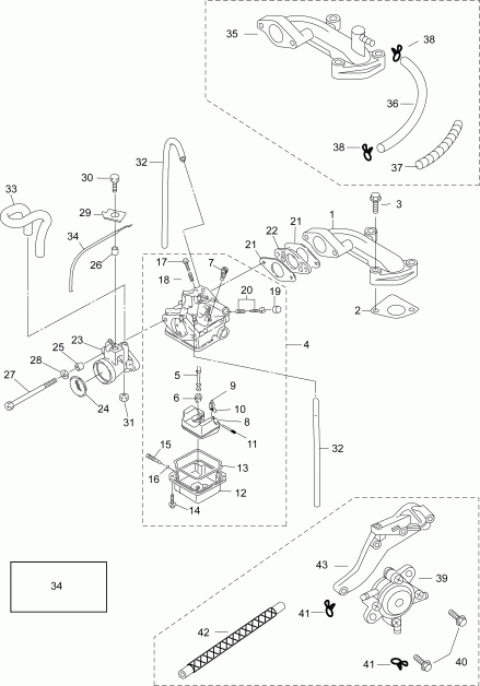
15-1 ВПУСКНОЙ КОЛЛЕКТОР & КАРБЮРАТОР | 15-1 INTAKE MANIFOLD & CARBURETOR;


Подвесной мотор EVINRUDE B3R4AAA  - Впускной коллектор & Карбюратор - intake Manifold & Carburetor

Номер на
рисунке
АртикулНаименованиеКол-во
на складе
Цена
1 5040755

Впускной коллектор. Early models (INTAKE MANIFOLD. Early models)

нет в наличии, поставок нет
2 5040374

Прокладка впускного коллектор (INTAKE MANIFOLD GASKET)

нет в наличии, поставок нет
3 5041575

Болт (BOLT)

нет в наличии, поставок нет
4 5040940

Карбюратор в сборе (CARBURETOR ASSEMBLY)

нет в наличии, поставок нет
5 5041245

* Главная форсунка ( MAIN NOZZLE)

нет в наличии, поставок нет
6 5040503

* Главный жиклёр (#68) ( MAIN JET (#68))

нет в наличии, поставок нет
7 5040916

* Медленная воздушная форсунка (#115) ( SLOW AIR JET (#115))

нет в наличии, поставок нет
8 5040912

* Поплавок ( FLOAT)

нет в наличии, поставок нет
9 5040970

* Клапан поплавка ( FLOAT VALVE)

нет в наличии, поставок нет
10 5040971

* Зажим ( CLIP)

нет в наличии, поставок нет
11 5040969

* Стопор рычага поплавка ( FLOAT ARM PIN)

нет в наличии, поставок нет
12 5040911

* Поплавковая камера ( FLOAT CHAMBER)

нет в наличии, поставок нет
13 5040967

* Уплотнительное кольцо поплавковой камеры ( FLOAT CHAMBER O-RING)

нет в наличии, поставок нет
14 5041643

* Винт ( SCREW)

нет в наличии, поставок нет
15 5040974

* Дренажный винт ( DRAIN SCREW)

нет в наличии, поставок нет
16 5040975

* Уплотнительное кольцо дренажного винта ( O-Ring Drain Screw)

нет в наличии, поставок нет
17 5040376

* Стопорный винт ( STOP SCREW)

нет в наличии, поставок нет
18 5040973

* Пружина стопорного винта ( Spring Stop Screw)

нет в наличии, поставок нет
19 5040914

* Резиновый колпачок ( RUBBER CAP)

нет в наличии, поставок нет
20 5040377

* Контрольный винт ( PILOT SCREW)

нет в наличии, поставок нет
21 5040959

Прокладка карбюратора (CARBURETOR GASKET)

нет в наличии, поставок нет
22 5040976

Изолятор (INSULATOR)

нет в наличии, поставок нет
23 5040964

Впуск глушителя (INTAKE SILENCER)

нет в наличии, поставок нет
24 5040965

FLAME TRAP (FLAME TRAP)

нет в наличии, поставок нет
25 5040248

Воротник 6.2-9-7.4 (Collar 6.2-9-7.4)

нет в наличии, поставок нет
26 5041043

Воротник 6.2-9-7 (Collar 6.2-9-7)

нет в наличии, поставок нет
27 5041589

Болт (BOLT)

нет в наличии, поставок нет
28 5041661

Шайба (WASHER)

нет в наличии, поставок нет
29 5041025

Держатель кабеля (CABLE HOLDER)

нет в наличии, поставок нет
30 5041524

Болт (BOLT)

нет в наличии, поставок нет
31 5041647

Гайка (NUT)

нет в наличии, поставок нет
32 5041712

Шланг (HOSE)

нет в наличии, поставок нет
33 5040401

Сапун шланга (BREATHER HOSE)

нет в наличии, поставок нет
34 5040929

Ремкомплект карбюратора (CARBURETOR REPAIR KIT)

нет в наличии, поставок нет
35 5040932

Впускной коллектор. Late Models. US Only (INTAKE MANIFOLD. Late Models. US Only)

нет в наличии, поставок нет
36 5041723

Шланг. Late Models. US Only (HOSE. Late Models. US Only)

нет в наличии, поставок нет
37 5041392

Шланг Защита Late Models. US Only (HOSE PROTECTOR. Late Models. US Only)

нет в наличии, поставок нет
38 5040757

Зажим, 12 мм. Late Models. US Only (CLIP, 12mm. Late Models. US Only)

нет в наличии, поставок нет
39 5040915

Топливный насос ASSEMBLY. Late Models. US Only (FUEL PUMP ASSEMBLY. Late Models. US Only)

нет в наличии, поставок нет
40 5041560

Болт. Late Models. US Only (BOLT. Late Models. US Only)

нет в наличии, поставок нет
41 5040051

Зажим, 10 mm. Late Models. US Only (CLIP, 10 mm. Late Models. US Only)

нет в наличии, поставок нет
42 5040907

Защита топливного шланга. Late Models. US Only (FUEL HOSE PROTECTOR. Late Models. US Only)

нет в наличии, поставок нет
43 5040930

Колпачок термостата. Late Models. US Only (THERMOSTAT CAP. Late Models. US Only)

нет в наличии, поставок нет
NS 5040941

Комплект для регулировки высоты (ALTITUDE ADJUSTMENT KIT)

нет в наличии, поставок нет
evinrude

Время выполнения запроса 0.58537292480469 сек.


 
 

данный сайт носит информационный характер и не является публичной офертой

склад запчастей для водомоторной техники