вконтакте

Контактный телефон: +7 (981) 121-46-93, +7 (800) 200-90-76 , Email: parts-katalog@yandex.ru, где купить

 
 

  Логин:

Пароль:

Регистрация

www.partskatalog.ru Все каталоги Запчасти Mercury Запчасти Suzuki Запчасти Tohatsu Запчасти Honda Контакты


Все разделы каталога запчастей на этот двигатель

назад Раздел:   вперёд

вернуться к списку узлов и деталей

ДЕТАЛИРОВКА ДЛЯ МОДЕЛИ: EVINRUDE DE300CZAAC

04-4 ELECTRONIC ПЕРЕКЛЮЧАТЕЛЬ И ДРОССЕЛЬ | 04-4 ELECTRONIC SHIFT AND THROTTLE;


Подвесной лодочный мотор EVINRUDE DE300CZAAC  - electronic Переключатель и Дроссель - electronic Shift And Throttle

Номер на
рисунке
АртикулНаименованиеКол-во
на складе
Цена
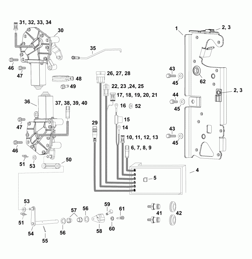
1 5007766

Пластина, Пускатель Креплениеing (PLATE, Actuator mounting)

нет в наличии, поставок нет
2 3011694

*Зажим, Коннектор (CLIP, Connector)

нет в наличии, поставок нет
3 0351756

*Заклёпка (RIVET)

нет в наличии, поставок нет
4 0587114

MODULE, Electronic servo (ESM) (MODULE, Electronic servo (ESM))

нет в наличии, поставок нет
4 0587088

   (последний код) ESM AY

нет в наличии, поставок нет
5 0764915

*Заглушка, Двигатель Identity - 0 (1st Двигатель) (PLUG, Engine Identity - 0 (1st engine))

нет в наличии, поставок нет
5 0764916

*Заглушка, Двигатель Identity - 1 (2nd Двигатель) (PLUG, Engine Identity - 1 (2nd engine))

нет в наличии, поставок нет
5 0764917

*Заглушка, Двигатель Identity - 2 (3rd Двигатель) (PLUG, Engine Identity - 2 (3rd engine))

нет в наличии, поставок нет
5 0764918

*Заглушка, Двигатель Identity - 3 (4th Двигатель) (PLUG, Engine Identity - 3 (4th engine))

нет в наличии, поставок нет
5 0764919

*Заглушка, Двигатель Identity - 4 (5th Двигатель) (PLUG, Engine Identity - 4 (5th engine))

нет в наличии, поставок нет
6 3011701

*Коннектор дросселя Пускатель (CONNECTOR, Throttle actuator)

нет в наличии, поставок нет
7 3011702

*LOCKWEDGE, 6-Штифт (LOCKWEDGE, 6-Pin)

нет в наличии, поставок нет
8 3011703

*Клемма, Штифт (TERMINAL, Pin)

нет в наличии, поставок нет
9 0514858

*Сальник, Заглушка (SEAL, Plug)

нет в наличии, поставок нет
10 3011704

*Коннектор, Переключатель Пускатель (CONNECTOR, Shift actuator)

нет в наличии, поставок нет
11 3011705

*LOCKWEDGE, 6-Socket Заглушка (LOCKWEDGE, 6-Socket plug)

нет в наличии, поставок нет
12 3011706

*Клемма, Socket (TERMINAL, Socket)

нет в наличии, поставок нет
13 0514858

*Сальник, Заглушка (SEAL, Plug)

нет в наличии, поставок нет
14 0600138

*Клемма Кольцо, Заземление. 0.250 дюйм (6.3 мм) (TERMINAL RING, Ground. 0.250 in. (6.3 mm))

нет в наличии, поставок нет
15 3011729

*Предохранитель, ATM 30 (FUSE, ATM 30)

нет в наличии, поставок нет
16 0204053

*Клемма, Кольцо, +12V. 0.312 дюйм (7.9 мм) (TERMINAL, Ring, +12V. 0.312 in. (7.9mm))

нет в наличии, поставок нет
16 3852037

   (последний код) TERMINAL,RIN

нет в наличии, поставок нет
17 0514685

*Коннектор, Trim & Tilt (CONNECTOR, Trim & Tilt)

нет в наличии, поставок нет
18 0514789

**Сальник, 3-Socket (SEAL, 3-Socket)

нет в наличии, поставок нет
19 0514680

*Клемма, Socket (TERMINAL, Socket)

нет в наличии, поставок нет
20 0514681

*LOCKWEDGE, 3 Socket Заглушка (LOCKWEDGE, 3 Socket plug)

нет в наличии, поставок нет
21 0514690

*Сальник, Заглушка (SEAL, Plug)

нет в наличии, поставок нет
22 0514688

*Коннектор, Двигатель Жгут проводов (CONNECTOR, Engine harness)

нет в наличии, поставок нет
23 0514684

*LOCKWEDGE, 6-Штифт (LOCKWEDGE, 6-Pin)

нет в наличии, поставок нет
24 0514679

*Клемма, Штифт (TERMINAL, Pin)

нет в наличии, поставок нет
25 0514690

*Сальник, Заглушка (SEAL, Plug)

нет в наличии, поставок нет
26 3011421

*Коннектор, EMM (CONNECTOR, EMM)

нет в наличии, поставок нет
27 3011148

*CONTACT, Male - tab (CONTACT, Male - tab)

нет в наличии, поставок нет
28 3011149

*Сальник провода (SEAL, Wire)

нет в наличии, поставок нет
29

*Коннектор, Network. НЕ ПРОДАЕТСЯ ОТДЕЛЬНОly (CONNECTOR, Network. Not sold separately)

нет в наличии, поставок нет
30 0587086

Пускатель Assembly, Дроссель (ACTUATOR Assembly, Throttle)

нет в наличии, поставок нет
31 3011704

*Коннектор, 6-Socket Заглушка (CONNECTOR, 6-Socket plug)

нет в наличии, поставок нет
32 3011705

*LOCKWEDGE, 6-Socket Заглушка (LOCKWEDGE, 6-Socket plug)

нет в наличии, поставок нет
33 3011706

*Клемма, Socket (TERMINAL, Socket)

нет в наличии, поставок нет
34 0514858

*Сальник, Заглушка (SEAL, Plug)

нет в наличии, поставок нет
35 5005887

Тяга дросселя Рычаг to Пускатель (LINK, Throttle lever to actuator)

нет в наличии, поставок нет
35 0351757

   (последний код) SHELL

нет в наличии, поставок нет
36 0587087

Пускатель Assembly, Переключатель (ACTUATOR Assembly, Shift)

нет в наличии, поставок нет
37 3011701

*Коннектор, 6-Штифт (CONNECTOR, 6-Pin)

нет в наличии, поставок нет
38 3011702

*LOCKWEDGE, 6-Штифт (LOCKWEDGE, 6-Pin)

нет в наличии, поставок нет
39 3011703

*Клемма, Штифт (TERMINAL, Pin)

нет в наличии, поставок нет
40 0514858

*Сальник, Заглушка (SEAL, Plug)

нет в наличии, поставок нет
- 0764966

KIT, Installation hardware (KIT, Installation hardware)

нет в наличии, поставок нет
41 0344848

*Шпилька, ESM Креплениеing (STUD, ESM Mounting)

нет в наличии, поставок нет
42 0329518

*Пыльник, ESM Креплениеing (GROMMET, ESM mounting)

нет в наличии, поставок нет
42 3852195

   (последний код) GROMMET

нет в наличии, поставок нет
43 0552968

*Винт, Пластина - 3 / 8-16 x 1.5 дюйм (38 мм) (SCREW, Plate - 3/8-16 x 1.5 in. (38 mm))

нет в наличии, поставок нет
43 0321675

   (последний код) SCREW

нет в наличии, поставок нет
44 0319590

*Винт, Пластина - 3 / 8-16 x 75 дюйм (19 мм) (SCREW, Plate - 3/8-16 x .75 in. (19 mm))

нет в наличии, поставок нет
44 3855227

   (последний код) SCREW

нет в наличии, поставок нет
45 0301161

*Шайба, Пускатель Пластина Винт (WASHER, Actuator plate screw)

нет в наличии, поставок нет
46 0354393

*Винт, Пускатель - 1 / 4-20 x 2.5 дюйм (63 мм) (SCREW, Actuator - 1/4-20 x 2.5 in. (63 mm))

нет в наличии, поставок нет
47 0353064

*Винт, Пускатель - 1 / 4-20 x 1.5 дюйм (38 мм) (SCREW, Actuator - 1/4-20 x 1.5 in. (38 mm))

нет в наличии, поставок нет
48 0354154

*Струбцина, Пускатель sвышеport (CLAMP, Actuator support)

нет в наличии, поставок нет
49 0335687

*Винт зажима (SCREW, Clamp)

нет в наличии, поставок нет
49 3852213

   (последний код) SCREW

нет в наличии, поставок нет
50 0354594

*Переключающая тяга Пускатель to Рычаг (LINK, Shift actuator to lever)

нет в наличии, поставок нет
51 0333774

*Зажим, Соединитель to Штифтs (CLIP, Link to pins)

нет в наличии, поставок нет
52 0354046

*Шайба, ESM lead to solenoid (WASHER, ESM lead to solenoid)

нет в наличии, поставок нет
NS 0320107

*Крепёжный хомут, Дроссель Пускатель Жгут проводов (TIE STRAP, Throttle actuator harness)

нет в наличии, поставок нет
NS 5035626

   (последний код) BAND,REM CON

нет в наличии, поставок нет
NS 0317893

*Крепёжный хомут, Переключатель Пускатель Жгут проводов (TIE STRAP, Shift actuator harness)

нет в наличии, поставок нет
NS 3852149

   (последний код) TIE-STRAP

нет в наличии, поставок нет
NS 0907833

*Крепёжный хомут, Кабелиs to Переключатель Пускатель (TIE STRAP, Cables to shift actuator)

нет в наличии, поставок нет
NS 3852423

   (последний код) TIE STRAP /907833

нет в наличии, поставок нет
53 0328702

Шайба, Соединитель to Штифтs (WASHER, Link to pins)

нет в наличии, поставок нет
53 3852183

   (последний код) WASHER

нет в наличии, поставок нет
54 5007292

Рычаг и Переключающий вал (LEVER AND SHAFT, Shift)

нет в наличии, поставок нет
55 0330145

Штифт, Рычаг переключения to Картер двигателя (PIN, Shift lever to crankcase)

нет в наличии, поставок нет
56 0202026

Шайба, Рычаг переключения to Картер двигателя (WASHER, Shift lever to crankcase)

нет в наличии, поставок нет
57 0312708

Втулка, Рычаг переключения to Картер двигателя (BUSHING, Shift lever to crankcase)

нет в наличии, поставок нет
58 0335191

Рычаг штока переключения (LEVER, Shift rod)

нет в наличии, поставок нет
58 0334117

   (последний код) LEVER

нет в наличии, поставок нет
59 0328695

Винт, Рычаг тяги переключения (SCREW, Shift rod lever)

нет в наличии, поставок нет
59 0323480

   (последний код) SCREW

нет в наличии, поставок нет
60 0302290

Шайба, Рычаг переключения to Переключающая тяга Штифт (WASHER, Shift lever to shift rod pin)

нет в наличии, поставок нет
60 0338307

   (последний код) WASHER,LOCK

нет в наличии, поставок нет
61 0327590

Штифт, Рычаг переключения to Переключающая тяга (PIN, Shift lever to shift rod)

нет в наличии, поставок нет
61 0323267

   (последний код) PIN

нет в наличии, поставок нет
62 0329518

Пыльник кабеля стартера. Included with Пускатель Креплениеing Пластина, P / N 5007766 (GROMMET, Starter cable. Included with actuator mounting plate, P/N 5007766)

нет в наличии, поставок нет
62 3852195

   (последний код) GROMMET

нет в наличии, поставок нет
evinrude

Время выполнения запроса 3.9619388580322 сек.


 
 

данный сайт носит информационный характер и не является публичной офертой

склад запчастей для водомоторной техники