вконтакте

Контактный телефон: +7 (981) 121-46-93, +7 (800) 200-90-76 , Email: parts-katalog@yandex.ru, где купить

 
 

  Логин:

Пароль:

Регистрация

www.partskatalog.ru Все каталоги Запчасти Mercury Запчасти Suzuki Запчасти Tohatsu Запчасти Honda Контакты


Все разделы каталога запчастей на этот двигатель

назад Раздел:   вперёд

вернуться к списку узлов и деталей

ДЕТАЛИРОВКА ДЛЯ МОДЕЛИ: EVINRUDE E3RG4ABB

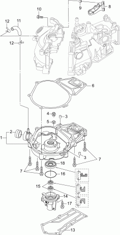
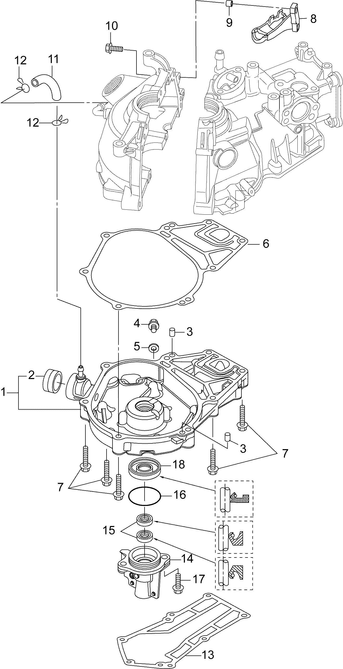
15-5 МАСЛЯНЫЙ ПОДДОН | 15-5 OIL PAN;


Лодочный мотор EVINRUDE E3RG4ABB  - oil Pan / Масляный поддон

Номер на
рисунке
АртикулНаименованиеКол-во
на складе
Цена
1 5040437

OILPAN ASSEMBLY (OILPAN ASSEMBLY)

нет в наличии, поставок нет
2 5040398

* Датчик уровня масла ( OIL SIGHT GAUGE)

нет в наличии, поставок нет
3 5040056

Шпонка 6-12 (DOWEL PIN 6-12)

нет в наличии, поставок нет
4 5041013

Дренажный болт M10P1.25-14 (DRAIN BOLT M10P1.25-14)

нет в наличии, поставок нет
5 5040995

Шайба 10.2-19-1 (Washer 10.2-19-1)

нет в наличии, поставок нет
6 5040397

Прокладка масляного поддона (OILPAN GASKET)

нет в наличии, поставок нет
7 5041576

Болт (BOLT)

нет в наличии, поставок нет
8 5040918

Кронштейн Стопор (BRACKET STOPPER)

нет в наличии, поставок нет
9 5040248

Воротник 6.2-9-7.4 (Collar 6.2-9-7.4)

нет в наличии, поставок нет
10 5041560

Болт (BOLT)

нет в наличии, поставок нет
11 5041714

Шланг (HOSE)

нет в наличии, поставок нет
12 5040051

Зажим Топливные трубки ?10 (CLIP FUEL PIPE ?10)

нет в наличии, поставок нет
13 5040407

Прокладка корпуса вала передачи (DRIVE SHAFT HOUSING GASKET)

нет в наличии, поставок нет
14 5040372

Головка картера двигателя (CRANKCASE HEAD)

нет в наличии, поставок нет
15 5040373

Сальник 10.1-20-7 (Oil Seal 10.1-20-7)

нет в наличии, поставок нет
16 5041275

Уплотнительное кольцо 2.4-35.2 (O-Ring 2.4-35.2)

нет в наличии, поставок нет
17 5041560

Болт (BOLT)

нет в наличии, поставок нет
18 5040368

Сальник 20-35-7 (Oil Seal 20-35-7)

нет в наличии, поставок нет
evinrude

Время выполнения запроса 0.34395003318787 сек.


 
 

данный сайт носит информационный характер и не является публичной офертой

склад запчастей для водомоторной техники