Контактный телефон: +7 (981) 121-46-93, +7 (800) 200-90-76 , Email: parts-katalog@yandex.ru, где купить |
вернуться к списку узлов и деталей ДЕТАЛИРОВКА ДЛЯ МОДЕЛИ: BRP ATV Traxter, 7417/7418, 2000 Раздел: Battery и Электрика Аксессуары
|
|||||||||||||||||||||||||||||||||||||||||||||||||||||||||||||||||||||||||||||||||||||||||||||||||||||||||||||||||||||||||||||||||||||||||||||||||||||||||||||||||||||||||||||||||||||||||||||||||||||||||||||||||||||||||||||||||||||||||||||||||||||||||||||||||||||||||||||||||||||||||||||||||||||||||||||||||||||||||||||||||||||||||||||||||||||||||||||||||||||||||||||||||||||||||||||||||||||||||||||||||||||||||||||||||||||||||||||||||||||||||||||||||||||||||||||||||||||||||||||||||||||||||||||||||||||||||||||||||||||||||||||||||||||||||||||||||||||||||||||||||||||||||||||||||||||||||||||||||||||||||||||||||||||||||||||||||||||||||||||||||||||||||||||||||||||||||||||||||||||||||||||||||||||||||||||||||||||
| Номер на рисунке | Артикул | Наименование | Кол-во на складе | Цена | |
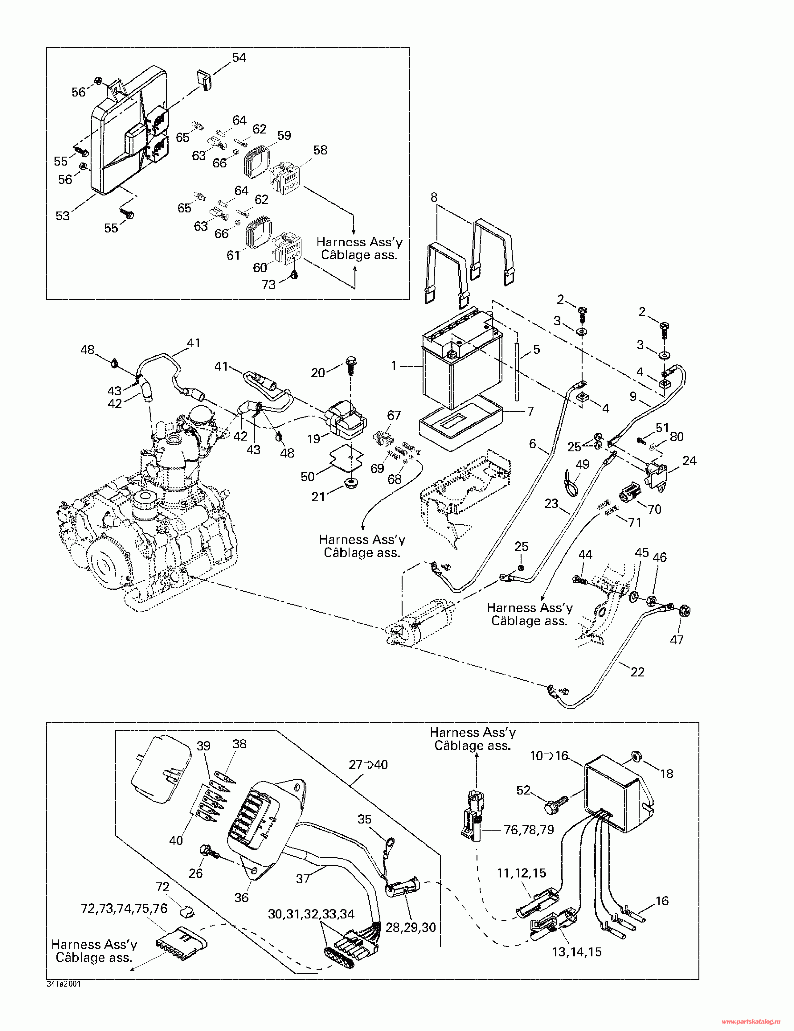
| 1 | 278000712 | Battery (Battery) | под заказ | 5780 руб. | |
| 1 | 278001756 | (последний код) Battery (Battery) | под заказ | 7070 руб. | |
| 1 | FB16CL-B | (не оригинальный аналог) Аккумулятор FB16CL-B (YB16CL-B) | под заказ | 8370 руб. | |
| 2 | 211000045 | Винт Hex (Screw Hex) | под заказ | по запросу | |
| 3 | 211200018 | плоский Шайба 6 mm (Flat Washer 6 mm) | под заказ | 270 руб. | |
| 4 | 211100022 | Гайка M6 (Nut M6) | под заказ | по запросу | |
| 5 | 415110000 | Polyurethane Шланг 5.2 mm (Polyurethane Hose 5.2 mm) | под заказ | 280 руб. | |
| 5 | 709000017 | (последний код) Polyurethane Шланг 5.2 mm (Polyurethane Hose 5.2 mm) | под заказ | 220 руб. | |
| 6 | 710000023 | Заземляющий провод (Ground Cable) | под заказ | 1500 руб. | |
| 6 | 710000211 | (последний код) Заземляющий провод (Ground Cable) | под заказ | 1910 руб. | |
| 7 | 278001234 | Battery нижний Pad (Battery Lower Pad) | под заказ | 2020 руб. | |
| 7 | 278001976 | (последний код) Battery нижний Pad (Battery Lower Pad) | под заказ | 2720 руб. | |
| 8 | 293850021 | Rubber Хомут (Rubber Strap) | под заказ | по запросу | |
| 8 | 293850077 | (последний код) Rubber Хомут (Rubber Strap) | под заказ | 900 руб. | |
| 9 | 710000011 | Positive Кабели (Positive Cable) | под заказ | по запросу | |
| 10 | 710000100 | Voltage Регулятор. Includes 10 - 17. (Voltage Regulator. Includes 10 - 17.) | под заказ | 18610 руб. | |
| 10 | 710000019 | (последний код) Voltage Регулятор. Includes 10 - 17. (Voltage Regulator. Includes 10 - 17.) | под заказ | 14550 руб. | |
| 11 | 278000222 | Male Клемма (18 Gauge) (Packard) (Male Terminal (18 Gauge) (Packard)) | под заказ | 290 руб. | |
| 12 | 278000161 | Female Корпус (1 Circuit) (Packard) (Female Housing (1 Circuit) (Packard)) | под заказ | 720 руб. | |
| 13 | 278000223 | Female Клемма (18 Gauge) (Packard) (Female Terminal (18 Gauge) (Packard)) | под заказ | 290 руб. | |
| 14 | 278000219 | Male Корпус (1 Circuit) (Packard) (Male Housing (1 Circuit) (Packard)) | под заказ | 630 руб. | |
| 15 | 278000218 | Провод Сальник (16-18 Gauge) (зелёный) (Packard) (Wire Seal (16-18 Gauge) (Green) (Packard)) | под заказ | 430 руб. | |
| 16 | 710000034 | Female Клемма (14-16 Gauge) (Deutsch) (Female Terminal (14-16 Gauge) (Deutsch)) | под заказ | 530 руб. | |
| 17 | 293750001 | Tie Rap (Tie Rap) | под заказ | 90 руб. | |
| 17 | 420866718 | (последний код) Tie Rap (Tie Rap) | под заказ | 110 руб. | |
| 18 | 233261414 | Elastic Фланецd Гайка M6 (Elastic Flanged Nut M6) | под заказ | 290 руб. | |
| 18 | M33200 | (последний код) | под заказ | по запросу | |
| 19 | 270600002 | Катушка зажигания (Ignition Coil) | под заказ | 12770 руб. | |
| 19 | 278001546 | (последний код) Катушка зажигания (Ignition Coil) | под заказ | 16330 руб. | |
| 19 | SM-01149 | (не оригинальный аналог) Катушка зажигания BRP/Polaris SM-01149 | под заказ | 10380 руб. | |
| 20 | 207664544 | Винт Hex. Фланецd M6 x 45 (Screw Hex. Flanged M6 x 45) | под заказ | 290 руб. | |
| 21 | 233261414 | Elastic Фланецd Гайка M6 (Elastic Flanged Nut M6) | под заказ | 290 руб. | |
| 21 | M33200 | (последний код) | под заказ | по запросу | |
| 22 | 710000022 | Заземляющий провод (Ground Cable) | под заказ | по запросу | |
| 23 | 710000012 | Positive Кабели (Positive Cable) | под заказ | по запросу | |
| 24 | 710000091 | Стартер Реле (Starter Relay) | под заказ | 4940 руб. | |
| 24 | 703500074 | (последний код) Стартер Реле (Starter Relay) | под заказ | 6320 руб. | |
| 25 | 232561600 | Эластичная гайка со стопором M6 (Elastic Stop Nut M6) | под заказ | 290 руб. | |
| 25 | 212000001 | (последний код) Эластичная гайка со стопором M6 (Elastic Stop Nut M6) | под заказ | 230 руб. | |
| 26 | 210261680 | Шестигранный винт M6 x 16 (Hex. Screw M6 x 16) | под заказ | 250 руб. | |
| 26 | 732600002 | (последний код) Шестигранный винт M6 x 16 (Hex. Screw M6 x 16) | под заказ | 230 руб. | |
| 27 | 710000016 | Предохранитель Держатель. Includes 27 - 40. (Fuse Holder. Includes 27 - 40.) | под заказ | по запросу | |
| 28 | 409004300 | Male Клемма (16 Gauge) (Packard) (Male Terminal (16 Gauge) (Packard)) | под заказ | 580 руб. | |
| 29 | 278000161 | Female Корпус (1 Circuit) (Packard) (Female Housing (1 Circuit) (Packard)) | под заказ | 720 руб. | |
| 30 | 278000218 | Провод Сальник (16-18 Gauge) (зелёный) (Packard) (Wire Seal (16-18 Gauge) (Green) (Packard)) | под заказ | 430 руб. | |
| 710000048 | Провод Сальник (Packard) (Wire Seal (Packard)) | под заказ | 580 руб. | ||
| 31 | 278000216 | Провод Сальник (Колпачок) (Wire Seal (Cap)) | под заказ | 290 руб. | |
| 32 | 409007300 | Female Клемма (14 Gauge) (Packard) (Female Terminal (14 Gauge) (Packard)) | под заказ | 1720 руб. | |
| 33 | 278000223 | Female Клемма (18 Gauge) (Packard) (Female Terminal (18 Gauge) (Packard)) | под заказ | 290 руб. | |
| 34 | 278000221 | Male Корпус (6 Circuits) (Packard) (Male Housing (6 Circuits) (Packard)) | под заказ | 1290 руб. | |
| 35 | 409012600 | Open Barrel (AMP) (Open Barrel (AMP)) | под заказ | 340 руб. | |
| 35 | 278001392 | (последний код) Open Barrel (AMP) (Open Barrel (AMP)) | под заказ | 430 руб. | |
| 36 | 710000029 | Блок предохранителей (Fuse Box) | под заказ | 10260 руб. | |
| 36 | 710000579 | (последний код) Блок предохранителей (Fuse Box) | под заказ | 13120 руб. | |
| 37 | 409902100 | Корпус (Housing) | под заказ | по запросу | |
| 38 | 410917200 | Предохранитель 30 Amp (Fuse 30 Amp) | под заказ | 290 руб. | |
| 38 | 42043 | (последний код) Предохранитель 30 Amp (Fuse 30 Amp) | под заказ | 140 руб. | |
| 39 | 278001143 | Предохранитель 20 Amp (Fuse 20 Amp) | под заказ | 230 руб. | |
| 39 | 409003900 | (последний код) Предохранитель 20 Amp (Fuse 20 Amp) | под заказ | 290 руб. | |
| 40 | 278000343 | Предохранитель 15 Amp (Fuse 15 Amp) | под заказ | 290 руб. | |
| 41 | 710000039 | Свеча зажигания Провод. Includes 41 - 43. (Spark Plug Wire. Includes 41 - 43.) | под заказ | по запросу | |
| 42 | 710000041 | Spark Защитный колачок (Spark Plug Cap) | под заказ | по запросу | |
| 43 | 293750001 | Tie Rap 94 mm (Tie Rap 94 mm) | под заказ | 90 руб. | |
| 43 | 420866718 | (последний код) Tie Rap 94 mm (Tie Rap 94 mm) | под заказ | 110 руб. | |
| 44 | 207162544 | Винт Hex. M6 x 25 (Screw Hex. M6 x 25) | под заказ | 290 руб. | |
| 44 | 702000153 | (последний код) Винт Hex. M6 x 25 (Screw Hex. M6 x 25) | под заказ | 230 руб. | |
| 45 | 234461608 | External Tooth Шайба с блокировкой M6 (External Tooth Lock Washer M6) | под заказ | 270 руб. | |
| 45 | 217161600 | (последний код) External Tooth Шайба с блокировкой M6 (External Tooth Lock Washer M6) | под заказ | 210 руб. | |
| 46 | 232061414 | Hex. Гайка M6 (Hex. Nut M6) | под заказ | 290 руб. | |
| 46 | 540802021 | (последний код) Hex. Гайка M6 (Hex. Nut M6) | под заказ | 230 руб. | |
| 47 | 233261414 | Фланецd Elastic Гайка M6 (Flanged Elastic Nut M6) | под заказ | 290 руб. | |
| 47 | M33200 | (последний код) | под заказ | по запросу | |
| 48 | 293550004 | Dielectric Смазка, 150 gr (Dielectric Grease,150 gr) | под заказ | 4740 руб. | |
| 48 | 747018002 | (последний код) Dielectric Смазка, 150 gr (Dielectric Grease,150 gr) | под заказ | 3710 руб. | |
| 49 | 294000606 | Tie Rap 180 mm (Tie Rap 180 mm) | под заказ | 110 руб. | |
| 49 | 414115200 | (последний код) Tie Rap 180 mm (Tie Rap 180 mm) | под заказ | 130 руб. | |
| 50 | 710000073 | Изолятор Pad (Insulator Pad) | под заказ | 370 руб. | |
| 51 | 250000028 | Hex. Фланецd Саморез. 7400 / 7401. (Hex. Flanged Tapping Screw. 7400/7401.) | под заказ | 80 руб. | |
| 250000039 | Hex. Фланецd Саморез. 7413 / 7414. 7415 / 7416. 7417 / 7418. (Hex. Flanged Tapping Screw. 7413/7414. 7415/7416. 7417/7418.) | под заказ | 120 руб. | ||
| 52 | 207662044 | Hex. Фланецd Винт M6 X 20 (Hex. Flanged Screw M6 X 20) | под заказ | 290 руб. | |
| 53 | 710000094 | Electronic Module Calibrated. 7400 / 7401. (Electronic Module Calibrated. 7400/7401.) | под заказ | 115200 руб. | |
| 53 | 710000383 | (последний код) Electronic Module Calibrated. 7400 / 7401. (Electronic Module Calibrated. 7400/7401.) | под заказ | 146700 руб. | |
| 710000109 | Electronic Module Calibrated. 7413 / 7414. 7415 / 7416. 7417 / 7418. (Electronic Module Calibrated. 7413/7414. 7415/7416. 7417/7418.) | под заказ | 115200 руб. | ||
| 710000383 | (последний код) Electronic Module Calibrated. 7413 / 7414. 7415 / 7416. 7417 / 7418. (Electronic Module Calibrated. 7413/7414. 7415/7416. 7417/7418.) | под заказ | 146700 руб. | ||
| 54 | 278001166 | Module Защита (Module Protector) | под заказ | 860 руб. | |
| 55 | 207662044 | Hex. Фланецd Винт M6 x 20 (Hex. Flanged Screw M6 x 20) | под заказ | 290 руб. | |
| 56 | 233261414 | Elastic Фланецd Stop Гайка M6 (Elastic Flanged Stop Nut M6) | под заказ | 290 руб. | |
| 56 | M33200 | (последний код) | под заказ | по запросу | |
| 57 | 293550015 | Deoxit" Spray Can Lube``` (Deoxit" Spray Can Lube```) | под заказ | 2470 руб. | |
| 57 | 293550034 | (последний код) Deoxit" Spray Can Lube``` (Deoxit" Spray Can Lube```) | под заказ | 3160 руб. | |
| 58 | 278001062 | Male Корпус (26 Circuits) Includes 58 - 59. (Male Housing (26 Circuits). Includes 58 - 59.) | под заказ | 3450 руб. | |
| 59 | 278001307 | Провод Сальник (Wire Seal) | под заказ | 1290 руб. | |
| 60 | 278001063 | Male Корпус (26 Circuits) Includes 60 - 61. (Male Housing (26 Circuits). Includes 60 - 61.) | под заказ | 3640 руб. | |
| 61 | 278001307 | Провод Сальник (Wire Seal) | под заказ | 1290 руб. | |
| 62 | 278000995 | Female Клемма (Female Terminal) | под заказ | 620 руб. | |
| 63 | 278000994 | Female Клемма (Female Terminal) | под заказ | 290 руб. | |
| 64 | 409013900 | Заглушка (Plug) | под заказ | 1150 руб. | |
| 65 | 293000070 | Сальникing Колпачок (Sealing Cap) | под заказ | 580 руб. | |
| 278000996 | Провод Сальник (Wire Seal) | под заказ | 290 руб. | ||
| 67 | 278000997 | Male Корпус 3 Circ. Bosch (Male Housing 3 Circ. Bosch) | под заказ | 1290 руб. | |
| 68 | 278000999 | Провод Сальник Amp (Wire Seal Amp) | под заказ | 290 руб. | |
| 69 | 278000998 | Female Клемма Amp (Female Terminal Amp) | под заказ | 430 руб. | |
| 69 | 415128502 | (последний код) Female Клемма Amp (Female Terminal Amp) | под заказ | 340 руб. | |
| 70 | 278001113 | Male Корпус (2 circuits) (Male Housing (2 circuits)) | под заказ | 1150 руб. | |
| 71 | 278001114 | Female Клемма (Female Terminal) | под заказ | 290 руб. | |
| 72 | 409004300 | Male Клемма (16 Gauge) (Male Terminal (16 Gauge)) | под заказ | 580 руб. | |
| 73 | 278000156 | Female Корпус (6 Circuits) (Female Housing (6 Circuits)) | под заказ | 860 руб. | |
| 74 | 278000216 | Провод Сальник (Колпачок) (Wire Seal (Cap)) | под заказ | 290 руб. | |
| 75 | 278000218 | Провод Сальник (16-18 Gauge) (зелёный) (Wire Seal (16-18 Gauge) (Green)) | под заказ | 430 руб. | |
| 76 | 710000048 | Провод Сальник (Wire Seal) | под заказ | 580 руб. | |
| 77 | 409014200 | Зажим (Clip) | под заказ | 580 руб. | |
| 78 | 409007300 | Female Клемма (Female Terminal) | под заказ | 1720 руб. | |
| 79 | 278000219 | Male Корпус (1 circuit) (Male Housing (1 circuit)) | под заказ | 630 руб. | |
| 80 | 391302100 | плоский Шайба. 7400 / 7401. (Flat Washer. 7400/7401.) | под заказ | 130 руб. | |
| 80 | 399901500 | (последний код) плоский Шайба. 7400 / 7401. (Flat Washer. 7400/7401.) | под заказ | 110 руб. | |

Время выполнения запроса 8.3092060089111 сек.
склад запчастей для водомоторной техники