вконтакте

Контактный телефон: +7 (981) 121-46-93, +7 (800) 200-90-76 , Email: parts-katalog@yandex.ru, где купить

 
 

  Логин:

Пароль:

Регистрация

www.partskatalog.ru Все каталоги Запчасти Mercury Запчасти Suzuki Запчасти Tohatsu Запчасти Honda Контакты



УВАЖАЕМЫЕ КЛИЕНТЫ!
C 19 ДЕКАБРЯ 2025 ПО 02 МАРТА 2026 ГОДА ОТДЕЛ ЗАПЧАСТЕЙ И СЕРВИС РАБОТАТЬ НЕ БУДУТ
ПРОДАЖА ЛОДОЧНЫХ МОТОРОВ В ШТАТНОМ РЕЖИМЕ
ОБ ИЗМЕНЕНИЯХ В ГРАФИКЕ РАБОТЫ ЧИТАЙТЕ НА САЙТА




Выбрать другую модель

назад Раздел:   вперёд

вернуться к списку узлов и деталей

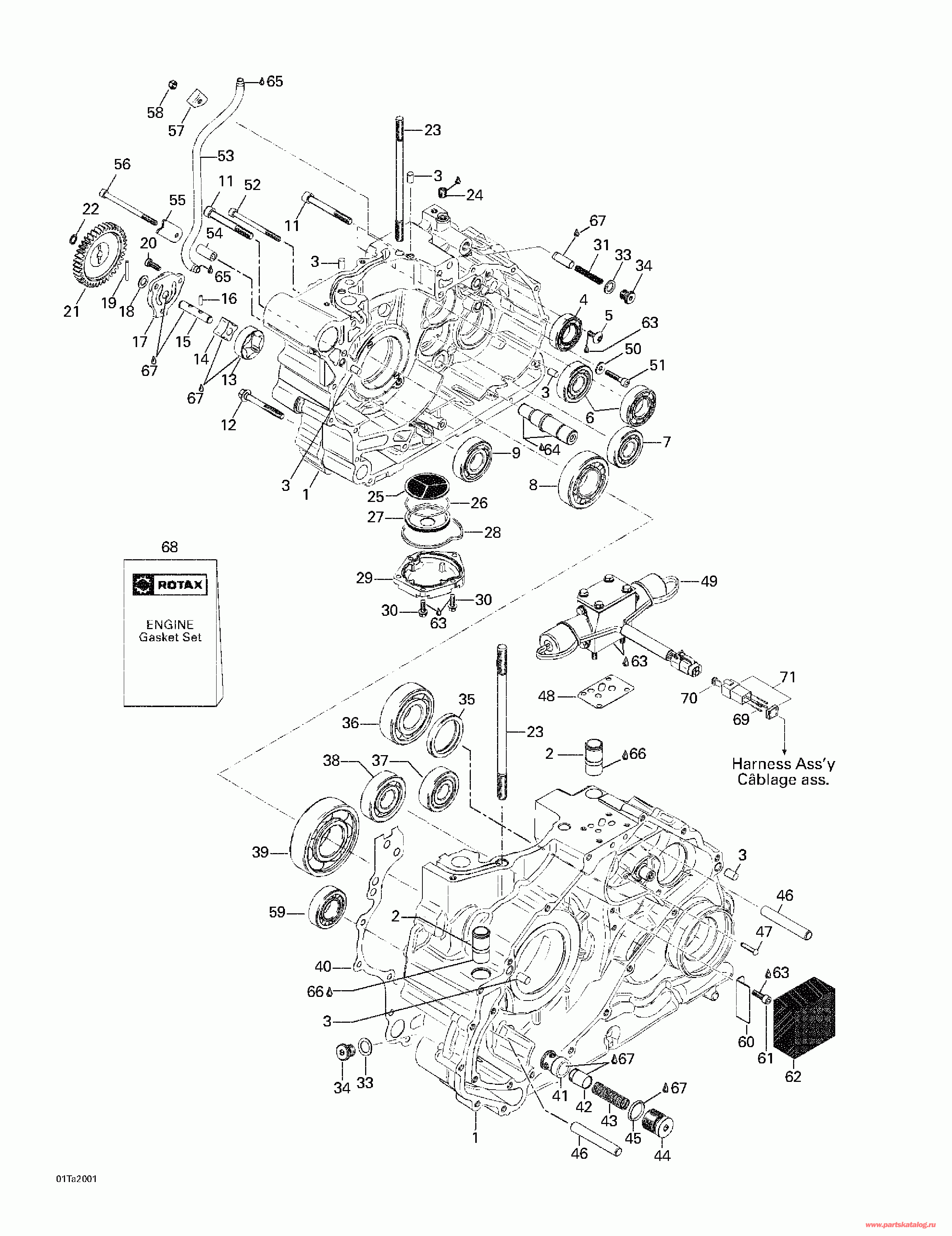
ДЕТАЛИРОВКА ДЛЯ МОДЕЛИ: BRP ATV Traxter, 7400/7401, 2000

Раздел: Картер двигателя | Crankcase


Мотовездеход  Traxter, 7400/7401, 2000 раздел - Картер двигателя

Номер на
рисунке
АртикулНаименованиеКол-во
на складе
Цена
1 711295880

Картер двигателя в сборе (Crankcase Assy)

под заказпо запросу
1 420295880

(последний код) Картер двигателя в сборе (Crankcase Assy)

под заказпо запросу
2 711224260

Трубка (Tube)

под заказ900 руб.
2 420224260

(последний код) Трубка (Tube)

под заказ1150 руб.
3 290632010

Штифт M8 x 12 (Pin M8 x 12)

под заказ340 руб.
3 420632010

(последний код) Штифт M8 x 12 (Pin M8 x 12)

под заказ430 руб.
4 420932650

Шариковый подшипник 6005 (Ball Bearing 6005)

под заказ1530 руб.
4 932650

(последний код) Шариковый подшипник 6005 (Ball Bearing 6005)

под заказ1400 руб.
5 711241521

плоский Head Винт M6 x 16 (Flat Head Screw M6 x 16)

под заказпо запросу
5 711241531

(последний код) плоский Head Винт M6 x 16 (Flat Head Screw M6 x 16)

под заказ1120 руб.
6 711232764

Шариковый подшипник 6205 (Ball Bearing 6205)

под заказ1230 руб.
6 420232764

(последний код) Шариковый подшипник 6205 (Ball Bearing 6205)

под заказ1690 руб.
7 290932095

Шариковый подшипник 6304 (Ball Bearing 6304)

под заказ2600 руб.
7 420932095

(последний код) Шариковый подшипник 6304 (Ball Bearing 6304)

под заказ2300 руб.
8 711232490

Роликовый подшипник (Roller Bearing)

под заказ6290 руб.
8 420232490

(последний код) Роликовый подшипник (Roller Bearing)

под заказ8050 руб.
9 711632200

Шариковый подшипник 63 / 22 (Ball Bearing 63/22)

под заказ3030 руб.
9 420632200

(последний код) Шариковый подшипник 63 / 22 (Ball Bearing 63/22)

под заказ3880 руб.
10 711220570

Вал, Intermediate Шестерня (Shaft, Intermediate Gear)

под заказ1910 руб.
10 420220570

(последний код) Вал, Intermediate Шестерня (Shaft, Intermediate Gear)

под заказ2440 руб.
11 420841991

Socket Винт M8 x 70 (Socket Screw M8 x 70)

под заказ580 руб.
12 711640351

Винт Hex. Фланецd M6 x 65 (Screw Hex. Flanged M6 x 65)

под заказ640 руб.
12 420640351

(последний код) Винт Hex. Фланецd M6 x 65 (Screw Hex. Flanged M6 x 65)

под заказ820 руб.
13 711956275

Масляный насос Ротор в сборе. Includes 13 - 4. (Oil Pump Rotor Assy. Includes 13 - 4.)

под заказ6660 руб.
13 420956275

(последний код) Масляный насос Ротор в сборе. Includes 13 - 4. (Oil Pump Rotor Assy. Includes 13 - 4.)

под заказ8510 руб.
14 XXX

Inner Ротор (Inner Rotor)

15 711220590

Масляный насос Вал (Oil Pump Shaft)

под заказпо запросу
15 420220590

(последний код) Масляный насос Вал (Oil Pump Shaft)

под заказпо запросу
16 711232730

иголка Штифт (Needle Pin)

под заказпо запросу
16 420232730

(последний код) иголка Штифт (Needle Pin)

под заказпо запросу
16 AT-MZ1125

   (не оригинальный аналог) Штифт вала масляного насоса BRP AT-MZ1125

под заказ340 руб.
17 711211850

Крышка масляного насоса (Oil Pump Cover)

под заказпо запросу
17 420211850

(последний код) Крышка масляного насоса (Oil Pump Cover)

под заказпо запросу
18 711827590

Упорная шайба (Thrust Washer)

под заказ340 руб.
18 420827590

(последний код) Упорная шайба (Thrust Washer)

под заказ430 руб.
19 420232970

иголка Штифт M4 x 25 (Needle Pin M4 x 25)

под заказ440 руб.
20 711241231

Socket Винт M6 x 16 (Socket Screw M6 x 16)

под заказ250 руб.
20 420241231

(последний код) Socket Винт M6 x 16 (Socket Screw M6 x 16)

под заказ340 руб.
21 711635030

Масляный насос Шестерня (40 Tooth) (Oil Pump Gear (40 Tooth))

под заказ1350 руб.
21 420635030

(последний код) Масляный насос Шестерня (40 Tooth) (Oil Pump Gear (40 Tooth))

под заказ1720 руб.
22 420245330

Пружинное кольцо (Snap Ring)

под заказ230 руб.
22 504152282

(последний код) Пружинное кольцо (Snap Ring)

под заказ290 руб.
23 711241670

Шпилька M10 x 190 (Stud M10 x 190)

под заказ1350 руб.
23 420241670

(последний код) Шпилька M10 x 190 (Stud M10 x 190)

под заказ1720 руб.
24 420240480

Заглушка винта (Plug Screw)

под заказ860 руб.
24 240480

(последний код) Заглушка винта (Plug Screw)

под заказ680 руб.
25 711256570

Oil Sieve (Oil Sieve)

под заказ1230 руб.
25 420256570

(последний код) Oil Sieve (Oil Sieve)

под заказ1580 руб.
25 010-1210

   (не оригинальный аналог) Ремкомплект масляного насоса BRP 010-1210

под заказ15570 руб.
26 711650690

Уплотнительное кольцо (O-Ring)

под заказ560 руб.
26 420650695

(последний код) Уплотнительное кольцо (O-Ring)

под заказ490 руб.
27 711256650

Oil Коллектор (Oil Collector)

под заказ3150 руб.
27 420256650

(последний код) Oil Коллектор (Oil Collector)

под заказ3060 руб.
28 711650560

Rubber Кольцо (Rubber Ring)

под заказ900 руб.
28 420650560

(последний код) Rubber Кольцо (Rubber Ring)

под заказ760 руб.
29 711211940

Oil Sieve Крышка (Oil Sieve Cover)

под заказ3030 руб.
29 420211940

(последний код) Oil Sieve Крышка (Oil Sieve Cover)

под заказ4090 руб.
30 711241861

Винт Hex. Фланецd M6 x 20 (Screw Hex. Flanged M6 x 20)

под заказ790 руб.
30 420241861

(последний код) Винт Hex. Фланецd M6 x 20 (Screw Hex. Flanged M6 x 20)

под заказ1000 руб.
31 711256590

Поршень (Piston)

под заказ900 руб.
31 420256590

(последний код) Поршень (Piston)

под заказ1150 руб.
32 711238020

Compression Пружина (Compression Spring)

под заказ450 руб.
32 420238020

(последний код) Compression Пружина (Compression Spring)

под заказ580 руб.
33 711250015

Сальникing Кольцо (Sealing Ring)

под заказ340 руб.
33 420250015

(последний код) Сальникing Кольцо (Sealing Ring)

под заказ430 руб.
34 711241700

Заглушка винта (Plug Screw)

под заказ900 руб.
34 420241700

(последний код) Заглушка винта (Plug Screw)

под заказ980 руб.
35 711650700

Сальник (Oil Seal)

под заказ900 руб.
35 420650700

(последний код) Сальник (Oil Seal)

под заказ1210 руб.
36 420932825

Шариковый подшипник 6305 (Ball Bearing 6305)

под заказ2140 руб.
36 711932826

(последний код) Шариковый подшипник 6305 (Ball Bearing 6305)

под заказ1960 руб.
37 711932815

Шариковый подшипник 6303E (Ball Bearing 6303E)

под заказ1570 руб.
37 420932815

(последний код) Шариковый подшипник 6303E (Ball Bearing 6303E)

под заказ1710 руб.
38 290932095

Шариковый подшипник 6304E (Ball Bearing 6304E)

под заказ2600 руб.
38 420932095

(последний код) Шариковый подшипник 6304E (Ball Bearing 6304E)

под заказ2300 руб.
39 711432120

Шариковый подшипник 6307 (Ball Bearing 6307)

под заказ4490 руб.
39 420432120

(последний код) Шариковый подшипник 6307 (Ball Bearing 6307)

под заказ6700 руб.
40 711650420

Прокладка картера двигателя (Gasket, Crankcase)

под заказ3780 руб.
40 420650420

(последний код) Прокладка картера двигателя (Gasket, Crankcase)

под заказ4830 руб.
41 711256600

Седло клапана Гильза (Valve Seat Sleeve)

под заказ1990 руб.
41 420256600

(последний код) Седло клапана Гильза (Valve Seat Sleeve)

под заказ2540 руб.
42 703500046

Pressure Регулятор Kit. Includes 42 - 43. 7400 / 7401. (Pressure Regulator Kit. Includes 42 - 43. 7400/7401.)

под заказ2070 руб.
42 711256630

Клапан Поршень. 7413 / 7414. 7415 / 7416. 7417 / 7418. (Valve Piston. 7413/7414. 7415/7416. 7417/7418.)

под заказ1460 руб.
42 420256630

(последний код) Клапан Поршень. 7413 / 7414. 7415 / 7416. 7417 / 7418. (Valve Piston. 7413/7414. 7415/7416. 7417/7418.)

под заказ1590 руб.
43 711938785

Compression Пружина. 7413 / 7414. 7415 / 7416. 7417 / 7418. (Compression Spring. 7413/7414. 7415/7416. 7417/7418.)

под заказ1120 руб.
43 420938785

(последний код) Compression Пружина. 7413 / 7414. 7415 / 7416. 7417 / 7418. (Compression Spring. 7413/7414. 7415/7416. 7417/7418.)

под заказ1440 руб.
44 711241715

Заглушка винта M22 (Plug Screw M22)

под заказпо запросу
44 420241715

(последний код) Заглушка винта M22 (Plug Screw M22)

под заказпо запросу
45 711250050

Уплотнительное кольцо (O-Ring)

под заказ580 руб.
45 420250050

(последний код) Уплотнительное кольцо (O-Ring)

под заказ800 руб.
46 711229470

Цилиндрический штифт M10 x 65 (Cylindrical Pin M10 x 65)

под заказпо запросу
46 420229470

(последний код) Цилиндрический штифт M10 x 65 (Cylindrical Pin M10 x 65)

под заказпо запросу
47 711229170

Groove Штифт M4 x 20 (Groove Pin M4 x 20)

под заказ320 руб.
47 420229170

(последний код) Groove Штифт M4 x 20 (Groove Pin M4 x 20)

под заказ410 руб.
48 711650630

Прокладка, Soleno‹d Клапан (Gasket, Soleno‹d Valve)

под заказ680 руб.
48 420650630

(последний код) Прокладка, Soleno‹d Клапан (Gasket, Soleno‹d Valve)

под заказ910 руб.
49 711256540

Soleno‹d Клапан (Soleno‹d Valve)

под заказ68400 руб.
49 420256540

(последний код) Soleno‹d Клапан (Soleno‹d Valve)

под заказ87500 руб.
50 711627400

Шайба (Washer)

под заказ340 руб.
50 420627400

(последний код) Шайба (Washer)

под заказ450 руб.
51 205063044

Allen Винт M6 x 30 (Allen Screw M6 x 30)

под заказ290 руб.
51 420840881

(последний код) Allen Винт M6 x 30 (Allen Screw M6 x 30)

под заказпо запросу
52 420241501

Allen Винт M6 x 80 (Allen Screw M6 x 80)

под заказ430 руб.
53 711224620

Oil Трубка (Oil Pipe)

под заказпо запросу
53 420224620

(последний код) Oil Трубка (Oil Pipe)

под заказпо запросу
54 711847052

Distance Гильза (Distance Sleeve)

под заказпо запросу
54 420847052

(последний код) Distance Гильза (Distance Sleeve)

под заказпо запросу
55 711627435

Holding Strip (Holding Strip)

под заказ640 руб.
55 420627437

(последний код) Holding Strip (Holding Strip)

под заказ820 руб.
56 711241481

Socket Винт M6 x 90 (Socket Screw M6 x 90)

под заказ450 руб.
56 420241481

(последний код) Socket Винт M6 x 90 (Socket Screw M6 x 90)

под заказ580 руб.
57 711627430

Holding Strip (Holding Strip)

под заказпо запросу
57 420627430

(последний код) Holding Strip (Holding Strip)

под заказпо запросу
58 232561414

Эластичная гайка со стопором M6 204 (Elastic Stop Nut M6 204)

под заказ130 руб.
58 420842040

(последний код) Эластичная гайка со стопором M6 204 (Elastic Stop Nut M6 204)

под заказ110 руб.
59 711232280

Роликовый подшипник 204 (Roller Bearing 204)

под заказ4830 руб.
59 420232280

(последний код) Роликовый подшипник 204 (Roller Bearing 204)

под заказ7240 руб.
60 711224640

Sвышеport Кронштейн (Support Bracket)

под заказ1100 руб.
60 420224640

(последний код) Sвышеport Кронштейн (Support Bracket)

под заказ1410 руб.
61 711840510

Allen Винт M5 x 16 (Allen Screw M5 x 16)

под заказпо запросу
61 420840510

(последний код) Allen Винт M5 x 16 (Allen Screw M5 x 16)

под заказпо запросу
62 711256720

Oil Separating Foam (Oil Separating Foam)

под заказ790 руб.
62 420256720

(последний код) Oil Separating Foam (Oil Separating Foam)

под заказ1000 руб.
63 293800060

Loctite 243, 10 ml (Loctite 243, 10 ml)

под заказ2150 руб.
63 420897651

(последний код) Loctite 243, 10 ml (Loctite 243, 10 ml)

под заказпо запросу
64 711297433

Molykote G-N, 50 gr (Molykote G-N, 50 gr)

под заказ2580 руб.
64 420297433

(последний код) Molykote G-N, 50 gr (Molykote G-N, 50 gr)

под заказ3300 руб.
65 293800038

Loctite 518, 50 ml (Loctite 518, 50 ml)

под заказ3750 руб.
65 142456

(последний код) Loctite 518, 50 ml (Loctite 518, 50 ml)

под заказпо запросу
66 413711400

Loctite 648, 10ml (Loctite 648, 10ml)

под заказ2700 руб.
66 293800039

(последний код) Loctite 648, 10ml (Loctite 648, 10ml)

под заказ2700 руб.
67 XXX

Моторное масло (Engine Oil)

68 711296370

Комплект прокладок Двигатель (Gasket Set Engine)

под заказпо запросу
69 409014800

Male Клемма Deutsch (Male Terminal Deutsch)

под заказ430 руб.
70 710000046

Male Lock 4 circ (Male Lock 4 circ)

под заказ860 руб.
71 710000045

Male Корпус 4 circ (Male Housing 4 circ)

под заказ3300 руб.
brp atv

Время выполнения запроса 6.6432130336761 сек.


 
 

данный сайт носит информационный характер и не является публичной офертой

склад запчастей для водомоторной техники