вконтакте

Контактный телефон: +7 (981) 121-46-93, +7 (800) 200-90-76 , Email: parts-katalog@yandex.ru, где купить

 
 

  Логин:

Пароль:

Регистрация

www.partskatalog.ru Все каталоги Запчасти Mercury Запчасти Suzuki Запчасти Tohatsu Запчасти Honda Контакты



УВАЖАЕМЫЕ КЛИЕНТЫ!
C 19 ДЕКАБРЯ 2025 ПО 02 МАРТА 2026 ГОДА ОТДЕЛ ЗАПЧАСТЕЙ И СЕРВИС РАБОТАТЬ НЕ БУДУТ
ПРОДАЖА ЛОДОЧНЫХ МОТОРОВ В ШТАТНОМ РЕЖИМЕ
ОБ ИЗМЕНЕНИЯХ В ГРАФИКЕ РАБОТЫ ЧИТАЙТЕ НА САЙТА




Выбрать другую модель

назад Раздел:   вперёд

вернуться к списку узлов и деталей

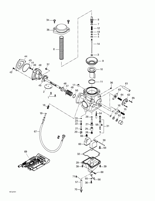
ДЕТАЛИРОВКА ДЛЯ МОДЕЛИ: BRP ATV Traxter, 7419/7420/7425/7426 (red/rouge), 2001

Раздел: Карбюратор | Carburetor


ATV  модель Traxter, 7419/7420/7425/7426 (red/rouge), 2001 - Карбюратор

Номер на
рисунке
АртикулНаименованиеКол-во
на складе
Цена
1 707000038

Carburator в сборе BSR 33-12-A. Includes 1 - 68. (Carburator Assy BSR 33-12-A. Includes 1 - 68.)

под заказпо запросу
1 707200149

(последний код) Carburator в сборе BSR 33-12-A. Includes 1 - 68. (Carburator Assy BSR 33-12-A. Includes 1 - 68.)

под заказпо запросу
1 XXX

Винт (Screw)

2 XXX

Клапан-Дроссель (Valve-Throttle)

3 707200064

Шайба (Washer)

под заказ720 руб.
4 707200065

Кольцо (Ring)

под заказ720 руб.
5 404152200

Уплотнительное кольцо (E-Ring)

под заказ430 руб.
6 707200066

Пружина (Spring)

под заказ1150 руб.
7 270500144

Уплотнительное кольцо (O-Ring)

под заказ1210 руб.
8 707200067

Держатель (Holder)

под заказ1070 руб.
9 707200068

Диафрагма (Diaphragm)

под заказ4300 руб.
10 707200069

Клапан-Поршень (Valve-Piston)

под заказ6900 руб.
11 707200070

Кольцо (Ring)

под заказ720 руб.
12 707200071

Пружина (Spring)

под заказ720 руб.
13 707200072

Шайба (Washer)

под заказ720 руб.
14 707200109

иголка (Needle)

под заказ2120 руб.
15 707200144

Пружина (Spring)

под заказ210 руб.
16 707200145

Плунжер в сборе (Plunger Assy)

под заказ2300 руб.
17 404154900

Колпачок (Cap)

под заказ1150 руб.
18 404101700

Пружина (Spring)

под заказ300 руб.
18 420938940

(последний код) Пружина (Spring)

под заказ240 руб.
19 707200141

Шайба (Washer)

под заказ720 руб.
20 707200004

Колпачок (Cap)

под заказ1150 руб.
21 707200077

Регулятор Винт (Adjuster Screw)

под заказ1230 руб.
22 707200078

Пружина (Spring)

под заказ720 руб.
23 707200018

Шайба (Washer)

под заказ430 руб.
24 404139900

Уплотнительное кольцо (O-Ring)

под заказ720 руб.
25 707200079

Кольцо (Ring)

под заказ2010 руб.
26 270500163

Jet-Main 130 (Jet-Main 130)

под заказ410 руб.
27 707200080

Держатель-Jet (Holder-Jet)

под заказ2870 руб.
28 270500119

Уплотнительное кольцо (O-Ring)

под заказ760 руб.
29 707200081

Корпус-Поплавок в сборе (Body-Float Assy)

под заказ6020 руб.
30 404123400

Штифт (Pin)

под заказ430 руб.
31 707200082

Клапан-иголка 1.0 (Valve-Needle 1.0)

под заказ6090 руб.
32 707200083

Уплотнительное кольцо (O-Ring)

под заказ890 руб.
33 707200084

Jet-иголка (not shown) (Jet-Needle (not shown))

под заказ1290 руб.
34 707200085

Винт (Screw)

под заказ580 руб.
35 707200086

Крышка-Диафрагма (Cover-Diaphragm)

под заказ3830 руб.
36 707200087

Jet-Pilot 60.0 (Jet-Pilot 60.0)

под заказ1230 руб.
37 707200058

Кабели Направляющая (Cable Guide)

под заказ1060 руб.
38 404138700

Винт (Screw)

под заказ430 руб.
39 707200089

Винт (Screw)

под заказ720 руб.
40 XXX

Шайба (Washer)

41 XXX

Vis (Vis)

42 707200091

Vis (Vis)

под заказ430 руб.
43 707200092

Кольцо-O (Ring-O)

под заказ2420 руб.
44 707200093

Крышка (Cover)

под заказ2300 руб.
44 719000033

(последний код) Крышка (Cover)

под заказ1800 руб.
45 XXX

Вал-Дроссель (Shaft-Throttle)

46 XXX

Кольцо (Ring)

47 XXX

Кольцо-Сальникing (Ring-Sealing)

48 XXX

Case (Case)

49 XXX

Пружина (Spring)

50 XXX

Кольцо-O (Ring-O)

51 XXX

Колпачок (Cap)

52 XXX

Кольцо-E (Ring-E)

53 XXX

Прокладка (Packing)

54 707200100

Jet-Pilot 32.5 (Jet-Pilot 32.5)

под заказ1360 руб.
55 707200101

Шайба (Washer)

под заказ220 руб.
56 707200102

Зажим (Clip)

под заказ1960 руб.
57 707200041

Шланг (Hose)

под заказ1590 руб.
58 404138600

Vis (Vis)

под заказ290 руб.
59 404161861

Vis (Vis)

под заказ430 руб.
60 707200103

Поплавок- в сборе (Float- Assy)

под заказ3690 руб.
61 707200104

Шланг (Hose)

под заказ2590 руб.
62 707200105

Крышка-в сборе (Cover-Assy)

под заказ3570 руб.
63 707200106

Диафрагма-в сборе (Diaphragm-Assy)

под заказ2810 руб.
64 707200107

Пружина (Spring)

под заказ670 руб.
65 404901400

Vis (Vis)

под заказ430 руб.
66 707200108

Jet-Main 45.0 (Jet-Main 45.0)

под заказ860 руб.
67 707200146

Регулятор Кабели (Adjuster Cable)

под заказ5600 руб.
68 707200024

Винт (Screw)

под заказ1000 руб.
69 404112000

Набор инструмента (Tool Kit)

под заказ7330 руб.
69 876960

(последний код) Набор инструмента (Tool Kit)

под заказ5730 руб.
70 275500398

Обратный клапан (Check Valve)

под заказ860 руб.
70 414824700

(последний код) Обратный клапан (Check Valve)

под заказ680 руб.
71 293800071

Loctite 454, 10 g (Loctite 454, 10 g)

под заказ5730 руб.
71 413708300

(последний код) Loctite 454, 10 g (Loctite 454, 10 g)

под заказ7330 руб.
brp atv

Время выполнения запроса 4.7013010978699 сек.


 
 

данный сайт носит информационный характер и не является публичной офертой

склад запчастей для водомоторной техники