вконтакте

Контактный телефон: +7 (981) 121-46-93, +7 (800) 200-90-76 , Email: parts-katalog@yandex.ru, где купить

 
 

  Логин:

Пароль:

Регистрация

www.partskatalog.ru Все каталоги Запчасти Mercury Запчасти Suzuki Запчасти Tohatsu Запчасти Honda Контакты



УВАЖАЕМЫЕ КЛИЕНТЫ!
C 19 ДЕКАБРЯ 2025 ПО 02 МАРТА 2026 ГОДА ОТДЕЛ ЗАПЧАСТЕЙ И СЕРВИС РАБОТАТЬ НЕ БУДУТ
ПРОДАЖА ЛОДОЧНЫХ МОТОРОВ В ШТАТНОМ РЕЖИМЕ
ОБ ИЗМЕНЕНИЯХ В ГРАФИКЕ РАБОТЫ ЧИТАЙТЕ НА САЙТА




Выбрать другую модель

назад Раздел:   вперёд

вернуться к списку узлов и деталей

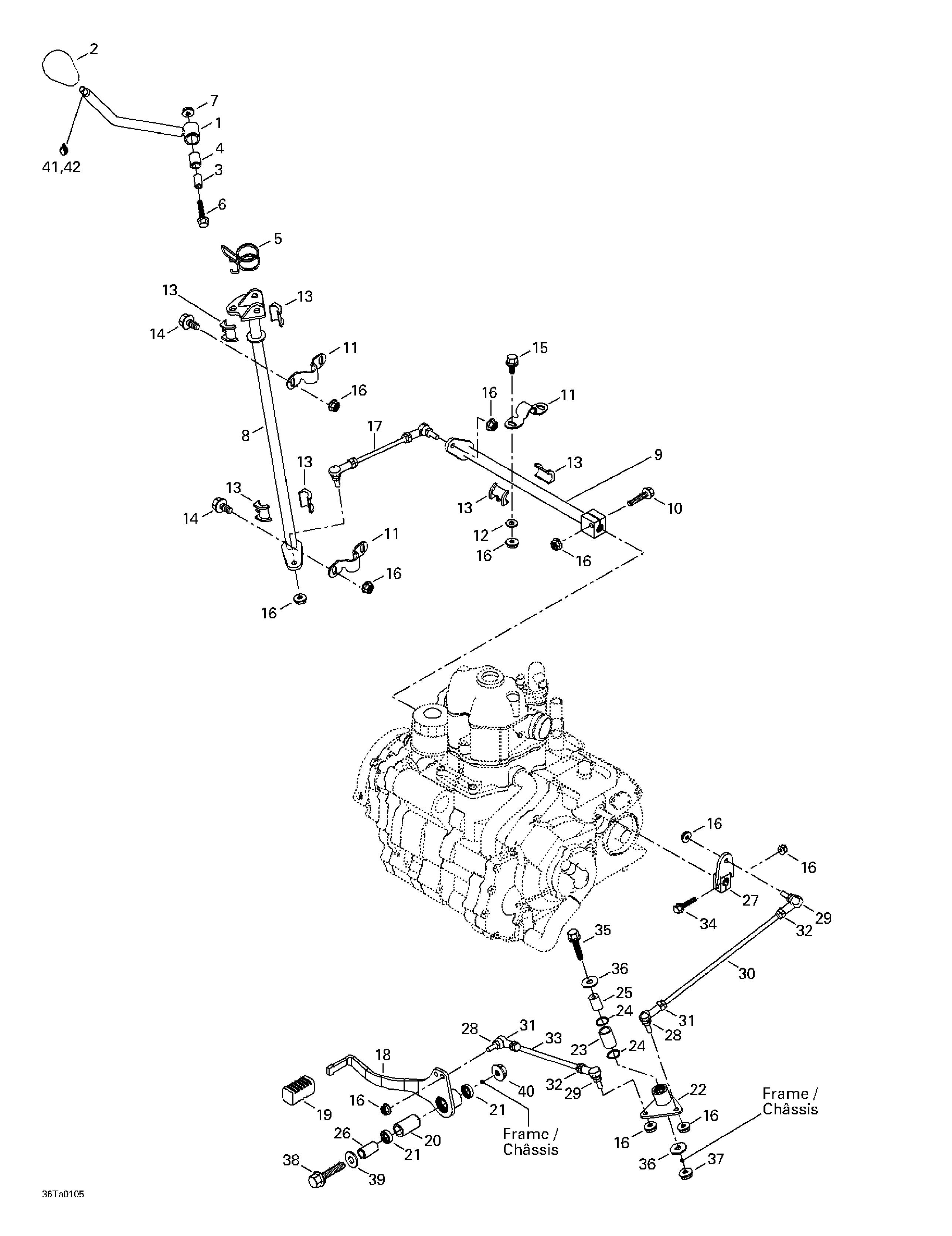
ДЕТАЛИРОВКА ДЛЯ МОДЕЛИ: BRP ATV Traxter Footshift, Green/vert, 2001

Раздел: FootПереключатель | Footshift


ATV BRP Traxter Footshift, Green/vert, 2001 - Footshift

Номер на
рисунке
АртикулНаименованиеКол-во
на складе
Цена
1 707000010

Рычаг в сборе (Lever Assy)

под заказ3450 руб.
2 705500022

Рычаг Button (Lever Button)

под заказ1690 руб.
3 705500150

Aluminum Втулка (Aluminum Bushing)

под заказ1440 руб.
4 705500193

Adjustment Втулка (Nylon) (Adjustment Bushing (Nylon))

под заказ720 руб.
4 705500023

(последний код) Adjustment Втулка (Nylon) (Adjustment Bushing (Nylon))

под заказ560 руб.
5 705500024

Рычаг Пружина (Lever Spring)

под заказ1440 руб.
6 207685044

Hex. Фланецd Винт M8 x 50 (Hex. Flanged Screw M8 x 50)

под заказ290 руб.
7 233281414

Elastic Фланецd Гайка M8 (Elastic Flanged Nut M8)

под заказ290 руб.
7 M33201

(последний код)

под заказпо запросу
8 705500134

верхний Трубка (Upper Tube)

под заказ4070 руб.
8 705500358

(последний код) верхний Трубка (Upper Tube)

под заказ5200 руб.
9 705500135

нижний Трубка (Lower Tube)

под заказ5580 руб.
10 207663544

Hex. Фланецd Винт M6 x 35 (Hex. Flanged Screw M6 x 35)

под заказ290 руб.
11 705500041

Струбцина Фиксатор (Clamp Retainer)

под заказ180 руб.
12 707000080

Регулировочная шайба 1.0 mm (Shim 1.0 mm)

под заказ400 руб.
707000081

Регулировочная шайба 2.0 mm (Shim 2.0 mm)

под заказ400 руб.
13 705500033

Half Кольцо (Half Ring)

под заказ160 руб.
14 207661644

Hex. Фланецd Винт M6 x 16 (Hex. Flanged Screw M6 x 16)

под заказ280 руб.
15 207662044

Hex. Фланецd Винт M6 x 20 (Hex. Flanged Screw M6 x 20)

под заказ290 руб.
16 233261414

Elastic Фланецd Гайка M6 (Elastic Flanged Nut M6)

под заказ290 руб.
16 M33200

(последний код)

под заказпо запросу
17 707000068

Tie Тяга в сборе (Tie Rod Assy)

под заказпо запросу
18 707000126

Переключательer Pedal (Shifter Pedal)

под заказ6510 руб.
19 711260205

Rubber Гильза (Rubber Sleeve)

под заказ680 руб.
19 420260620

(последний код) Rubber Гильза (Rubber Sleeve)

под заказ920 руб.
20 293900041

Antifriction Втулка (Antifriction Bushing)

под заказ810 руб.
21 293250118

Сальник (Oil Seal)

под заказ760 руб.
22 707000121

Стержень (Pivot)

под заказ4930 руб.
23 293900040

Antifriction Втулка (Antifriction Bushing)

под заказ680 руб.
24 293250117

Сальник (Oil Seal)

под заказ310 руб.
25 707000179

Стержень втулки (Pivot Bushing)

под заказ840 руб.
26 707000180

Стержень втулки (Pivot Bushing)

под заказ890 руб.
27 707000122

Рычаг Рычаг (Lever Arm)

под заказ3970 руб.
28 707000142

Шаровое соединение R.H (Ball Joint R.H)

под заказ3450 руб.
29 707000143

Шаровое соединение L.H (Ball Joint L.H)

под заказ2810 руб.
29 707000545

(последний код) Шаровое соединение L.H (Ball Joint L.H)

под заказ3870 руб.
30 707000144

Тяга 240 mm (Rod 240 mm)

под заказ1000 руб.
31 232061414

Hex. Гайка M6 R.H. thread (Hex. Nut M6 R.H. thread)

под заказ290 руб.
31 540802021

(последний код) Hex. Гайка M6 R.H. thread (Hex. Nut M6 R.H. thread)

под заказ230 руб.
32 232066414

Hex. Гайка M6 L.H. thread (Hex. Nut M6 L.H. thread)

под заказ580 руб.
32 732610046

(последний код) Hex. Гайка M6 L.H. thread (Hex. Nut M6 L.H. thread)

под заказ450 руб.
33 707000145

Тяга 160 mm (Rod 160 mm)

под заказ440 руб.
34 207663044

Фланецd Шестигранный винт M6 x 30 (Flanged Hex. Screw M6 x 30)

под заказ230 руб.
34 207663034

(последний код) Фланецd Шестигранный винт M6 x 30 (Flanged Hex. Screw M6 x 30)

под заказ250 руб.
35 207684544

Фланецd Шестигранный винт M8 x 45 (Flanged Hex. Screw M8 x 45)

под заказ290 руб.
36 234082410

плоский Шайба 8 mm (Flat washer 8 mm)

под заказ270 руб.
36 702000064

(последний код) плоский Шайба 8 mm (Flat washer 8 mm)

под заказ210 руб.
37 233081416

Фланецd Hex. Гайка M8 (Flanged Hex. Nut M8)

под заказ270 руб.
37 A9405008000

(последний код)

под заказпо запросу
38 207505046

Фланецd Шестигранный винт M10 x 50 (Flanged Hex. Screw M10 x 50)

под заказ580 руб.
39 224002251

плоский Шайба (Flat Washer)

под заказ290 руб.
40 732610084

Фланецd Гайка M10 (Flanged Nut M10)

под заказ1570 руб.
40 250100105

(последний код) Фланецd Гайка M10 (Flanged Nut M10)

под заказ2010 руб.
41 293800041

Loctite Primer "N" (Loctite Primer "N")

под заказ3460 руб.
41 413708100

(последний код) Loctite Primer "N" (Loctite Primer "N")

под заказ2920 руб.
42 293800060

Loctite 243, 10 ml (Loctite 243, 10 ml)

под заказ2150 руб.
42 420897651

(последний код) Loctite 243, 10 ml (Loctite 243, 10 ml)

под заказпо запросу
brp atv

Время выполнения запроса 4.5413918495178 сек.


 
 

данный сайт носит информационный характер и не является публичной офертой

склад запчастей для водомоторной техники