вконтакте

Контактный телефон: +7 (981) 121-46-93, +7 (800) 200-90-76 , Email: parts-katalog@yandex.ru, где купить

 
 

  Логин:

Пароль:

Регистрация

www.partskatalog.ru Все каталоги Запчасти Mercury Запчасти Suzuki Запчасти Tohatsu Запчасти Honda Контакты



УВАЖАЕМЫЕ КЛИЕНТЫ!
C 19 ДЕКАБРЯ 2025 ПО 02 МАРТА 2026 ГОДА ОТДЕЛ ЗАПЧАСТЕЙ И СЕРВИС РАБОТАТЬ НЕ БУДУТ
ПРОДАЖА ЛОДОЧНЫХ МОТОРОВ В ШТАТНОМ РЕЖИМЕ
ОБ ИЗМЕНЕНИЯХ В ГРАФИКЕ РАБОТЫ ЧИТАЙТЕ НА САЙТА




Выбрать другую модель

назад Раздел:   вперёд

вернуться к списку узлов и деталей

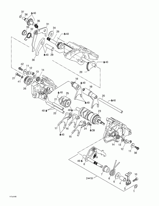
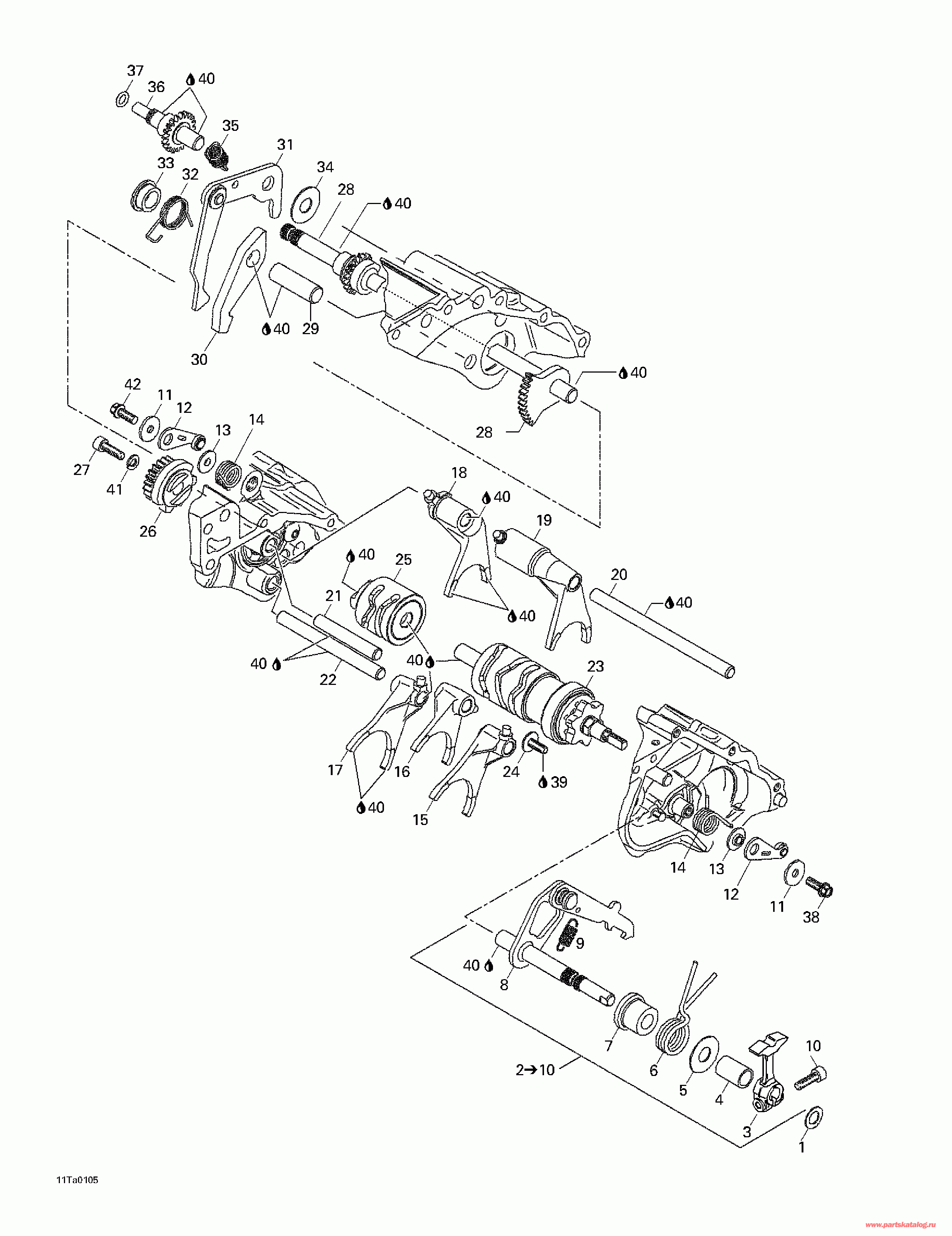
ДЕТАЛИРОВКА ДЛЯ МОДЕЛИ: BRP ATV Traxter Footshift, Green/vert, 2001

Раздел: Шестерня Переключатель | Gear Shift


ATV BRP - Шестерня Переключатель

Номер на
рисунке
АртикулНаименованиеКол-во
на складе
Цена
1 711627100

Упорная шайба (Thrust Washer)

под заказ450 руб.
1 420627100

(последний код) Упорная шайба (Thrust Washer)

под заказ580 руб.
2 711220538

Переключающий вал в сборе. Includes 2 - 10. (Shift Shaft Assy. Includes 2 - 10.)

под заказ9040 руб.
2 420220538

(последний код) Переключающий вал в сборе. Includes 2 - 10. (Shift Shaft Assy. Includes 2 - 10.)

под заказ11560 руб.
3 XXX

Шестерня Рычаг переключения (Gear Shift Lever)

4 XXX

Distance Гильза (Distance Sleeve)

5 XXX

Упорная шайба (Thrust Washer)

6 XXX

Вал Пружина (Shaft Spring)

7 XXX

Воротник Гильза (Collar Sleeve)

8 XXX

Переключающий вал With Pawl в сборе (Shift Shaft With Pawl Assy)

9 XXX

Tension Пружина (Tension Spring)

10 205062544

Socket Винт M6 x 25 (Socket Screw M6 x 25)

под заказ290 руб.
10 711840862

(последний код) Socket Винт M6 x 25 (Socket Screw M6 x 25)

под заказ230 руб.
11 420227900

Шайба (Washer)

под заказ420 руб.
12 711248326

Index Рычаг в сборе (Index Lever Assy)

под заказ3150 руб.
12 703500189

(последний код) Index Рычаг в сборе (Index Lever Assy)

под заказ4020 руб.
13 711227710

Втулка (Bushing)

под заказ680 руб.
13 420227710

(последний код) Втулка (Bushing)

под заказ460 руб.
14 711239560

Index Рычаг Пружина (Index Lever Spring)

под заказ680 руб.
14 420239560

(последний код) Index Рычаг Пружина (Index Lever Spring)

под заказ860 руб.
15 711258400

Переключатель дляk (Shift Fork)

под заказпо запросу
15 420258400

(последний код) Переключатель дляk (Shift Fork)

под заказ6980 руб.
16 711258410

Переключатель дляk (Shift Fork)

под заказпо запросу
16 420258410

(последний код) Переключатель дляk (Shift Fork)

под заказ6980 руб.
17 711258390

Переключатель дляk (Shift Fork)

под заказ7750 руб.
17 420258392

(последний код) Переключатель дляk (Shift Fork)

под заказ10630 руб.
18 711258422

Переключатель дляk (Shift Fork)

под заказпо запросу
18 420258422

(последний код) Переключатель дляk (Shift Fork)

под заказпо запросу
19 711258432

Переключатель дляk (Shift Fork)

под заказпо запросу
19 420258432

(последний код) Переключатель дляk (Shift Fork)

под заказпо запросу
20 711257080

Шестерня Переключающая тяга (Gear Shift Rod)

под заказ1800 руб.
20 420257080

(последний код) Шестерня Переключающая тяга (Gear Shift Rod)

под заказ2300 руб.
21 711229470

Цилиндрический штифт M10 x 65 (Cylindrical Pin M10 x 65)

под заказпо запросу
21 420229470

(последний код) Цилиндрический штифт M10 x 65 (Cylindrical Pin M10 x 65)

под заказпо запросу
22 711229480

Цилиндрический штифт M10 x 100 (Cylindrical Pin M10 x 100)

под заказ1170 руб.
22 420229480

(последний код) Цилиндрический штифт M10 x 100 (Cylindrical Pin M10 x 100)

под заказ1500 руб.
23 711257107

Переключатель Drum в сборе (Shift Drum Assy)

под заказ38400 руб.
23 420257107

(последний код) Переключатель Drum в сборе (Shift Drum Assy)

под заказ49000 руб.
24 711241521

плоский Head Scew M6 x 16 (Flat Head Scew M6 x 16)

под заказпо запросу
24 711241531

(последний код) плоский Head Scew M6 x 16 (Flat Head Scew M6 x 16)

под заказ1120 руб.
25 711257111

Переключатель Drum (Shift Drum)

под заказ20400 руб.
25 420257111

(последний код) Переключатель Drum (Shift Drum)

под заказ26100 руб.
26 711257130

Index Шестерня (Index Gear)

под заказ1460 руб.
26 420257130

(последний код) Index Шестерня (Index Gear)

под заказ1860 руб.
27 205062544

Socket Винт M6 x 25 (Socket Screw M6 x 25)

под заказ290 руб.
27 711840862

(последний код) Socket Винт M6 x 25 (Socket Screw M6 x 25)

под заказ230 руб.
28 711220585

Переключающий вал в сборе (Shift Shaft Assy)

под заказ13210 руб.
28 420220585

(последний код) Переключающий вал в сборе (Shift Shaft Assy)

под заказ16890 руб.
29 711220600

Вал (Shaft)

под заказ1680 руб.
29 420220600

(последний код) Вал (Shaft)

под заказ2150 руб.
30 711258621

Park Locking Рычаг (Park Locking Lever)

под заказ3370 руб.
30 420258621

(последний код) Park Locking Рычаг (Park Locking Lever)

под заказ4310 руб.
31 711258475

Actuating Рычаг (Actuating Lever)

под заказ2360 руб.
31 420258475

(последний код) Actuating Рычаг (Actuating Lever)

под заказ3220 руб.
32 711239550

Helical Пружина (Helical Spring)

под заказ1230 руб.
32 420239550

(последний код) Helical Пружина (Helical Spring)

под заказ1580 руб.
33 711247040

Воротник Гильза (Collar Sleeve)

под заказ1350 руб.
33 420247040

(последний код) Воротник Гильза (Collar Sleeve)

под заказ1720 руб.
34 711227980

Упорная шайба (Thrust Washer)

под заказ560 руб.
34 420227980

(последний код) Упорная шайба (Thrust Washer)

под заказ720 руб.
35 711239591

Tension Пружина (Tension Spring)

под заказ1230 руб.
35 420239591

(последний код) Tension Пружина (Tension Spring)

под заказ1580 руб.
36 711220545

Индикатор Вал (Indicator Shaft)

под заказ6660 руб.
36 420220545

(последний код) Индикатор Вал (Indicator Shaft)

под заказ8510 руб.
37 711430800

Уплотнительное кольцо (O-Ring)

под заказ330 руб.
37 420430800

(последний код) Уплотнительное кольцо (O-Ring)

под заказ440 руб.
38 711241751

Socket Винт M6 x 16 (Socket Screw M6 x 16)

под заказ60 руб.
38 420241751

(последний код) Socket Винт M6 x 16 (Socket Screw M6 x 16)

под заказ580 руб.
39 293800060

Loctite 243, 10 ml (Loctite 243, 10 ml)

под заказ2150 руб.
39 420897651

(последний код) Loctite 243, 10 ml (Loctite 243, 10 ml)

под заказпо запросу
40 XXX

Моторное масло (Engine Oil)

41 711445331

Шайба с блокировкой (Lock Washer)

под заказ320 руб.
41 420445331

(последний код) Шайба с блокировкой (Lock Washer)

под заказ410 руб.
42 711241751

Socket Винт M6 x 16 (Socket Screw M6 x 16)

под заказ60 руб.
42 420241751

(последний код) Socket Винт M6 x 16 (Socket Screw M6 x 16)

под заказ580 руб.
brp atv

Время выполнения запроса 2.0312969684601 сек.


 
 

данный сайт носит информационный характер и не является публичной офертой

склад запчастей для водомоторной техники