вконтакте

Контактный телефон: +7 (981) 121-46-93, +7 (800) 200-90-76 , Email: parts-katalog@yandex.ru, где купить

 
 

  Логин:

Пароль:

Регистрация

www.partskatalog.ru Все каталоги Запчасти Mercury Запчасти Suzuki Запчасти Tohatsu Запчасти Honda Контакты



УВАЖАЕМЫЕ КЛИЕНТЫ!
C 19 ДЕКАБРЯ 2025 ПО 02 МАРТА 2026 ГОДА ОТДЕЛ ЗАПЧАСТЕЙ И СЕРВИС РАБОТАТЬ НЕ БУДУТ
ПРОДАЖА ЛОДОЧНЫХ МОТОРОВ В ШТАТНОМ РЕЖИМЕ
ОБ ИЗМЕНЕНИЯХ В ГРАФИКЕ РАБОТЫ ЧИТАЙТЕ НА САЙТА




Выбрать другую модель

назад Раздел:   вперёд

вернуться к списку узлов и деталей

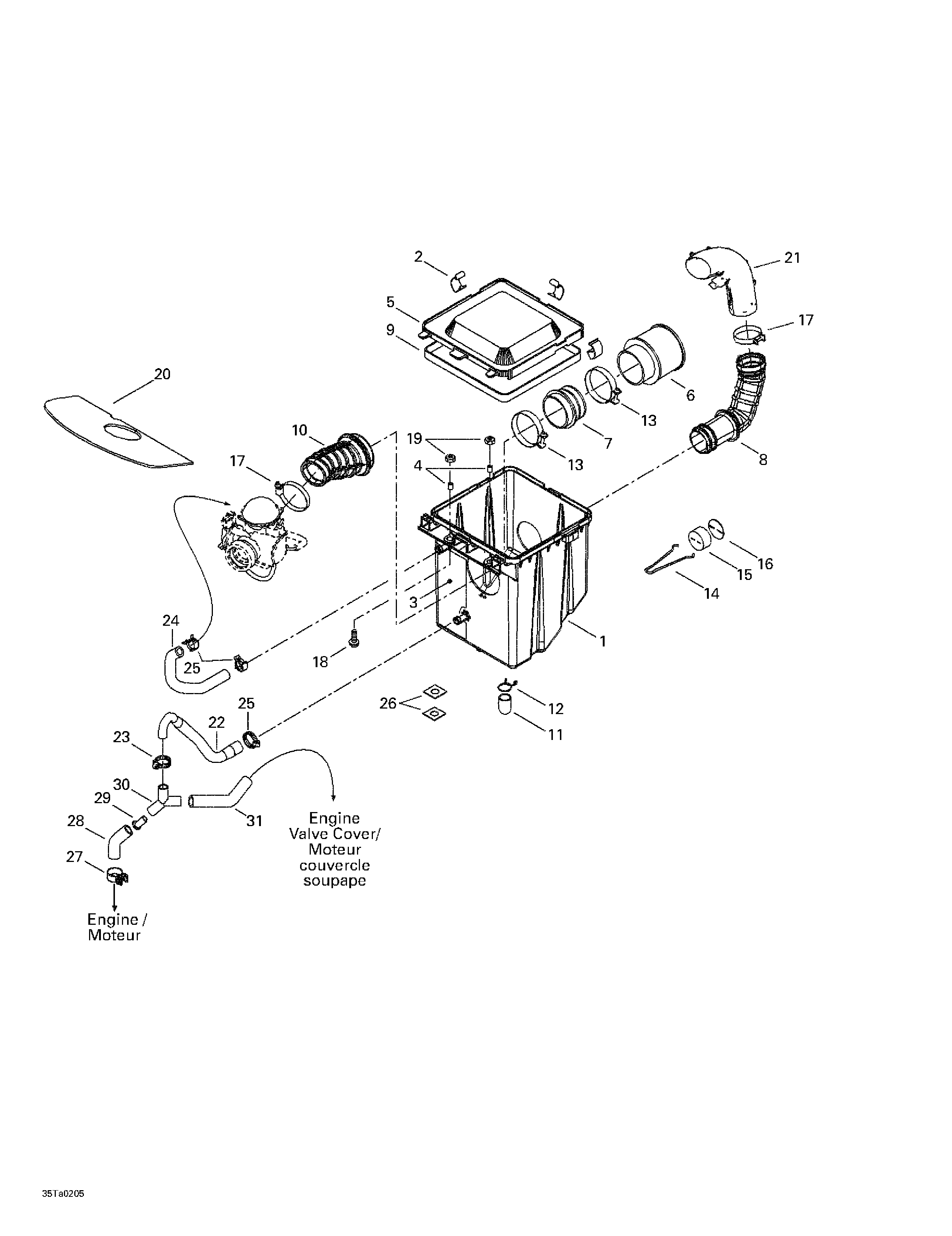
ДЕТАЛИРОВКА ДЛЯ МОДЕЛИ: BRP ATV Traxter Autoshift, 2002

Раздел: Air Впуск глушителя | Air Intake Silencer


BRP Traxter Autoshift, 2002 - Air Intake Silencer

Номер на
рисунке
АртикулНаименованиеКол-во
на складе
Цена
1 707800069

Air Впуск глушителя Основание. Includes 1 - 4. (Air Intake Silencer Base. Includes 1 - 4.)

под заказпо запросу
2 707800079

Крышка Кронштейн (Cover Bracket)

под заказ1550 руб.
3 707800083

Heat Защита (Heat Protector)

под заказ1580 руб.
4 XXX

Sвышеport Втулка (Support Bushing)

5 707800017

Крышка (Cover)

под заказ3160 руб.
5 707800158

(последний код) Крышка (Cover)

под заказ4040 руб.
6 707800072

Воздушный фильтр (Air Filter)

под заказ2540 руб.
7 707800077

Адаптер (Adaptor)

под заказ1000 руб.
8 707800078

Rear Система впуска Адаптер (Rear Intake Adaptor)

под заказ2660 руб.
9 293250113

Сальник (Oil Seal)

под заказ1230 руб.
10 707800071

Система впуска Адаптер (Intake Adaptor)

под заказ4310 руб.
11 707800080

Drain Трубка (Drain Tube)

под заказ760 руб.
12 707800081

Зажим Фиксатор (Clip Retainer)

под заказ140 руб.
13 293650107

Tridon Шестерня Струбцина (Tridon Gear Clamp)

под заказ680 руб.
13 293650179

(последний код) Tridon Шестерня Струбцина (Tridon Gear Clamp)

под заказ910 руб.
14 707800087

Foam Кронштейн (Foam Bracket)

под заказ720 руб.
15 707800088

Foam Фильтр (Foam Filter)

под заказ430 руб.
16 707800089

Фиксатор Кронштейн (Retainer Bracket)

под заказ430 руб.
17 512059006

Струбцина (Clamp)

под заказ560 руб.
17 293650158

(последний код) Струбцина (Clamp)

под заказ720 руб.
18 207662044

Hex. Фланецd Винт M6 x 20 (Hex. Flanged Screw M6 x 20)

под заказ290 руб.
19 233261414

Elastic Фланецd Stop Гайка M6 (Elastic Flanged Stop Nut M6)

под заказ290 руб.
19 M33200

(последний код)

под заказпо запросу
20 707800095

Deflector (Deflector)

под заказ1570 руб.
21 707800073

Rear Air Система впуска (Rear Air Intake)

под заказ1580 руб.
22 707800085

Vent Шланг (Vent Hose)

под заказ3190 руб.
23 293650109

Norma Пружина Струбцина (Norma Spring Clamp)

под заказ500 руб.
24 707800086

Vent Шланг (Vent Hose)

под заказ2190 руб.
25 293650110

Norma Струбцина (Norma Clamp)

под заказ430 руб.
26 293830091

Rubber Бампер (Rubber Bumper)

под заказ610 руб.
27 711251222

Шестерня Струбцина (Gear Clamp)

под заказ970 руб.
27 420251222

(последний код) Шестерня Струбцина (Gear Clamp)

под заказ1230 руб.
28 711222600

дляmed Шланг (Formed Hose)

под заказ1800 руб.
28 420222600

(последний код) дляmed Шланг (Formed Hose)

под заказ2300 руб.
29 711222590

Fitting (Fitting)

под заказ1010 руб.
29 420222590

(последний код) Fitting (Fitting)

под заказ1290 руб.
30 711874380

Y" Fitting``` (Y" Fitting```)

под заказ2090 руб.
30 420874380

(последний код) Y" Fitting``` (Y" Fitting```)

под заказ2680 руб.
31 711222610

дляmed Шланг (Formed Hose)

под заказ2360 руб.
31 420222610

(последний код) дляmed Шланг (Formed Hose)

под заказ3220 руб.
brp atv

Время выполнения запроса 2.4779989719391 сек.


 
 

данный сайт носит информационный характер и не является публичной офертой

склад запчастей для водомоторной техники