вконтакте

Контактный телефон: +7 (981) 121-46-93, +7 (800) 200-90-76 , Email: parts-katalog@yandex.ru, где купить

 
 

  Логин:

Пароль:

Регистрация

www.partskatalog.ru Все каталоги Запчасти Mercury Запчасти Suzuki Запчасти Tohatsu Запчасти Honda Контакты



УВАЖАЕМЫЕ КЛИЕНТЫ!
C 19 ДЕКАБРЯ 2025 ПО 02 МАРТА 2026 ГОДА ОТДЕЛ ЗАПЧАСТЕЙ И СЕРВИС РАБОТАТЬ НЕ БУДУТ
ПРОДАЖА ЛОДОЧНЫХ МОТОРОВ В ШТАТНОМ РЕЖИМЕ
ОБ ИЗМЕНЕНИЯХ В ГРАФИКЕ РАБОТЫ ЧИТАЙТЕ НА САЙТА




Выбрать другую модель

назад Раздел:   вперёд

вернуться к списку узлов и деталей

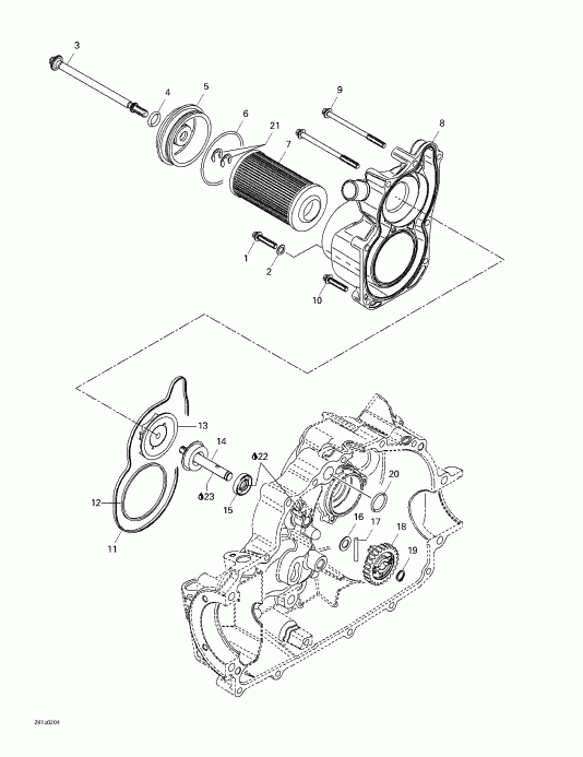
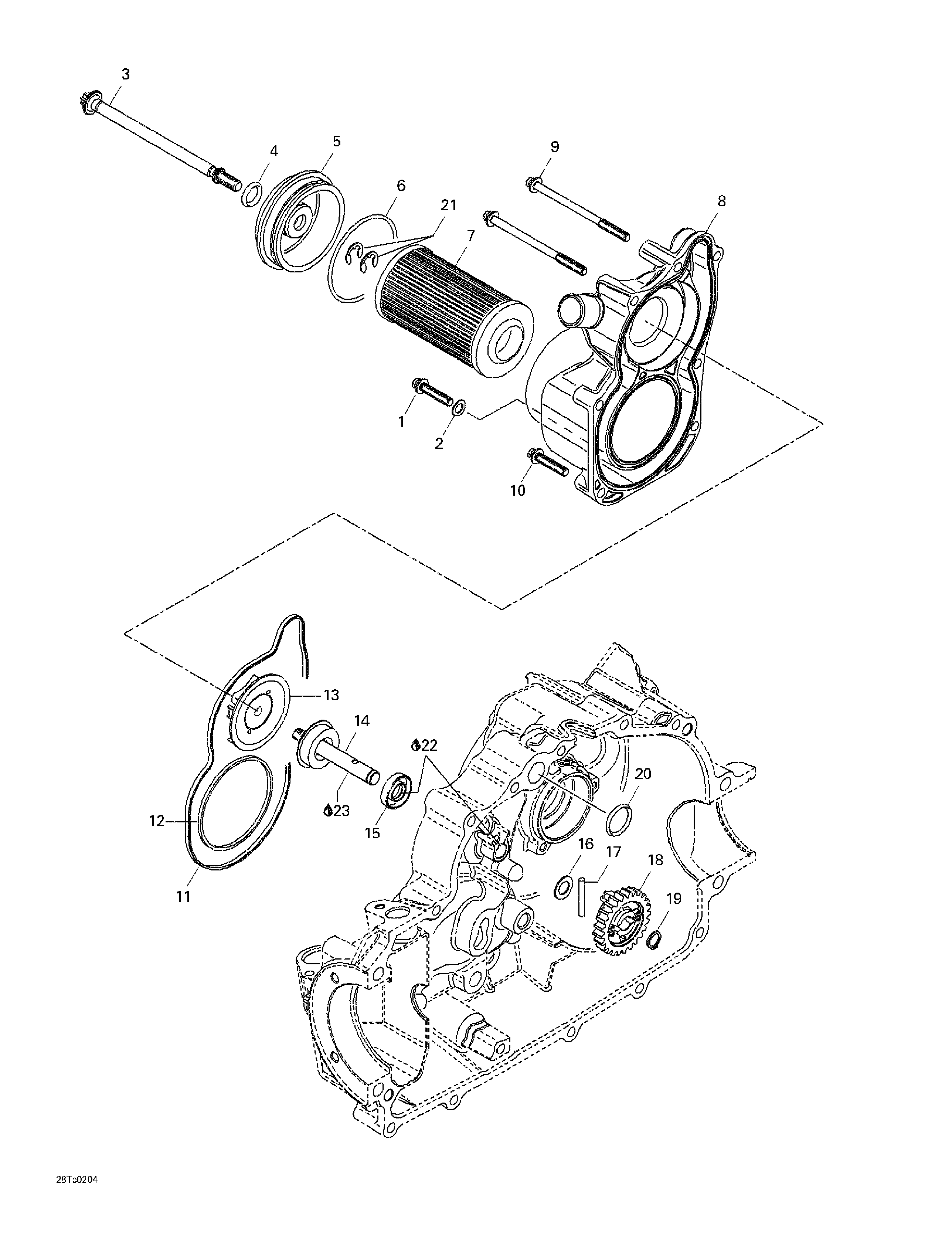
ДЕТАЛИРОВКА ДЛЯ МОДЕЛИ: BRP ATV Quest XT, 2002

Раздел: Охлаждение двигателя | Engine Cooling


Квадроцикл  Quest XT, 2002 раздел - Engine Cooling

Номер на
рисунке
АртикулНаименованиеКол-во
на складе
Цена
1 711641253

Torx Винт M6 x 16 (Torx Screw M6 x 16)

под заказ340 руб.
1 420641258

(последний код) Torx Винт M6 x 16 (Torx Screw M6 x 16)

под заказ430 руб.
2 404146600

Сальникing Шайба (Sealing Washer)

под заказ290 руб.
2 420227500

(последний код) Сальникing Шайба (Sealing Washer)

под заказ230 руб.
3 711641100

Шестигранный винт M8 x 140 (Hex. Screw M8 x 140)

под заказ2920 руб.
3 420641105

(последний код) Шестигранный винт M8 x 140 (Hex. Screw M8 x 140)

под заказ3740 руб.
4 711950860

Уплотнительное кольцо (O Ring)

под заказ310 руб.
4 420950860

(последний код) Уплотнительное кольцо (O Ring)

под заказ400 руб.
5 711610327

Масляный фильтр Крышка (Oil Filter Cover)

под заказ3930 руб.
5 420610326

(последний код) Масляный фильтр Крышка (Oil Filter Cover)

под заказ5030 руб.
6 711650500

Уплотнительное кольцо (O Ring)

под заказ380 руб.
6 420650500

(последний код) Уплотнительное кольцо (O Ring)

под заказ580 руб.
6 AT-MZ1156

   (не оригинальный аналог) Кольцо уплотнительное BRP AT-MZ1156

под заказ210 руб.
7 711956740

Масляный фильтр (Oil Filter)

под заказ910 руб.
7 420956741

(последний код) Масляный фильтр (Oil Filter)

под заказ1160 руб.
910 руб.
7 AT-07061

   (не оригинальный аналог) Фильтр масляный BRP Ski-Doo V-1000/V-1300, Sea-Doo 1503 AT-07061

1 шт860 руб.
8 711222651

Водяной насос Корпус (Water Pump Housing)

под заказ9390 руб.
8 420222651

(последний код) Водяной насос Корпус (Water Pump Housing)

под заказ12000 руб.
9 711641223

Torx Фланецd Винт M6 x 85 (Torx Flanged Screw M6 x 85)

под заказ680 руб.
9 420641228

(последний код) Torx Фланецd Винт M6 x 85 (Torx Flanged Screw M6 x 85)

под заказ860 руб.
10 711641253

Torx Винт M6 x 16 (Torx Screw M6 x 16)

под заказ340 руб.
10 420641258

(последний код) Torx Винт M6 x 16 (Torx Screw M6 x 16)

под заказ430 руб.
11 711630100

Прокладка (Gasket)

под заказ900 руб.
11 420630100

(последний код) Прокладка (Gasket)

под заказ450 руб.
12 711630170

Прокладка (Gasket)

под заказ340 руб.
12 420630170

(последний код) Прокладка (Gasket)

под заказ450 руб.
13 711222540

Water Крыльчатка (Water Impeller)

под заказ1230 руб.
13 420222540

(последний код) Water Крыльчатка (Water Impeller)

под заказ880 руб.
14 711220827

WaterПомпа Вал (Waterpump Shaft)

под заказ4610 руб.
14 420220827

(последний код) WaterПомпа Вал (Waterpump Shaft)

под заказ5890 руб.
15 XXX

Сальник. (See Картер двигателя) (Oil Seal. (See Crankcase))

16 711827590

Упорная шайба (Thrust Washer)

под заказ340 руб.
16 420827590

(последний код) Упорная шайба (Thrust Washer)

под заказ430 руб.
17 711232430

иголка Штифт (Needle Pin)

под заказпо запросу
17 420232430

(последний код) иголка Штифт (Needle Pin)

под заказпо запросу
18 711635190

Idle Шестерня (25 Teeth) (Idle Gear (25 Teeth))

под заказ1120 руб.
18 420635191

(последний код) Idle Шестерня (25 Teeth) (Idle Gear (25 Teeth))

под заказ740 руб.
19 420245330

Пружинное кольцо (Snap Ring)

под заказ230 руб.
19 504152282

(последний код) Пружинное кольцо (Snap Ring)

под заказ290 руб.
20 XXX

Уплотнительное кольцо. (See Картер двигателя) (O Ring. (See Crankcase))

21 711845240

Стопорное кольцо (Retaining Ring)

под заказ230 руб.
21 420845240

(последний код) Стопорное кольцо (Retaining Ring)

под заказ290 руб.
22 413707000

Molykote 111, 100g (Molykote 111, 100g)

под заказ5600 руб.
22 420897161

(последний код) Molykote 111, 100g (Molykote 111, 100g)

под заказпо запросу
23 293600023

Моторное масло (Engine Oil)

под заказпо запросу
brp atv

Время выполнения запроса 8.557247877121 сек.


 
 

данный сайт носит информационный характер и не является публичной офертой

склад запчастей для водомоторной техники