вконтакте

Контактный телефон: +7 (981) 121-46-93, +7 (800) 200-90-76 , Email: parts-katalog@yandex.ru, где купить

 
 

  Логин:

Пароль:

Регистрация

www.partskatalog.ru Все каталоги Запчасти Mercury Запчасти Suzuki Запчасти Tohatsu Запчасти Honda Контакты



УВАЖАЕМЫЕ КЛИЕНТЫ!
C 19 ДЕКАБРЯ 2025 ПО 02 МАРТА 2026 ГОДА ОТДЕЛ ЗАПЧАСТЕЙ И СЕРВИС РАБОТАТЬ НЕ БУДУТ
ПРОДАЖА ЛОДОЧНЫХ МОТОРОВ В ШТАТНОМ РЕЖИМЕ
ОБ ИЗМЕНЕНИЯХ В ГРАФИКЕ РАБОТЫ ЧИТАЙТЕ НА САЙТА




Выбрать другую модель

назад Раздел:   вперёд

вернуться к списку узлов и деталей

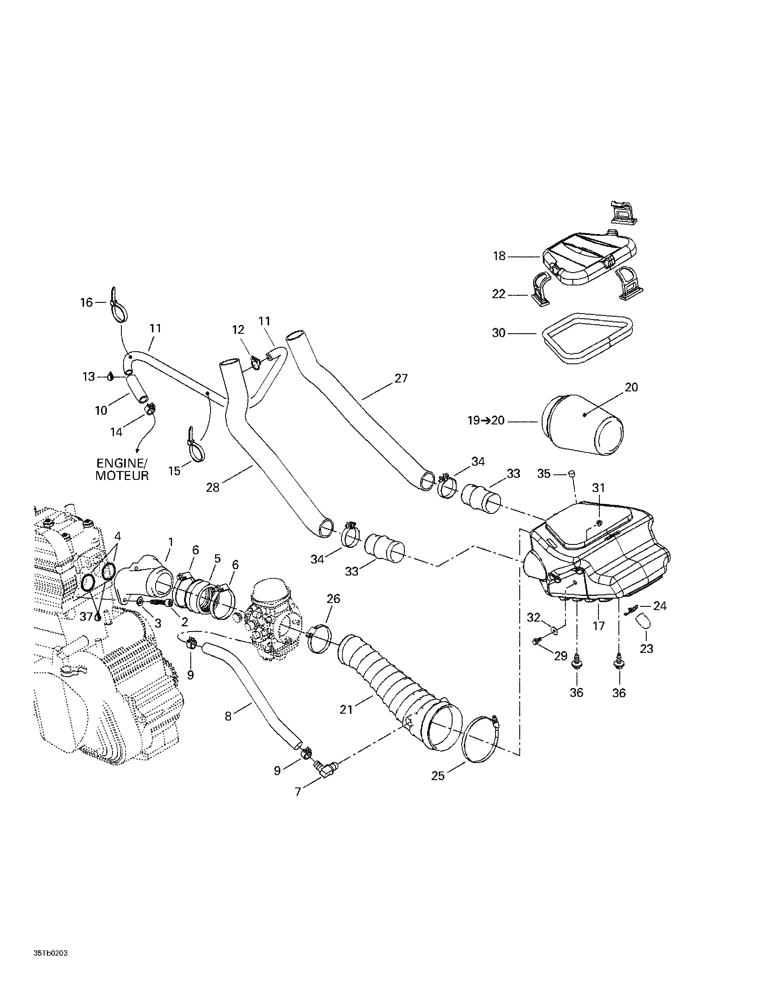
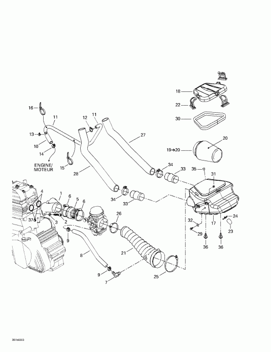
ДЕТАЛИРОВКА ДЛЯ МОДЕЛИ: BRP ATV DS 650, 2002

Раздел: Air Система впуска System | Air Intake System


Квадроцикл  DS 650, 2002 раздел - Air Intake System

Номер на
рисунке
АртикулНаименованиеКол-во
на складе
Цена
1 711267230

Система впуска Адаптер (Intake Adaptor)

под заказ13430 руб.
1 420267230

(последний код) Система впуска Адаптер (Intake Adaptor)

под заказ17170 руб.
2 205062544

Socket Head Винт M6 x 25 (Socket Head Screw M6 x 25)

под заказ290 руб.
2 711840862

(последний код) Socket Head Винт M6 x 25 (Socket Head Screw M6 x 25)

под заказ230 руб.
3 234061410

плоский Шайба 6 mm (Flat Washer 6 mm)

под заказ270 руб.
3 711244213

(последний код) плоский Шайба 6 mm (Flat Washer 6 mm)

под заказ210 руб.
4 293300059

Уплотнительное кольцо (O-Ring)

под заказ580 руб.
4 711230760

(последний код) Уплотнительное кольцо (O-Ring)

под заказ450 руб.
5 711267240

Карбюратор Фланец 52 mm (Carburetor Flange 52 mm)

под заказ3150 руб.
5 420267240

(последний код) Карбюратор Фланец 52 mm (Carburetor Flange 52 mm)

под заказ3680 руб.
6 293650090

Norma Шестерня Струбцина (Norma Gear Clamp)

под заказ430 руб.
7 414523600

Elbow Fitting (Elbow Fitting)

под заказ430 руб.
7 28414523600

(последний код) Elbow Fitting (Elbow Fitting)

под заказ340 руб.
8 414644800

Oil Line (Oil Line)

под заказ2150 руб.
8 414254200

(последний код) Oil Line (Oil Line)

под заказ1680 руб.
9 414655700

Пружина Струбцина (Spring Clamp)

под заказ140 руб.
9 27414655700

(последний код) Пружина Струбцина (Spring Clamp)

под заказ110 руб.
10 275500345

Шланг 8 mm (Прибор) (Hose 8 mm (Meter))

под заказ2390 руб.
10 275500626

(последний код) Шланг 8 mm (Прибор) (Hose 8 mm (Meter))

под заказ2600 руб.
11 276000001

Шланг 12.5 mm (Прибор) (Hose 12.5 mm (Meter))

под заказ1010 руб.
11 296000303

(последний код) Шланг 12.5 mm (Прибор) (Hose 12.5 mm (Meter))

под заказ1290 руб.
12 293650119

Шланг Струбцина (Hose Clamp)

под заказ430 руб.
13 413705800

Loctite 414, 29.5 cc (Loctite 414, 29.5 cc)

под заказ2430 руб.
14 293650047

Oetiker Струбцина (Oetiker Clamp)

под заказ290 руб.
15 414115200

Tie Rap (Tie Rap)

под заказ130 руб.
15 414587300

(последний код) Tie Rap (Tie Rap)

под заказ110 руб.
16 293750008

Tie Rap 350 mm (Tie Rap 350 mm)

под заказ140 руб.
16 748001001

(последний код) Tie Rap 350 mm (Tie Rap 350 mm)

под заказ110 руб.
17 707800021

Air Глушитель (Air Silencer)

под заказ13960 руб.
18 707800022

Air Корпус глушителя (Air Silencer Cover)

под заказ1150 руб.
19 707800023

Воздушный фильтр. Includes 19 - 20. (Air Filter. Includes 19 - 20.)

под заказ7240 руб.
20 707800074

Foam (Foam)

под заказ1640 руб.
21 707800076

Система впуска Адаптер (Intake Adaptor)

под заказ4050 руб.
21 707800142

(последний код) Система впуска Адаптер (Intake Adaptor)

под заказ4420 руб.
22 708200003

Latch-Крышка (Latch-Cover)

под заказ720 руб.
23 707800080

Drain Трубка (Drain Tube)

под заказ760 руб.
24 707800081

Фиксатор Зажим (Retainer Clip)

под заказ140 руб.
25 514052983

Norma Шестерня Струбцина (Norma Gear Clamp)

под заказ1150 руб.
26 514052859

Norma Шестерня Струбцина (Norma Gear Clamp)

под заказ680 руб.
26 293650118

(последний код) Norma Шестерня Струбцина (Norma Gear Clamp)

под заказ860 руб.
27 707800093

Vent Шланг (Vent Hose)

под заказ1290 руб.
28 707800094

Vent Шланг (Vent Hose)

под заказ1440 руб.
29 207662044

Hex. Фланецd Винт M6 x 20 (Hex. Flanged Screw M6 x 20)

под заказ290 руб.
30 293250047

Neoprene Сальник (Neoprene Seal)

под заказ3160 руб.
31 233261414

Elastic Фланецd Stop Гайка M6 (Elastic Flanged Stop Nut M6)

под заказ290 руб.
31 M33200

(последний код)

под заказпо запросу
32 224060201

плоский Шайба (Flat Washer)

под заказ280 руб.
32 224060200

(последний код) плоский Шайба (Flat Washer)

под заказ220 руб.
33 707800038

Deflector (Deflector)

под заказ1290 руб.
34 293650106

Gemi Струбцина (Gemi Clamp)

под заказ560 руб.
34 293650160

(последний код) Gemi Струбцина (Gemi Clamp)

под заказ760 руб.
35 572051500

Колпачок (Cap)

под заказ430 руб.
36 293730018

Dart-Крепление (Dart-Mount)

под заказ120 руб.
36 293730040

(последний код) Dart-Крепление (Dart-Mount)

под заказ290 руб.
37 293550014

Смазка, Sвышеer Lube #823-28 (Grease, Super Lube #823-28)

под заказ2250 руб.
37 293550030

(последний код) Смазка, Sвышеer Lube #823-28 (Grease, Super Lube #823-28)

под заказ2870 руб.
brp atv

Время выполнения запроса 3.5962960720062 сек.


 
 

данный сайт носит информационный характер и не является публичной офертой

склад запчастей для водомоторной техники