вконтакте

Контактный телефон: +7 (981) 121-46-93, +7 (800) 200-90-76 , Email: parts-katalog@yandex.ru, где купить

 
 

  Логин:

Пароль:

Регистрация

www.partskatalog.ru Все каталоги Запчасти Mercury Запчасти Suzuki Запчасти Tohatsu Запчасти Honda Контакты



УВАЖАЕМЫЕ КЛИЕНТЫ!
C 19 ДЕКАБРЯ 2025 ПО 02 МАРТА 2026 ГОДА ОТДЕЛ ЗАПЧАСТЕЙ И СЕРВИС РАБОТАТЬ НЕ БУДУТ
ПРОДАЖА ЛОДОЧНЫХ МОТОРОВ В ШТАТНОМ РЕЖИМЕ
ОБ ИЗМЕНЕНИЯХ В ГРАФИКЕ РАБОТЫ ЧИТАЙТЕ НА САЙТА




Выбрать другую модель

назад Раздел:   вперёд

вернуться к списку узлов и деталей

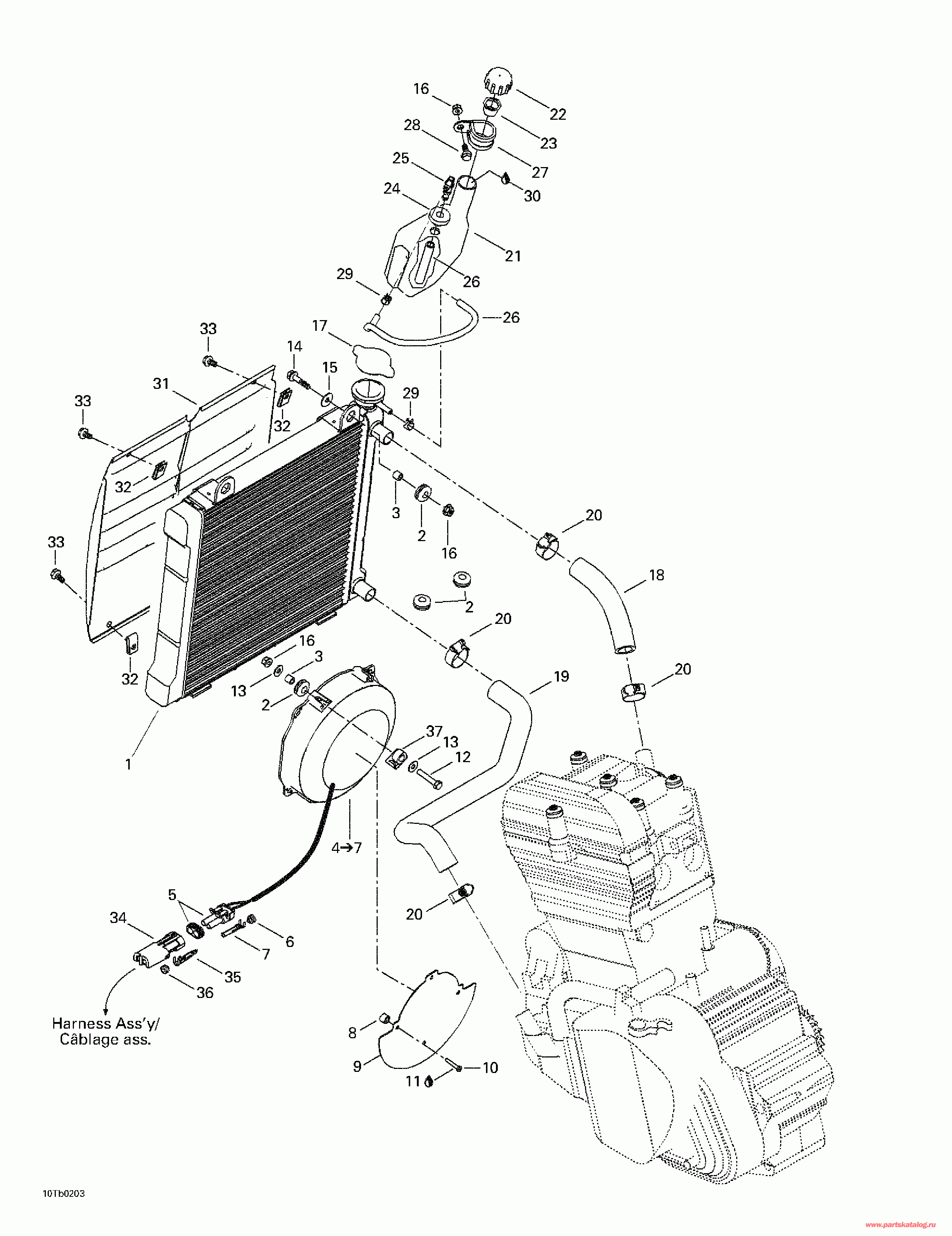
ДЕТАЛИРОВКА ДЛЯ МОДЕЛИ: BRP ATV DS 650, 2002

Раздел: Охлаждение System | Cooling System


Мотовездеход  модель DS 650, 2002 - Охлаждение System

Номер на
рисунке
АртикулНаименованиеКол-во
на складе
Цена
1 709200070

Radiator (Radiator)

под заказ42300 руб.
1 709200145

(последний код) Radiator (Radiator)

под заказ22100 руб.
2 293720053

Пыльник (Grommet)

под заказ260 руб.
2 709000582

(последний код) Пыльник (Grommet)

под заказ310 руб.
2 SM-12511

   (не оригинальный аналог) Втулка резиновая BRP SM-12511

под заказ160 руб.
3 512045400

Втулка (Bushing)

под заказ400 руб.
3 293900045

(последний код) Втулка (Bushing)

под заказ430 руб.
4 709200092

Fan в сборе. Includes 4 - 7. (Fan Assy. Includes 4 - 7.)

под заказ26000 руб.
4 709200091

(последний код) Fan в сборе. Includes 4 - 7. (Fan Assy. Includes 4 - 7.)

под заказ20300 руб.
5 278000220

Female Клемма Корпус (2 Circuits) (Female Terminal Housing (2 Circuits))

под заказ1150 руб.
6 710000048

Сальник (Seal)

под заказ580 руб.
7 409007300

Female Клемма (Female Terminal)

под заказ1720 руб.
8 707000058

Проставка (Spacer)

под заказ560 руб.
9 709200041

Heat Shield (Heat Shield)

под заказ1150 руб.
10 209642590

Саморез M4.2 x 25 (Tapping Screw M4.2 x 25)

под заказ290 руб.
11 293800005

Loctite 271, 10 ml (Loctite 271, 10 ml)

под заказ2150 руб.
11 747020000

(последний код) Loctite 271, 10 ml (Loctite 271, 10 ml)

под заказ1680 руб.
12 207063544

Hex. Фланецd Винт M6 X 35 (Hex. Flanged Screw M6 X 35)

под заказ280 руб.
12 420941120

(последний код) Hex. Фланецd Винт M6 X 35 (Hex. Flanged Screw M6 X 35)

под заказ220 руб.
13 391302100

плоский Шайба (Flat Washer)

под заказ130 руб.
13 399901500

(последний код) плоский Шайба (Flat Washer)

под заказ110 руб.
14 207662544

Hex. Фланецd Винт M6 x 25 (Hex. Flanged Screw M6 x 25)

под заказ290 руб.
14 420940568

(последний код) Hex. Фланецd Винт M6 x 25 (Hex. Flanged Screw M6 x 25)

под заказ230 руб.
15 224060201

плоский Шайба (Flat Washer)

под заказ280 руб.
15 224060200

(последний код) плоский Шайба (Flat Washer)

под заказ220 руб.
16 233261414

Elastic Фланецd Stop Гайка M6 (Elastic Flanged Stop Nut M6)

под заказ290 руб.
16 M33200

(последний код)

под заказпо запросу
17 709200033

Pressure Колпачок (Pressure Cap)

под заказ1120 руб.
17 709200207

(последний код) Pressure Колпачок (Pressure Cap)

под заказ1400 руб.
18 709200021

Radiator вход Шланг (Radiator Inlet Hose)

под заказ1580 руб.
19 709200022

Radiator выход Шланг (Radiator Outlet Hose)

под заказ2270 руб.
20 293650051

Tridon Шестерня Струбцина (Tridon Gear Clamp)

под заказ430 руб.
20 711251032

(последний код) Tridon Шестерня Струбцина (Tridon Gear Clamp)

под заказ340 руб.
21 709200058

Coolant Tank (Coolant Tank)

под заказ3930 руб.
21 709200099

(последний код) Coolant Tank (Coolant Tank)

под заказ5030 руб.
22 709200009

Tank Колпачок (Tank Cap)

под заказ960 руб.
23 709200034

Защита Колпачок (Protector Cap)

под заказ230 руб.
23 709200205

(последний код) Защита Колпачок (Protector Cap)

под заказ290 руб.
24 570135100

Пыльник (Grommet)

под заказ560 руб.
24 709200285

(последний код) Пыльник (Grommet)

под заказ720 руб.
25 414580600

Elbow Male Коннектор (Elbow Male Connector)

под заказ430 руб.
25 414362500

(последний код) Elbow Male Коннектор (Elbow Male Connector)

под заказ340 руб.
26 415110000

Polyurethane Шланг 5.2 mm (Polyurethane Hose 5.2 mm)

под заказ280 руб.
26 709000017

(последний код) Polyurethane Шланг 5.2 mm (Polyurethane Hose 5.2 mm)

под заказ220 руб.
27 709200036

Шланг Anchor (Hose Anchor)

под заказ770 руб.
28 207661644

Hex. Фланецd Винт M6 x 16 (Hex. Flanged Screw M6 x 16)

под заказ280 руб.
29 414554800

Пружина Зажим (Spring Clip)

под заказ140 руб.
29 414278600

(последний код) Пружина Зажим (Spring Clip)

под заказ110 руб.
30 413711802

Antifreeze (16 x 1 Bottle) (Antifreeze (16 x 1 Bottle))

под заказ540 руб.
30 219700362

(последний код) Antifreeze (16 x 1 Bottle) (Antifreeze (16 x 1 Bottle))

под заказ540 руб.
31 709200037

Radiator Защита (Radiator Protector)

под заказ2870 руб.
32 250000048

Гайка M6 (Nut M6)

под заказ250 руб.
32 250100113

(последний код) Гайка M6 (Nut M6)

под заказ250 руб.
33 207661244

Hex. Фланецd Винт M6 x 12 (Hex. Flanged Screw M6 x 12)

под заказ290 руб.
33 420640593

(последний код) Hex. Фланецd Винт M6 x 12 (Hex. Flanged Screw M6 x 12)

под заказ230 руб.
34 278000217

Male Клемма Корпус (2 Circuits) (Male Terminal Housing (2 Circuits))

под заказ720 руб.
35 409004300

Male Клемма (Male Terminal)

под заказ580 руб.
36 278000218

Сальник (Seal)

под заказ430 руб.
37 709200017

Fan Sвышеport (Fan Support)

под заказ690 руб.
brp atv

Время выполнения запроса 4.1995770931244 сек.


 
 

данный сайт носит информационный характер и не является публичной офертой

склад запчастей для водомоторной техники