Контактный телефон: +7 (981) 121-46-93, +7 (800) 200-90-76 , Email: parts-katalog@yandex.ru, где купить |
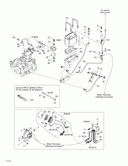
вернуться к списку узлов и деталей ДЕТАЛИРОВКА ДЛЯ МОДЕЛИ: BRP ATV Traxter Autoshift Std, 2003 Раздел: Battery и Электрика Аксессуары
|
|||||||||||||||||||||||||||||||||||||||||||||||||||||||||||||||||||||||||||||||||||||||||||||||||||||||||||||||||||||||||||||||||||||||||||||||||||||||||||||||||||||||||||||||||||||||||||||||||||||||||||||||||||||||||||||||||||||||||||||||||||||||||||||||||||||||||||||||||||||||||||||||||||||||||||||||||||||||||||||||||||||||||||||||||||||||||||||||||||||||||||||||||||||||||||||||||||||||||||||||||||||||||||||||||||||||||||||||||||||||||||||||||||||||||||||||||||||||||||||||||||||||||||||||||||||||||||||||||||||
| Номер на рисунке | Артикул | Наименование | Кол-во на складе | Цена | |
| 1 | 710000315 | Electronic Module (Electronic Module) | под заказ | 128500 руб. | |
| 1 | 710000147 | (последний код) Electronic Module (Electronic Module) | под заказ | 112400 руб. | |
| 2 | 278001166 | Module Защита (Module Protector) | под заказ | 860 руб. | |
| 3 | 207662044 | Hex. Фланецd Винт M6 x 20 (Hex. Flanged Screw M6 x 20) | под заказ | 290 руб. | |
| 4 | 233261414 | Elastic Фланецd Stop Гайка M6 (Elastic Flanged Stop Nut M6) | под заказ | 290 руб. | |
| 4 | M33200 | (последний код) | под заказ | по запросу | |
| 5 | 278001756 | Battery. Includes 5 - 8. (Battery. Includes 5 - 8.) | под заказ | 7070 руб. | |
| 5 | 295500116 | (последний код) Battery. Includes 5 - 8. (Battery. Includes 5 - 8.) | под заказ | 5780 руб. | |
| 5 | FB16CL-B | (не оригинальный аналог) Аккумулятор FB16CL-B (YB16CL-B) | под заказ | 8370 руб. | |
| 6 | 211000045 | Шестигранный винт (Hex. Screw) | под заказ | по запросу | |
| 7 | 211200018 | плоский Шайба 6 mm (Flat Washer 6 mm) | под заказ | 270 руб. | |
| 8 | 211100022 | Гайка M6 (Nut M6) | под заказ | по запросу | |
| 9 | 415110000 | Polyurethane Шланг 5.2 mm (Polyurethane Hose 5.2 mm) | под заказ | 280 руб. | |
| 9 | 709000017 | (последний код) Polyurethane Шланг 5.2 mm (Polyurethane Hose 5.2 mm) | под заказ | 220 руб. | |
| 10 | 710000022 | Заземляющий провод (Ground Cable) | под заказ | по запросу | |
| 11 | 278001746 | Battery нижний Pad (Battery Lower Pad) | под заказ | 2020 руб. | |
| 11 | 278001976 | (последний код) Battery нижний Pad (Battery Lower Pad) | под заказ | 2720 руб. | |
| 12 | 293850021 | Rubber Хомут (Rubber Strap) | под заказ | по запросу | |
| 12 | 293850077 | (последний код) Rubber Хомут (Rubber Strap) | под заказ | 900 руб. | |
| 13 | 234461608 | External Tooth Шайба с блокировкой 6 mm (External Tooth Lock Washer 6 mm) | под заказ | 270 руб. | |
| 13 | 217161600 | (последний код) External Tooth Шайба с блокировкой 6 mm (External Tooth Lock Washer 6 mm) | под заказ | 210 руб. | |
| 14 | 232061414 | Гайка M6 (Nut M6) | под заказ | 290 руб. | |
| 14 | 540802021 | (последний код) Гайка M6 (Nut M6) | под заказ | 230 руб. | |
| 15 | 233261414 | Elastic Фланецd Stop Гайка M6 (Elastic Flanged Stop Nut M6) | под заказ | 290 руб. | |
| 15 | M33200 | (последний код) | под заказ | по запросу | |
| 16 | 710000100 | Voltage Регулятор. Includes 16 - 24. (Voltage Regulator. Includes 16 - 24.) | под заказ | 18610 руб. | |
| 16 | 710000019 | (последний код) Voltage Регулятор. Includes 16 - 24. (Voltage Regulator. Includes 16 - 24.) | под заказ | 14550 руб. | |
| 17 | 278000222 | Male Клемма (18 Gauge) (Male Terminal (18 Gauge)) | под заказ | 290 руб. | |
| 18 | 278000223 | Female Клемма (18 Gauge) (Female Terminal (18 Gauge)) | под заказ | 290 руб. | |
| 19 | 278000161 | Female Корпус (1 Circuit) (Female Housing (1 Circuit)) | под заказ | 720 руб. | |
| 20 | 278000219 | Male Корпус (1 Circuit) (Male Housing (1 Circuit)) | под заказ | 630 руб. | |
| 21 | 278000218 | Провод Сальник (16-18 Gauge) (зелёный) (Wire Seal (16-18 Gauge)(Green)) | под заказ | 430 руб. | |
| 22 | 409901300 | Vinyl Temp (Vinyl Temp) | под заказ | 880 руб. | |
| 22 | 410112900 | (последний код) Vinyl Temp (Vinyl Temp) | под заказ | 690 руб. | |
| 23 | 710000034 | Female Клемма (14-16 Gauge) (Female Terminal (14-16 Gauge)) | под заказ | 530 руб. | |
| 24 | 293750001 | Tie Rap (Tie Rap) | под заказ | 90 руб. | |
| 24 | 420866718 | (последний код) Tie Rap (Tie Rap) | под заказ | 110 руб. | |
| 25 | 278001546 | Катушка зажигания (Ignition Coil) | под заказ | 16330 руб. | |
| 25 | 420891640 | (последний код) Катушка зажигания (Ignition Coil) | под заказ | 12770 руб. | |
| 25 | SM-01149 | (не оригинальный аналог) Катушка зажигания BRP/Polaris SM-01149 | под заказ | 10380 руб. | |
| 26 | 710000073 | Изолятор Pad (Insulator Pad) | под заказ | 370 руб. | |
| 27 | 207665044 | Hex. Фланецd Винт M6 x 50 (Hex. Flanged Screw M6 x 50) | под заказ | 290 руб. | |
| 28 | 233261414 | Elastic Фланецd Stop Гайка M6 (Elastic Flanged Stop Nut M6) | под заказ | 290 руб. | |
| 28 | M33200 | (последний код) | под заказ | по запросу | |
| 29 | 710000211 | Заземляющий провод (Ground Cable) | под заказ | 1910 руб. | |
| 29 | 710000023 | (последний код) Заземляющий провод (Ground Cable) | под заказ | 1500 руб. | |
| 30 | 710000136 | Positive Кабели (Positive Cable) | под заказ | 2300 руб. | |
| 31 | 710000111 | Стартер Реле (Starter Relay) | под заказ | 4720 руб. | |
| 31 | 515176011 | (последний код) Стартер Реле (Starter Relay) | под заказ | 6030 руб. | |
| 32 | 232561600 | Эластичная гайка со стопором M6 (Elastic Stop Nut M6) | под заказ | 290 руб. | |
| 32 | 212000001 | (последний код) Эластичная гайка со стопором M6 (Elastic Stop Nut M6) | под заказ | 230 руб. | |
| 33 | 210261680 | Шестигранный винт M6 x 16 (Hex. Screw M6 x 16) | под заказ | 250 руб. | |
| 33 | 732600002 | (последний код) Шестигранный винт M6 x 16 (Hex. Screw M6 x 16) | под заказ | 230 руб. | |
| 34 | 250000061 | Hex. Саморез 1 / 4"-20 x 3 / 4" (Hex. Tapping Screw 1/4"-20 x 3/4") | под заказ | 190 руб. | |
| 35 | 710000212 | Предохранитель Держатель. Includes 35 - 46. (Fuse Holder. Includes 35 - 46.) | под заказ | 10260 руб. | |
| 35 | 710000579 | (последний код) Предохранитель Держатель. Includes 35 - 46. (Fuse Holder. Includes 35 - 46.) | под заказ | 13120 руб. | |
| 36 | 409004300 | Male Клемма (16 Gauge) (Male Terminal (16 Gauge)) | под заказ | 580 руб. | |
| 37 | 710000213 | Блок предохранителей (Fuse Box) | под заказ | 2150 руб. | |
| 38 | 409007300 | Female Клемма (14 Gauge) (Female Terminal (14 Gauge)) | под заказ | 1720 руб. | |
| 39 | 278000161 | Female Корпус (1 Circuit) (Female Housing (1 Circuit)) | под заказ | 720 руб. | |
| 40 | 278000218 | Провод Сальник (16-18 Gauge) (зелёный) (Wire Seal (16-18 Gauge)(Green)) | под заказ | 430 руб. | |
| 710000048 | Провод Сальник (Wire Seal) | под заказ | 580 руб. | ||
| 41 | 278001392 | Open Barrel (Open Barrel) | под заказ | 430 руб. | |
| 41 | 409012600 | (последний код) Open Barrel (Open Barrel) | под заказ | 340 руб. | |
| 42 | 515175442 | Корпус (Housing) | под заказ | 430 руб. | |
| 42 | 513033364 | (последний код) Корпус (Housing) | под заказ | 340 руб. | |
| 43 | 410917200 | Предохранитель 30 Amp (Fuse 30 Amp) | под заказ | 290 руб. | |
| 43 | 42043 | (последний код) Предохранитель 30 Amp (Fuse 30 Amp) | под заказ | 140 руб. | |
| 44 | 278001143 | Предохранитель 20 Amp (Fuse 20 Amp) | под заказ | 230 руб. | |
| 44 | 409003900 | (последний код) Предохранитель 20 Amp (Fuse 20 Amp) | под заказ | 290 руб. | |
| 45 | 710000106 | Female Корпус (5 Circuits) (Female Housing (5 Circuits)) | под заказ | 1640 руб. | |
| 46 | 278000343 | Предохранитель 15 Amp (Fuse 15 Amp) | под заказ | 290 руб. | |
| 47 | 710000039 | Свеча зажигания Провод. Includes 47 - 49. (Spark Plug Wire. Includes 47 - 49.) | под заказ | по запросу | |
| 48 | 710000041 | Spark Защитный колачок (Spark Plug Cap) | под заказ | по запросу | |
| 49 | 293750001 | Tie Rap 94 mm (Tie Rap 94 mm) | под заказ | 90 руб. | |
| 49 | 420866718 | (последний код) Tie Rap 94 mm (Tie Rap 94 mm) | под заказ | 110 руб. | |
| 50 | 293550004 | Dielectric Смазка, 150 g (Dielectric Grease,150 g) | под заказ | 4740 руб. | |
| 50 | 747018002 | (последний код) Dielectric Смазка, 150 g (Dielectric Grease,150 g) | под заказ | 3710 руб. | |
| 51 | 293800060 | Loctite 243 (Loctite 243) | под заказ | 2150 руб. | |
| 51 | 420897651 | (последний код) Loctite 243 (Loctite 243) | под заказ | по запросу | |
| 52 | 207162044 | Шестигранный винт M6 x 20 (Hex. Screw M6 x 20) | под заказ | 290 руб. | |
| 52 | 420940561 | (последний код) Шестигранный винт M6 x 20 (Hex. Screw M6 x 20) | под заказ | 230 руб. | |
| 53 | 710000135 | Кабель аккумулятора. P-XT. (Battery Cable. P-XT.) | под заказ | 4440 руб. | |

Время выполнения запроса 2.6226191520691 сек.
склад запчастей для водомоторной техники