вконтакте

Контактный телефон: +7 (981) 121-46-93, +7 (800) 200-90-76 , Email: parts-katalog@yandex.ru, где купить

 
 

  Логин:

Пароль:

Регистрация

www.partskatalog.ru Все каталоги Запчасти Mercury Запчасти Suzuki Запчасти Tohatsu Запчасти Honda Контакты



УВАЖАЕМЫЕ КЛИЕНТЫ!
C 19 ДЕКАБРЯ 2025 ПО 02 МАРТА 2026 ГОДА ОТДЕЛ ЗАПЧАСТЕЙ И СЕРВИС РАБОТАТЬ НЕ БУДУТ
ПРОДАЖА ЛОДОЧНЫХ МОТОРОВ В ШТАТНОМ РЕЖИМЕ
ОБ ИЗМЕНЕНИЯХ В ГРАФИКЕ РАБОТЫ ЧИТАЙТЕ НА САЙТА




Выбрать другую модель

назад Раздел:   вперёд

вернуться к списку узлов и деталей

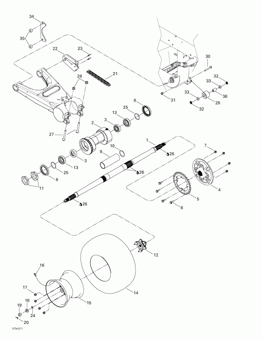
ДЕТАЛИРОВКА ДЛЯ МОДЕЛИ: BRP ATV Rally, 2003

Раздел: Drive System, Rear | Drive System, Rear


Мотовездеход Bombardier Rally, 2003 - Drive System, Rear

Номер на
рисунке
АртикулНаименованиеКол-во
на складе
Цена
1 705500220

Rear Axle (Rear Axle)

под заказ44400 руб.
2 705500277

Цепь Tightener (Chain Tightener)

под заказ17440 руб.
3 705500275

Шариковый подшипник (Ball Bearing)

под заказ3010 руб.
4 705500217

Welded Hub (Welded Hub)

под заказ14940 руб.
5 705500219

Цепное колесо ЗВЕЗДОЧКА (Sprocket)

под заказ5310 руб.
5 A41201179000

(последний код) Цепное колесо ЗВЕЗДОЧКА (Sprocket)

под заказ7120 руб.
6 207582586

Hex. Фланецd Винт M8 x 25 (Hex. Flanged Screw M8 x 25)

под заказ290 руб.
7 233281416

Elastic Фланецd Гайка M8 (Elastic Flanged Nut M8)

под заказ290 руб.
8 293250115

Сальник (Oil Seal)

под заказ1230 руб.
8 293250222

(последний код) Сальник (Oil Seal)

под заказ1490 руб.
9 705500291

Проставка (Spacer)

под заказ3300 руб.
10 705500292

Фиксатор Кольцо (Retainer Ring)

под заказ580 руб.
11 705500293

Locking Гайка (Locking Nut)

под заказ2580 руб.
12 705500341

Wheel Hub в сборе (Wheel Hub Assy)

под заказ12090 руб.
13 705500412

WeaКольцо Кольцо (Wearing Ring)

под заказпо запросу
14 705500294

Rear Tire (Rear Tire)

под заказпо запросу
14 A42811179000

(последний код) Rear Tire (Rear Tire)

под заказ7540 руб.
15 705500295

Rear Rim (Rear Rim)

под заказ7530 руб.
16 705400067

Rim Клапан (Rim Valve)

под заказ340 руб.
16 705400193

(последний код) Rim Клапан (Rim Valve)

под заказ450 руб.
17 250100039

Wheel Гайка (Wheel Nut)

под заказ210 руб.
17 250100042

(последний код) Wheel Гайка (Wheel Nut)

под заказ480 руб.
18 250200019

Шайба (Washer)

под заказ860 руб.
18 211200049

(последний код) Шайба (Washer)

под заказ680 руб.
19 232591414

Эластичная гайка со стопором M18 (Elastic Stop Nut M18)

под заказ290 руб.
20 250400016

Шплинт (Cotter Pin)

под заказ190 руб.
20 250400036

(последний код) Шплинт (Cotter Pin)

под заказ290 руб.
21 705500274

Цепь (Chain)

под заказ15210 руб.
22 705500296

Shoe Slider (Shoe Slider)

под заказпо запросу
22 A40533179000

(последний код) Shoe Slider (Shoe Slider)

под заказ1960 руб.
23 390406500

Pop Заклёпка 3 / 16" (Pop Rivet 3/16")

под заказ140 руб.
23 390407300

(последний код) Pop Заклёпка 3 / 16" (Pop Rivet 3/16")

под заказ110 руб.
24 293300082

Уплотнительное кольцо (O-Ring)

под заказ450 руб.
25 293300089

Уплотнительное кольцо (O-Ring)

под заказ140 руб.
26 293550019

Смазка, 60g (Grease, 60g)

под заказпо запросу
27 207609044

Hex. Фланецd Винт M10 x 90 (Hex. Flanged Screw M10 x 90)

под заказ360 руб.
28 233201414

Elastic Фланецd Гайка M10 (Elastic Flanged Nut M10)

под заказ280 руб.
28 228701045

(последний код) Elastic Фланецd Гайка M10 (Elastic Flanged Nut M10)

под заказ220 руб.
29 705500368

Цепь Ролик (Chain Roller)

под заказпо запросу
30 207686044

Hex. Фланецd Винт M8 x 60 (Hex. Flanged Screw M8 x 60)

под заказ290 руб.
31 233281414

Elastic Фланецd Гайка M8 (Elastic Flanged Nut M8)

под заказ290 руб.
31 M33201

(последний код)

под заказпо запросу
32 705500398

Проставка (Spacer)

под заказ860 руб.
33 293350039

Шариковый подшипник (Ball Bearing)

под заказ1310 руб.
34 705500425

Цепь Направляющая (Chain Guide)

под заказ1190 руб.
34 A40516179000

(последний код) Цепь Направляющая (Chain Guide)

под заказ3010 руб.
35 705500426

Проставка (Spacer)

под заказ600 руб.
36 705500397

Втулка (Bushing)

под заказпо запросу
brp atv

Время выполнения запроса 2.733589887619 сек.


 
 

данный сайт носит информационный характер и не является публичной офертой

склад запчастей для водомоторной техники