вконтакте

Контактный телефон: +7 (981) 121-46-93, +7 (800) 200-90-76 , Email: parts-katalog@yandex.ru, где купить

 
 

  Логин:

Пароль:

Регистрация

www.partskatalog.ru Все каталоги Запчасти Mercury Запчасти Suzuki Запчасти Tohatsu Запчасти Honda Контакты


Выбрать другую модель

назад Раздел:   вперёд

вернуться к списку узлов и деталей

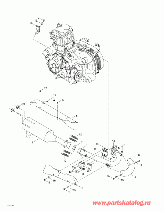
ДЕТАЛИРОВКА ДЛЯ МОДЕЛИ: BRP ATV Quest 650, 2003

Раздел: Выхлопная система | Exhaust System


ATV BRP модель Quest 650, 2003 - Exhaust System

Номер на
рисунке
АртикулНаименованиеКол-во
на складе
Цена
1 707600084

Tuned Трубка (Tuned pipe)

под заказ19960 руб.
2 207581646

Hex Фланецd Винт M8 x 16 (scotch Рукоятка) (Hex flanged screw M8 x 16 (scotch grip))

под заказ290 руб.
3 707600131

Выхлоп sвышеport (Exhaust support)

под заказ1090 руб.
4 707600167

Heat Shield (Heat Shield)

под заказ2720 руб.
5 707600168

Heat Shield (Heat Shield)

под заказ2150 руб.
6 250000073

Hex Фланецd Винт M6 x 12 (Hex flanged screw M6 x 12)

под заказ610 руб.
7 707600164

Трубка Прокладка (Pipe gasket)

под заказ1720 руб.
8 707600165

Выхлоп Струбцина (Exhaust clamp)

под заказ690 руб.
9 707600225

Muffler (Muffler)

под заказ38900 руб.
9 707600230

(последний код) Muffler (Muffler)

под заказ49700 руб.
10 707600012

Rubber (Rubber)

под заказ370 руб.
10 707600702

(последний код) Rubber (Rubber)

под заказ580 руб.
11 707600076

Heat Shield (Heat Shield)

под заказ2580 руб.
11 707600051

(последний код) Heat Shield (Heat Shield)

под заказ2020 руб.
12 707600177

Пружина (Spring)

под заказ930 руб.
13 207661646

Hex Фланецd Винт M6 x 16 (Hex flanged screw M6 x 16)

под заказ290 руб.
14 233061414

Hex Фланецd Гайка M6 (Hex flanged nut M6)

под заказ290 руб.
14 442110

(последний код) Hex Фланецd Гайка M6 (Hex flanged nut M6)

под заказ230 руб.
15 224060201

плоский Шайба (Flat washer)

под заказ280 руб.
15 224060200

(последний код) плоский Шайба (Flat washer)

под заказ220 руб.
16 234082410

плоский Шайба M8 (Flat washer M8)

под заказ270 руб.
16 702000064

(последний код) плоский Шайба M8 (Flat washer M8)

под заказ210 руб.
17 210261080

Hex Фланецd Винт M6 x 10 (Hex flanged screw M6 x 10)

под заказ250 руб.
brp atv

Время выполнения запроса 4.0249009132385 сек.


 
 

данный сайт носит информационный характер и не является публичной офертой

склад запчастей для водомоторной техники